Numerical Study for the Evaluation of the Effectiveness and Benefits of Using Photovoltaic-Thermal (PV/T) System for Hot Water and Electricity Production under a Tropical African Climate: Case of Comoros
Abstract
1. Introduction
2. Materials and Methods
2.1. PV/T System Design and Description
2.2. Modeling Approach
2.2.1. Thermal Model of the PV/T Panel
- a layer of photovoltaic cells covered by a very thin glass and whose surface temperature is assumed to be equal to the temperature of the photovoltaic cells.
- a substrate on which the PV cells are glued with a thermal resistance of 0.036 Km2/W.
- a copper absorption plate with a thickness of 0.5 mm the tubes in which the water circulates are welded lengthwise. The tubes have a diameter of 1 cm and are spaced at 10 cm.
- a layer of insulation with a thermal resistance of 10.8 Km2/W.
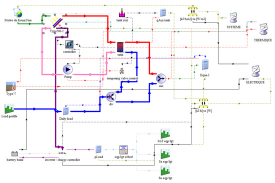
2.2.2. Numerical Simulation
- PVT solar collectors whose thermal model is described above,
- a pump that is started as soon as the weather conditions are favorable for heating water to a temperature higher than that of the hot water tank,
- a stratified hot water tank equipped with an auxiliary heater to meet the hot water demand when the solar energy collected is not sufficient,
- components to manage the mixing of the hot water available in the tank at 60 °C and the cold water whose temperature varies during the year to meet the need for domestic hot water at 45 °C,
- for the electrical part, the system includes a battery and a charge controller. The latter ensures that the electrical energy produced is, in order, either consumed, stored or injected into the network.
2.3. Case Studies with Comparative Scenarios
2.3.1. Weather Conditions
2.3.2. DHW and Electricity Needs
3. Results and Discussion
3.1. Hourly Analysis of System Operation
3.2. Overall Performance Comparison
4. Conclusions
Author Contributions
Funding
Conflicts of Interest
Nomenclature
| T | Temperature | (°C) |
| H | Efficiency | (%) |
| K | Thermal conductivity | (W/mK) |
| Δ | Thickness | (m) |
| Area | Collector area | (m2) |
| Mass flow rate | (L/h) | |
| βr | Temperature coefficient | (%/K) |
| α | Absorptivity | (-) |
| U | Heat transfer coefficient | (W/(m)2K) |
| h | Penalty factor | (-) |
| Tsky | The temperature of the sky | (°C) |
| G | Daily solar irradiation | (W/m2) |
| Tf et Ti | Fluid outlet and inlet temperatures | (°C) |
| τα | Transmittance-absorption product of solar collector | (-) |
| IAM | Incidence angle modifier | (-) |
| Cp | Specific heat | (J/kg K) |
| qTher | Thermal energy | (kWh) |
| qElec | Electrical energy | (kWh) |
| qAux | Auxiliary energy | (kWh) |
| STC | Standard test conditions | |
| DHW | Domestic hot water (English) | |
| ECS | Domestic hot water (French) | |
| TMY | Typical weather year | |
| PVT | Photovoltaic thermal | |
| PV | Photovoltaic | |
| ST | Solar thermal |
References
- Barbu, M.; Darie, G.; Siroux, M. Analysis of a Residential Photovoltaic-Thermal (PVT) System in Two Similar Climate Conditions. Energies 2019, 12, 3595. [Google Scholar] [CrossRef]
- Baljit, S.S.S.; Chan, H.-Y.; Sopian, K. Review of Building Integrated Applications of Photovoltaic and Solar Thermal Systems. J. Clean. Prod. 2016, 137, 677–689. [Google Scholar] [CrossRef]
- Zondag, H.A. Flat-Plate PV-Thermal Collectors and Systems: A Review. Renew. Sustain. Energy Rev. 2008, 12, 891–959. [Google Scholar] [CrossRef]
- Chow, T.T.; He, W.; Ji, J. Hybrid Photovoltaic-Thermosyphon Water Heating System for Residential Application. Sol. Energy 2006, 80, 298–306. [Google Scholar] [CrossRef]
- Raghuraman, P. Analytical Predictions of Liquid and Air Photovoltaic/Thermal, Flat-Plate Collector Performance. J. Sol. Energy Eng. 1981, 103, 291–298. [Google Scholar] [CrossRef]
- Diwania, S.; Agrawal, S.; Siddiqui, A.S.; Singh, S. Photovoltaic-Thermal (PV/T) Technology: A Comprehensive Review on Applications and Its Advancement. Int. J. Energy Environ. Eng. 2020, 11, 33–54. [Google Scholar] [CrossRef]
- Agrawal, B.; Tiwari, G.N. Life Cycle Cost Assessment of Building Integrated Photovoltaic Thermal (BIPVT) Systems. Energy Build. 2010, 42, 1472–1481. [Google Scholar] [CrossRef]
- Axaopoulos, P.J.; Fylladitakis, E.D. Performance and Economic Evaluation of a Hybrid Photovoltaic/Thermal Solar System for Residential Applications. Energy Build. 2013, 65, 488–496. [Google Scholar] [CrossRef]
- Herrando, M.; Pantaleo, A.M.; Wang, K.; Markides, C.N. Solar Combined Cooling, Heating and Power Systems Based on Hybrid PVT, PV or Solar-Thermal Collectors for Building Applications. Renew. Energy 2019, 143, 637–647. [Google Scholar] [CrossRef]
- Gagliano, A.; Tina, G.M.; Aneli, S.; Nižetić, S. Comparative Assessments of the Performances of PV/T and Conventional Solar Plants. J. Clean. Prod. 2019, 219, 304–315. [Google Scholar] [CrossRef]
- Behzadi, A.; Arabkoohsar, A.; Yang, Y. Optimization and Dynamic Techno-Economic Analysis of a Novel PVT-Based Smart Building Energy System. Appl. Therm. Eng. 2020, 181, 115926. [Google Scholar] [CrossRef]
- Khordehgah, N.; Guichet, V.; Lester, S.P.; Jouhara, H. Computational Study and Experimental Validation of a Solar Photovoltaics and Thermal Technology. Renew. Energy 2019, 143, 1348–1356. [Google Scholar] [CrossRef]
- Shoeibi, S.; Kargarsharifabad, H.; Mirjalily, S.A.A.; Zargarazad, M. Performance Analysis of Finned Photovoltaic/Thermal Solar Air Dryer with Using a Compound Parabolic Concentrator. Appl. Energy 2021, 304, 117778. [Google Scholar] [CrossRef]
- Jouhara, H.; Milko, J.; Danielewicz, J.; Sayegh, M.A.; Szulgowska-Zgrzywa, M.; Ramos, J.B.; Lester, S.P. The Performance of a Novel Flat Heat Pipe Based Thermal and PV/T (Photovoltaic and Thermal Systems) Solar Collector That Can Be Used as an Energy-Active Building Envelope Material. Energy 2016, 108, 148–154. [Google Scholar] [CrossRef]
- Bombarda, P.; Di Marcoberardino, G.; Lucchini, A.; Leva, S.; Manzolini, G.; Molinaroli, L.; Pedranzini, F.; Simonetti, R. Thermal and Electric Performances of Roll-Bond Flat Plate Applied to Conventional PV Modules for Heat Recovery. Appl. Therm. Eng. 2016, 105, 304–313. [Google Scholar] [CrossRef]
- Shoeibi, S.; Saemian, M.; Khiadani, M.; Kargarsharifabad, H.; Ali Agha Mirjalily, S. Influence of PV/T Waste Heat on Water Productivity and Electricity Generation of Solar Stills Using Heat Pipes and Thermoelectric Generator: An Experimental Study and Environmental Analysis. Energy Convers. Manag. 2023, 276, 116504. [Google Scholar] [CrossRef]
- Brottier, L. Optimisation Biénergie d’un Panneau Solaire Multifonctionnel: Du Capteur Aux Installations in situ. Ph.D. Thesis, Université Paris-Saclay, Gif-sur-Yvette, France, 2019. [Google Scholar]
- Africa Energy Outlook 2019—Analysis. Available online: https://www.iea.org/reports/africa-energy-outlook-2019 (accessed on 18 October 2022).
- Bissiri, M.; Moura, P.; Figueiredo, N.C.; Silva, P.P. Towards a Renewables-Based Future for West African States: A Review of Power Systems Planning Approaches. Renew. Sustain. Energy Rev. 2020, 134, 110019. [Google Scholar] [CrossRef]
- Hazami, M.; Riahi, A.; Mehdaoui, F.; Nouicer, O.; Farhat, A. Energetic and Exergetic Performances Analysis of a PV/T (Photovoltaic Thermal) Solar System Tested and Simulated under to Tunisian (North Africa) Climatic Conditions. Energy 2016, 107, 78–94. [Google Scholar] [CrossRef]
- Slimani, M.E.A.; Amirat, M.; Kurucz, I.; Bahria, S.; Hamidat, A.; Chaouch, W.B. A Detailed Thermal-Electrical Model of Three Photovoltaic/Thermal (PV/T) Hybrid Air Collectors and Photovoltaic (PV) Module: Comparative Study under Algiers Climatic Conditions. Energy Convers. Manag. 2017, 133, 458–476. [Google Scholar] [CrossRef]
- Siecker, J.; Kusakana, K.; Numbi, B.P. Optimal Switching Control of PV/T Systems with Energy Storage Using Forced Water Circulation: Case of South Africa. J. Energy Storage 2018, 20, 264–278. [Google Scholar] [CrossRef]
- Oyieke, A.Y.; Inambao, F.L. Performance Characterisation of a Hybrid Flat-Plate Vacuum Insulated Photovoltaic/Thermal Solar Power Module in Subtropical Climate. Int. J. Photoenergy 2016, 2016, 6145127. [Google Scholar] [CrossRef]
- Sawadogo, W.; Abiodun, B.J.; Okogbue, E.C. Impacts of Global Warming on Photovoltaic Power Generation over West Africa. Renew. Energy 2020, 151, 263–277. [Google Scholar] [CrossRef]
- Meunier, S.; Heinrich, M.; Quéval, L.; Cherni, J.A.; Vido, L.; Darga, A.; Dessante, P.; Multon, B.; Kitanidis, P.K.; Marchand, C. A Validated Model of a Photovoltaic Water Pumping System for Off-Grid Rural Communities. Appl. Energy 2019, 241, 580–591. [Google Scholar] [CrossRef]
- Akinyele, D.; Babatunde, O.; Monyei, C.; Olatomiwa, L.; Okediji, A.; Ighravwe, D.; Abiodun, O.; Onasanya, M.; Temikotan, K. Possibility of Solar Thermal Power Generation Technologies in Nigeria: Challenges and Policy Directions. Renew. Energy Focus 2019, 29, 24–41. [Google Scholar] [CrossRef]
- Aboudou, K.M.; Ganaoui, M.E. Design of a Hybrid System for Rural Area Electricity Supply in Comoros. J. Power Energy Eng. 2019, 7, 59–78. [Google Scholar] [CrossRef]
- Maoulida, F.; Rabah, D.; Mohammed, E.G.; Aboudou Mohamed, K. PV-Wind-Diesel System for Energy Supply on Remote Area Applied for Telecommunication Towers in Comoros. Open J. Energy Effic. 2021, 10, 50–72. [Google Scholar] [CrossRef]
- Maoulida, F.; Aboudou, K.; Djedjig, R.; El-Ganaoui, M. Feasibility Study for a Hybrid Power Plant (PV-Wind-Diesel-Storage) Connected to the Electricity Grid. fdmp 2022, 18, 1607. [Google Scholar] [CrossRef]
- Incropera, F.P.; DeWitt, D.P.; Bergman, T.L.; Lavine, A.S. Fundamentals of Heat and Mass Transfer 5th Edition with IHT2.0/FEHT with Users Guides; Wiley: Hoboken, NJ, USA, 2001; ISBN 978-0-471-20448-0. [Google Scholar]
- Duffie, J.A.; Beckman, W.A. Solar Engineering of Thermal Processes; John Wiley & Sons: Hoboken, NJ, USA, 2013. [Google Scholar]
- Thornton, J.W.; Bradley, D.E.; McDowell, T.P.; Blair, N.J.; Duffy, M.J.; LaHam, N.D.; Naik, A.V. TESSLibs 17 Component Libraries for the TRNSYS Simulation Environment. HVAC Library Mathematical Reference. 2014. Available online: http://web.mit.edu/parmstr/Public/TRNSYS/04-MathematicalReference.pdf (accessed on 20 December 2022).












| Name | Value |
|---|---|
| Collector length | 1.5 m |
| Collector width | 1 m |
| Number of PV/T collectors | 8 |
| Absorber plate thickness | 1 mm |
| Absorber thermal conductivity | 385 Wm−1K−1 |
| Spacing of tubes | 10 cm |
| Tube diameter | 1 cm |
| Insulation resistance | 11 |
| PV/T surface reflectance | 0.15 |
| PV/T surface emissivity | 0.9 |
| Monocrystalline Cell efficiency at reference conditions | 0.12 |
| Capacity of the battery | 200 Wh |
| Slope of the collector facing the equator | Koua: 22°; Marseille: 53°; Longwy: 59° |
| Hot water tank volume | 200 L |
Disclaimer/Publisher’s Note: The statements, opinions and data contained in all publications are solely those of the individual author(s) and contributor(s) and not of MDPI and/or the editor(s). MDPI and/or the editor(s) disclaim responsibility for any injury to people or property resulting from any ideas, methods, instructions or products referred to in the content. |
© 2022 by the authors. Licensee MDPI, Basel, Switzerland. This article is an open access article distributed under the terms and conditions of the Creative Commons Attribution (CC BY) license (https://creativecommons.org/licenses/by/4.0/).
Share and Cite
Maoulida, F.; Djedjig, R.; Kassim, M.A.; El Ganaoui, M. Numerical Study for the Evaluation of the Effectiveness and Benefits of Using Photovoltaic-Thermal (PV/T) System for Hot Water and Electricity Production under a Tropical African Climate: Case of Comoros. Energies 2023, 16, 240. https://doi.org/10.3390/en16010240
Maoulida F, Djedjig R, Kassim MA, El Ganaoui M. Numerical Study for the Evaluation of the Effectiveness and Benefits of Using Photovoltaic-Thermal (PV/T) System for Hot Water and Electricity Production under a Tropical African Climate: Case of Comoros. Energies. 2023; 16(1):240. https://doi.org/10.3390/en16010240
Chicago/Turabian StyleMaoulida, Fahad, Rabah Djedjig, Mohamed Aboudou Kassim, and Mohammed El Ganaoui. 2023. "Numerical Study for the Evaluation of the Effectiveness and Benefits of Using Photovoltaic-Thermal (PV/T) System for Hot Water and Electricity Production under a Tropical African Climate: Case of Comoros" Energies 16, no. 1: 240. https://doi.org/10.3390/en16010240
APA StyleMaoulida, F., Djedjig, R., Kassim, M. A., & El Ganaoui, M. (2023). Numerical Study for the Evaluation of the Effectiveness and Benefits of Using Photovoltaic-Thermal (PV/T) System for Hot Water and Electricity Production under a Tropical African Climate: Case of Comoros. Energies, 16(1), 240. https://doi.org/10.3390/en16010240

