Flow Frictional Characteristics of Air–Water Flow Characteristics under Stable and Transverse Vibration Conditions in Horizontal Channels
Abstract
1. Introduction
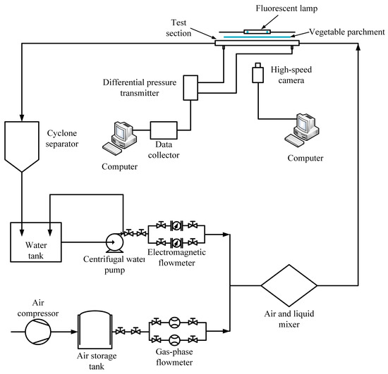
2. Experimental Setup
2.1. Experimental Process
2.2. Measurements
3. Data Reduction
4. Uncertainty Analysis
5. Results and Discussion
5.1. Analysis of the Frictional Pressure Drop
5.1.1. Flow Fluctuation of the Pressure Drop
5.1.2. Comparison of the Characteristics under Vibrational State and Non-Vibrational State
5.1.3. Effect of Flow Velocity
5.1.4. Effect of the Amplitude
5.1.5. Effect of the Frequency
5.2. Analysis on Correlations
5.2.1. Evaluation of Existing Correlations
5.2.2. The New Proposed Correlation
5.2.3. Comparison with Other Literature Data
6. Conclusions
- (1)
- With increases in frequency and amplitude, the vibrational characteristics of frictional pressure drops become more intense. The pressure drop under vibrational state is bigger than that under the non-vibrational state. Moreover, the pressure drop values relate to the fluid velocity, transverse vibration frequency, and transverse vibration amplitude. The variation characteristic of the air–water pressure drop is strongly affected by flow velocity. The pressure drop enlarges as the flow velocity become larger;
- (2)
- The previous correlations were divided into homogenous correlation and the separated flow correlation. We evaluated the accuracy of these correlations by comparing these correlations with the present experimental results. Among all these correlations, the Dukler correlation showed the best forecast results with the MAD of 20%;
- (3)
- We proposed a modified Chisholm relation predicting the air–water two-phase pressure drop under transverse vibration conditions. We considered the influence of confinement number, vapor quality, amplitude, and frequency on coefficient C in this modified correlation. The newly modified correlation showed better performance for predicting the experimental results. The MAD and MRD were 8.2 and 1.4%. Moreover, the newly modified correlation predicts the other three studies accurately.
Author Contributions
Funding
Data Availability Statement
Conflicts of Interest
References
- Gong, H.; Xiao, Y.; Yang, Y.H.; Xiao, Z.J. Experimental research of bubble characteristics in narrow rectangular channel under heaving motion. Int. J. Therm. Sci. 2012, 51, 42–50. [Google Scholar]
- Alonso, B.A.; Meneley, D.A.; Misak, J.; Bleed, T.; van Erp, J.B. Why nuclear energy is sustainable and has to be part of the energy mix. Sustain. Mater. Technol. 2014, 1, 8–16. [Google Scholar]
- Zhou, Y.L.; Chang, H. Gas-liquid two-phase flow in a horizontal channel under nonlinear oscillation: Flow regime, frictional pressure drop and void fraction. Exp. Therm. Fluid Sci. 2019, 109, 109852. [Google Scholar] [CrossRef]
- Kharti, K.M.; Alishahi, M.; Emdad, H. Analysis of pressure field in time domain using nonlinear reduced frequency approach in unsteady transonic flows. Int. J. Num. Methods Heat Fluid Flow 2010, 20, 655–669. [Google Scholar] [CrossRef]
- Yu, J.C.; Li, Z.X.; Zhao, T.S. An analytical study of laminar heat convection in a circular pipe with constant heat flux. Int. J. Heat Mass Transf. 2004, 47, 5297–5301. [Google Scholar] [CrossRef]
- Wu, J.; Koettig, T.; Franke, C.; Helmer, D.; Eisel, T.; Haug, F.; Bremer, J. Investigation of heat transfer and pressure drop of CO2 two-phase flow in a horizontal minichannel. Int. J. Heat Mass Transf. 2011, 54, 2154–2162. [Google Scholar] [CrossRef]
- Pamitran, A.S.; Choi, K.-I.; Oh, J.-T.; Oh, H.-K. Two-phase pressure drop during CO2 vaporization in horizontal smooth minichannels. Int. J. Refrig. 2008, 31, 1375–1383. [Google Scholar] [CrossRef]
- Choi, K.-I.; Pamitran, A.S.; Oh, C.-Y.; Oh, J.-T. Two-phase pressure drop of R-410A in horizontal smooth minichannels. Int. J. Refrig. 2008, 31, 119–129. [Google Scholar] [CrossRef]
- Yang, C.Y.; Webb, R.L. Friction pressure drop of R-12 in small hydraulic diameter extruded aluminum tubes with and without micro-fins. Int. J. Heat Mass Transf. 1996, 39, 801–809. [Google Scholar] [CrossRef]
- Hwang, Y.W.; Kim, M.S. The pressure drop in microtubes and the correlation development. Int. J. Heat Mass Transf. 2006, 49, 1804–1812. [Google Scholar] [CrossRef]
- Steiner, D.; Schlünder, E.U. Heat transfer and pressure drop for boiling nitrogen flowing in a horizontal tube:1. Saturated flow boiling. Cryogenics 1976, 16, 387–398. [Google Scholar] [CrossRef]
- Steiner, D. Heat transfer and pressure drop for boiling nitrogen flowing in a horizontal tube: 2. Pressure drop. Cryogenics 1976, 16, 457–464. [Google Scholar] [CrossRef]
- Filippov, Y.P. Characteristics of horizontal two-phase helium flows: Part II: Pressure drop and transient heat transfer. Cryogenics 1999, 39, 69–75. [Google Scholar] [CrossRef]
- Chen, D.; Shi, Y. Two-phase heat transfer and pressure drop of LNG during saturated flow boiling in a horizontal tube. Cryogenics 2013, 58, 45–54. [Google Scholar] [CrossRef]
- Chen, D.; Shi, Y. Study on two-phase pressure drop of LNG during flow boiling in a 8 mm horizontal smooth tube. Exp. Therm. Fluid Sci. 2014, 57, 235–241. [Google Scholar] [CrossRef]
- Buscher, S. Two-phase pressure drop and void fraction in a cross-corrugated plate heat exchanger channel: Impact of flow direction and gas-liquid distribution. Exp. Therm. Fluid Sci. 2021, 126, 110380. [Google Scholar] [CrossRef]
- Cai, B.; Xia, G.; Cheng, L.; Wang, Z. Experimental investigation on spatial phase distributions for various flow patterns and frictional pressure drop characteristics of gas liquid two-phase flow in a horizontal helically coiled rectangular tube. Exp. Therm. Fluid Sci. 2023, 142, 110806. [Google Scholar] [CrossRef]
- Doyle, B.; Riviere, B.; Sekachev, M. A multinumerics scheme for incompressible two-phase flow. Comput. Methods Appl. Mech. Eng. 2020, 370, 113213. [Google Scholar] [CrossRef]
- Ferraris, D.L.; Marcel, C.P. Two-phase flow frictional pressure drop prediction in helical coiled tubes. Int. J. Heat Mass Transf. 2020, 162, 120372. [Google Scholar] [CrossRef]
- Xing, D.C.; Yan, C.Q.; Sun, L.C.; Wang, C. Effect of rolling motion on single-phase laminar flow resistance of forced circulation with different pump head. Ann. Nucl. Energy 2013, 54, 141–148. [Google Scholar] [CrossRef]
- Yu, Z.T.; Tan, S.C.; Yuan, H.S.; Chen, C.; Chen, X.B. Experimental investigation on flow instability of forced circulation in a mini-rectangular channel under rolling motion. Int. J. Heat Mass Transf. 2016, 92, 732–742. [Google Scholar] [CrossRef]
- Jin, G.; Yan, C.; Sun, L.; Xing, D. Effect of rolling motion on transient flow resistance of two-phase flow in a narrow rectangular duct. Ann. Nucl. Energy 2014, 64, 135–143. [Google Scholar] [CrossRef]
- Li, S.; Cai, W.; Jiang, Y.; Zhang, H.; Li, F. The pressure drop and heat transfer characteristics of condensation flow with hydrocarbon mixtures in a spiral pipe under static and heaving conditions. Int. J. Refrig. 2019, 103, 16–31. [Google Scholar] [CrossRef]
- Iliuta, I.; Larachi, F. CO2 and H2S absorption by MEA solution in packed-bed columns under inclined and heaving motion conditions—Hydrodynamics and reactions performance for marine applications. Int. J. Greenh. Gas Control 2018, 79, 1–13. [Google Scholar] [CrossRef]
- Pendyala, R.; Jayanti, S.; Balakrishnan, A.R. Flow and pressure drop fluctuations in a vertical tube subject to low frequency oscillations. Nucl. Eng. Des. 2008, 238, 178–187. [Google Scholar] [CrossRef]
- Cicchitti, A.; Lombardi, C.; Silvestri, M.; Soldaini, G.; Zavattarelli, R. Two-phase cooling experiments-pressure drop, heat transfer, and burnout measurements. Energia Nucl. 1960, 7, 407–425. [Google Scholar]
- Lockhart, R.W.; Martinelli, R.C. Proposed correlation of data for isothermal two-phase, two-component flow in pipes. Chem. Eng. Prog. 1949, 45, 39–48. [Google Scholar]
- Chisholm, D. A theoretical basis for the Lockhart-Martinelli correlation for two-phase flow. Int. J. Heat Mass Transf. 1967, 10, 1767–1778. [Google Scholar] [CrossRef]
- Friedel, L. Improved friction drop correlations for horizontal and vertical two phase pipe flow. Proc. Eur. Two-Phase Flow Group Meet. 1979, 8, 2. [Google Scholar]
- Yan, Y.Y.; Lin, T.F. Evaporation heat transfer and pressure drop of refrigerant R-134a in a small pipe. Int. J. Heat Mass Transf. 1998, 41, 4183–4194. [Google Scholar] [CrossRef]
- Sun, L.; Mishima, K. Evaluation analysis of prediction methods for two-phase flow pressure drop in mini-channels. Int. J. Multiph. Flow 2009, 35, 47–54. [Google Scholar] [CrossRef]
- Li, W.; Wu, Z. A general correlation for adiabatic two-phase pressure drop in micro/mini-channels. Int. J. Heat Mass Transf. 2010, 53, 2732–2739. [Google Scholar] [CrossRef]
- Zhang, W.; Hibiki, T.; Mishima, K. Correlations of two-phase frictional pressure drop and void fraction in mini-channel. Int. J. Heat Mass Transf. 2010, 53, 453–465. [Google Scholar] [CrossRef]
- Ungar, E.; Cornwell, J. Two-phase pressure drop of ammonia in small diameter horizontal tubes. In Proceedings of the 28th Joint Propulsion Conference and Exhibit, Nashville, TN, USA, 6–8 July 1992. [Google Scholar]
- Aakenes, F.; Munkejord, S.T.; Drescher, M. Frictional Pressure Drop for Two-phase Flow of Carbon Dioxide in a Tube: Comparison between Models and Experimental Data. Energy Procedia 2014, 51, 373–381. [Google Scholar] [CrossRef]
- Mishima, K.; Hibiki, T. Some characteristics of air–water two-phase flow in small diameter vertical tubes. Int. J. Multiph. Flow 1996, 22, 703–712. [Google Scholar] [CrossRef]
- Kim, S.-M.; Mudawar, I.S. Universal approach to predicting two-phase frictional pressure drop for mini/micro-channel saturated flow boiling. Int. J. Heat Mass Transf. 2013, 58, 718–734. [Google Scholar] [CrossRef]
- Liu, Q.; Zhou, Q.; Chen, C. Frictional pressure drop of gas-liquid two-phase flow in vertical and inclined upward tubes under heaving oscillation. Int. Commun. Heat Mass Transf. 2022, 135, 106108. [Google Scholar] [CrossRef]
- Milićević, A.R.; Belošević, S.V.; Tomanović, I.D. Development of mathematical model for co-firing pulverized coal and biomass in experimental furnace. Therm. Sci. 2018, 22, 709–719. [Google Scholar] [CrossRef]
- Thome, J.R. Engineer Data Book III; Wolverine Tube Inc.: Decatur, AL, USA, 2006. [Google Scholar]
- Moffat, R.J. Describing the uncertainties in experimental results. Exp. Therm. Fluid Sci. 1988, 1, 3–17. [Google Scholar] [CrossRef]
- Dukler, A.E.; Wicks, M.; Cleveland, R.G. Pressure drop and hold-up in two-phase flow—Part A: A comparison of existing correlations. AIChE J. 1964, 10, 38–43. [Google Scholar] [CrossRef]
- Müller-Steinhagen, H.; Heck, K. A simple friction pressure drop correlation for two-phase flow in pipes. Chem. Eng. Process. Process Intensif. 1986, 20, 297–308. [Google Scholar] [CrossRef]















| Number | 1 | 2 | 3 | 4 |
|---|---|---|---|---|
| Amplitude (A/mm) | 62 | 80 | 106 | 120 |
| Frequency (H/Hz) | 0.5 | 0.8 | 0.9 | 1.0 |
| Parameters | Range | Uncertainties |
|---|---|---|
| Pressure drop (kPa) | ±20 | ±0.2% |
| Flow velocity of water (m3/h) | 0–5 | ±0.5% |
| Flow velocity of air (m3/h) | 0.1–35 | ±1.0% |
| Diameter (mm) | / | ±0.02 |
| Length (mm) | / | ±1 |
| Correlations | All Experimental Data | ||
|---|---|---|---|
| MAD/% | MRD/% | ||
| Homogeneous | 24.57 | 14.96 | |
| Dukler | 14.62 | −11.66 | |
| Lockhart and Martinelli | 29.6 | −29.3 | |
| Chisholm (coefficient B) | 18.59 | −2.3 | |
| Friedel | 55.7 | 55.5 | |
| Muller and Heck | 119.88 | 119.86 | |
| Correlations | Value | ||
|---|---|---|---|
| MAD/% | MRD/% | ||
| Modified correlation | 8.2 | 1.4 | |
| Dukler | 14.62 | −11.66 | |
Disclaimer/Publisher’s Note: The statements, opinions and data contained in all publications are solely those of the individual author(s) and contributor(s) and not of MDPI and/or the editor(s). MDPI and/or the editor(s) disclaim responsibility for any injury to people or property resulting from any ideas, methods, instructions or products referred to in the content. |
© 2022 by the authors. Licensee MDPI, Basel, Switzerland. This article is an open access article distributed under the terms and conditions of the Creative Commons Attribution (CC BY) license (https://creativecommons.org/licenses/by/4.0/).
Share and Cite
Sun, B.; Zhou, Y. Flow Frictional Characteristics of Air–Water Flow Characteristics under Stable and Transverse Vibration Conditions in Horizontal Channels. Energies 2023, 16, 202. https://doi.org/10.3390/en16010202
Sun B, Zhou Y. Flow Frictional Characteristics of Air–Water Flow Characteristics under Stable and Transverse Vibration Conditions in Horizontal Channels. Energies. 2023; 16(1):202. https://doi.org/10.3390/en16010202
Chicago/Turabian StyleSun, Bo, and Yunlong Zhou. 2023. "Flow Frictional Characteristics of Air–Water Flow Characteristics under Stable and Transverse Vibration Conditions in Horizontal Channels" Energies 16, no. 1: 202. https://doi.org/10.3390/en16010202
APA StyleSun, B., & Zhou, Y. (2023). Flow Frictional Characteristics of Air–Water Flow Characteristics under Stable and Transverse Vibration Conditions in Horizontal Channels. Energies, 16(1), 202. https://doi.org/10.3390/en16010202
