A Novel Control Technique for Voltage Balancing in Bipolar DC Microgrids
Abstract
1. Introduction
- A novel voltage-balancing control based on a backstepping approach was proposed for a bipolar DC microgrid supplying unbalanced loads through a PV-fed three-level boost DC/DC converter. The proposed control technique enables reliable and accurate voltage balancing.
- The PSO algorithm was used for an optimal estimation of the parameter’s values of the proposed backstepping-based controller.
- The present work is supported by a theoretical study and validated through simulations under Matlab/Simulink.
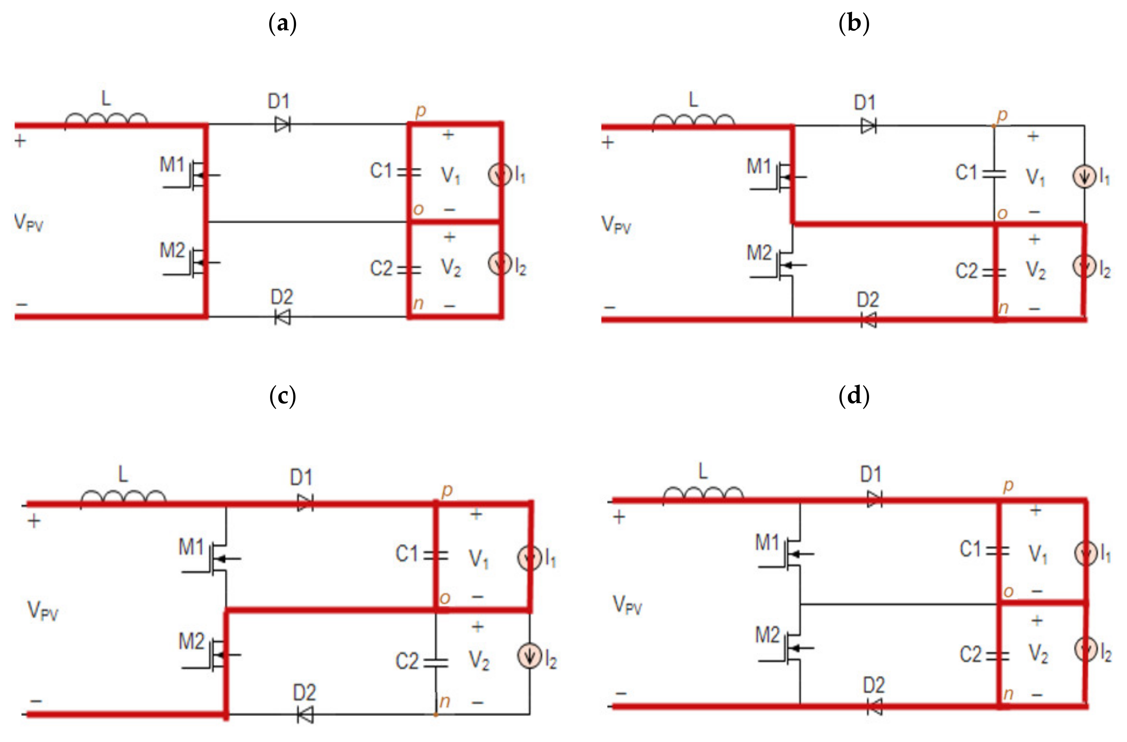
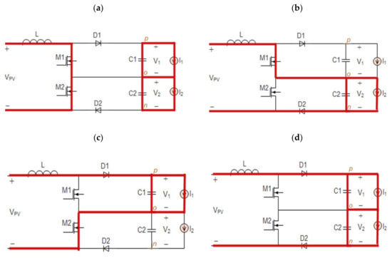
2. Three-Level DC/DC BoosT Converter
2.1. Topology Description
2.2. Topology Operation
2.2.1. Symmetrical Operation
2.2.2. Asymmetrical Operation
2.3. Mathematical Modeling
3. Proposed Voltage Balance Control
3.1. Design of the Proposed Backstepping-Based Controller
3.2. Parameters Selection of the Proposed Backstepping-Based Controller
4. Simulation Results
5. Conclusions
Author Contributions
Funding
Acknowledgments
Conflicts of Interest
Abbreviations
| DC | Direct Current |
| TLBC | Three-level DC/DC Boost converter |
| PSO | Particle swarm optimization |
| PWM | Pulse with modulation |
| CCM | Continuous conduction mode |
References
- CORDIS European Commission. Cordis.europa.eu. 2019. Available online: https://cordis.europa.eu/news/rcn/129412/en (accessed on 12 December 2021).
- Hirsch, A.; Parag, Y.; Guerrero, J. Microgrids: A review of technologies, key drivers, and outstanding issues. Renew. Sustain. Energy Rev. 2018, 90, 402–411. [Google Scholar] [CrossRef]
- Siemens. The Genius of Microgrids in Higher Education; Microgrid Knowledge Special Report; Siemens: Munich, Germany, 2020. [Google Scholar]
- Wang, R.; Feng, W.; Xue, H.; Gerber, D.; Li, Y.; Hao, B.; Wang, Y. Simulation and power quality analysis of a Loose-Coupled bipolar DC microgrid in an office building. Appl. Energy 2021, 303, 117606. [Google Scholar] [CrossRef]
- Justo, J.J.; Mwasilu, F.; Lee, J.; Jung, J.-W. AC-microgrids versus DC-microgrids with distributed energy resources: A review. Renew. Sustain. Energy Rev. 2013, 24, 387–405. [Google Scholar] [CrossRef]
- Ortiz, L.; González, J.W.; Gutierrez, L.B.; Llanes-Santiago, O. A review on control and fault-tolerant control systems of AC/DC microgrids. Heliyon 2020, 6, e04799. [Google Scholar] [CrossRef] [PubMed]
- Chen, D.; Xu, L. AC and DC Microgrid with Distributed Energy Resources. In Technologies and Applications for Smart Charging of Electric and Plug-In Hybrid Vehicles; Springer: Cham, Switzerland, 2016; pp. 39–64. [Google Scholar] [CrossRef]
- Magdefrau, D.; Taufik, T.; Poshtan, M.; Muscarella, M. Analysis and Review of DC Microgrid Implementations. In Proceedings of the 2016 International Seminar on Application for Technology of Information and Communication, Semarang, Indonesia, 5–6 August 2016. [Google Scholar]
- Dragičević, T.; Lu, X.; Vasquez, J.C.; Guerrero, J.M. DC microgrids—Part II: A review of power architectures, applications, and standardization issues. IEEE Trans. Power Electron. 2016, 31, 3528–3549. [Google Scholar] [CrossRef]
- Rodriguez-Diaz, E.; Chen, F.; Vasquez, J.C.; Guerrero, J.M.; Burgos, R.; Boroyevich, D. Voltage-level selection of future two-level lvdc distribution grids: A compromise between grid compatibiliy, safety, and efficiency. IEEE Electrif. Mag. 2016, 4, 20–28. [Google Scholar] [CrossRef]
- Wang, F.; Lei, Z.; Xu, X.; Shu, X. Topology deduction and analysis of voltage balancers for DC microgrid. IEEE J. Emerg. Sel. Top. Power Electron. 2017, 5, 672–680. [Google Scholar] [CrossRef]
- Chew, B.S.; Xu, Y.; Wu, Q. Voltage Balancing for Bipolar DC Distribution Grids: A Power Flow-based Binary Integer Mul-ti-Objective Optimization Approach. IEEE Trans. Power Syst. 2018, 34, 28–39. [Google Scholar] [CrossRef]
- Jadidi, S.; Badihi, H.; Zhang, Y. Passive Fault-Tolerant Model Predictive Control of AC/DC PWM Converter in a Hybrid Microgrid. IFAC-PapersOnLine 2020, 53, 12097–12102. [Google Scholar] [CrossRef]
- Tarasantisuk, C.; Chunkag, V.; Thounthong, P. Control of Parallel-connected AC to DC Converter with Droop Technique for DC Microgrid Application. Energy Procedia 2013, 34, 351–361. [Google Scholar] [CrossRef][Green Version]
- Nassar, W.M.; Anaya-Lara, O.; Ahmed, K.H. A new adaptive instantaneous average current sharing technique for circulating current minimization among parallel converters in a LV DC-microgrid. Int. J. Electr. Power Energy Syst. 2022, 136, 107562. [Google Scholar] [CrossRef]
- Wu, B.; Gao, Z.; Zhou, X.; Ma, Y.; Wang, C. Research and Simulation of DC Microgrid Three-Phase AC-DC Converter Control Strategy Based on Double Loop. IEEE Access 2020, 8, 186448–186461. [Google Scholar] [CrossRef]
- Teodorescu, R.; Blaabjerg, F.; Liserre, M.; Loh, P.C. Proportional-resonant controllers and filters for grid-connected. IEE Proc.—Electr. Power Appl. 2006, 153, 750–762. [Google Scholar] [CrossRef]
- Kumar, J.; Agarwal, A.; Agarwal, V. A review on overall control of DC microgrids. J. Energy Storage 2019, 21, 113–138. [Google Scholar] [CrossRef]
- Chen, H.-C.; Liao, J.-Y. Design and Implementation of Sensorless Capacitor Voltage Balancing Control for Three-Level Boosting PFC. IEEE Trans. Power Electron. 2014, 29, 3808–3817. [Google Scholar] [CrossRef]
- Sahab, M.G.; Toropov, V.V.; Gandomi, A.H. 2—A Review on Traditional and Modern Structural Optimization: Problems and Techniques. In Metaheuristic Applications in Structures and Infrastructures; Newnes: Oxford, UK; Boston, MA, USA, 2013; pp. 25–47. [Google Scholar]
- Vaidyanathan, S.; Azar, A.T. Backstepping Control of Nonlinear Dynamical Systems; Advances in Nonlinear Dynamics and Chaos (ANDC); Elsevier Science: Amsterdam, The Netherlands, 2021; pp. 1–32. [Google Scholar] [CrossRef]
- Mullane, A.; Lightbody, G.; Yacamini, R. Adaptive control of variable speed wind turbines. Rev. Energ. Ren. Power Eng. 2001, 101–110. Available online: https://www.cder.dz/vlib/revue/nspeciauxpdf/upec_13.pdf (accessed on 12 December 2021).










| Parameter | Value |
|---|---|
| Search space dimension d | 2 |
| Maximum number of iterations kmax | 50 |
| Number of particles n | 100 |
| c1 | 0.8 |
| c2 | 1.2 |
| Inertia weight w | 0.8 |
| PV array 100 kW (Sunpower SPR-305E-WHT-D) | Parameter | Value |
| No. of cells per module | 96 | |
| Parallel strings | 66 | |
| Series connected modules per string | 5 | |
| Short circuit current Isc | 5.96 A | |
| Open circuit voltage Voc | 64.2 V | |
| Maximum power Pmpp | 305.2 W | |
| Voltage at maximum power point Vmpp | 54.7 V | |
| Current at maximum power point Impp | 5.58 A | |
| Three-level boost converter | Parameter | Value |
| Output DC voltage (2Vdc) | 2 × 350 V | |
| Switching frequency | 30 kHz | |
| Capacitors C1 & C2 | 1000 μF | |
| Inductor L | 270 μH |
Publisher’s Note: MDPI stays neutral with regard to jurisdictional claims in published maps and institutional affiliations. |
© 2022 by the authors. Licensee MDPI, Basel, Switzerland. This article is an open access article distributed under the terms and conditions of the Creative Commons Attribution (CC BY) license (https://creativecommons.org/licenses/by/4.0/).
Share and Cite
Doubabi, H.; Salhi, I.; Essounbouli, N. A Novel Control Technique for Voltage Balancing in Bipolar DC Microgrids. Energies 2022, 15, 3368. https://doi.org/10.3390/en15093368
Doubabi H, Salhi I, Essounbouli N. A Novel Control Technique for Voltage Balancing in Bipolar DC Microgrids. Energies. 2022; 15(9):3368. https://doi.org/10.3390/en15093368
Chicago/Turabian StyleDoubabi, Hajar, Issam Salhi, and Najib Essounbouli. 2022. "A Novel Control Technique for Voltage Balancing in Bipolar DC Microgrids" Energies 15, no. 9: 3368. https://doi.org/10.3390/en15093368
APA StyleDoubabi, H., Salhi, I., & Essounbouli, N. (2022). A Novel Control Technique for Voltage Balancing in Bipolar DC Microgrids. Energies, 15(9), 3368. https://doi.org/10.3390/en15093368

