Power Converter Solutions for Industrial PV Applications—A Review
Abstract
:1. Introduction
- -
- Maximum power point tracking;
- -
- Energy storage and balancing;
- -
- Electric parameter transformation and stabilization.
- -
- Continuous low ripple input current I;
- -
- High efficiency in a wide power range.
- -
- Boost converters (G > 1), if RSB(max) < RL;
- -
- Buck/boost converters (G = G(min)…1…G(max)), if RSB(min) < RL < RSB(max);
- -
- Buck converters (G < 1), if RSB(min) > RL.
- The multifunctional purpose of the power converters is:
- -
- -
- Advanced schematic and control algorithms:
- -
- For energy balancing and stable generation, often for AC grid-connected applications, electric batteries with bidirectional chargers are connected [23], as shown in Figure 5c. To make sure that electricity has the right dynamics and quality, you need to use advanced control algorithms with multi-loop and predictive control [24].
- -
- Special issues in converter design:
- -
- For high voltage DC and AC on-grid systems, specialized converters adapted for PV applications are being developed [26];
- -
- Hybrid systems provide parallel operation of several alternative power supplies connected to the power grid and load that in general may be considered a multiport power system [27]. As a result, a reduced-component multiport power system can be made instead of having a lot of separate power converters that do the same thing [28].
- -
- System type (standalone or grid-on, DC or AC);
- -
- Voltage and power level (low, middle, or high);
- -
- The relationship between the voltage of the solar battery and the grid;
- -
- Additional requirements on power factor value and power stability.
2. Materials and Methods
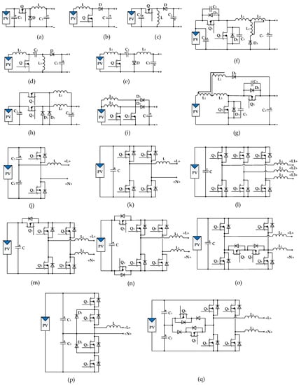
3. AC Grid on PV Applications
- -
- Boosting DC voltage;
- -
- Decreasing kC and Pcon* to allow for a wider range of input/output voltage operations;
- -
- Inconsistency of power grid and solar battery voltages.
- -
- Voltage conversion and power grid synchronization;
- -
- Disconnection and anti-islanding protection when power grid fault appears; Correction of the power factor of the input current.
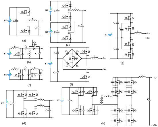
4. Energy Storage Applications
- -
- Load shifting occurs when renewable energy mostly charges the energy storage during the day, and the energy storage is discharged in the late hours of peak power demand [69];
- -
- Shutdown protection in smart distributed power grids that allows supplying end-users when loss of power arises [70];
- -
- Energy quality control (voltage, frequency, reactive power compensation, high harmonic reduction) [71].
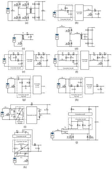
5. High Voltage Gain Converters
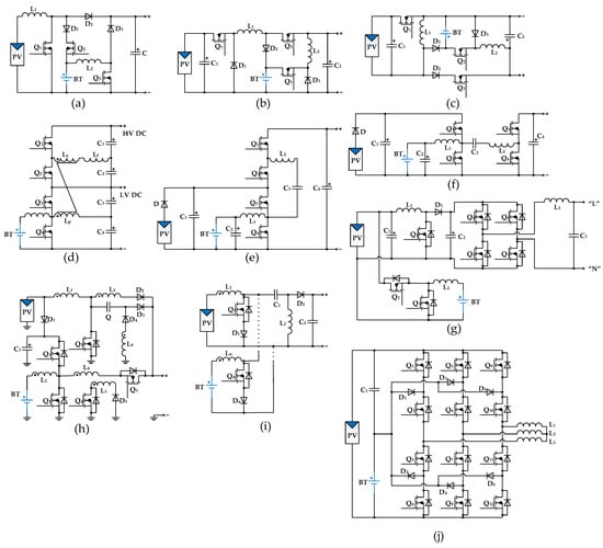
6. Hybrid PV Applications
7. Discussion
- -
- In buck converters, the output voltage maximum value UL(max) is fixed to the input voltage Uin, UL(max) = Uin that corresponds to Dmax = 1;
- -
- In boost converters, the output voltage minimum value UL(min) is fixed to the input voltage Uin, UL(min) = Uin that corresponds to Dmin = 0;
- -
- In buck-boost converters, the lowest values of kc and Pcon* are achieved in the middle of the duty cycle range, D = 0.5. Therefore, for the proper definition of Dmin < 0.5 and Dmax > 0.5, one of the following equations is solved:
8. Conclusions
- -
- Basic DC–DC buck and boost topologies, as well as full-bridge topologies for DC-AC applications, have lower cost and power loss factors, whereas more complex interleaved or soft-switching topologies may decrease power loss by increasing the converter total cost;
- -
- For DC–AC applications with a low or medium voltage range, it is advisable to use single-stage DC–AC converters, whereas for wide voltage range applications, two-stage converters have better cost and power loss factors;
- -
- High voltage gain applications suffer from high transistor voltage stress. Therefore, specialized power converter topologies with reduced voltage stress, such as Cockcroft–Walton and Dickson multiplier-based boost converters, boost derived MIESC SC-cell converters, and boost 3SSC cell converters, have the advantage over their counterparts;
- -
- Hybrid converters have approximately the same power loss and cost as power converters with common topologies because of the same number of power transistors;
- -
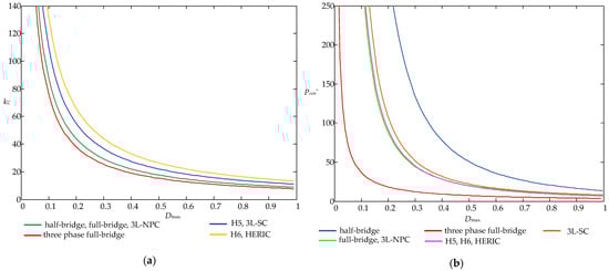
- For clear analysis of different types of converters, it is better to represent cost and power loss factors in the space of gain factor and analyze the impact of the environment on gain factor probability distribution during operation.
Author Contributions
Funding
Institutional Review Board Statement
Informed Consent Statement
Data Availability Statement
Conflicts of Interest
References
- Qazi, A.; Hussain, F.; Rahim, N.A.; Hardaker, G.; Alghazzawi, D.; Shaban, K.; Haruna, K. Towards Sustainable Energy: A Systematic Review of Renewable Energy Sources, Technologies, and Public Opinions. IEEE Access 2019, 7, 63837–63851. [Google Scholar] [CrossRef]
- Statistical Review of World Energy 2021, 70th ed. Available online: https://www.bp.com/content/dam/bp/business-sites/en/global/corporate/pdfs/energy-economics/statistical-review/bp-stats-review-2021-full-report.pdf (accessed on 30 August 2021).
- Shubbak, M.H. Advances in solar photovoltaics: Technology review and patent trends. Renew. Sustain. Energy Rev. 2019, 115, 109383. [Google Scholar] [CrossRef]
- Mehra, V.; Amatya, R.; Ram, R.J. Estimating the value of demand-side management in low-cost, solar micro-grids. Energy 2018, 163, 74–87. [Google Scholar] [CrossRef]
- Romashko, V.J.; Verbitsky, I.V.; Kyrychik, I.I. Energy losses analyze in solar battery maximum power picking system. Tech. Electrodyn. 2014, 4, 55–57. [Google Scholar]
- Clauser, C.; Ewert, M. The renewables cost challenge: Levelized cost of geothermal electric energy compared to other sources of primary energy–Review and case study. Renew. Sustain. Energy Rev. 2018, 82, 3683–3693. [Google Scholar] [CrossRef]
- Tummuru, N.R.; Mishra, M.K.; Srinivas, S. Integration of PV/battery hybrid energy conversion system to the grid with power quality improvement features. In Proceedings of the IEEE International Conference on Industrial Technology (ICIT), Cape Town, South Africa, 25–28 February 2013. [Google Scholar] [CrossRef]
- Hua, C.-C.; Fang, Y.-H.; Wong, C.-J. Improved solar system with maximum power point tracking. IET Renew. Power Gener. 2018, 12, 806–814. [Google Scholar] [CrossRef]
- Darvishzadeh, P.; Redzwan, G.; Ahmadi, R.; Gorji, N.E. Modeling the degradation/recovery of short-circuit current density in perovskite and thin film photovoltaics. Org. Electron. 2017, 43, 247–252. [Google Scholar] [CrossRef]
- Hussaian Basha, C.H.; Rani, C. Performance Analysis of MPPT Techniques for Dynamic Irradiation Condition of Solar PV. Int. J. Fuzzy Syst. 2020, 22, 2577–2598. [Google Scholar] [CrossRef]
- Zhuo, S.; Gaillard, A.; Li, Q.; MA, R.; Paire, D.; Gao, F. Current Ripple Optimization of Four-Phase Floating Interleaved DC-DC Boost Converter under Switch Fault. IEEE Trans. Ind. Appl. 2020, 56, 4214–4224. [Google Scholar] [CrossRef]
- Raghavendra, K.V.G.; Zeb, K.; Muthusamy, A.; Krishna, T.N.V.; Kumar, S.V.S.V.P.; Kim, D.-H.; Kim, M.-S.; Cho, H.-G.; Kim, H.-J. A Comprehensive Review of DC–DC Converter Topologies and Modulation Strategies with Recent Advances in Solar Photovoltaic Systems. Electronics 2020, 9, 31. [Google Scholar] [CrossRef] [Green Version]
- Vinnikov, D.; Chub, A.; Korkh, O.; Liivik, E.; Blaabjerg, F.; Kouro, S. MPPT performance enhancement of low-cost PV microconverters. Sol. Energy 2019, 187, 156–166. [Google Scholar] [CrossRef]
- Kolsi, S.; Samet, H.; Amar, M.B. Design Analysis of DC-DC Converters Connected to a Photovoltaic Generator and Controlled by MPPT for Optimal Energy Transfer throughout a Clear Day. J. Power Energy Eng. 2014, 2, 27–34. [Google Scholar] [CrossRef] [Green Version]
- Bukar, A.L.; Tan, C.W.A. Review on Stand-alone Photovoltaic-Wind Energy System with Fuel Cell: System Optimization and Energy Management Strategy. J. Clean. Prod. 2019, 221, 73–88. [Google Scholar] [CrossRef]
- Bonkile, M.P.; Ramadesigan, V. Power management control strategy using physics-based battery models in standalone PV-battery hybrid systems. J. Energy Storage 2019, 23, 258–268. [Google Scholar] [CrossRef]
- Kumar, A.; Gupta, N.; Gupta, V. A Comprehensive Review on Grid-Tied Solar Photovoltaic System. J. Green Eng. 2017, 7, 213–254. [Google Scholar] [CrossRef]
- Ali Khan, M.Y.; Liu, H.; Yang, Z.; Yuan, X. A Comprehensive Review on Grid Connected Photovoltaic Inverters, Their Modulation Techniques, and Control Strategies. Energies 2020, 13, 4185. [Google Scholar] [CrossRef]
- Mahmood, H.; Michaelson, D.; Jiang, J. A Power Management Strategy for PV/Battery Hybrid Systems in Islanded Microgrids. IEEE J. Emerg. Sel. Top. Power Electron. 2014, 2, 870–882. [Google Scholar] [CrossRef]
- Mira, M.C.; Zhang, Z.; Knott, A.; Andersen, M.A.E. Analysis, Design, Modeling, and Control of an Interleaved-Boost Full-Bridge Three-Port Converter for Hybrid Renewable Energy Systems. IEEE Trans. Power Electron. 2017, 32, 1138–1155. [Google Scholar] [CrossRef] [Green Version]
- Bhattacharjee, A.; Samanta, H.; Banerjee, N.; Saha, H. Development and validation of a real-time flow control integrated MPPT charger for solar PV applications of vanadium redox flow battery. Energy Convers. Manag. 2018, 171, 1449–1462. [Google Scholar] [CrossRef]
- El Aroudi, A.; Haroun, R.; Al-Numay, M.; Huang, M. Multiple-Loop Control Design for a Single-Stage PV-Fed Grid-Tied Differential Boost Inverter. Appl. Sci. 2020, 10, 4808. [Google Scholar] [CrossRef]
- Nassary, M.; Orabi, M.; Ghoneima, M.; El-Nemr, M.K. Single-Phase Isolated Bidirectional AC-DC Battery Charger for Electric Vehicle–Review. In Proceedings of the International Conference on Innovative Trends in Computer Engineering (ITCE), Aswan, Egypt, 2–4 February 2019. [Google Scholar] [CrossRef]
- Sultana, W.R.; Sahoo, S.K.; Sukchai, S.; Yamuna, S.; Venkatesh, D. A review on state of art development of model predictive control for renewable energy applications. Renew. Sustain. Energy Rev. 2017, 76, 391–406. [Google Scholar] [CrossRef]
- Deng, W.; Pei, W.; Li, N.; Zhang, G.; Ding, L.; Kong, L. AC/DC Hybrid Renewable Energy System Coordinated Control and Test Platform. In Proceedings of the 2021 3rd Asia Energy and Electrical Engineering Symposium (AEEES), Chengdu, China, 26–29 March 2021. [Google Scholar] [CrossRef]
- Amir, A.; Amir, A.; Che, H.S.; El Khateb, A.; Rahim, N.A. Comparative Analysis of High Voltage Gain DC-DC Converter Topologies for Photovoltaic Systems. Renew. Energy 2018, 136, 1147–1163. [Google Scholar] [CrossRef] [Green Version]
- Rahman, S.; Khan, I.; Rahman, K.; Al Otaibi, S.; Alkhammash, H.I.; Iqbal, A. Scalable Multiport Converter Structure for Easy Grid Integration of Alternate Energy Sources for Generation of Isolated Voltage Sources for MMC. Electronics 2021, 10, 1779. [Google Scholar] [CrossRef]
- Chen, G.; Liu, Y.; Qing, X.; Wang, F. Synthesis of Integrated Multi-Port DC-DC Converters with Reduced Switches. IEEE Trans. Ind. Electron. 2019, 67, 4536–4546. [Google Scholar] [CrossRef]
- Başoğlu, M.E.; Çakır, B. Comparisons of MPPT performances of isolated and non-isolated DC–DC converters by using a new approach. Renew. Sustain. Energy Rev. 2016, 60, 1100–1113. [Google Scholar] [CrossRef]
- Gorji, S.A.; Sahebi, H.G.; Ektesabi, M.; Rad, A.B. Topologies and Control Schemes of Bidirectional DC–DC Power Converters: An Overview. IEEE Access 2019, 7, 117997–118019. [Google Scholar] [CrossRef]
- Moghassemi, A.; Padmanaban, S. Dynamic Voltage Restorer (DVR): A Comprehensive Review of Topologies, Power Converters, Control Methods, and Modified Configurations. Energies 2020, 13, 4152. [Google Scholar] [CrossRef]
- Ansari, S.; Chandel, A.; Tariq, M. A Comprehensive Review on Power Converters Control and Control Strategies of AC/DC Microgrid. IEEE Access 2020, 9, 17998–18015. [Google Scholar] [CrossRef]
- Undeland, M.N.; Robbins, W.P.; Mohan, N. Power Electronics. In Converters, Applications, and Design, 3rd ed.; John Whiley & Sons: Hoboken, NJ, USA, 1995. [Google Scholar]
- Ha, K.; Lee, C.; Kim, J.; Krishnan, R.; Oh, S.G. Design and development of brushless variable speed motor drive for low cost and high efficiency. Proc. IAS Conf. 2006, 4, 1649–1656. [Google Scholar] [CrossRef]
- IEC 61730-1; Photovoltaic (PV) Module Safety Qualification-Part 1: Requirements for Construction. CENELEC: Brussels, Belgium, 2018.
- IEC 61730-2; Photovoltaic (PV) Module safety Qualification-Part 2: Requirements for Testing. CENELEC: Brussels, Belgium, 2018.
- IEC 62109-1; Safety of Power Converters for Use in Photovoltaic Power Systems–Part 1: General Requirements. CENELEC: Brussels, Belgium, 2010.
- IEC 62109-2; Safety of power Converters for Use in Photovoltaic Power Systems-Part 2: Particular Requirements for Inverters. CENELEC: Brussels, Belgium, 2011.
- Wang, G.; Wang, F.; Magai, G.; Lei, Y.; Huang, A.; Das, M. Performance comparison of 1200V 100A SiC MOSFET and 1200V 100A silicon IGBT. In Proceedings of the 2013 IEEE Energy Conversion Congress and Exposition, Denver, CO, USA, 15–19 September 2013. [Google Scholar] [CrossRef] [Green Version]
- Datasheet of the Transistor C2M0080170P. Available online: https://cms.wolfspeed.com/app/uploads/2020/12/C2M0080170P.pdf (accessed on 9 October 2021).
- Erickson, R.; Maksimovic, D. Fundamentals of Power Electronics, Ser. Power Electronics; Springer: Berlin/Heidelberg, Germany, 2001. [Google Scholar]
- Datasheet of the diode C5D25170H. Available online: https://cms.wolfspeed.com/app/uploads/2020/12/C5D25170H.pdf (accessed on 9 October 2021).
- Jain, S.; Agarwal, V. A Single-Stage Grid-Connected Inverter Topology for Solar PV Systems with Maximum Power Point Tracking. IEEE Trans. Power Electron. 2007, 22, 1928–1940. [Google Scholar] [CrossRef] [Green Version]
- Altin, N.; Ozdemir, S.; Komurcugil, H.; Sefa, I.; Biricik, S. Two-stage grid-connected inverter for PV systems. In Proceedings of the 2018 IEEE 12th International Conference on Compatibility, Power Electronics and Power Engineering, Doha, Qatar, 10–12 April 2018. [Google Scholar] [CrossRef]
- Zebarjadi, M.; Askarzadeh, A. Optimization of a reliable grid-connected PV-based power plant with/without energy storage system by a heuristic approach. Sol. Energy 2016, 125, 12–21. [Google Scholar] [CrossRef]
- Xiao, W.; El Moursi, M.S.; Khan, O.; Infield, D. Review of grid-tied converter topologies used in photovoltaic systems. IET Renew. Power Gener. 2016, 10, 1543–1551. [Google Scholar] [CrossRef] [Green Version]
- Zhang, Y..; Sen, P.C. A new soft-switching technique for buck, boost, and buck~boost converters. IEEE Trans. Ind. Appl. 2003, 39, 1775–1782. [Google Scholar] [CrossRef]
- Verbytskyi, I.; Bondarenko, O.; Liivik, E. Control features of multi cell-type current regulator for resistance welding. In Proceedings of the 2017 IEEE 58th International Scientific Conference on Power and Electrical Engineering of Riga Technical University (RTUCON), Doha, Qatar, 10–12 April 2018. [Google Scholar] [CrossRef]
- Jyotheeswara Reddy, K.; Sudhakar, N. High Voltage Gain Interleaved Boost Converter With Neural Network Based MPPT Controller for Fuel Cell Based Electric Vehicle Applications. IEEE Access 2018, 6, 3899–3908. [Google Scholar] [CrossRef]
- Zeb, K.; Uddin, W.; Khan, M.A.; Ali, Z.; Ali, M.U.; Christofides, N.; Kim, H.J. A comprehensive review on inverter topologies and control strategies for grid connected photovoltaic system. Renew. Sustain. Energy Rev. 2018, 94, 1120–1141. [Google Scholar] [CrossRef]
- Keyhani, H.; Toliyat, H.A. Single-Stage Multi string PV Inverter With an Isolated High-Frequency Link and Soft-Switching Operation. IEEE Trans. Power Electron. 2014, 29, 3919–3929. [Google Scholar] [CrossRef]
- Khodabandeh, M.; Afshari, E.; Amirabadi, M. A Single-Stage Soft-Switching High-Frequency AC-Link PV Inverter: Design, Analysis, and Evaluation of Si-based and SiC-based Prototypes. IEEE Trans. Power Electron. 2018, 34, 2312–2326. [Google Scholar] [CrossRef]
- Lopez, O.; Freijedo, F.D.; Yepes, A.G.; Fernandez-Comesana, P.; Malvar, J.; Teodorescu, R.; Doval-Gandoy, J. Eliminating ground current in a transformerless photovoltaic application. IEEE Trans. Energy Convers. 2010, 25, 140–147. [Google Scholar] [CrossRef]
- Xiao, H.; Xie, S. Leakage current analytical model and application in single-phase transformerless photovoltaic grid-connected inverter. IEEE Trans. Electromagn Compat. 2010, 52, 902–913. [Google Scholar] [CrossRef]
- Zhang, L.; Sun, K.; Xing, Y.; Xing, M. H6 Transformerless Full-Bridge PV Grid-Tied Inverters. IEEE Trans. Power Electron. 2014, 29, 1229–1238. [Google Scholar] [CrossRef]
- Ahmed, M.H.; Wang, M.; Hassan, M.A.S.; Ullah, I. Power Loss Model and Efficiency Analysis of Three-phase Inverter Based on SiC MOSFETs for PV Applications. IEEE Access 2019, 7, 75768–75781. [Google Scholar] [CrossRef]
- Escobar, G.; Martinez-Rodriguez, P.R.; Pool, E.I.; Pena-Quintal, A.E.; Vazquez, G.; Sosa, J.M. A model-based controller of a three-level stacked-cell grid connected converter. In Proceedings of the IECON 2015-41st Annual Conference of the IEEE Industrial Electronics Society, Yokohama, Japan, 9–12 November 2015. [Google Scholar] [CrossRef]
- Mamadaminov, U.M. Advanced Inverters and Their Functionalities for Distributed Solar Generation; Energy Engineering III, Spring; Oregon Institute of Technology: Wilsonville, OR, USA, 2014. [Google Scholar]
- Hidalgo, R.; Abbey, C. Integrating distributed generation with Smart Grid enabling technologies. In Proceedings of the IEEE PES Conference on Innovative Smart Grid Technologies Latin America SGT LA, Medellin, Colombia, 19–21 October 2011. [Google Scholar] [CrossRef]
- Talha, M.; Amir, A.; Raihan, S.R.S.; Abd Rahim, N. Grid-connected photovoltaic inverters with low-voltage ride through for a residential-scale system: A review. Int. Trans. Electr. Energy Syst. 2020, 31, e12630. [Google Scholar] [CrossRef]
- Taul, M.G.; Wang, X.; Davari, P.; Blaabjerg, F. An Overview of Assessment Methods for Synchronization Stability of Grid-Connected Converters Under Severe Symmetrical Grid Faults. IEEE Trans. Power Electron. 2019, 34, 9655–9670. [Google Scholar] [CrossRef] [Green Version]
- Geddada, N.; Karanki, S.B.; Mishra, M.K. Synchronous reference frame based current controller with SPWM switching strategy for DSTATCOM applications. In Proceedings of the 2012 IEEE International Conference on Power Electronics, Drives and Energy Systems (PEDES), Bengaluru, India, 16–19 December 2012. [Google Scholar] [CrossRef]
- Chappa, H.; Thakur, T. Voltage instability detection using synchrophasor measurements: A review. Int. Trans. Electr. Energy Syst. 2020, 30, 12343. [Google Scholar] [CrossRef]
- Calleja, H.; Jimenez, H. Performance of a grid connected PV system used as active filter. Energy Convers. Manag. 2004, 45, 2417–2428. [Google Scholar] [CrossRef]
- Verbytskyi, Y.V. Double Fourier series using for calculating modulating signals spectrum. Tekhnichna Elektrodynamika 2014, 4, 96–98. [Google Scholar]
- Adewuyi, O.B.; Shigenobu, R.; Ooya, K.; Senjyu, T.; Howlader, A.M. Static voltage stability improvement with battery energy storage considering optimal control of active and reactive power injection. Electr. Power Syst. Res. 2019, 172, 303–312. [Google Scholar] [CrossRef]
- Pinnangudi, B.; Kuykendal, M.; Bhadra, S. Smart Grid Energy Storage. Power Grid 2017, 93–135. [Google Scholar] [CrossRef]
- Liu, S.; Xie, X.; Yang, L. Analysis, Modeling and Implementation of a Switching Bi-directional Buck-Boost Converter Based on Electric Vehicle Hybrid Energy Storage for V2G System. IEEE Access 2020, 8, 65868–65879. [Google Scholar] [CrossRef]
- Pakkiraiah, B.; Sukumar, G.D. Research Survey on Various MPPT Performance Issues to Improve the Solar PV System Efficiency. J. Sol. Energy 2016, 2016, 8012432. [Google Scholar] [CrossRef] [Green Version]
- Yang, J.-H.; Jeong, K.-I.; Kwon, J.-M. Energy storage system with PV generation and online UPS functions. In Proceedings of the 2014 IEEE 36th International Telecommunications Energy Conference (INTELEC), Vancouver, BC, Canada, 28 September–2 October 2014. [Google Scholar] [CrossRef]
- Li, K.; Zhao, J.; Ma, Q.; Xu, H. Hierarchy control of power quality for wind–battery energy storage system. IET Power Electron. 2014, 7, 2123–2132. [Google Scholar] [CrossRef]
- Li, X.; Wang, S. A review on energy management, operation control and application methods for grid battery energy storage systems. CSEE J. Power Energy Syst. 2019, 7, 1026–1040. [Google Scholar] [CrossRef]
- Hannan, M.A.; Hoque, M.M.; Hussain, A.; Yusof, Y.; Ker, P.J. State-of-the-Art and Energy Management System of Lithium-Ion Batteries in Electric Vehicle Applications: Issues and Recommendations. IEEE Access 2018, 6, 19362–19378. [Google Scholar] [CrossRef]
- Ortúzar, M.; Dixon, J.; Moreno, J. Ultracapacitor-Based Auxiliary Energy System for an Electric Vehicle: Implementation and Evaluation. IEEE Trans. Ind. Electron. 2007, 54, 2147–2156. [Google Scholar] [CrossRef]
- Fernandez, G. A Bidirectional Buffered Charging Unit for EV’s (BBCU). In Proceedings of the International Power Electronics Conference (IPEC-Niigata 2018-ECCE Asia), Niigata, Japan, 20–24 May 2018. [Google Scholar] [CrossRef]
- Schupbachj, R.M.; Bald, C. Comparing DC-DC Converters for Power Management in Hybrid Electric Vehicles. In Proceedings of the IEEE International Electric Machines and Drives Conference, Madison, WI, USA, 1–4 June 2003; Volume 3, pp. 1369–1374. [Google Scholar] [CrossRef]
- Czogalla, J.; Li, J.; Sullivan, C.R. Automotive Application of Multi-Phase Coupled-Inductor DC-DC Converter. In Proceedings of the IEEE Industry Applications Conference, Salt Lake City, UT, USA, 12–16 October 2003; Volume 3, pp. 1524–1529. [Google Scholar] [CrossRef]
- Farhangi, B.; Toliyat, H.A. Modeling and Analyzing Multiport Isolation Transformer Capacitive Components for Onboard Vehicular Power Conditioners. IEEE Trans. Ind. Electron. 2015, 62, 3134–3142. [Google Scholar] [CrossRef]
- Inoue, S.; Akagi, H. A Bi-Directional DC/DC Converter for an Energy Storage System. In Proceedings of the APEC 07-Twenty-Second Annual IEEE Applied Power Electronics Conference and Exposition, Anaheim, CA, USA, 25 February–1 March 2007. [Google Scholar] [CrossRef]
- Xu, X.; Khambadkone, A.M.; Oruganti, R. A Soft-Switched Back-to-Back Bi-directional DC/DC Converter with an FPGA based Digital Control for Automotive applications. In Proceedings of the IECON 2007-33rd Annual Conference of the IEEE Industrial Electronics Society, Taipei, Taiwan, 5–8 November 2007. [Google Scholar] [CrossRef]
- Jang, S.-J.; Lee, T.W.; Lee, W.C.; Won, C.Y. Bidirectional DC to DC Converters for Fuel Cell Generation System. Power Electron. Spec. Conf. 2004, 6, 4722–4728. [Google Scholar] [CrossRef]
- Lin, B.R.; Hung, T.L. Single-phase half-bridge converter topology for power quality compensation. Electr. Power Appl. IEE Proc. 2002, 149, 351–359. [Google Scholar] [CrossRef]
- Lin, B.R.; Hung, T.L.; Huang, C.H. Bi-directional single-phase half-bridge rectifier for power quality compensation. Electr. Power Appl. IEE Proc. 2003, 150, 397–406. [Google Scholar] [CrossRef]
- Korkh, O.; Blinov, A.; Vinnikov, D. Analysis of Oscillation Suppression Methods in the AC-AC Stage of High Frequency Link Converters. In Proceedings of the IEEE 60th International Scientific Conference on Power and Electrical Engineering of Riga Technical University (RTUCON), Riga, Latvia, 7–9 October 2019. [Google Scholar] [CrossRef]
- Bilgin, B.; Emadi, A.; Krishnamurthy, M. Universal input battery charger circuit for PHEV applications with the simplified controller. In Proceedings of the Applied Power Electronics Conference and Exposition (APEC), Fort Worth, TX, USA, 6–11 March 2011; pp. 815–820. [Google Scholar] [CrossRef]
- Segaran, D.; Holmes, D.G.; McGrath, B.P. High performance bi-directional AC-DC converters for PHEV with minimized DC bus capacitance. In Proceedings of the IECON 37th Annual Conference on IEEE Industrial Electronics Society, Melbourne, Australia, 7–10 November 2011; pp. 3620–3625. [Google Scholar] [CrossRef]
- Odamov, U.O.; Kamilov, M.M.; Niyazov, S.K.; Song, K. Research of the efficiency of the solar battery operations in real exploitation conditions. Sci. Rep. Bukhara State Univ. 2021, 5, 2–17. [Google Scholar] [CrossRef]
- Saidi, A.S.; Slimene, M.B.; Khlifi, M.A. Transient stability analysis of photovoltaic system with experimental shading effects. Eng. Technol. Appl. Sci. Res. 2018, 8, 3592–3597. [Google Scholar] [CrossRef]
- Araujo, S.V.; Torrico-Bascope, R.P.; Torrico-Bascope, G.V.; Menezes, L. Step-up converter with high voltage gain employing three-state switching cell and voltage multiplier. In Proceedings of the 2008 IEEE Power Electronics Specialists Conference, Rhodes, Greece, 15–19 June 2008; pp. 2271–2277. [Google Scholar] [CrossRef]
- Ahmad, J.; Pervez, I.; Sarwar, A.; Tariq, M.; Fahad, M.; Chakrabortty, R.K.; Ryan, M.J. Performance Analysis and Hardware-in-the-Loop (HIL) Validation of Single Switch High Voltage Gain DC-DC Converters for MPP Tracking in Solar PV System. IEEE Access 2021, 9, 48811–48830. [Google Scholar] [CrossRef]
- Arunkumari, T.; Indragandhi, V. An overview of high voltage conversion ratio DC-DC converter configurations used in DC micro-grid architectures. Renew. Sustain. Energy Rev. 2017, 77, 670–687. [Google Scholar] [CrossRef]
- Blinov, A.; Verbytskyi, I.; Zinchenko, D.; Vinnikov, D.; Galkin, I. Modular Battery Charger for Light Electric Vehicles. Energies 2020, 13, 774. [Google Scholar] [CrossRef] [Green Version]
- Norrga, S. Experimental Study of a Soft-Switched Isolated Bidirectional AC DC Converter Without Auxiliary Circuit. IEEE Trans. Power Electron. 2006, 21, 1580–1587. [Google Scholar] [CrossRef]
- Kummari, N.; Chakraborty, S.; Chattopadhyay, S. An Isolated High-Frequency Link Microinverter Operated with Secondary-Side Modulation for Efficiency Improvement. IEEE Trans. Power Electron. 2018, 33, 2187–2200. [Google Scholar] [CrossRef]
- Nayak, P.; Rajashekara, K.; Pramanick, S. Soft-Switched Modulation Technique for a Single-Stage Matrix-Type Isolated DC–AC Converter. IEEE Trans. Ind. Appl. 2019, 55, 7642–7656. [Google Scholar] [CrossRef]
- Tibola, G.; Lemmen, E.; Duarte, J.L.; Barbi, I. Passive Regenerative and Dissipative Snubber Cells for Isolated SEPIC Converters: Analysis, Design, and Comparison. IEEE Trans. Power Electron. 2017, 32, 9210–9222. [Google Scholar] [CrossRef] [Green Version]
- Blinov, A.; Verbytskyi, I.; Peftitsis, D.; Vinnikov, D. Regenerative Passive Snubber Circuit for High-Frequency Link Converters. IEEE J. Emerg. Sel. Top. Ind. Electron. 2021, 3, 252–257. [Google Scholar] [CrossRef]
- Blinov, A.; Kosenko, R.; Chub, A.; Vinnikov, D. Snubberless boost full-bridge converters: Analysis of soft-switching performance and limitations. Int. J. Circ. Theor. Appl. 2019, 47, 884–908. [Google Scholar] [CrossRef]
- Luo, F.L.; Ye, H. Positive output super-lift converters. IEEE Trans. Power Electron. 2003, 18, 105–113. [Google Scholar] [CrossRef]
- Zhang, S.; Xu, J.; Yang, P. A single-switch high gain quadratic boost converter based on voltage-lift technique. In Proceedings of the 10th International Power & Energy Conference (IPEC), Ho Chi Minh City, Vietnam, 12–14 December 2012; pp. 71–75. [Google Scholar] [CrossRef]
- Axelrod, B.; Berkovich, Y.; Shenkman, A.; Golan, G. Diode-capacitor voltage multipliers combined with boost-converters: Topologies and characteristics. IET Power Electron. 2012, 5, 873–884. [Google Scholar] [CrossRef]
- Wu, G.; Ruan, X.; Ye, Z. Nonisolated High Step-Up DC-DC Converters Adopting Switched-Capacitor Cell. IEEE Trans. Ind. Electron. 2015, 62, 383–393. [Google Scholar] [CrossRef]
- Tofoli, F.L.; de Souza Oliveira, D.; Torrico-Bascopé, R.P.; Alcazar, Y.J.A. Novel Nonisolated High-Voltage Gain DC–DC Converters Based on 3SSC and VMC. IEEE Trans. Power Electron. 2012, 27, 3897–3907. [Google Scholar] [CrossRef]
- Zhang, J.; Huang, L.; Shu, J.; Wang, H.; Ding, J. Energy Management of PV-diesel-battery Hybrid Power System for Island Stand-alone Micro-grid. Energy Procedia 2017, 105, 2201–2206. [Google Scholar] [CrossRef]
- Cano, A.; Jurado, F.; Sánchez, H.; Fernández, L.M.; Castañeda, M. Optimal sizing of stand-alone hybrid systems based on PV/WT/FC by using several methodologies. J. Energy Inst. 2014, 87, 330–340. [Google Scholar] [CrossRef]
- Ghaffari, A.; Askarzadeh, A. Design optimization of a hybrid system subject to reliability level and renewable energy penetration. Energy 2020, 193, 116754. [Google Scholar] [CrossRef]
- Noshahr, J.B.; Mohamadi, B.; Kermani, M.; Kermani, M. Operational Planning of Inverter Control in a grid-connected Microgrid with hybrid PV and BESS. In Proceedings of the 2020 IEEE International Conference on Environment and Electrical Engineering and 2020 IEEE Industrial and Commercial Power Systems Europe (EEEIC/I & CPS Europe), Madrid, Spain, 9–12 June 2020. [Google Scholar] [CrossRef]
- Vahid, S.; EL-Refaie, A. A Novel Topology for an Extendable Isolated DC-DC Multi-port Power Converter with a Multipurpose Hybrid Energy Storage System. In Proceedings of the 2020 IEEE Energy Conversion Congress and Exposition (ECCE), Detroit, MI, USA, 11–15 October 2020. [Google Scholar] [CrossRef]
- Pereira, T.; Hoffmann, F.; Zhu, R.; Liserre, M. A Comprehensive Assessment of Multiwinding Transformer-Based DC-DC Converters. IEEE Trans. Power Electron. 2021, 36, 10020–10036. [Google Scholar] [CrossRef]
- Wu, H.; Xing, Y.; Xia, Y.; Sun, K. A family of non-isolated three-port converters for stand-alone renewable power systems. In Proceedings of the IECON 2011-37th Annual Conference of the IEEE Industrial Electronics Society, Melbourne, Australia, 7–10 November 2011. [Google Scholar] [CrossRef]
- Zhang, M.; Xing, Y.; Wu, H.; Lu, Y.; Sun, K. Performance evaluation of a non-isolated bidirectional three-port power converter for energy storage applications. In Proceedings of the 2016 IEEE 8th International Power Electronics and Motion Control Conference (IPEMC-ECCE Asia), Hefei, China, 22–26 May 2016; pp. 2703–2708. [Google Scholar] [CrossRef]
- Sato, Y.; Uno, M.; Nagata, H. Nonisolated Multiport Converters Based on Integration of PWM Converter and Phase-Shift Switched-Capacitor Converter. IEEE Trans. Power Electron. 2019, 35, 455–470. [Google Scholar] [CrossRef]
- Faraji, R.; Farzanehfard, H. Fully Soft Switched Multi-Port DC-DC Converter with High Integration. IEEE Trans. Power Electron. 2020, 36, 1901–1908. [Google Scholar] [CrossRef]
- Kwasinski, A. Identification of Feasible Topologies for Multiple-Input DC-DC Converters. IEEE Trans. Power Electron. 2009, 24, 856–861. [Google Scholar] [CrossRef]
- Balaji, C.; Chellammal, N.; Sanjeevikumar, P.; Bhaskar, M.S.; Holm-Nielsen, J.B.; Leonowicz, Z.; Masebinu, S.O. Non-Isolated High-Gain Triple Port DC-DC Buck-Boost Converter with Positive Output Voltage for Photovoltaic Application. IEEE Access 2020, 2020, 3003192. [Google Scholar] [CrossRef]
- Thang, T.V.; Ahmed, A.; Kim, C.I.; Park, J.H. The flexible system architecture of stand-alone PV power generation with the energy storage device. IEEE Trans. Energy Convers. 2015, 30, 1386–1396. [Google Scholar] [CrossRef]
- Amirabadi, M.; Toliyat, H.A.; Alexander, W.C. A multiport ac link PV inverter with reduced size and weight for a stand-alone application. IEEE Trans. Ind. Appl. 2013, 49, 2217–2228. [Google Scholar] [CrossRef]
- Hassan, S.Z.; Mumtaz, S.; Kamal, T.; Khan, L. Performance of grid-integrated photovoltaic/fuel cell/ electrolyzer/battery hybrid power system. In Proceedings of the 2015 Power Generation Systems and Renewable Energy Technologies, PGSRET, Islamabad, Pakistan, 10–11 June 2015. [Google Scholar] [CrossRef]
- Jayasinghe, S.D.; Vilathgamuwa, D.M.; Madawala, U.K. Diodeclamped three-level inverter-based battery/supercapacitor direct integration scheme for renewable energy systems. IEEE Trans. Power Electron. 2011, 26, 3720–3729. [Google Scholar] [CrossRef]
- Rangu, S.K.; Lolla, P.R.; Dhenuvakonda, K.R.; Singh, A.R. Recent trends in power management strategies for optimal operation of distributed energy resources in microgrids: A comprehensive review. Int. J. Energy Res. 2020, 44, 9889–9911. [Google Scholar] [CrossRef]
- David, F. Probability and Statistics for Computer Science; Springer International Publishing: Berlin/Heidelberg, Germany, 2018; p. 367. [Google Scholar] [CrossRef]






















| PV Application | Modifications |
|---|---|
| 1. Standalone PV applications [15,16] |
|
| 2. On-grid PV applications [17,18] | |
| 3. Hybrid PV applications [19,20] |
| Power Loss Type | Converter Type | ||
|---|---|---|---|
| Hard-Switching | Soft-Switching | Resonant | |
| Transistor static power loss, PTst* | |||
| Transistor dynamic power loss, PTd* | 0 | 0 | |
| Diode static power loss, PDst* | |||
| Diode dynamic power loss, PDd* | 0 | 0 | |
| Converter Topology | kC | Pcon * |
|---|---|---|
| DC–DC converters | ||
| Buck [12], Figure 9a | ||
| Boost [12], Figure 9b | ||
| Buck-boost, SEPIC, Cuk’ [12], Figure 9c–e | ||
| Soft-switching buck [47], Figure 9f | ||
| Soft-switching boost [47], Figure 9g | ||
| Interleaved buck [48], Figure 9h, m cells | ||
| Interleaved boost [49], Figure 9i, m cells | ||
| DC–AC converters | ||
| Half-bridge [50],Figure 9j | ||
| Full-bridge [50], Figure 9k | ||
| Triple-bridge [50], Figure 9l | ||
| H5 [55], Figure 9m | ||
| H6 [55], Figure 9n | ||
| HERIC [55],Figure 9o | ||
| 3L-NPC [56], Figure 9p | ||
| 3L-SC [57], Figure 9q | ||
| kC | Pcon * | |
|---|---|---|
| Single-stage application with a full-bridge converter | ||
| Two-stage application with buck and full-bridge converters |
| Opportunities for Power Grid Control | Converter Function | Control Strategy |
|---|---|---|
| Reactive power control [58] | Independent reactive and active power generation | Sinusoidal pulse width modulation (SPWM), space vector modulation (SVM) or hysteresis modulation in dq or αβ space |
| Voltage stabilization [60,61,62,63,64,65] | Voltage and frequency ride through, voltage sag detection, reactive power generation | For frequency synchronization: zero-crossing method and the phase-locked-loop. For sag detection: RMS value estimator, synchronous rotating reference frame, wavelet, and Fourier transform. For power generation: SPWM, SVM or hysteresis modulation in dq or αβ space |
| Grid power quality control [62] | Controlled injected current | SPWM or hysteresis modulation, frequency synchronization |
| Converter Topology | kC | Pcon * |
|---|---|---|
| DC–DC converters | ||
| Half-bridge [74], Figure 14a | ||
| 3L-NPC [75], Figure 9q | ||
| Cuk’ [76], Figure 14b, SEPIC/Luo [76], Figure 14c | ||
| Interleaved half-bridge [77], Figure 14d | ||
| If UBT > Ug → Cascaded half-bridge [78], Figure 14e If UBT < Ug → | ||
| DC–AC converters | ||
| Half-bridge, Figure 9j | ||
| Full-bridge, Figure 9k | ||
| Half-bridge rectifier with neutral point switch clamped scheme [82], Figure 14f | ||
| Capacitor clamped three-level PWM converter [83], Figure 14g | ||
| High-frequency link inverter [84], Figure 14h | ||
| Converter Topology | kC | Pcon * |
|---|---|---|
| DC–DC converters | ||
| Dual active bridge, Figure 15a | ||
| Dual active bridge soft-switching [79], Figure 15b | ||
| Converter with two voltage-fed half-bridges [80], Figure 15c | 8 | |
| Combined-voltage half-bridge and current-fed full-bridge [81], Figure 15d | ||
| DC–AC converters | ||
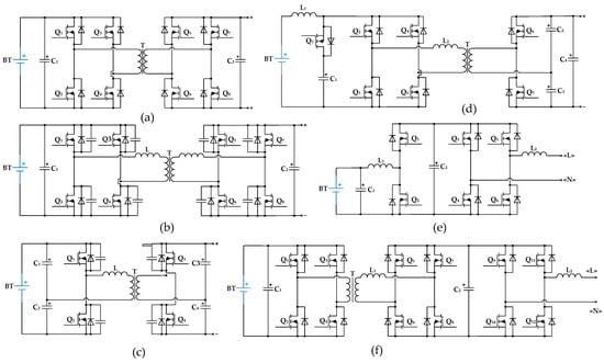
| Half-bridge and full-bridge [85], Figure 15e | ||
| Full-bridge DC–AC and dual active bridge DC–DC [86], Figure 15f | ||
| Converter Topology | G | kC | Pcon* |
|---|---|---|---|
| Isolated full-bridge, Figure 18a | nD | ||
| Conventional boost converter, Figure 9b | |||
| Cascaded boost converter [90], Figure 18b | |||
| SEPIC [92], Figure 9d, Flyback [92], Figure 18c | |||
| LC parallel current source converter with voltage doubler [98], Figure 18d | |||
| Super lift voltage converter [99], m cells, Figure 18e | |||
| Modified voltage lift converter [100], m cells, Figure 18f | |||
| Cockcroft–Walton and Dickson multiplier based boost converter [101], m cells, Figure 18g,h | |||
| Boost derived MIESC SC-cell converter [102], m cells, Figure 18i | |||
| Buck-boost derived MIESC SC-cell converter [102], m cells, Figure 18j | |||
| Boost 3SSC cell converter [103], m cells, Figure 18k |
| Converter Topology | kC | Pcon * |
|---|---|---|
| Boost three-port converter [110], Figure 20a | ||
| Buck three-port converter [110], Figure 20b | ||
| Buck-boost three-port converter [110], Figure 20c | ||
| Bidirectional buck-boost converter [111], Figure 20d | ||
| Switched capacitor multi-port converter [112], Figure 20e | ||
| Dual active bridge multi-port converter [112], Figure 20f | ||
| Double-stage with battery boost converter [116], Figure 20g | ||
| Fully soft-switched multi-port DC-DC converter [113], Figure 20h | ||
| Multiple-input SEPIC converter, m cells [114], Figure 20i | ||
| NPC multiport converter [110], Figure 20j |
| Converter Topology | kC | Pcon(av) * |
|---|---|---|
| Buck | ||
| Boost | ||
| Buck-boost, SEPIC, Cuk’ | ||
| Soft-switching buck | ||
| Soft-switching boost | ||
| Interleaved buck | ||
| Interleaved boost |
Publisher’s Note: MDPI stays neutral with regard to jurisdictional claims in published maps and institutional affiliations. |
© 2022 by the authors. Licensee MDPI, Basel, Switzerland. This article is an open access article distributed under the terms and conditions of the Creative Commons Attribution (CC BY) license (https://creativecommons.org/licenses/by/4.0/).
Share and Cite
Verbytskyi, I.; Lukianov, M.; Nassereddine, K.; Pakhaliuk, B.; Husev, O.; Strzelecki, R.M. Power Converter Solutions for Industrial PV Applications—A Review. Energies 2022, 15, 3295. https://doi.org/10.3390/en15093295
Verbytskyi I, Lukianov M, Nassereddine K, Pakhaliuk B, Husev O, Strzelecki RM. Power Converter Solutions for Industrial PV Applications—A Review. Energies. 2022; 15(9):3295. https://doi.org/10.3390/en15093295
Chicago/Turabian StyleVerbytskyi, Ievgen, Mykola Lukianov, Kawsar Nassereddine, Bohdan Pakhaliuk, Oleksandr Husev, and Ryszard Michał Strzelecki. 2022. "Power Converter Solutions for Industrial PV Applications—A Review" Energies 15, no. 9: 3295. https://doi.org/10.3390/en15093295
APA StyleVerbytskyi, I., Lukianov, M., Nassereddine, K., Pakhaliuk, B., Husev, O., & Strzelecki, R. M. (2022). Power Converter Solutions for Industrial PV Applications—A Review. Energies, 15(9), 3295. https://doi.org/10.3390/en15093295

