The Performance Analysis of an Integrated CO2 Refrigeration System with Multi-Ejectors Installed in a Supermarket
Abstract
:1. Introduction
2. Materials and Methods
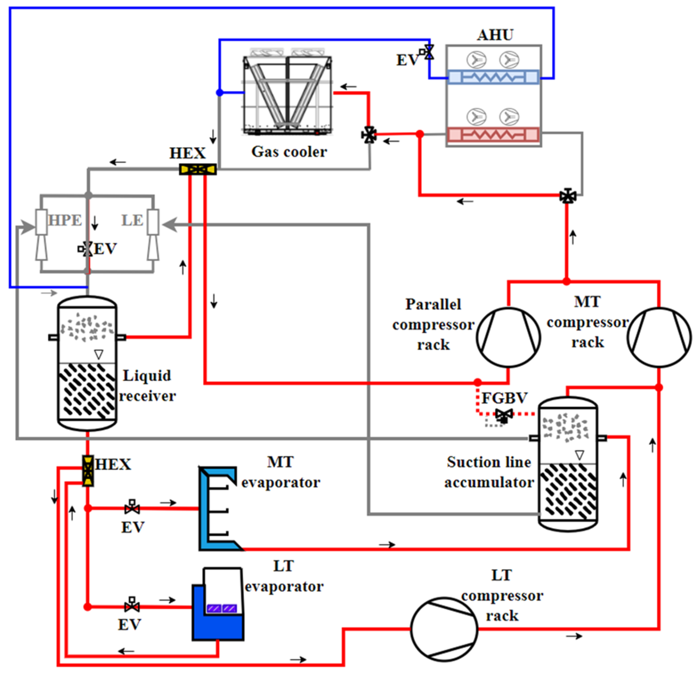
2.1. System Setup and Description
- EJ-On mode: Both ejectors are in operation for LT and MT cooling demand.
- EJ-Off mode: The system operates in LT and MT cooling mode; however, the ejectors are not in operation.
2.2. Measurements and Instrumentation
3. Results and Discussion
3.1. Power Consumption
3.2. P-h Diagrams
3.3. Daily Activity in the Supermarket
4. Conclusions
Author Contributions
Funding
Institutional Review Board Statement
Informed Consent Statement
Data Availability Statement
Conflicts of Interest
Abbreviations
| AC | Air Conditioning |
| AHU | Air Handling Unit |
| BRS | Booster Refrigeration System |
| DHW | Domestic Hot Water |
| DX | Direct Expansion |
| EV | Expansion Valve |
| FE | Flooded Evaporator |
| FS | Full Scale |
| HEX | Heat Exchanger |
| HFC | Hydrofluorocarbon |
| HFO | Non-Saturated Hydro Fluorocarbon |
| HP | High-Pressure |
| HPE | High-Pressure Ejector |
| IT | Intermediate Temperature |
| IHX | Internal Heat Exchanger |
| LE | Liquid Ejector |
| LT | Low Temperature |
| M | Mass Flow Meters |
| ME | Multi-Ejector |
| MT | Medium Temperature |
| NTC | Negative Temperature Coefficient |
| PC | Parallel Compressor |
| SH | Space Heating |
References
- Skačanová, K.Z.; Gkizelis, A. Climate—Technical Report on Energy Efficiency in HFC-Free Supermarket Refrigeration; EIA and Shecco: London, UK, 2018. [Google Scholar]
- Koegelenberg, I. World Guide to Transcritical CO2 Refrigeration; Shecco: Brussels, Belgium, 2020. [Google Scholar]
- Gullo, P.; Hafner, A.; Banasiak, K. Transcritical R744 refrigeration systems for supermarket applications: Current status and future perspectives. Int. J. Refrig. 2018, 93, 269–310. [Google Scholar] [CrossRef]
- Gullo, P.; Hafner, A.; Banasiak, K.; Minetto, S. A review on recent technological advancements in multi-ejector concept. In Proceedings of the 13th IIR Gustav Lorentzen Conference on Natural Refrigerants (GL2018), Valencia, Spain, 18–20 June 2018; International Institute of Refrigeration: Paris, France, 2018. [Google Scholar]
- Tsamos, K.M.; Ge, Y.T.; Santosa, I.D.; Tassou, S.A.; Bianchi, G.; Mylona, Z. Energy analysis of alternative CO2 refrigeration system configurations for retail food applications in moderate and warm climates. Energy Convers. Manag. 2017, 150, 822–829. [Google Scholar] [CrossRef]
- Mitsopoulosa, G.; Syngounasa, E.; Tsimpoukisa, D.; Bellosa, E.; Tzivanidisa, C.; Anagnostatos, S. Annual performance of a supermarket refrigeration system using different configurations with CO2 refrigerant. Energy Convers. Manag. 2019, X1, 100006. [Google Scholar] [CrossRef]
- Suna, Z.; Lia, J.; Liangb, Y.; Suna, H.; Liua, S.; Yanga, L.; Wanga, C.; Dai, B. Performance assessment of CO2 supermarket refrigeration system in different climate zones of China. Energy Convers. Manag. 2020, 208, 112572. [Google Scholar]
- Cui, Q.; Gao, E.; Zhang, Z.; Zhang, X. Preliminary study on the feasibility assessment of CO2 booster refrigeration systems for supermarket application in China: An energetic, economic, and environmental analysis. Energy Convers. Manag. 2020, 225, 113422. [Google Scholar] [CrossRef]
- Karampour, M.; Sawalha, S. State-of-the-art integrated CO2 refrigeration system for supermarkets: A comparative analysis. Int. J. Refrig. 2018, 86, 239–257. [Google Scholar] [CrossRef] [Green Version]
- Maourisa, G.; Escrivab, E.J.S.; Achaa, S.; Shaha, N.; Markides, C.N. CO2 refrigeration system heat recovery and thermal storage modelling for space heating provision in supermarkets: An integrated approach. Appl. Energy 2002, 264, 114722. [Google Scholar] [CrossRef]
- Polzota, A.; Agaroa, P.D.; Cortellaa, G. Energy analysis of a transcritical CO2 supermarket refrigeration system with heat recovery. Energy Procedia 2017, 111, 648–657. [Google Scholar] [CrossRef] [Green Version]
- Escriva, E.J.S.; Acha, S.; Le Brun, N.; Francés, V.S.; Ojer, J.M.P.; Markides, C.; Shah, N. Modelling of a real CO2 booster installation and evaluation of control strategies for heat recovery applications in supermarkets. Int. J. Refrig. 2019, 107, 288–300. [Google Scholar] [CrossRef]
- D’Agaro, P.; Cortella, G.; Polzot, A. R744 booster integrated system for full heating supply to supermarkets. Int. J. Refrig. 2018, 96, 191–200. [Google Scholar] [CrossRef]
- Cooling, A.-A.C. Food Retail Best Practices; Shecco: Bruxelles, Belgium, 2020. [Google Scholar]
- Hafner, A.; Försterling, S.; Banasiak, K. Multi-ejector concept for R-744 supermarket refrigeration. Int. J. Refrig. 2014, 43, 1–13. [Google Scholar] [CrossRef]
- Karampour, M.; Sawalha, S. Energy efficiency evaluation of integrated CO2 trans-critical system in supermarkets: A field measurements and modelling analysis. Int. J. Refrig. 2017, 82, 470–486. [Google Scholar] [CrossRef] [Green Version]
- Gullo, P.; Tsamos, K.; Hafner, A.; Ge, Y.; Tassou, S.A. State-of-the-art technologies for transcritical R744 refrigeration systems—A theoretical assessment of energy advantages for European food retail industry. Energy Procedia 2017, 123, 46–53. [Google Scholar] [CrossRef]
- Singh, S.; Maiya, P.M.; Hafner, A.; Banasiak, K.; Neksa, P. Energy efficient multiejector CO2 cooling system for high ambient temperature. Therm. Sci. Eng. Prog. 2020, 19, 100590. [Google Scholar] [CrossRef]
- Gullo, P.; Hafner, A.; Cortella, G. Multi-ejector R744 booster refrigerating plant and air conditioning system integration—A theoretical evaluation of energy benefits for supermarket applications. Int. J. Refrig. 2017, 75, 164–176. [Google Scholar] [CrossRef]
- Pardiñas, A.A.; Hafner, A.; Banasiak, K. Novel integrated CO2 vapour compression racks for supermarkets. Thermodynamic analysis of possible system configurations and influence of operational conditions. Appl. Therm. Eng. 2018, 131, 1008–1025. [Google Scholar]
- Schlemminger, C.; Bjørgen, K.O.P.; Foslie, S.; Allouche, Y.; Hafner, A. Field measurements of integrated MultiPACK supermarkets. In Proceedings of the 6th IIR Conference on Sustainability and the Cold Chain, Nantes, France, 26–28 August 2020. [Google Scholar]
- Tosato, G.; Minetto, S.; Hafner, A.; Rossetti, A.; Marinetti, S.; Girotto, S. Field assessment of the performance of a state-of-the-art CO2 integrated system for supermarket with distributed HVAC terminals in the shopping area. In Proceedings of the 6th IIR Conference on Sustainability and the Cold Chain, Nantes, France, 26–28 August 2020; pp. 26–28. [Google Scholar]
- Minetto, S.; Tosato, G.; Rosetti, A.; Marinetti, S.; Girotto, S.; Banasiak, K. Not-in-kind approach to remote monitoring in CO2 refrigeration systems. In Proceedings of the 25th IIR International Congress of Refrigeration, Montréal, QC, Canada, 24–30 August 2019; International Institute of Refrigeration: Paris, France, 2019. [Google Scholar]
- Taylor, J.R.; Thompson, W. An Introduction to Error Analysis: The Study of Uncertainties in Physical Measurements. Phys. Today 1998, 51, 57–58. [Google Scholar] [CrossRef] [Green Version]
- Chaomuang, N.; Flick, D.; Denis, A.; Laguerre, O. Influence of operating conditions on the temperature performance of a closed refrigerated display cabinet. Int. J. Refrig. 2019, 103, 32–41. [Google Scholar] [CrossRef]
- De Frias, J.A.; Luo, Y.; Zhou, B.; Zhang, B.; Ingram, D.T.; Vorst, K.; Brecht, J.K.; Stommel, J. Effect of door opening frequency and duration of an enclosed refrigerated display case on product temperatures and energy consumption. Food Control. 2019, 111, 107044. [Google Scholar] [CrossRef]











| Demand | Operating Temperature (°C) | Capacity (kW) | Remark for the Demand |
|---|---|---|---|
| LT cooling | −30 | 24 | Freezers, freezing rooms, and an ice machine |
| MT cooling | −4 | 100 | Cold rooms, open and closed cooling cabinets |
| AC cooling | 10 | 180 | For space cooling |
| AC heating | 30 | 160 | For space heating |
| Measurement | Instrument | Precision/Accuracy |
|---|---|---|
| Pressure | Piezoresistive pressure transmitters | ±1% FS up to 60 bars |
| ±4% FS up to 150 bars | ||
| Temperature | NTC 10 kΩ | ±0.5 °C at 25 °C |
| ±1 °C between −40 °C and 90 °C | ||
| Power | Three-phase electric power meters | ±0.5 % FS |
| Components | EJ-Off | EJ-On | ||
|---|---|---|---|---|
| Power Consumption (kW) | Share (%) | Power Consumption (kW) | Share (%) | |
| Total | 32.5 ± 0.7 | 100 | 30.1 ± 0.7 | 100 |
| GC fan | 2.3 ± 0.1 | 7.0 | 1.8 ± 0.1 | 5.9 |
| PC rack | 11.4 ± 0.3 | 35.2 | 12.3 ± 0.3 | 40.8 |
| MT compressor rack | 16.6 ± 0.2 | 50.9 | 13.7 ± 0.2 | 45.4 |
| LT compressor rack | 2.2 ± 0.1 | 6.9 | 2.4 ± 0.1 | 7.9 |
| Components | EJ-Off | EJ-On | ||||||
|---|---|---|---|---|---|---|---|---|
| Day 1 | Day 2 | Day 3 | Avg | Day 1 | Day 2 | Day 3 | Avg | |
| kW | kW | kW | kW | kW | kW | kW | kW | |
| Total | 53.2 | 52.3 | 55.5 | 53.6 | 50.0 | 46.0 | 47.5 | 47.9 |
| GC fan | 2.7 | 2.2 | 2.5 | 2.5 | 2.1 | 1.9 | 1.2 | 1.7 |
| PC rack | 25.7 | 25.6 | 28.2 | 26.5 | 29.3 | 25.9 | 27.5 | 27.6 |
| MT compressor rack | 22.5 | 22.2 | 22.5 | 22.4 | 16.1 | 15.7 | 16.5 | 16.1 |
| LT compressor rack | 2.4 | 2.3 | 2.2 | 2.3 | 2.5 | 2.4 | 2.4 | 2.4 |
Publisher’s Note: MDPI stays neutral with regard to jurisdictional claims in published maps and institutional affiliations. |
© 2022 by the authors. Licensee MDPI, Basel, Switzerland. This article is an open access article distributed under the terms and conditions of the Creative Commons Attribution (CC BY) license (https://creativecommons.org/licenses/by/4.0/).
Share and Cite
Söylemez, E.; Hafner, A.; Schlemminger, C.; Kriezi, E.E.; Khorshidi, V. The Performance Analysis of an Integrated CO2 Refrigeration System with Multi-Ejectors Installed in a Supermarket. Energies 2022, 15, 3142. https://doi.org/10.3390/en15093142
Söylemez E, Hafner A, Schlemminger C, Kriezi EE, Khorshidi V. The Performance Analysis of an Integrated CO2 Refrigeration System with Multi-Ejectors Installed in a Supermarket. Energies. 2022; 15(9):3142. https://doi.org/10.3390/en15093142
Chicago/Turabian StyleSöylemez, Engin, Armin Hafner, Christian Schlemminger, Ekaterini E. Kriezi, and Vahid Khorshidi. 2022. "The Performance Analysis of an Integrated CO2 Refrigeration System with Multi-Ejectors Installed in a Supermarket" Energies 15, no. 9: 3142. https://doi.org/10.3390/en15093142
APA StyleSöylemez, E., Hafner, A., Schlemminger, C., Kriezi, E. E., & Khorshidi, V. (2022). The Performance Analysis of an Integrated CO2 Refrigeration System with Multi-Ejectors Installed in a Supermarket. Energies, 15(9), 3142. https://doi.org/10.3390/en15093142

