Next Article in Journal
Energy Management in the Multi-Source Systems
Previous Article in Journal
Study on the Influence of Low-Level Jet on the Aerodynamic Characteristics of Horizontal Axis Wind Turbine Rotor Based on the Aerodynamics–Controller Interaction Method
Previous Article in Special Issue
How Does Digitization Succeed in the Municipal Water Sector? The WaterExe4.0 Meta-Study Identifies Barriers as well as Success Factors, and Reveals Expectations for the Future
 
 
Font Type:
Arial Georgia Verdana
Font Size:
Aa Aa Aa
Line Spacing:
Column Width:
Background:
Article

Combining Shift to Biogas Production in a Large WWTP in China with Optimisation of Nitrogen Removal

by
Mónica Vergara-Araya
1,*,
Verena Hilgenfeldt
2,
Heidrun Steinmetz
2 and
Jürgen Wiese
1
1
Department for Water, Environment, Construction, and Safety, Magdeburg-Stendal University of Applied Sciences, 39114 Magdeburg, Germany
2
Institute Water Infrastructure Resources, University of Kaiserslautern (TUK), 67663 Kaiserslautern, Germany
*
Author to whom correspondence should be addressed.
Energies 2022, 15(8), 2710; https://doi.org/10.3390/en15082710
Submission received: 19 February 2022 / Revised: 29 March 2022 / Accepted: 1 April 2022 / Published: 7 April 2022
(This article belongs to the Special Issue Contributions of WWTPs to the Clean Energy Transition)

Abstract

Despite the huge current challenges in sewage sludge treatment and disposal in China, anaerobic sludge stabilisation (AnSS) is still not a state-of-the-art process in WWTP in the country. However, the potential benefits of anaerobic sludge stabilisation may outweigh the drawbacks. One of these drawbacks is the backload from the sludge liquor that increases the nutrient load in the biological treatment stage. This work shows via computer modelling that not only can the sludge production and disposal costs be significantly reduced, but also that, with sensible automation and operational strategies (e.g., bypass of primary clarifiers, use of a centrate dosing strategy, incorporation of ammonium nitrogen sensors, etc.), the effects of the backload can be counteracted for nitrogen removal, even considering that wastewater in China often has an unfavourable C/N ratio for nitrogen removal. The tested strategies would even improve the overall plant performance in terms of norm compliance, sludge production, energy use, and energy production

1. Introduction

Sludge stabilisation is a key process in wastewater treatment plants (WWTP) because it delivers a stable and safe end-product for transport and disposal. The stabilisation of sewage sludge is defined as the process for the conversion of organic substances into inorganic or very slowly degradable organic substances [1], with the objective of reducing pathogens, eliminating odours, and reducing the potential for putrefaction [2]. There are two main types of sludge stabilisation: aerobic stabilisation (AeSS) and anaerobic stabilisation (AnSS).
AeSS is the aerobic degradation of organic matter, and it can take place simultaneously in the biological treatment stage of a WWTP if the solids retention time (SRT, or sludge age) is high enough (i.e., usually above 25 days), or separately in an additional aerated process. AnSS refers to the anaerobic degradation of organic matter being converted into biogas, via anaerobic digestion, often separated from the main aerobic treatment course.
The stabilisation strategy selected depends on diverse factors, such as plant size, disposal requirements, disposal costs, and technology availability, among others. In Germany, for example, where the authors are located, for smaller WWTP (<20,000 PE), aerobic sludge stabilisation (AeSS) is recommended, and in larger WWTP (>30,000 PE), the benefits of anaerobic sludge stabilisation (AnSS) via anaerobic digestion (AD) usually outweigh the aerobic strategy [3]. The favourable current conditions, i.e., availability of suitable technologies, high energy costs, high sludge disposal costs, and strict norms for sludge disposal, are drivers towards AnSS.
In China, the use of AnSS in WWTP is still low [4,5], despite the relatively large size of WWTP: 60% of the WWTP in China are between 50,000 and 250,000 PE, 26% serve even above 250,000 PE [6]. Nevertheless, AnSS is potentially a better strategy to stabilise sewage sludge in large WWTP in the country.
Anaerobic digestion (AD) makes use of the inherent energy contained in the organic matter of the sludge, transforming it into biogas. The use of biogas, whether directly in a CHP or after upgrading to biomethane, can cover a significant portion of the electrical energy consumption of the WWTP—estimated between 40% and 80% [7,8]—or be used beneficially outside of it. Additionally, a WWTP with AnSS will have a lower specific energy consumption than WWTP with AeSS due to the lower amount of biomass in the aeration basins (less load caused by COD-elimination in the primary clarifier and lower sludge age), i.e., smaller basins, and consequently less stirring and aeration requirements. In the case of growing cities and the increasing amount of wastewater to treat, as is usually the case in urban China, this can be beneficial, as the treatment capacity is increased, using the existing basin volume.
Moreover, anaerobic digestion can reduce the sludge production by around 25% to 33% when compared to AeSS [3,9], directly impacting the disposal costs. This is of crucial importance as the amount of sewage sludge produced in China has doubled in the period 2009–2019 [5], with a large proportion still being either dumped or landfilled without stabilisation [10].
Most of the time, anaerobic sludge stabilisation is planned from the beginning, but retrofitting of WWTP that were designed for AeSS to AnSS is also a viable possibility, as during the last decades, several favourable conditions have been meet, namely the increment in the prices of energy, favourable market for renewable energies, increasing disposal costs of sludge disposal, technology availability, etc.
Besides the explained advantages of AnSS, it also has a downside: the degradation of organic matter present in the sludge re-releases nutrients, generating a nutrient-backload, coming from sludge liquor (i.e., water from the thickening and dewatering steps) after anaerobic digestion. When the ammonia-rich sludge liquor is returned to the process, it can contain between 10% and 25% of the ammonia-nitrogen influent load [11,12]. Therefore, its effect on the overall process performance must be considered. If not properly managed, this backload can affect the norm compliance, especially for nutrients. In some cases, the inclusion of an AnSS comes with the inclusion of a primary settling stage, which reduces the C/N ratio of the influent wastewater due to the removal of particulate COD, further challenging biological nitrogen removal.
The incorporation of anaerobic digestion can lead to an unfavourable C/N ratio for the biological treatment stage, generating problems for the denitrification stage, which requires a favourable proportion of biodegradable C-sources to take place [2]. As explained before, in China, this ratio is usually already not beneficial in the inflow of WWTP and would be further decreased with the strong sludge liquor side stream. Therefore, there are two basic approaches to improve the C/N ratio and/or increase the denitrification capacity. These approaches can be applied in different concrete strategies, for example:
  • Mixed liquor dosing strategy: The mixed liquor should be dosed carefully, and a tank to store it is necessary. Free volume of unused tanks (e.g., by-passed primary clarifiers) can also be useful. The centrate is ideally dosed in periods with low-load or favourable C/N ratio, which can be detected by incorporating online measurements.
  • By-pass of primary clarifiers: In WWTP with upstream denitrification, if the COD in the primary treatment effluent is low and the nitrate concentration in the aeration tank effluent rises, a by-pass of the primary clarifiers may be useful to improve the C/N ratio and reduce the need for external C sources, which can save significant costs [13]. Moreover, peak loads of nutrients are a problem commonly observed in WWTP with anaerobic digestion. By shutting down primary clarifiers, either partially or totally, they can be used as storage tanks in the case of peak loads, making substance and hydraulic load compensation and equalization possible.
  • Modification of the denitrification proportion: If the denitrification volume is too small, the denitrification capacity of the plant can be impaired. A proportion of denitrification volume to total activated sludge volume (VD/VAT) between 20% and 60% is recommended [11].
  • Use of online measurements to control the oxygen supply in the aeration basins: a dynamic aeration control can contribute to improve nitrogen removal and at the same time reduce the energy demand.
  • Use of side-stream treatments for nitrogen removal: The centrate or sludge liquor streams can be treated separately from the mainstream to avoid the problems associated with the backload. This strategy can apply treatments such as the anaerobic oxidation of ammonium (anammox process), denitritation/nitritation, and deammonification (DEMON+ process) among others, which are adequate usually for nitrogen-rich flows with high temperatures [14]. These processes have been successfully tested in WWTP around the world [15], with the anammox process and the nitrification/denitrification in SBR mode being the mostly spread [9].
These strategies can be partially combined, as some effects complement one another. For example, the partial by-pass of primary clarifiers release volume that can be re-purposed for mixed liquor storage. This can be combined with strategies to augment the denitrification volume proportion.

2. Materials and Methods

2.1. Description of the Example WWTP in China and Model

To evaluate the potential of the shift from aerobic to anaerobic sludge stabilisation, a WWTP with aerobic sludge stabilisation was modelled in SIMBA as described in [16]. The example WWTP (450,000 PECOD,120) has a traditional mechanical–biological treatment, including a primary clarifier stage, with simultaneous aerobic sludge stabilisation. The disposal route for sewage sludge is typically incineration in a thermal power plant, but disposal in landfill is also an option in China. Due to the plant size and configuration, the WWTP could be suitable for AnSS, but how the overall plant performance, especially the norm compliance, is affected must be assessed.
The wastewater is fairly biodegradable (COD/BOD between 2 and 4), and the inflow COD/TN ratio is alternating, often below the desired minimum ratio of 100:10. This is a common condition in China, which is further emphasised due to the primary clarifiers step on this plant, which has a high hydraulic retention time (HRT) of >2.5 h (recommended is ca. 1 h). The biological tank volume is ca. 100,000 m3, divided into anaerobic, anoxic, and aerobic zones. The anoxic volume (VD) is lower than the recommended 20–60% [11] and only represents ca. 17% of the total activated sludge basins volume (VAT). Moreover, the solids retention time (SRT) in the biological basins is on average 38 days, which is too high for the treatment objective, and very variable at the same time.
The WWTP was designed to comply with the Grade 1-A standard (GB18918-2002) effluent parameters, the standard currently valid in China. However, in recent years, due to the degradation of the water quality of the discharge water body, the standard has been tightened to the City Standard (CS) (see Table 1), enforced in 2021. This tightening of the discharge norm has posed a challenge to plant operators in the region and could also be complex in the case of shifting to AnSS, because the Ammonium backload can lead to norm non-compliances.
The power consumption ratio is on average 31.4 kWh/(PE·a) (between 2017 and 2019) and the main energy consumer is the biological treatment stage with 42.4% of the total, divided as 29.9% aeration, 5.6% stirring, 3.8% secondary clarifiers, and 3.1% recirculation. The sludge treatment stage consumes currently 10.7% of the total energy [16].
The WWTP was modelled based on the information provided by the operator and observations carried out during a plant visit. The model was built using the signal type (model) asm3h available in SIMBA, including parameters of the IWA Activated Sludge Model ASM3 [17] with modifications according to the research group HSG [18] and the German design guideline DWA-A 131 for activated sludge systems. More details about the model building and calibration are presented by Vergara-Araya et al. [16].
The premise of this work is the shift from AeSS to AnSS by making only small modifications to the plant configuration. Therefore, the plant processes and tank volumes will not change, as seen in Figure 1, where only an anaerobic digestion stage and a CHP engine were added to the sludge treatment line.

2.2. Design of an Anaerobic Digestion Stage

To establish an AnSS stage in the example WWTP, two main aspects were considered: an adjustment of the sludge age of the biological stage and the adequate size of the digestion stage. To adjust the sludge age for anaerobic sludge stabilisation, the required sludge age is calculated according to Equation (1) [11].
SRT = PF × 3.4 × 1.103 ( 15 T ) × 1 1 ( V D V AT ) ,
where:
SRT = sludge age
VAT = activated sludge basins volume
PF = process factor = 1.5 (>100,000 PE)
T = wastewater temperature in °C
VD = denitrification volume
The anaerobic sludge stabilisation stage was designed based on the calculated sludge production, according to the German standard DWA-A 131 [11]. For this design, a temperature of 12 °C was selected and the COD fractionation is calculated based on the 85% percentile of the inlet COD concentration between 2017 and 2019 (529 mg O2/L). According to the hydraulic retention time (HRT) in primary clarifiers (>2 h), the COD removal is estimated as 30% in this stage. The soluble COD is assumed as 40% of the total inlet COD, and the rest is particulate COD. The total inert COD fraction is assumed as 10%.
Assuming 50 g/L of sewage sludge concentration after thickening, the average sludge flow to anaerobic digestion is ca. 870 m3/d. For a target HRT of ca. 23 days in a CSRT type reactor, the required anaerobic digestion volume is 20,000 m3.

2.3. Simulation Model with AnSS

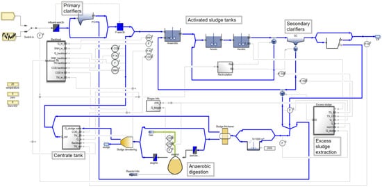
The model includes an anaerobic digestion stage, which is based on the model proposed by Siegrist [19], standard for these applications in SIMBA, as presented in Figure 2. The temperature for the anaerobic digestion stage is 37 °C, and it is assumed constant.
The sludge extraction (excess sludge) is adjusted automatically to obtain the target sludge age according to Equation (1), based on the variable wastewater temperature, which fluctuates between 10 and 24 °C.

2.4. Tests for Nitrogen Removal Optimisation

The incorporation of anaerobic digestion can lead to a high backload of nutrients, and affect the WWTP performance in terms of norm compliance, air requirements, energy requirements, etc. Therefore, different strategies to overcome these problems, from the perspective of nitrogen removal, were simulated and tested in the model.
The tested strategies are based on the results of the model and previous results obtained by Vergara-Araya et al. [16], which can be summarized as five main points:
  • Centrate dosing strategy: The centrate liquid is dosed according to the total nitrogen concentration of the effluent, to maintain an effluent below 10 mg/L, based on the 2-hourly average. A 3800 m3 mixed liquor tank was added and the dosing was set to the minimum when the effluent TN values are above 8 mg/L, a linear increase if the TN effluent values are between 5 and 8 mg/L, and to the maximum when the TN effluent values are below 5 mg/L.
  • Bypass of the primary clarifiers (PC) and use as centrate storage: With the bypass of two PC (ca. 6400 m3), equivalent to 50%, the storage volume is significantly increased, allowing for an increased dosing flexibility. The bypass of three PC increases the storage volume in further ca. 3200 m3.
  • Increasing denitrification volume: The example WWTP has an insufficient denitrification volume of only 17% VD/VAT, leading to a limited denitrification capacity. Therefore, the increment of the denitrification volume (VD) was tested by:
    By reducing aerated volume, the denitrification volume proportion is augmented to 30%.
    By replacing the anaerobic tank, a change in recirculation position of the nitrate rich recirculation stream can transform the anaerobic tank to an anoxic tank, accounting for a total VD/VAT of 33%.
  • Use of ammonium measurements to control the oxygen supply: implementation of an ammonium-based aeration controller in the nitrification tanks, based on a maximum effluent value.
  • Implementation of an anammox-like process: a block to imitate a simplified anammox process was incorporated considering the removal of a constant 70% of the ammonium contained in the centrate water.
The tested strategies in ten different scenarios (AD-0 to AD-9) are described in Table 2.

3. Results and Discussion

3.1. Energy and Sludge Production

The air requirements in the scenario with anaerobic sludge stabilisation (AD-0) are 10.7% lower than in the original scenario with AeSS (Base) (see Figure 3). This is due to the reduction of biomass in the system.
At the same time, 133% more excess sludge is pumped. This is an effect of the dramatic change in sludge age from 38 days on average (SD = 31.7) in the Base scenario to nine days on average (SD = 0.8) in AD-0. From a theoretical perspective, this change in sludge age would allow to decrease the volume of the activated sludge basins, or to increase the influent load, but the effect in norm-compliance must be also considered. This is thoroughly discussed in Section 3.2 and Section 3.3. The energy required for stirring remains unchanged as the VAT is not modified, as does the primary sludge production. The centrifuge, which is used for dewatering of the sludge, has to dewater 21% less sludge.
Assuming that the excess sludge pumping is one third of the total energy for recirculation, it is equivalent to 1.03% of the total, based on the energy analysis carried out in Vergara-Araya et al. [16]. The electrical energy for sludge treatment is reduced proportionally to the sludge amount. As sludge treatment represents 10.7% of the total electricity consumption in the base scenario, this value is reduced by 21% in the scenario AD-0. The electricity consumption of the digestor includes cutting of the material, pumping into the reactor, and mixing the reactor at least 10 times a day [1]. It is assumed that this energy demand is on average 2 kWh/m³ raw sludge [20]. The heat requirements for the digestor were estimated for the winter months, when the air temperature is 4 °C. The comparison between the baseline scenario (Base) and the scenario with anaerobic digestion (AD-0) is summarized in Table 3.
By using the energy analysis and the results obtained in the model, it is estimated that almost the same amount of electric energy is required in the scenario with AnSS (AD-0) and in the baseline scenario with AeSS (Base). The electricity production from biogas in AD-0 is equivalent to 5.1 GWh in a year. This represents a total reduction in externally supplied electricity consumption of 37% in relation to the Base scenario, as seen in Figure 4, and a change from 31.5 kWh/(PE·a) in Base to 19.9 kWh/(PE·a) in AD-0.
In this scenario, it was assumed that the energy consumption in the rest of the WWTP will not change. However, this should be further studied in detail, as the sludge quality in response to thickening and dewatering will change, possibly improving the process of sludge dewatering [9] such that less energy is needed to dewater the same quantity of sludge. The required electricity to pump the sludge and mix the anaerobic digestion stage is considered, but it is highly dependent on the location on site, the equipment used, and tank specifications.
The sludge to dispose in the scenario AD-0 is reduced on average 21%, from ca. 108 to 85 m3 per day (19.4 to 15.3 Mg TS/d). At an average cost of ca. 280 CNY per ton of disposed sludge, considering transport and incineration costs, the total savings are estimated as ca. 2.35∙106 CYN/a (equivalent to ca. 370,000 USD/a).
The research presented here does not explore options to optimise anaerobic digestion, but this could be explored in further research. There are different forms to expand the potential of the current model, e.g., using artificial intelligence techniques [21] to maximize the desired output, to in turn increase the biogas production without compromising the effluent quality.
Additionally, the reduction in energy consumption, together with the reduction in sludge amount, and the disposal of a fully stabilised sludge possibly contributes to reduce the GHG emissions of the WWTP, but this must be further studied.

3.2. Norm Compliance

With the incorporation of AnSS, the number of norm non-compliances increases as an effect of the strong backload containing an increased nutrient content present in the sludge liquor from the post-digestion thickening and dewatering stages.
This means that without any change in the WWTP-operation, besides the sludge age adjustment and the inclusion of the anaerobic digestion stage, the number of norm non-compliances in a year would increase significantly, from 29 to 65 for TN and from 2 to 12 for NH4-N (77 in total), as can be seen in Figure 5 (comparing scenarios Base and AD-0).
The control of the SRT in the activated sludge stage is an important strategy to improve the plant performance. The SRT must be high enough to allow nitrification [22] but low enough to reduce the air requirements and contribute to increasing the biogas production. However, a reduction of the SRT could contribute to an increase in the process instability, and this can be contradictory with the treatment goals, e.g., ammonium removal [23]. Due to the relative complexity of SRT-based control application, some operators do not use this parameter to control the activated sludge system, but the authors highly recommend this approach.

3.3. Optimisation Strategies for Nitrogen Removal

To observe the effect of different operational strategies in the model with AnSS, the scenarios described in Table 2 were tested.
As observed in Figure 5, there is a significant increase in the number of norm non-compliances in a year when shifting from a system with AeSS to one with AnSS. The recirculation of the ammonium-rich centrate water to the biological treatment causes an important gain in the backload concentrations, which is responsible for the observed rise in non-compliances.
However, a clear decrease is observed when implementing some of the strategies described previously. For example, the implementation of a centrate tank and an adequate dosing strategy (AD-1) decreases the norm non-compliances by ca. 18% with respect to AD-0. Augmenting this volume due to the by-pass of 50% of the primary clarifier volume (AD-2) leads to a reduction of ca 42%. Both scenarios show more norm non-compliances than the Baseline scenario with AeSS.
The modifications in the denitrification volume proportion also are very effective, reducing the total number of norm non-compliances, i.e., for TN and NH4-N, even further to only 30 per year, reaching the level of the Base scenario (with AeSS). The proportion of norm non-compliances changes as well, going from a majority for TN (Base) to a majority in NH4-N (AD-3). Due to the intense backload, the nitrification is also challenged, and more biomass or a lager basin volume is required.
AD-4 and AD-5 reduce even further the number of norm non-compliances, to 26 and 23, respectively, in a year. The ammonium-based aeration control shows, as in previous studies, that it is a powerful control strategy to reduce the nitrogen emissions and save aerations costs, with almost 20% less air requirements (see Figure 3). Ammonium-based control strategies in activated sludge systems have become popular in the last years, as they reduce the operating costs and effluent ammonia peaks [24]. Medinilla et al. [25] present air reductions of around 9% with the application of ammonium-based control, which is similar to the results here obtained when comparing AD-0 to AD-4 (−7.9%), i.e., without considering the effect of the switch from aerobic and anaerobic sludge stabilization.
Comparable results in terms of norm non-compliances are obtained in AD-6, but the TN emissions are significantly reduced, by 17% in comparison with AD-0. This is because the omission of anoxic tanks improves the denitrification capacity without reducing the nitrification volume or capacity.
Similar values for norm non-compliances are obtained in the scenario AD-7, which simulates an anammox process for the treatment of centrate water. However, here, the proportion between TN and NH4-N shifts again, increasing for TN and decreasing for ammonium nitrogen. As the anammox process involves deammonification, more ammonium is transformed to other nitrogen forms (nitrite and nitrogen gas), improving ammonium removal in the overall process. The desired effect in the overall nitrogen removal is clear for the removal of ammonium, but it does not improve the removal of NO3-N. This result should not be overly interpreted as a shortcoming of the anammox technology for the treatment of secondary flows in WWTP. The modelled block for the anammox-like process, as mentioned above, is a simplified approach that removes a constant 70% of the ammonium contained in the centrate, so it does not necessarily represent the anammox technology reliably.
As electricity consumption for anammox is very low [26,27], additional energy consumption was neglected in this study. However, it has to be considered that the anammox process can increase NxO emissions of the WWTP, resulting again in a worsening of the carbon footprint [28].
The bypass of three PC and its use as centrate storage, as tested in scenarios AD-8 and AD-9, together with an ammonium-based aeration control, are the strategies that provide the best results in terms of norm non-compliances per year, with 4 and 8, respectively. This is a reduction of 87% and 74% with respect the Base scenario. The application of an ammonium-based control with a maximum effluent value of 0.7 mg NH4-N/L in AD-8 is best to reduce the overall norm non-compliances, adding to the decrease in ammonium and TN emissions.
These last scenarios, however, lead to a small reduction or even to a small increase in air requirements. This indicates that the same amount of air required for the scenario with AeSS is enough to manage the ammonium in the influent and from the backload when the adequate operational and ICA strategies are applied.
There are many other strategies to optimise the aeration control that could be tested, e.g., dynamic adjustment of valves, increasing the aeration flexibility (i.e., adjust it to the spatial and temporal load variations), and different control algorithms, among others [29], and this would require a more detailed model of the aeration system. Therefore, the maximum or highest possible optimisation potential has not yet been reached in these tests. This article presents the potential of ICA strategies without largely modifying the process.
The biogas production in the different scenarios fluctuates between 11.2 and 11.9 L/(PECOD d), changing less than 6% between scenarios. This indicates that the optimisation of nitrogen removal does not negatively or positively influence the production of biogas.
This example shows that the shift from aerobic to anaerobic sludge stabilisation is theoretically possible and even beneficial from different perspectives, such as electricity consumption, disposal costs, etc. The shift from aerobic to anaerobic sludge stabilization has been tested successfully before in Germany [30], but this study shows its potential in China under different boundary conditions.

4. Conclusions

The performed tests show that the shift from aerobic to anaerobic sludge stabilisation is possible even for wastewater with a poor organic constitution, as is the case in China. By using appropriate automation and control measures, the effect of the backload generated by anaerobic sludge treatment can be counteracted sufficiently. This contributes to an improved compliance with the discharge standard for nitrogen components and reduces the pollutant emissions. The potential increase in NxO emissions in the anammox process must be closely considered. Whether the positive effects of AD exceed the negative ones of the anammox process must be further investigated for this case.
The compliance with the norm and the reduction of environmental emissions to water bodies represents the priority function of a WWTP. Therefore, even when several scenarios could provide savings in terms of air requirements, the scenarios with best results do not. However, this indicates that the same amount of air used in the base scenario (with AeSS) serves to oxidize the NH4-N in the influent plus the NH4-N coming from the backload, and to increase the norm compliance, when applied with the adequate ICA strategy.
The introduction of an anaerobic sludge treatment stage can contribute not only to saving energy with the production of biogas, but also to saving sludge treatment and disposal costs. This makes the introduction of an anaerobic sludge treatment technically and economically viable and it is potentially a more environmentally sustainable operational strategy as well.
In the case presented here, in the scenario including AD, the WWTP consumes ca. 37% less electrical energy, directly translating into a strong decline in the WWTPs expenses. In China, WWTPs are often led by private companies for whom cost reduction is essential. Besides the cost factor, the reduction in energy consumption also addresses the WWTPs’ carbon footprint. As WWTPs represent a large contributor to greenhouse gas emissions, saving energy, and therefore CO2 emissions, can play a great role in reducing the environmental footprint of the WWTP.
The set of strategies discussed here shows the range of possibilities a WWTP has to become more energy and cost efficient. New requirements for WWTPs demand flexible and creative solutions so that the rigid infrastructures can be transformed into long-term sustainable facilities. In this sense, this concept study also shows how dynamic modelling can be an extremely useful tool in testing all those different solutions that bring a WWTP on the right track.

Author Contributions

Conceptualization, M.V.-A.; methodology, M.V.-A. and V.H.; software, M.V.-A.; validation, M.V.-A. and V.H.; formal analysis, M.V.-A.; investigation, M.V.-A. and V.H.; resources, M.V.-A. and V.H.; data curation, M.V.-A. and V.H.; writing—original draft preparation, M.V.-A. and V.H.; writing—review and editing, M.V.-A., V.H., H.S. and J.W.; visualization, M.V.-A.; supervision, H.S. and J.W.; project administration, H.S. and V.H.; funding acquisition, H.S. and J.W. All authors have read and agreed to the published version of the manuscript.

Funding

This research was funded by the Germany Federal Ministry of Education (BMBF), Grant number 02WCL1469A-J in the framework of the program CLIENT II—International partnerships for sustainable innovations.

Data Availability Statement

The data presented in this study are available on request from the corresponding author. The data are not publicly available due to the request of the example WWTP to remain anonymous.

Acknowledgments

The authors thank the partners of the project PIRAT-Systems for the cooperation. The project PIRAT-Systems (Energetic process optimization and implementation of resource-efficient wastewater technologies on municipal wastewater treatment plants), is a Sino-German cooperation project.

Conflicts of Interest

The authors declare no conflict of interest.

References

  1. DWA. Biologische Stabilisierung von Klärschlamm: Merkblatt DWA-M 368; DWA Deutsche Vereinigung für Wasserwirtschaft, Abwasser und Abfall e.V.: Hennef, Germany, 2014; ISBN 978-3-944328-60-7. [Google Scholar]
  2. Tchobanoglous, G. Wastewater Engineering: Treatment and Resource Recovery, 5th ed.; McGraw-Hill: New York, NY, USA, 2014; ISBN 1259250938. [Google Scholar]
  3. Gretzschel, O.; Angerbauer, F.; Jung, T. Umstellung von Kläranlagen auf Schlammfaulung: Energetisches und Ökonomisches Optimierungspotenzial; Ökoeffizienz in der Wasserwirtschaft: Mainz, Germany, 2014; Available online: https://mueef.rlp.de/fileadmin/mulewf/Publikationen/Umstellung_von_Klaeranlagen_auf_Schlammfaulung.pdf (accessed on 29 May 2021).
  4. Yang, G.; Zhang, G.; Wang, H. Current state of sludge production, management, treatment and disposal in China. Water Res. 2015, 78, 60–73. [Google Scholar] [CrossRef] [PubMed]
  5. Wei, L.; Zhu, F.; Li, Q.; Xue, C.; Xia, X.; Yu, H.; Zhao, Q.; Jiang, J.; Bai, S. Development, current state and future trends of sludge management in China: Based on exploratory data and CO2-equivaient emissions analysis. Environ. Int. 2020, 144, 106093. [Google Scholar] [CrossRef] [PubMed]
  6. Zhang, Q.H.; Yang, W.N.; Ngo, H.H.; Guo, W.S.; Jin, P.K.; Dzakpasu, M.; Yang, S.J.; Wang, Q.; Wang, X.C.; Ao, D. Current status of urban wastewater treatment plants in China. Environ. Int. 2016, 92–93, 11–22. [Google Scholar] [CrossRef] [PubMed]
  7. Silvestre, G.; Fernández, B.; Bonmatí, A. Significance of anaerobic digestion as a source of clean energy in wastewater treatment plants. Energy Convers. Manag. 2015, 101, 255–262. [Google Scholar] [CrossRef]
  8. Siegrist, H.; Salzgeber, D.; Eugster, J.; Joss, A. Anammox brings WWTP closer to energy autarky due to increased biogas production and reduced aeration energy for N-removal. Water Sci. Technol. 2008, 57, 383–388. [Google Scholar] [CrossRef] [PubMed]
  9. Bachmann, N. Sustainable Biogas Production in Municipal Wastewater Treatment Plants; IEA Bioenergy: Paris, France, 2015. [Google Scholar]
  10. Smith, K.; Liu, S.; Liu, Y.; Guo, S. Can China reduce energy for water? A review of energy for urban water supply and wastewater treatment and suggestions for change. Renew. Sustain. Energy Rev. 2018, 91, 41–58. [Google Scholar] [CrossRef]
  11. DWA. Bemessung von Einstufigen Belebungsanlagen; June 2016; Deutsche Vereinigung für Wasserwirtschaft Abwasser und Abfall: Hennef, Germany, 2016; ISBN 978-3-88721-332-9. [Google Scholar]
  12. Janus, H.M. Don’t reject the idea of treating reject water. In Chemical Water and Wastewater Treatment: Proceedings of the Gothenburg Symposium; Springer: Berlin/Heidelberg, Germany, 1996; ISBN 3-540-61624-1. [Google Scholar]
  13. Wiese, J. Transparente Prozessüberwachung von Biogasanlagen und Kläranlagen durch Einsatz moderner Mess- und Automationstechnik: Habilitationsschrift; Helmut-Schmidt-Universität/Universität der Bundeswehr Hamburg: Hamburg, Germany, 2014. [Google Scholar]
  14. Ronan, E.; Aqeel, H.; Wolfaardt, G.M.; Liss, S.N. Recent advancements in the biological treatment of high strength ammonia wastewater. World J. Microbiol. Biotechnol. 2021, 37, 158. [Google Scholar] [CrossRef] [PubMed]
  15. Lackner, S.; Gilbert, E.M.; Vlaeminck, S.E.; Joss, A.; Horn, H.; van Loosdrecht, M.C.M. Full-scale partial nitritation/anammox experiences—An application survey. Water Res. 2014, 55, 292–303. [Google Scholar] [CrossRef] [PubMed]
  16. Vergara-Araya, M.; Hilgenfeldt, V.; Peng, D.; Steinmetz, H.; Wiese, J. Modelling to Lower Energy Consumption in a Large WWTP in China While Optimising Nitrogen Removal. Energies 2021, 14, 5826. [Google Scholar] [CrossRef]
  17. Henze, M. Activated Sludge Models ASM1, ASM2, ASM2d and ASM3; IWA Pub: London, UK, 2000; ISBN 9781780402369. [Google Scholar]
  18. Dohmann, M. Bemessung der Belebungsbecken nach dem Ansatz der Hochschulgruppe (HSG-Ansatz). KA Korresp. Abwasser 1993, 8, 1240. [Google Scholar]
  19. Siegrist, H.; Vogt, D.; Garcia-Heras, J.L.; Gujer, W. Mathematical model for meso- and thermophilic anaerobic sewage sludge digestion. Environ. Sci. Technol. 2002, 36, 1113–1123. [Google Scholar] [CrossRef] [PubMed]
  20. Pinnekamp, J.; Schröder, M.; Bolle, F.-W.; Gramlich, E.; Gredigk-Hoffmann, S.; Koenen, S.; Loderhose, M.; Miethig, S.; Ooms, K. Energie in Abwasseranlagen Handbuch NRW; Ministerium für Umwelt, Landwirtschaft, Natur- und Verbraucherschutz des Landes Nordrhein-Westfalen: Düsseldorf, Germany, 2017. [Google Scholar]
  21. Ramachandran, A.; Rustum, R.; Adeloye, A.J. Review of Anaerobic Digestion Modeling and Optimization Using Nature-Inspired Techniques. Processes 2019, 7, 953. [Google Scholar] [CrossRef]
  22. Leu, S.-Y.; Chan, L.; Stenstrom, M.K. Toward long solids retention time of activated sludge processes: Benefits in energy saving, effluent quality, and stability. Water Environ. Res. 2012, 84, 42–53. [Google Scholar] [CrossRef] [PubMed]
  23. Schraa, O.; Rieger, L.; Alex, J.; Miletić, I. Ammonia-based aeration control with optimal SRT control: Improved performance and lower energy consumption. Water Sci. Technol. 2019, 79, 63–72. [Google Scholar] [CrossRef] [PubMed]
  24. IEEE (Ed.) 2020 13th International UNIMAS Engineering Conference (EnCon): Faculty of Engineering, Universiti Malaysia Sarawak, Kota Samarahan, Sarawak, Malaysia, 27–28 October 2020; IEEE: Piscataway, NJ, USA, 2020. [Google Scholar]
  25. Medinilla, V.R.; Sprague, T.; Marseilles, J.; Burke, J.; Deshmukh, S.; Delagah, S.; Sharbatmaleki, M. Impact of Ammonia-Based Aeration Control (ABAC) on Energy Consumption. Appl. Sci. 2020, 10, 5227. [Google Scholar] [CrossRef]
  26. Hauck, M.; Maalcke-Luesken, F.A.; Jetten, M.S.; Huijbregts, M.A. Removing nitrogen from wastewater with side stream anammox: What are the trade-offs between environmental impacts? Resour. Conserv. Recycl. 2016, 107, 212–219. [Google Scholar] [CrossRef]
  27. Bauer, H.; Johnson, T.D.; Johnson, B.R.; Oerke, D.; Graziano, S. Comparison of sidestream treatment technologies: Post aerobic digestion and Anammox. Water Sci. Technol. 2016, 73, 2789–2803. [Google Scholar] [CrossRef] [PubMed][Green Version]
  28. Fenu, A.; Smolders, S.; de Gussem, K.; Weemaes, M. Conflicting carbon footprint and energy saving in a side-stream Anammox Process. Biochem. Eng. J. 2019, 151, 107336. [Google Scholar] [CrossRef]
  29. Åmand, L.; Olsson, G.; Carlsson, B. Aeration control—A review. Water Sci. Technol. 2013, 67, 2374–2398. [Google Scholar] [CrossRef] [PubMed]
  30. Gretzschel, O.; Schmitt, T.G.; Hansen, J.; Siekmann, K.; Jakob, J. Sludge digestion instead of aerobic stabilization—A cost benefit analysis based on experiences in Germany. Water Sci. Technol. 2014, 69, 430–437. [Google Scholar] [CrossRef] [PubMed]
Figure 1. Plant scheme (a) Original WWTP Scheme; (b) Modified scheme of the WWTP with an AnSS stage and CHP highlighted in grey.
Figure 1. Plant scheme (a) Original WWTP Scheme; (b) Modified scheme of the WWTP with an AnSS stage and CHP highlighted in grey.
Energies 15 02710 g001
Figure 2. Model of the example WWTP with anaerobic sludge stabilization in SIMBA.
Figure 2. Model of the example WWTP with anaerobic sludge stabilization in SIMBA.
Energies 15 02710 g002
Figure 3. Comparison of the air requirement per year for the tested strategies.
Figure 3. Comparison of the air requirement per year for the tested strategies.
Energies 15 02710 g003
Figure 4. Total energy (electricity and heat) consumption and production in a year in the AD-0 scenario. The negative values represent electricity consumption, the positive values represent electrical and thermal energy production.
Figure 4. Total energy (electricity and heat) consumption and production in a year in the AD-0 scenario. The negative values represent electricity consumption, the positive values represent electrical and thermal energy production.
Energies 15 02710 g004
Figure 5. Number of norm non-compliances in a year for the tested strategies.
Figure 5. Number of norm non-compliances in a year for the tested strategies.
Energies 15 02710 g005
Table 1. Wastewater discharge requirements of the national norm Grade I A and the City Standard norm.
Table 1. Wastewater discharge requirements of the national norm Grade I A and the City Standard norm.
ParameterConcentration, mg/L
CODBODNH4-NTNTP
Grade 1-A50105 (8)150.5
City Standard30101.5 (3)100.3
Table 2. Summary of the tested strategies.
Table 2. Summary of the tested strategies.
Strategy DescriptionScenario
BaseAD-0AD-1AD-2AD-3AD-4AD-5AD-6AD-7AD-8AD-9
Anaerobic digestion and sludge age adjustment xxxxxxxxxx
Centrate tank with dosing based on the TN effluent concentration xxxxxxxxx
Bypass of 50% of the PC and use as centrate storage tank xxxxxx
Bypass of 75% of the PC and use as centrate storage tank xx
Reduction of aerated volume to increase anoxic volume to VD/VAT = 0.25 x
Anaerobic volume as anoxic tank, VD/VAT = 0.33 xx
Aeration control based on the NH4-N effluent values 1 xx x
Intermittent aeration (VN) based on the NH4-N effluent values x
Aeration control based on the NH4-N effluent values 2 x
Anammox-like process x
1 Equation: NH4-N = 2 DO + 0.5; Max. DO = 2.5 mg/L; 2 Max. NH4-N =0.7 mg/L
Table 3. Changes in electrical energy consumption per year between scenarios Base and AD-0.
Table 3. Changes in electrical energy consumption per year between scenarios Base and AD-0.
Electrical Energy DemandBaseAD-0Change in AD-0
Respect to Base
GWh/aGWh/a
Aeration4.243.78−10.73%
Excess sludge pumping0.150.19+133%
Sludge dewatering1.521.19−21%
Digestor 1-0.62+4.37%
Total demand14.1714.07−0.77%
Total production-5.1-
Total balance14.178.97−36.77%
1 Cutting, pumping, mixing.
Publisher’s Note: MDPI stays neutral with regard to jurisdictional claims in published maps and institutional affiliations.

Share and Cite

MDPI and ACS Style

Vergara-Araya, M.; Hilgenfeldt, V.; Steinmetz, H.; Wiese, J. Combining Shift to Biogas Production in a Large WWTP in China with Optimisation of Nitrogen Removal. Energies 2022, 15, 2710. https://doi.org/10.3390/en15082710

AMA Style

Vergara-Araya M, Hilgenfeldt V, Steinmetz H, Wiese J. Combining Shift to Biogas Production in a Large WWTP in China with Optimisation of Nitrogen Removal. Energies. 2022; 15(8):2710. https://doi.org/10.3390/en15082710

Chicago/Turabian Style

Vergara-Araya, Mónica, Verena Hilgenfeldt, Heidrun Steinmetz, and Jürgen Wiese. 2022. "Combining Shift to Biogas Production in a Large WWTP in China with Optimisation of Nitrogen Removal" Energies 15, no. 8: 2710. https://doi.org/10.3390/en15082710

APA Style

Vergara-Araya, M., Hilgenfeldt, V., Steinmetz, H., & Wiese, J. (2022). Combining Shift to Biogas Production in a Large WWTP in China with Optimisation of Nitrogen Removal. Energies, 15(8), 2710. https://doi.org/10.3390/en15082710

Note that from the first issue of 2016, this journal uses article numbers instead of page numbers. See further details here.

Article Metrics

Back to TopTop