Research on Constant Voltage/Current Output of LCC–S Envelope Modulation Wireless Power Transfer System
Abstract
:1. Introduction
2. Circuit Operation of EM–WPT System
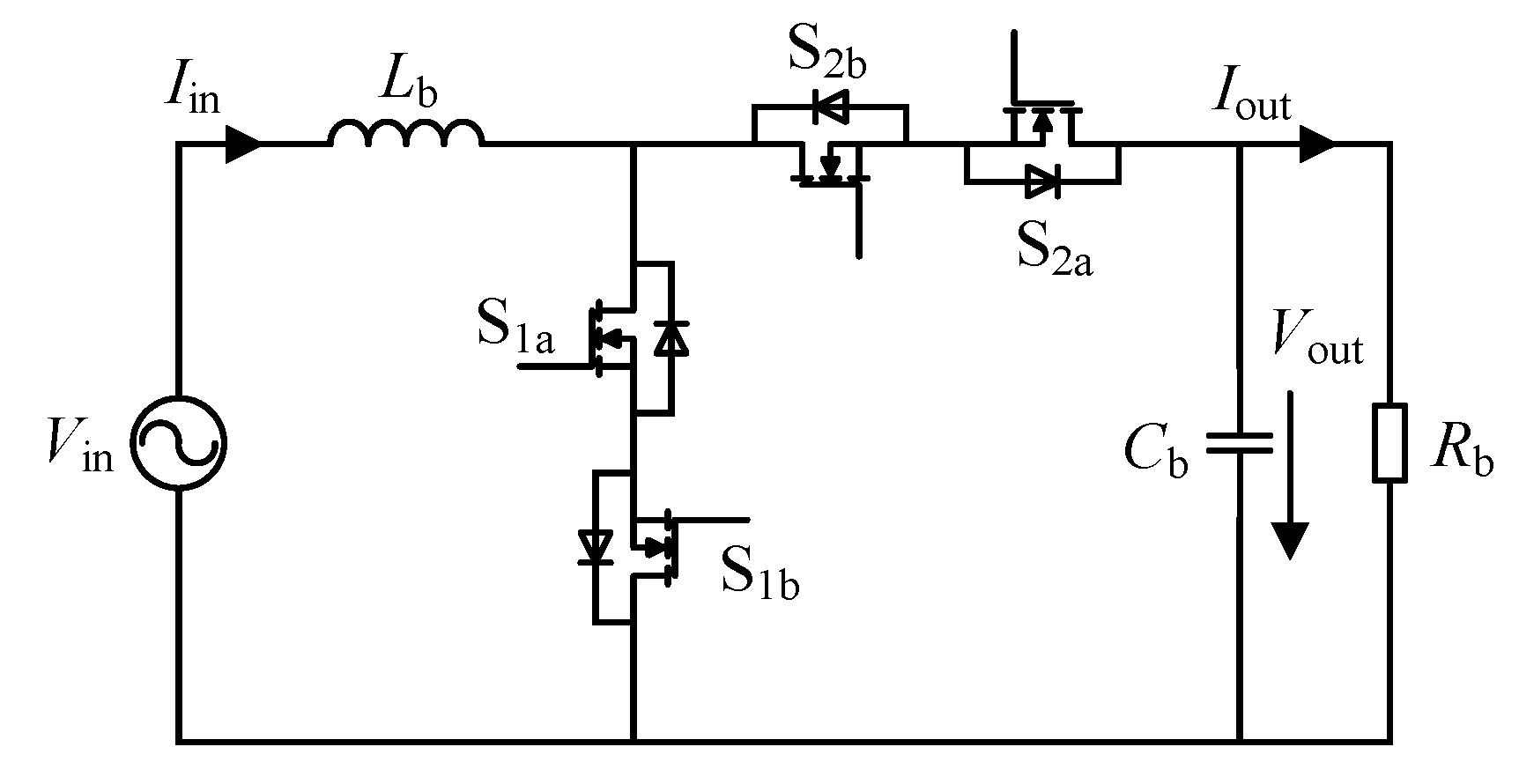
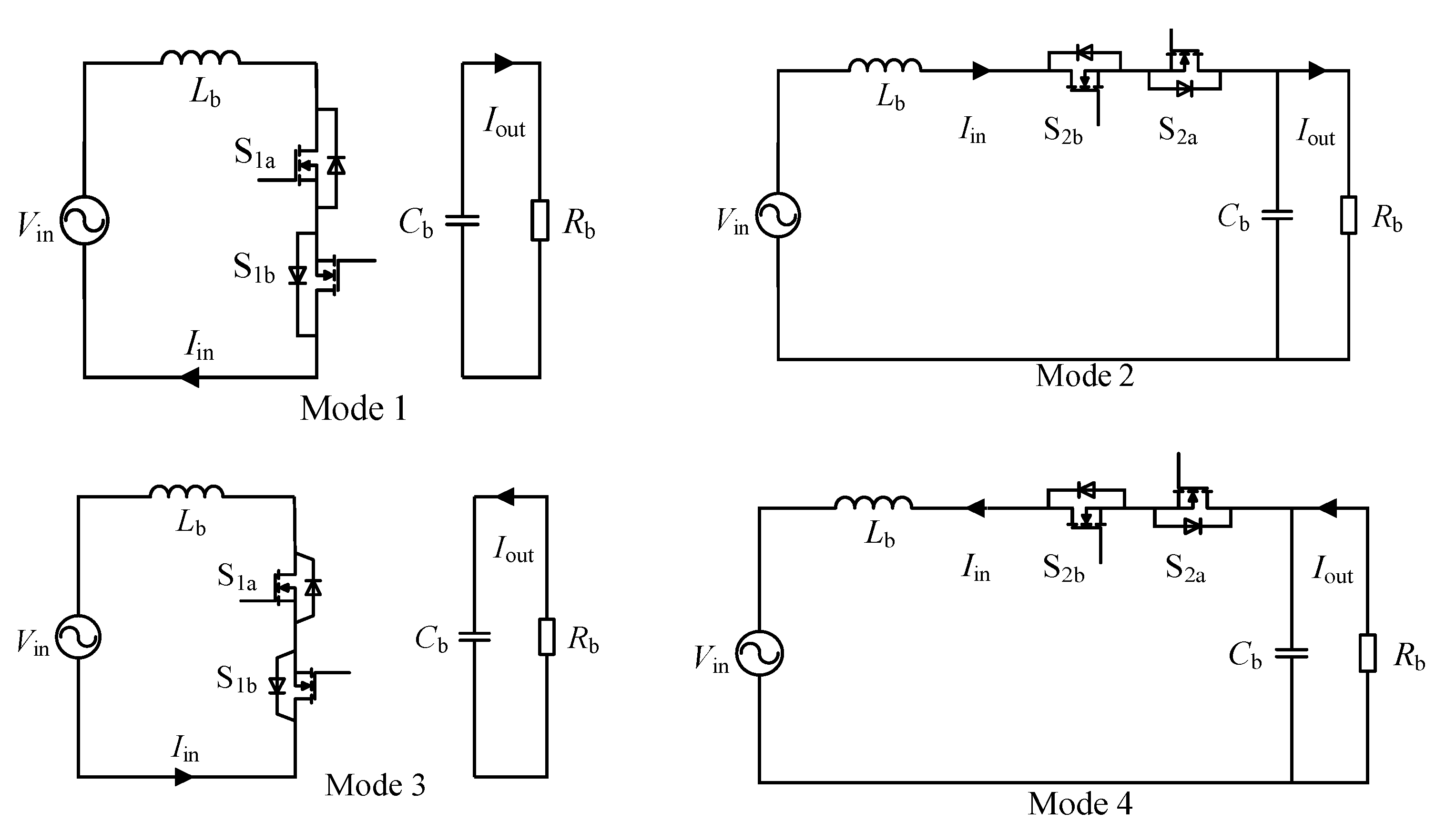
2.1. Primary AC–DC–AC Converter Operation
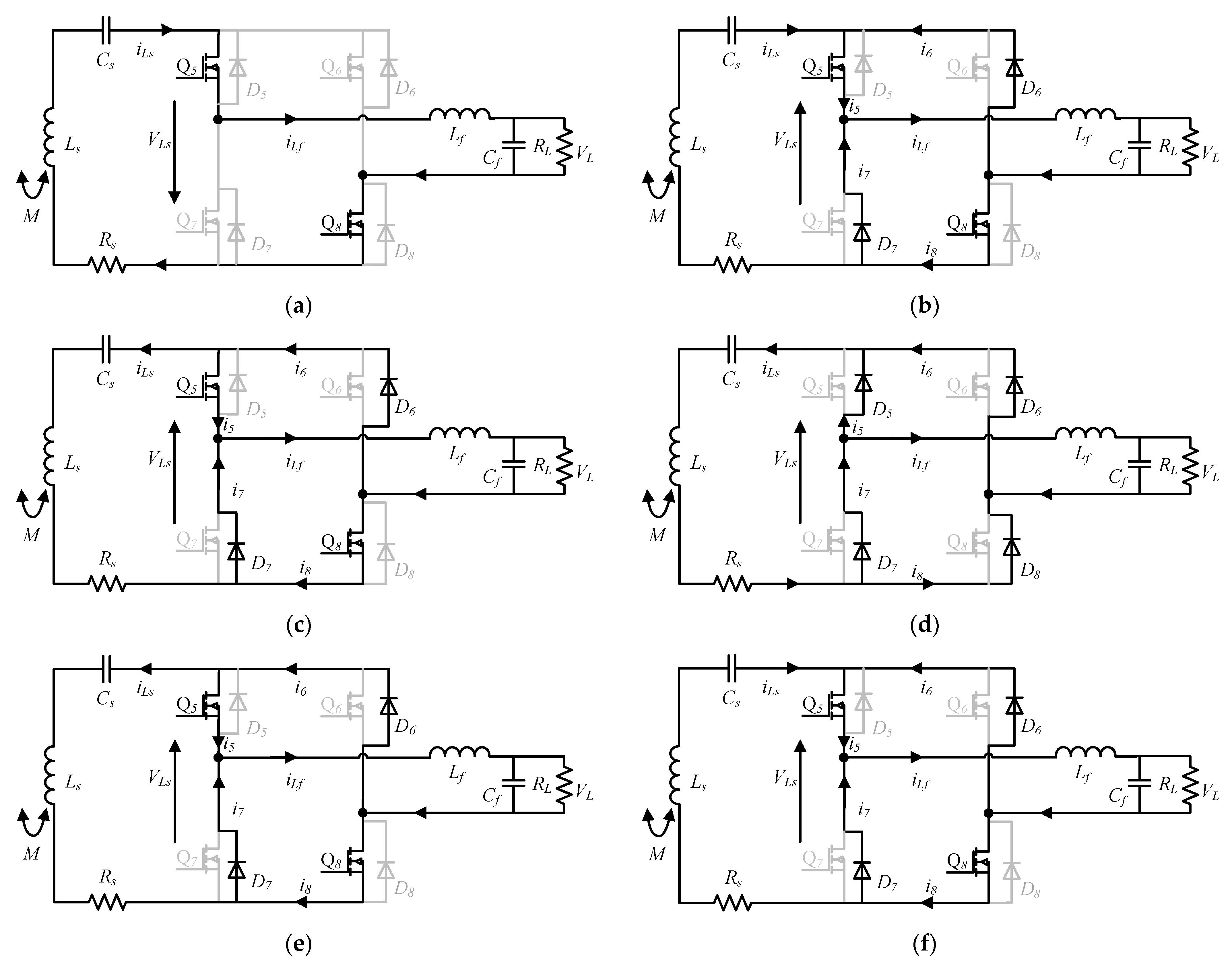
2.2. Secondary AC–AC Converter Operation
3. Topological Characteristics Analysis and Control Strategy of CC and CV Output
3.1. LCC–S Topological Characteristics Analysis
3.2. Control Strategy of CC and CV Output
4. Experiment Verification
4.1. Setup of Experiment
4.2. Analysis of Experimental Results
5. Conclusions
Author Contributions
Funding
Conflicts of Interest
References
- Harshitha, H.M.; Sureshkumar, S.; Stacey, S.A.; Zabiulla, S.I.; Kumar, R.R. Wireless Power Transfer to Charge Low Power Device. In Proceedings of the 2021 International Conference on Design Innovations for 3Cs Compute Communicate Control, Bangalore, India, 10–11 June 2021; pp. 61–64. [Google Scholar]
- Lee, H.; Jung, S.; Huh, Y.; Kim, S.J. Wireless Power Receiver with Wide Dynamic Range for Biomedical Implants. In Proceedings of the 2019 IEEE Wireless Power Transfer Conference, London, UK, 18–21 June 2019; pp. 241–244. [Google Scholar]
- Yan, Z.; Song, B.; Zhang, Y.; Zhang, K.; Mao, Z.; Hu, Y. A Rotation-Free Wireless Power Transfer System with Stable Output Power and Efficiency for Autonomous Underwater Vehicles. IEEE Trans. Power Electron. 2019, 34, 4005–4008. [Google Scholar] [CrossRef]
- Chen, L.J.; Boys, J.T.; Covic, G.A. Power Management for Multiple-Pickup IPT Systems in Materials Handling Applications. IEEE J. Emerg. Sel. Top. Power Electron. 2015, 3, 163–176. [Google Scholar] [CrossRef]
- Zhang, Y.; Chen, S.; Li, X.; Tang, Y. Design Methodology of Free-Positioning Nonoverlapping Wireless Charging for Consumer Electronics Based on Antiparallel Windings. IEEE Trans. Ind. Electron. 2022, 69, 825–834. [Google Scholar] [CrossRef]
- Pries, J.; Galigekere, V.P.N.; Onar, O.C.; Su, G. A 50-kW Three-Phase Wireless Power Transfer System Using Bipolar Windings and Series Resonant Networks for Rotating Magnetic Fields. IEEE Trans. Power Electron. 2020, 35, 4500–4517. [Google Scholar] [CrossRef]
- Wu, L.; Zhang, B.; Zhou, J. Efficiency Improvement of the Parity-Time-Symmetric Wireless Power Transfer System for Electric Vehicle Charging. IEEE Trans. Power Electron. 2020, 35, 12497–12508. [Google Scholar] [CrossRef]
- Machura, P.; Santis, V.D.; Li, Q. Driving Range of Electric Vehicles Charged by Wireless Power Transfer. IEEE Trans. Veh. Technol. 2020, 69, 5968–5982. [Google Scholar] [CrossRef]
- Chu, S.Y.; Cui, X.; Zan, X.; Avestruz, A.T. Transfer-Power Measurement Using a Non-Contact Method for Fair and Accurate Metering of Wireless Power Transfer in Electric Vehicles. IEEE Trans. Power Electron. 2022, 37, 1244–1271. [Google Scholar] [CrossRef]
- Samanta, S.; Rathore, A.K. A New Inductive Power Transfer Topology Using Direct AC–AC Converter with Active Source Current Waveshaping. IEEE Trans. Power Electron. 2018, 33, 5565–5577. [Google Scholar] [CrossRef]
- Huynh, P.S.; Vincent, D.; Azeez, N.A.; Patnaik, L.; Williamson, S.S. Performance Analysis of a Single-Stage High-Frequency AC-AC Buck Converter for a Series-Series Compensated Inductive Power Transfer System. In Proceedings of the 2018 IEEE Transportation Electrification Conference and Expo, Long Beach, CA, USA, 13–15 June 2018; pp. 347–352. [Google Scholar]
- Weerasinghe, S.; Madawala, U.K.; Thrimawithana, D.J. A Matrix Converter-Based Bidirectional Contactless Grid Interface. IEEE Trans. Power Electron. 2017, 32, 1755–1766. [Google Scholar] [CrossRef]
- Wang, Z.H.; Sun, Y.; Dai, X.; Tang, C.S. Design of converter of DC-AC type contactless power transfer system. J. Chongqing Univ. 2011, 34, 38–43. [Google Scholar]
- Wang, Z.H.; Sun, Y.; Su, Y.G.; Dai, X.; Tang, C.S. A new type AC/DC/AC converter for contactless power transfer system. Trans. China Electrotech. Soc. 2010, 25, 84–89. [Google Scholar]
- Safaee, A.; Yazdani, D.; Bakhshai, A.; Jain, P.K. Multiblock Soft-Switched Bidirectional AC–AC Converter Using a Single Loss-Less Active Snubber Block. IEEE Trans. Power Electron. 2012, 27, 2260–2272. [Google Scholar] [CrossRef]
- Wu, H.H.; Covic, G.A.; Boys, J.T.; Robertson, D.J. A Series-Tuned Inductive-Power-Transfer Pickup with a Controllable AC-Voltage Output. IEEE Trans. Power Electron. 2011, 26, 98–109. [Google Scholar] [CrossRef]
- Li, H.L.; Hu, A.P.; Covic, G.A. A Direct AC–AC Converter for Inductive Power-Transfer Systems. IEEE Trans. Power Electron. 2012, 27, 661–668. [Google Scholar] [CrossRef]
- Wu, H.H.; Covic, G.; Boys, J. A low energy storage IPT system using AC processing controllers. In Proceedings of the 2011 6th IEEE Conference on Industrial Electronics and Applications, Beijing, China, 21–23 June 2011; pp. 351–356. [Google Scholar]
- Natanzi, A.J.; Vaez-Zadeh, S.; Babaki, A.; Zakerian, A. A Single-Phase Wireless Power Transfer System with a High-Frequency AC Link Converter in the Secondary for Three-Phase Applications. In Proceedings of the 2021 12th Power Electronics, Drive Systems, and Technologies Conference, Tabriz, Iran, 2–4 February 2021; pp. 1–5. [Google Scholar]
- Babaki, A.; Vaez-Zadeh, S.; Zakerian, A.; Natanzi, A.J. Analysis and Control of Wireless Motor Drives with a Single Inverter in Primary Side. IEEE Trans. Energy Convers. 2021, 36, 930–939. [Google Scholar] [CrossRef]
- Babaki, A.; Vaez-Zadeh, S.; Jahanpour-Dehkordi, M.; Zakerian, A. Wireless Motor Drives with a Single Inverter in Primary Side of Power Transfer Systems. In Proceedings of the 2019 IEEE PELS Workshop on Emerging Technologies: Wireless Power Transfer, London, UK, 18–21 June 2019; pp. 125–128. [Google Scholar]
- Bac, N.X.; Vilathgamuwa, D.M.; Madawala, U.K. A SiC-Based Matrix Converter Topology for Inductive Power Transfer System. IEEE Trans. Power Electron. 2014, 29, 4029–4038. [Google Scholar]
- Ota, H.; Liu, J.; Miura, Y.; Yanagisawa, Y.; Wada, A.; Sakabe, S.; Bevrani, H.; Ise, T. Multiphase Direct AC Wireless Power Transfer System: Comparative Proposals Using Frequency and Amplitude Modulations. IEEE J. Emerg. Sel. Top. Ind. Electron. 2021, 2, 101–112. [Google Scholar] [CrossRef]
- Jiang, C.; Chau, K.T.; Wang, H.; Lee, C.H.T.; Ching, T.W. Wireless Secondary-Converterless Bipolar Drive for AC Application. In Proceedings of the IECON 2019—45th Annual Conference of the IEEE Industrial Electronics Society, Lisbon, Portugal, 14–17 October 2019; pp. 4475–4480. [Google Scholar]
- Yan, Z.; Zhang, Y.; Song, B.; Zhang, K.; Kan, T.; Mi, C. An LCC-P Compensated Wireless Power Transfer System with a Constant Current Output and Reduced Receiver Size. Energies 2019, 12, 172. [Google Scholar] [CrossRef] [Green Version]
- Mahesh, A.; Chokkalingam, B.; Mihet-Popa, L. Inductive Wireless Power Transfer Charging for Electric Vehicles—A Review. IEEE Access 2021, 9, 137667–137713. [Google Scholar] [CrossRef]
- ElGhanam, E.; Hassan, M.; Osman, A. Design of a High Power, LCC-Compensated, Dynamic, Wireless Electric Vehicle Charging System with Improved Misalignment Tolerance. Energies 2021, 14, 885. [Google Scholar] [CrossRef]
- Lu, S.; Deng, X.; Shu, W.; Wei, X.; Li, S. A New ZVS Tuning Method for Double-Sided LCC Compensated Wireless Power Transfer System. Energies 2018, 11, 307. [Google Scholar] [CrossRef] [Green Version]
- Zhang, X.; Lai, Z.; Xiong, R.; Li, Z.; Zhang, Z.; Song, L. Switching Device Dead Time Optimization of Resonant Double-Sided LCC Wireless Charging System for Electric Vehicles. Energies 2017, 10, 1772. [Google Scholar] [CrossRef] [Green Version]
- Ali, N.; Liu, Z.; Armghan, H.; Ahmad, I.; Hou, Y. LCC-S-Based Integral Terminal Sliding Mode Controller for a Hybrid Energy Storage System Using a Wireless Power System. Energies 2021, 14, 1693. [Google Scholar] [CrossRef]
- Ali, N.; Liu, Z.; Hou, Y.; Armghan, H.; Wei, X.; Armghan, A. LCC-S Based Discrete Fast Terminal Sliding Mode Controller for Efficient Charging through Wireless Power Transfer. Energies 2020, 13, 1370. [Google Scholar] [CrossRef] [Green Version]
- Zhang, L. Research on Key Issues of Envelope Modulation Wireless Power Transfer Systems. Ph.D. Thesis, Chongqing University, Chongqing, China, 2017. [Google Scholar]
- Kabir, M.A.; Abedin, A.H.; Mustafiz, R.B.; Islam, M.K.; Choudhury, M.A. A Single Phase AC-AC Boost Converter with Improved Input Power Factor and THD. In Proceedings of the International Aegean Conference on Electrical Machines and Power Electronics and Electromotion, Joint Conference, Istanbul, Turkey, 8–10 September 2011; pp. 764–767. [Google Scholar]
- SAE International. Wireless Power Transfer for Light-Duty Plug-in/Electric Vehicles and Alignment Methodology. SAE J2954; SAE International: Warrendale, PA, USA, 2019. [Google Scholar]

















| Parameters | Symbol | Value |
|---|---|---|
| Input AC supply magnitude (V) | Vin | 15 |
| Supply frequency (Hz) | fin | 50 |
| Boost energy storage inductance (μH) | Lb | 20 |
| Boost capacitance filter (μF) | Cb | 2 |
| Secondary inductance filter (μH) | Lf | 1000 |
| Secondary capacitance filter (μF) | Cf | 0.274 |
| Nominal resonant frequency (kHz) | f0 | 85 |
| Resonant inductance of primary side (μH) | Lp | 217.1 |
| Resonant capacitance of primary side (μF) | Cp | 0.019 |
| compensation inductor | Lp1 | 33.737 |
| compensation capacitor | Cp1 | 0.104 |
| Resonant inductance of secondary side (μH) | Ls | 217.69 |
| Resistance of secondary resonant inductor (Ω) | Cs | 0.016 |
| Mutual inductance (μH) | M | 101.21 |
| Resistance of primary resonant inductor (Ω) | Rp | 0.074 |
| Resistance of secondary resonant inductor (Ω) | Rs | 0.077 |
| Resistance of the load (Ω) | RL | 30 |
| AC output load voltage (V) | VL | 50 |
| AC output load current (A) | IL | 2 |
Publisher’s Note: MDPI stays neutral with regard to jurisdictional claims in published maps and institutional affiliations. |
© 2022 by the authors. Licensee MDPI, Basel, Switzerland. This article is an open access article distributed under the terms and conditions of the Creative Commons Attribution (CC BY) license (https://creativecommons.org/licenses/by/4.0/).
Share and Cite
Zhang, L.; Li, H.; Guo, Q.; Xie, S.; Yang, Y. Research on Constant Voltage/Current Output of LCC–S Envelope Modulation Wireless Power Transfer System. Energies 2022, 15, 1562. https://doi.org/10.3390/en15041562
Zhang L, Li H, Guo Q, Xie S, Yang Y. Research on Constant Voltage/Current Output of LCC–S Envelope Modulation Wireless Power Transfer System. Energies. 2022; 15(4):1562. https://doi.org/10.3390/en15041562
Chicago/Turabian StyleZhang, Lu, Huan Li, Qiang Guo, Shiyun Xie, and Yi Yang. 2022. "Research on Constant Voltage/Current Output of LCC–S Envelope Modulation Wireless Power Transfer System" Energies 15, no. 4: 1562. https://doi.org/10.3390/en15041562
APA StyleZhang, L., Li, H., Guo, Q., Xie, S., & Yang, Y. (2022). Research on Constant Voltage/Current Output of LCC–S Envelope Modulation Wireless Power Transfer System. Energies, 15(4), 1562. https://doi.org/10.3390/en15041562

