Design and Analysis of Dual-Rotor Modular-Stator Hybrid-Excited Axial-Flux Permanent Magnet Vernier Machine
Abstract
:1. Introduction
2. Machine Structure and Operating Principle
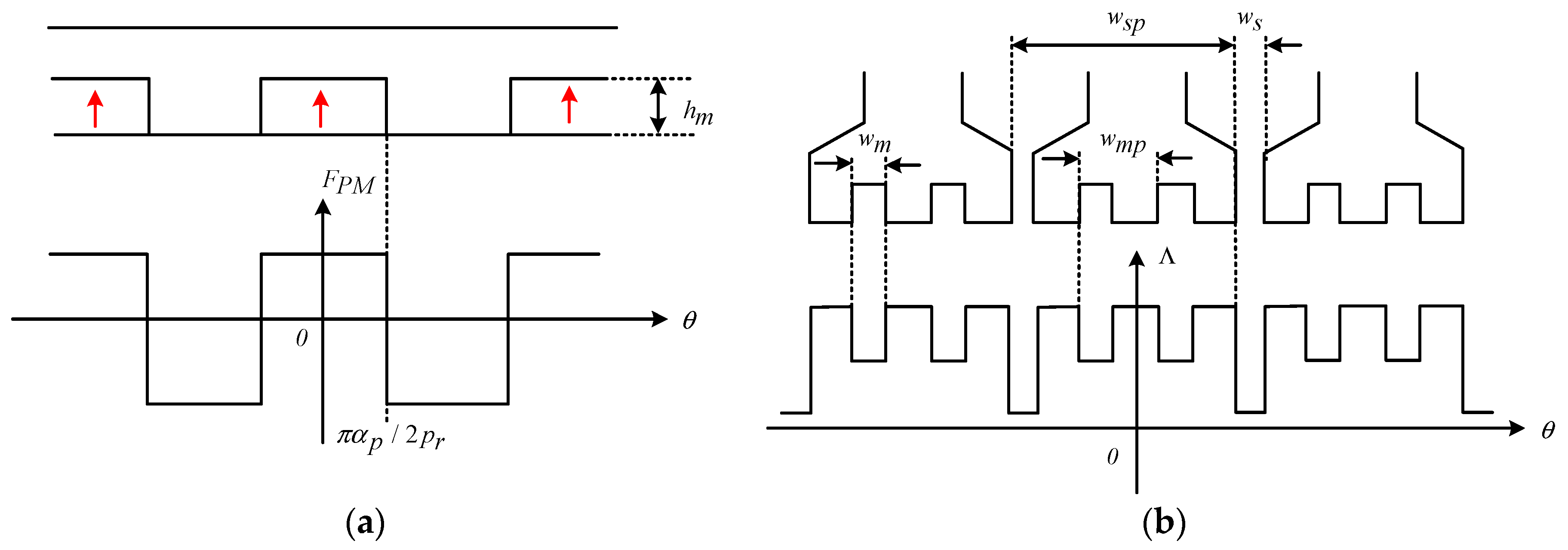
2.1. Structure of DR-HEAFPMVM
2.2. Operational Principle
3. Electromagnetic Analysis and Comparison
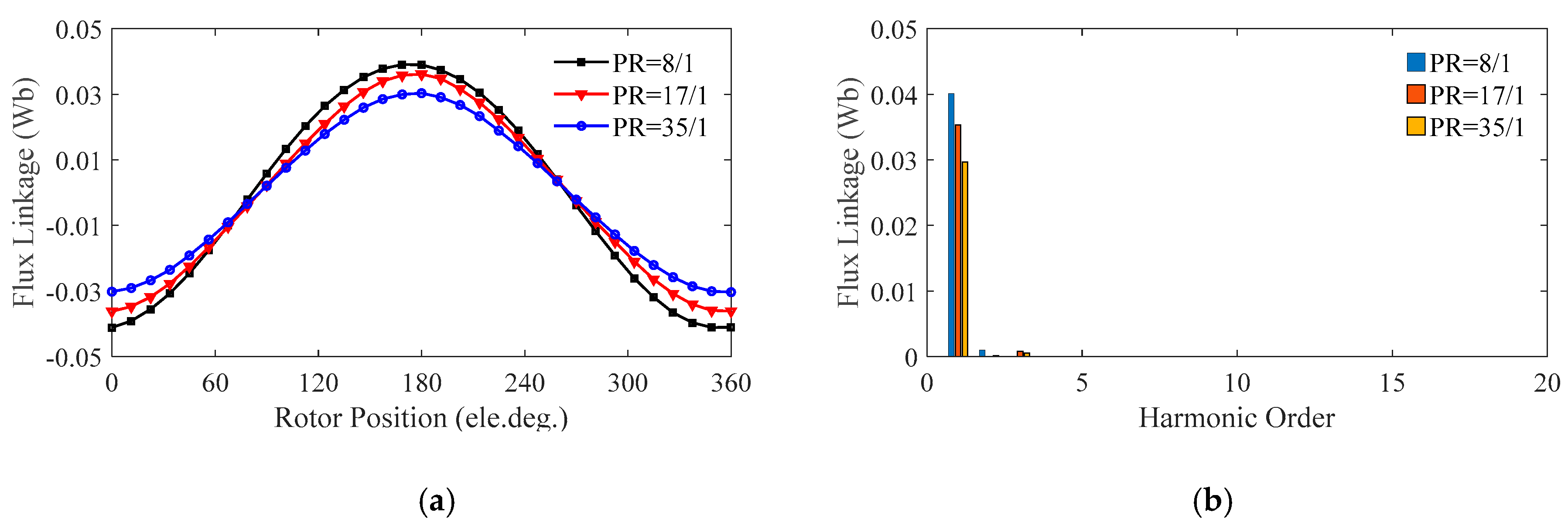
3.1. Open-Circuit Air-Gap Flux Density and Flux Linkage
3.2. Flux-Weakening Characteristic
3.3. Electromagnetic Torque
3.4. Losses and Efficiencies
4. Conclusions
Author Contributions
Funding
Institutional Review Board Statement
Informed Consent Statement
Data Availability Statement
Conflicts of Interest
References
- Toba, A.; Lipo, T.A. Generic torque-maximizing design methodology of surface permanent-magnet vernier machine. IEEE Trans. Ind. Appl. 2000, 36, 1539–1546. [Google Scholar]
- Liu, C. Emerging Electric Machines and Drives—An Overview. IEEE Trans. Energy Convers. 2018, 33, 2270–2280. [Google Scholar] [CrossRef]
- Zhu, Z.Q. Overview of novel magnetically geared machines with partitioned stators. IET Electr. Power Appl. 2018, 12, 595–604. [Google Scholar] [CrossRef]
- Wu, F.; El-Refaie, M.A. Permanent magnet vernier machine: A review. IET Electr. Power Appl. 2019, 13, 127–137. [Google Scholar] [CrossRef]
- Chen, Y.; Fu, W.N.; Ho, S.L.; Liu, H. A Quantitative Comparison Analysis of Radial-Flux, Transverse-Flux, and Axial-Flux Magnetic Gears. IEEE Trans. Magn. 2014, 50, 1–4. [Google Scholar] [CrossRef]
- Khatab, M.F.H.; Zhu, Z.Q.; Li, H.Y.; Liu, Y. Comparative Study of Novel Axial Flux Magnetically Geared and Conventional Axial Flux Permanent Magnet Machines. CES Trans. Electr. Mach. Syst. 2019, 2, 392–398. [Google Scholar] [CrossRef]
- Atallah, K.; Howe, D. A novel high-performance magnetic gear. IEEE Trans. Magn. 2001, 37, 2844–2846. [Google Scholar] [CrossRef] [Green Version]
- Qu, R.; Li, D.; Wang, J. Relationship between magnetic gears and vernier machines. In Proceedings of the 2011 International Conference on Electrical Machines and Systems (ICEMS), Beijing, China, 20–23 August 2011. [Google Scholar]
- Xu, L.; Zhao, W.; Li, R.; Niu, S. Analysis of Rotor Losses in Permanent Magnet Vernier Machines. IEEE Trans. Ind. Electron. 2022, 69, 1224–1234. [Google Scholar] [CrossRef]
- Song, Z.; Liu, C.; Zhao, H. Quantitative Comparison of Distinct Dual-Stator Permanent Magnet Vernier Machines for Direct-Drive Applications. IEEE Trans. Magn. 2019, 55, 1–6. [Google Scholar] [CrossRef]
- Li, D.; Qu, R.; Lipo, T.A. High-Power-Factor Vernier Permanent-Magnet Machines. IEEE Trans. Ind. Appl. 2014, 50, 3664–3674. [Google Scholar] [CrossRef]
- Niu, S.; Ho, S.L.; Fu, W.N. A Novel Stator and Rotor Dual PM Vernier Motor with Space Vector Pulse Width Modulation. IEEE Trans. Magn. 2014, 50, 805–808. [Google Scholar] [CrossRef]
- Liu, W.; Lipo, T.A. Analysis of Consequent Pole Spoke Type Vernier Permanent Magnet Machine with Alternating Flux Barrier Design. IEEE Trans. Ind. Appl. 2018, 54, 5918–5929. [Google Scholar] [CrossRef]
- Wei, F.R.; Zhu, Z.Q.; Qu, H. In analysis of novel dual-PM vernier machines. In Proceedings of the 2021 Sixteenth International Conference on Ecological Vehicles and Renewable Energies (EVER), Monte-Carlo, Monaco, 5–7 May 2021. [Google Scholar]
- Hlioui, S.; Amara, Y.; Hoang, E.; Lecrivain, M.; Gabsi, M. Overview of hybrid excitation synchronous machines technology. In Proceedings of the 2013 International Conference on Electrical Engineering and Software Applications, Hammamet, Tunisia, 21–23 March 2013. [Google Scholar]
- Oner, Y.; Zhu, Z.Q.; Chu, W. Comparative study of vernier and interior PM machines for automotive application. In Proceedings of the 2016 IEEE Vehicle Power and Propulsion Conference (VPPC), Hangzhou, China, 17–20 October 2016. [Google Scholar]
- Li, W.; Ching, T.W.; Chau, K.T. A Hybrid-Excited Vernier Permanent Magnet Machine Using Homopolar Topology. IEEE Trans. Magn. 2017, 53, 1–7. [Google Scholar] [CrossRef]
- Zhu, Z.Q.; Cai, S. Overview of hybrid excited machines for electric vehicles. In Proceedings of the 2019 Fourteenth International Conference on Ecological Vehicles and Renewable Energies (EVER), Monte-Carlo, Monaco, 8–10 May 2019. [Google Scholar]
- Okada, K.; Niguchi, N.; Hirata, K. Analysis of a Vernier Motor with Concentrated Windings. IEEE Trans. Magn. 2013, 49, 2241–2244. [Google Scholar] [CrossRef]
- Luo, X.; Niu, S.; Fu, W.N. Design and Sensorless Control of a Novel Axial-Flux Permanent Magnet Machine for In-Wheel Applications. IEEE Trans. Appl. Supercond. 2016, 26, 1–5. [Google Scholar] [CrossRef]
- Giulii Capponi, F.; De Donato, G.; Caricchi, F. Recent Advances in Axial-Flux Permanent-Magnet Machine Technology. IEEE Trans. Ind. Appl. 2012, 48, 2190–2205. [Google Scholar] [CrossRef]
- Taran, N.; Heins, G.; Rallabandi, V.; Patterson, D.; Ionel, D.M. Torque production capability of axial flux machines with single and double rotor configurations. In Proceedings of the 2018 IEEE Energy Conversion Congress and Exposition (ECCE), Portland, OR, USA, 23–27 September 2018. [Google Scholar]
- Geng, W.; Zhang, Z.; Li, Q. High Torque Density Fractional-Slot Concentrated-Winding Axial-Flux Permanent-Magnet Machine with Modular SMC Stator. IEEE Trans. Ind. Appl. 2020, 56, 3691–3699. [Google Scholar]
- Shao, L.; Navaratne, R.; Popescu, M.; Liu, G. Design and Construction of Axial-Flux Permanent Magnet Motors for Electric Propulsion Applications—A Review. IEEE Access 2021, 9, 158998–159017. [Google Scholar] [CrossRef]
- Zou, T.; Li, D.; Qu, R.; Li, J.; Jiang, D. Analysis of a Dual-Rotor, Toroidal-Winding, Axial-Flux Vernier Permanent Magnet Machine. IEEE Trans. Ind. Appl. 2017, 53, 1920–1930. [Google Scholar] [CrossRef]
- Allahyari, A.; Torkaman, H. A Novel High-Performance Consequent Pole Dual Rotor Permanent Magnet Vernier Machine. IEEE Trans. Energy Convers. 2020, 35, 1238–1246. [Google Scholar] [CrossRef]
- Zhao, X.; Niu, S.; Fu, W. Design of a Novel Parallel-Hybrid-Excited Dual-PM Machine Based on Armature Harmonics Diversity for Electric Vehicle Propulsion. IEEE Trans. Ind. Electron. 2019, 66, 4209–4219. [Google Scholar] [CrossRef]
- Mohamed, A.H.; Hemeida, A.; Vansompel, H.; Sergeant, P. Parametric Studies for Combined Convective and Conductive Heat Transfer for YASA Axial Flux Permanent Magnet Synchronous Machines. Energies 2018, 11, 2983. [Google Scholar] [CrossRef] [Green Version]
- Zhu, Z.Q.; Howe, D. Instantaneous magnetic field distribution in brushless permanent magnet DC motors. III. Effect of stator slotting. IEEE Trans. Magn. 1993, 29, 143–151. [Google Scholar] [CrossRef]












| Symbol | Items | Value | Unit |
|---|---|---|---|
| Do | Outer diameter | 302 | mm |
| Di | Inner diameter | 172 | mm |
| Ls | Stator core axial length | 80 | mm |
| Lr | Rotor core axial length | 15 | mm |
| g | Air-gap length | 1.3 | mm |
| Zs | Number of stator modular | 12 | - |
| nN | Rated speed | 375 | rpm |
| hm | PM thickness | 4.5 | mm |
| Br | PM remanent flux density | 1.3 | T |
| PR | Idc = 0A | Idc = −5A | Idc = −10A | Idc = −15A | Idc = −20A |
|---|---|---|---|---|---|
| 8/1 | 5.28% | 2.85% | 1.89% | 1.50% | 9.11% |
| 17/1 | 7.03% | 6.71% | 7.26% | 14.70% | 26.08% |
| 35/1 | 5.23% | 4.85% | 4.51% | 9.20% | 17.16% |
Publisher’s Note: MDPI stays neutral with regard to jurisdictional claims in published maps and institutional affiliations. |
© 2022 by the authors. Licensee MDPI, Basel, Switzerland. This article is an open access article distributed under the terms and conditions of the Creative Commons Attribution (CC BY) license (https://creativecommons.org/licenses/by/4.0/).
Share and Cite
Jia, L.; Lin, M.; Lin, K.; Le, W.; Yang, A. Design and Analysis of Dual-Rotor Modular-Stator Hybrid-Excited Axial-Flux Permanent Magnet Vernier Machine. Energies 2022, 15, 1458. https://doi.org/10.3390/en15041458
Jia L, Lin M, Lin K, Le W, Yang A. Design and Analysis of Dual-Rotor Modular-Stator Hybrid-Excited Axial-Flux Permanent Magnet Vernier Machine. Energies. 2022; 15(4):1458. https://doi.org/10.3390/en15041458
Chicago/Turabian StyleJia, Lun, Mingyao Lin, Keman Lin, Wei Le, and Anchen Yang. 2022. "Design and Analysis of Dual-Rotor Modular-Stator Hybrid-Excited Axial-Flux Permanent Magnet Vernier Machine" Energies 15, no. 4: 1458. https://doi.org/10.3390/en15041458
APA StyleJia, L., Lin, M., Lin, K., Le, W., & Yang, A. (2022). Design and Analysis of Dual-Rotor Modular-Stator Hybrid-Excited Axial-Flux Permanent Magnet Vernier Machine. Energies, 15(4), 1458. https://doi.org/10.3390/en15041458
