Modeling and Design of High-Power Enhanced Leakage-Inductance-Integrated Medium-Frequency Transformers for DAB Converters
Abstract
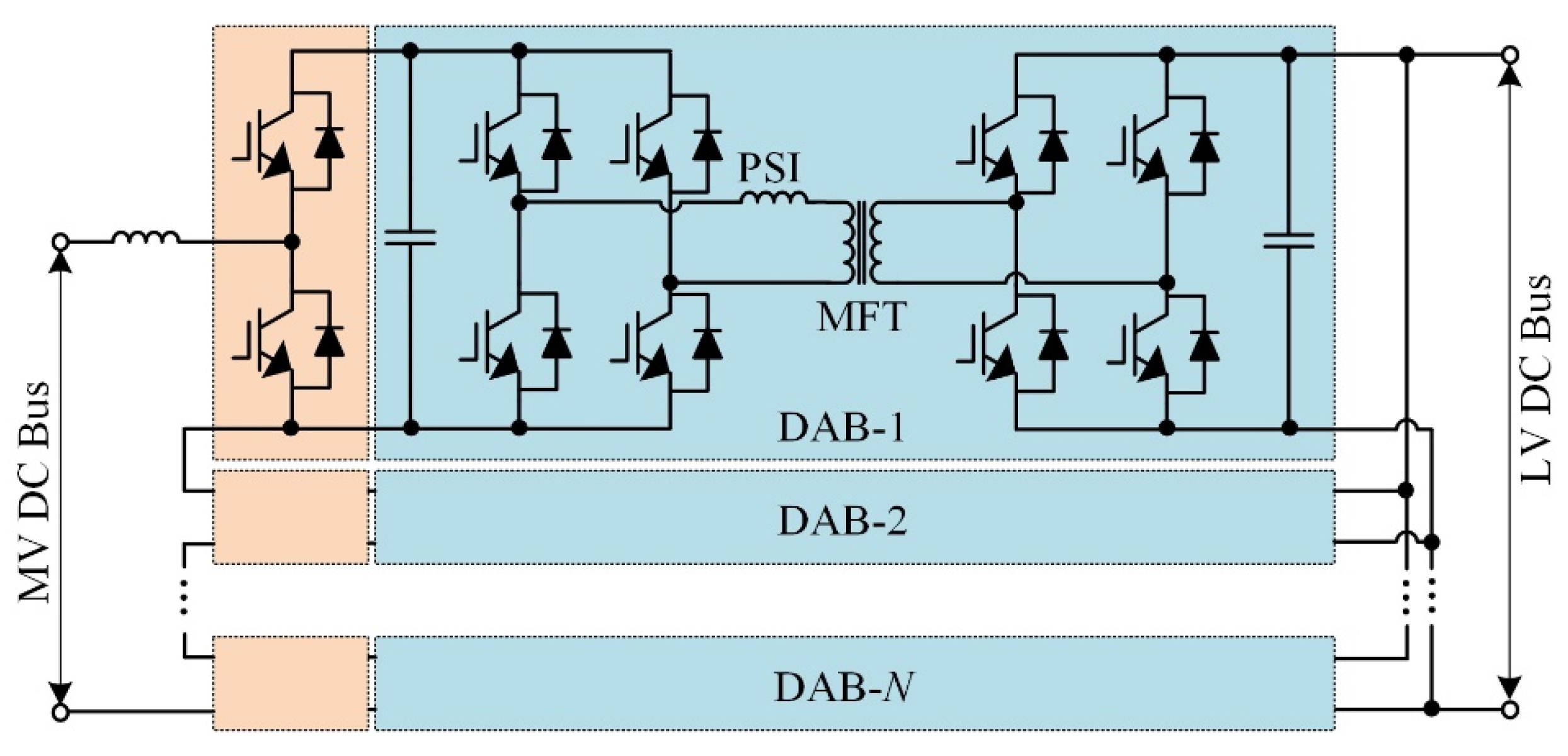
:1. Introduction
2. Integration Structures and Operating Mode
2.1. Integration Structures
2.2. CW ELII MFT Operating Mode in DAB
3. Loss and Leakage Inductance Calculation
3.1. Core Loss of CW ELII MFT
3.2. Winding Loss
3.3. Leakage Inductance of CW ELII MFT
4. Thermal Modeling and Analysis
4.1. Convective Thermal Resistance of the Air Channel
4.2. Conduction and Radiation Thermal Resistance
4.3. Thermal Network Topology
5. Optimal Design, Analysis, and Example
5.1. Design Method
5.1.1. Design Inputs
5.1.2. Constraints
5.1.3. Objectives
5.2. Design Results and Comparative Analysis
5.3. Prototype and Experimental Verification
6. Conclusions
Author Contributions
Funding
Conflicts of Interest
References
- Dujic, D.; Zhao, C.; Mester, A.; Steinke, J.K.; Weiss, M.; Lewdeni-Schmid, S.; Chaudhuri, T.; Stefanutti, P. Power electronic traction transformer-low voltage prototype. IEEE Trans. Power Electron. 2013, 28, 5522–5534. [Google Scholar] [CrossRef]
- Zhang, L.; Zhang, D.; Shui, H.; Yuan, Y.; Pei, Q.; Zhu, J. Optimization design of medium frequency transformer for the offshore dc grid based on multi-objective genetic algorithm. IET Power Electron. 2017, 10, 2157–2162. [Google Scholar] [CrossRef]
- Guo, Z.; Yu, R.; Xu, W.; Feng, X.; Huang, A. Design and optimization of a 200-kw medium-frequency transformer for medium-voltage SiC PV inverters. IEEE Trans. Power Electron. 2021, 36, 10548–10560. [Google Scholar] [CrossRef]
- Chen, P.; Xiao, F.; Liu, J.; Zhu, Z.; Ren, Q. Unbalanced Operation Principle and Fast Balancing Charging Strategy of a Cascaded Modular Multilevel Converter–Bidirectional DC–DC Converter in the Shipboard Applications. IEEE Trans. Transp. Electrif. 2020, 6, 1265–1278. [Google Scholar] [CrossRef]
- Liu, J.; Zhu, Z.; Xiao, F.; Chen, P.; Ren, Q. A modular three-port DC-DC converter for vessel integrated power system. Trans. China Electrotech. 2020, 35, 4085–4096. [Google Scholar] [CrossRef]
- Zhao, B.; Song, Q.; Liu, W.; Sun, Y. Overview of dual-active-bridge isolated bidirectional DC-DC converter of high-frequency-link power-conversion system. IEEE Trans. Power Electron. 2014, 29, 4091–4106. [Google Scholar] [CrossRef]
- Yao, P.; Jiang, X.; Xue, P.; Li, S.; Lu, S.; Wang, F. Design optimization of medium frequency transformer for DAB converters with dc bias capacity. IEEE J. Emerg. Sel. Top. Power Electron. 2020, 9, 5043–5054. [Google Scholar] [CrossRef]
- Garcia-Bediaga, A.; Villar, I.; Rujas, A.; Mir, L.; Rufer, A. Multiobjective optimization of medium-frequency transformers for isolated soft-switching converters using a genetic algorithm. IEEE Trans. Power Electron. 2017, 32, 2995–3006. [Google Scholar] [CrossRef]
- Chen, B. Design optimisation of an inductor-integrated MF transformer for a high-power isolated dual-active-bridge DC–DC converter. IET Power Electron. 2019, 12, 2912–2922. [Google Scholar] [CrossRef]
- Chen, B.; Liang, X.; Wan, N. Design methodology for inductor-integrated litz-wired high-power medium-frequency transformer with the nanocrystalline core material for isolated DC-link stage of solid-state transformer. IEEE Trans. Power Electron. 2020, 35, 11557–11573. [Google Scholar] [CrossRef]
- Peng, S. Optimal Design of Highly Efficient, Compact and Silent Medium Frequency Transformers for Future Solid-State Transformers. Ph.D. Thesis, ETH Zurich, Zurich, Switzerland, 2017. [Google Scholar]
- Villar, I. Multiphysical Characterization of Medium-Frequency Power Electronic Transformers. Ph.D. Thesis, EPFL, Lausanne, Switzerland, 2010. [Google Scholar]
- Leibl, M.; Ortiz, G.; Kolar, J. Design and experimental analysis of a medium frequency transformer for solid-state transformer applications. IEEE J. Emerg. Sel. Top. Power Electron. 2017, 5, 110–123. [Google Scholar] [CrossRef]
- Zhang, X.; Wang, R.; Xiao, F.; Fan, X.; Yang, G.; Yang, B. Design of highly compact short-time duty power inductors for supercapacitor charging applications. IET Power Electron. 2020, 13, 4377–4385. [Google Scholar] [CrossRef]
- Kauder, T.; Belgrand, T.; Lemaître, R.; Thul, A.; Hameyer, K. Medium-frequency power transformer using GOES for a three-phase dual active bridge. J Magn. Magn. Mater. 2020, 504, 166672. [Google Scholar] [CrossRef]
- Marko, M.; Dujic, D. 100 kW, 10 kHz medium-frequency transformer design optimization and experimental verification. IEEE Trans. Power Electron. 2019, 34, 1696–1708. [Google Scholar] [CrossRef] [Green Version]
- Marko, M.; Drazen, D. Sensitivity Analysis of Medium-Frequency Transformer Designs for Solid-State Transformers. IEEE Trans. Power Electron. 2019, 34, 8356–8367. [Google Scholar] [CrossRef]
- Yu, X.; Su, J.; Lai, J.; Guo, S. Analytical optimization of nonsaturated thermally limited high-frequency transformer/inductor design considering discreteness of design variables. IEEE Trans. Power Electron. 2019, 35, 6231–6250. [Google Scholar] [CrossRef]
- Cougo, B.; Kolar, J.W. Integration of leakage inductance in tape wound core transformers for dual active bridge converters. In Proceedings of the 7th International Conference on Integrated Power Electronics Systems (CIPS), Nuremberg, Germany, 6–8 March 2012. [Google Scholar]
- Venkatachalam, K.; Sullivan, C.; Abdallah, T.; Tacca, H. Accurate prediction of ferrite core loss with nonsinusoidal waveforms using only Steinmetz parameters. In Proceedings of the IEEE Workshop on Computers in Power Electronics, Mayaguez, PR, USA, 3–4 June 2002. [Google Scholar]
- Dowell, P. Effects of eddy currents in transformer windings. Proc. Inst. Elect. Eng. 1966, 113, 1387–1394. [Google Scholar] [CrossRef]
- Mogorovic, M.; Dujic, D. Medium frequency transformer leakage inductance modeling and experimental verification. In Proceedings of the Energy Conversion Congress and Exposition (ECCE), Cincinnati, OH, USA, 1–5 October 2017. [Google Scholar]
- Lv, F.; Guo, Y.; Li, P. Calculation and correction method for leakage inductance of high-power medium-frequency transformer. High Volt. Eng. 2016, 42, 1702–1707. [Google Scholar] [CrossRef]
- Mclyman, C.W.T. Transformer and Inductor Design Handbook; China Elect. Power Press: Beijing, China, 2008. [Google Scholar]
- Balakrishnan, A.; Joines, W.; Wilson, T. Air-gap reluctance and inductance calculations for magnetic circuits using a Schwarz-Christoffel transformation. IEEE Trans. Power Electron. 1997, 12, 654–663. [Google Scholar] [CrossRef]
- Zhang, X.; Xiao, F.; Wang, R.; Fan, X.; Wang, H. Improved Calculation method for inductance value of the air-gap inductor. In Proceedings of the 1st China International Youth Conference on Electrical Engineering (CIYCEE), Wuhan, China, 1–4 November 2020. [Google Scholar]
- Incropera, F.; DeWitt, D.; Bergman, T.; Lavine, A. Fundamentals of Heat and Mass Transfer; Chemical Industry Press: Beijing, China, 2007. [Google Scholar]
- VDI. VDI Heat Atlas; Springer: Berlin/Heidelberg, Germany, 2010. [Google Scholar]




























| Parameters | Description | Value |
|---|---|---|
| P | rated power | 200 kW |
| Ud1/Ud2 | MV/LV DC voltage | 1.6 kV/1 kV |
| kPS | turns ratio | 1.6 |
| Dh | H-bridge duty | 0.5 |
| Ds | phase-shifting duty | 0.0875 |
| f | fundamental frequency | 4 kHz |
| Lσt | target leakage inductance | 200 μH |
| eLmax | max leakage error | 5% |
| Hmax × Wmax × Dmax | space limit | 0.4 × 0.4 × 0.4 m |
| Parameters | CW LII | CW ELII | |
|---|---|---|---|
| Power (kW) | 200 | 200 | |
| Leakage inductance (μH) | 200 | 200 | |
| Winding | Turns | 32/20 | 36/22 |
| Foil size (mm) | 0.4 × 200 | 0.4 × 200 | |
| Air channel width (mm) | 86.3 | 12 | |
| Winding loss (W) | 913.7 | 916.8 | |
| Main core | Flux density (T) | 0.65 | 0.65 |
| No-load core loss (W) | 305.4 | 200.9 | |
| Additional core | Flux density (T) | / | 0.4 |
| Load core loss (W) | / | 56.8 | |
| Cooling plate loss (W) | / | 244 | |
| Temperature rise (K) | 66 | 64.1 | |
| Efficiency (%) | 99.39 | 99.30 | |
| Unit cost (RMB/kW) | 78 | 72 | |
| Power density (kW/kg) | 2.63 | 2.88 | |
| Power density (kW/dm3) | 2.24 | 5.16 | |
| Parameters | Calculated | Measured | Error | |
|---|---|---|---|---|
| Leakage inductance@4 kHz (μH) | 200 | 209 | 4.5% | |
| No-load loss (W) | 200.9 | 208.1 | 3.5% | |
| Temperature (oC) | Primary winding | 93.7 | 92 | 1.8% |
| Secondary winding | 103.1 | 108.5 | 5.0% | |
| Main core | 81.3 | 78.2 | 4.0% | |
| Additional core | 95.9 | 96.8 | 0.9% | |
Publisher’s Note: MDPI stays neutral with regard to jurisdictional claims in published maps and institutional affiliations. |
© 2022 by the authors. Licensee MDPI, Basel, Switzerland. This article is an open access article distributed under the terms and conditions of the Creative Commons Attribution (CC BY) license (https://creativecommons.org/licenses/by/4.0/).
Share and Cite
Zhang, X.; Xiao, F.; Wang, R.; Kang, W.; Yang, B. Modeling and Design of High-Power Enhanced Leakage-Inductance-Integrated Medium-Frequency Transformers for DAB Converters. Energies 2022, 15, 1361. https://doi.org/10.3390/en15041361
Zhang X, Xiao F, Wang R, Kang W, Yang B. Modeling and Design of High-Power Enhanced Leakage-Inductance-Integrated Medium-Frequency Transformers for DAB Converters. Energies. 2022; 15(4):1361. https://doi.org/10.3390/en15041361
Chicago/Turabian StyleZhang, Xinsheng, Fei Xiao, Ruitian Wang, Wei Kang, and Beichao Yang. 2022. "Modeling and Design of High-Power Enhanced Leakage-Inductance-Integrated Medium-Frequency Transformers for DAB Converters" Energies 15, no. 4: 1361. https://doi.org/10.3390/en15041361
APA StyleZhang, X., Xiao, F., Wang, R., Kang, W., & Yang, B. (2022). Modeling and Design of High-Power Enhanced Leakage-Inductance-Integrated Medium-Frequency Transformers for DAB Converters. Energies, 15(4), 1361. https://doi.org/10.3390/en15041361

