Alternative Liquid Fuels for Power Plants and Engines for Aviation, Marine, and Land Applications
Abstract
1. Introduction
2. Promising Fuel Formulations for Aviation
3. Promising Fuel Formulations for Land and Marine Engines
3.1. Fuel Mixtures for Dual-Fuel Engines
3.2. Fuel Mixtures for Flex-Fuel Engines
3.3. Heterogeneous Fuel Formulations: Emulsion Fuel
4. Promising Fuel Formulations for Power Systems
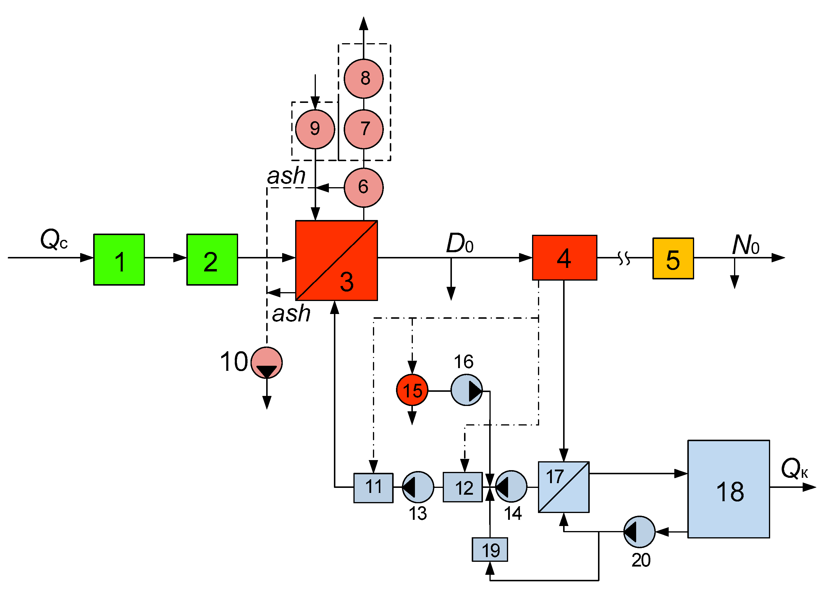
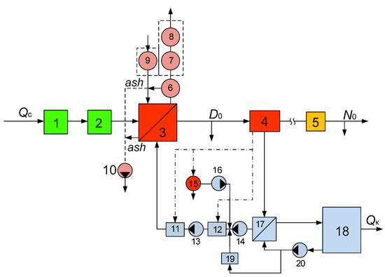
4.1. Main Features of Utilization of Liquid Fuel Compositions at Power Industry Facilities
4.2. Components of Alternative Fuel Compositions
5. Conclusions
Author Contributions
Funding
Conflicts of Interest
Nomenclature
| D0 | steam flow to the turbine; |
| N0 | electrical power transmitted to consumer; |
| Qc | fuel heat consumption per station; |
| Qк | heat loss with cooling water. |
References
- Liu, D. International Energy Agency (IEA). In The Palgrave Encyclopedia of Global Security Studies; Palgrave Macmillan Cham Publ.: London, UK, 2021. [Google Scholar]
- Heubaum, H.; Biermann, F. Integrating global energy and climate governance: The changing role of the International Energy Agency. Energy Policy 2015, 87, 229–239. [Google Scholar] [CrossRef]
- IRENA. Biofuels for Aviation; IRENA: Abu Dhabi, United Arab Emirates, 2017. [Google Scholar]
- BP Statistical Review of World Energy 2022. 2022. Available online: https://www.bp.com/content/dam/bp/business-sites/en/global/corporate/pdfs/energy-economics/statistical-review/bp-stats-review-2022-full-report.pdf (accessed on 3 November 2022).
- Hermwille, L. Hardwired towards transformation? Assessing global climate governance for power sector decarbonization. Earth Syst. Govern. 2021, 8, 100054. [Google Scholar] [CrossRef]
- World Energy Transitions Outlook 2022. n.d. Available online: https://www.irena.org/Digital-Report/World-Energy-Transitions-Outlook-2022 (accessed on 3 November 2022).
- Lee, D.S.; Fahey, D.W.; Skowron, A.; Allen, M.R.; Burkhardt, U.; Chen, Q.; Doherty, S.J.; Freeman, S.; Forster, P.M.; Fuglestvedt, J.; et al. The contribution of global aviation to anthropogenic climate forcing for 2000 to 2018. Atmos. Environ. 2021, 244, 117834. [Google Scholar] [CrossRef] [PubMed]
- Jürgens, S.; Oßwald, P.; Selinsek, M.; Piermartini, P.; Schwab, J.; Pfeifer, P.; Bauder, U.; Ruoff, S.; Rauch, B.; Köhler, M. Assessment of combustion properties of non-hydroprocessed Fischer-Tropsch fuels for aviation. Fuel Process. Technol. 2019, 193, 232–243. [Google Scholar] [CrossRef]
- Heyne, J.; Rauch, B.; Le Clercq, P.; Colket, M. Sustainable aviation fuel prescreening tools and procedures. Fuel 2021, 290, 120004. [Google Scholar] [CrossRef]
- Meng, Z.; Yang, Z.; Yin, Z.; Li, Y.; Song, X.; Zhao, J.; Wu, W. Effects of coal slime on the slurry ability of a semi-coke water slurry. Powder Technol. 2020, 359, 261–267. [Google Scholar] [CrossRef]
- Vershinina, K.Y.; Dorokhov, V.V.; Romanov, D.S.; Strizhak, P.A. Combustion dynamics of droplets of aqueous slurries based on coal slime and waste oil. J. Energy Inst. 2022, 104, 98–111. [Google Scholar] [CrossRef]
- Debnath, B.K.; Saha, U.K.; Sahoo, N. A comprehensive review on the application of emulsions as an alternative fuel for diesel engines. Renew. Sustain. Energy Rev. 2015, 42, 196–211. [Google Scholar] [CrossRef]
- Said, Z.; Nguyen, T.H.; Sharma, P.; Li, C.; Ali, H.M.; Nguyen, V.N.; Pham, V.V.; Ahmed, S.F.; Van, D.N.; Truong, T.H. Multi-attribute optimization of sustainable aviation fuel production-process from microalgae source. Fuel 2022, 324, 124759. [Google Scholar] [CrossRef]
- Chai, N.; Zhou, W. A novel hybrid MCDM approach for selecting sustainable alternative aviation fuels in supply chain management. Fuel 2022, 327, 125180. [Google Scholar] [CrossRef]
- Sustainable Aviation Fuels Guide; International Civil Aviation Organization: Montreal, QC, Canada, 2018.
- Bashir, M.A.; Lima, S.; Jahangiri, H.; Majewski, A.J.; Hofmann, M.; Hornung, A.; Ouadi, M. A step change towards sustainable aviation fuel from sewage sludge. J. Anal. Appl. Pyrolysis 2022, 163, 105498. [Google Scholar] [CrossRef]
- Boehm, R.C.; Scholla, L.C.; Heyne, J.S. Sustainable alternative fuel effects on energy consumption of jet engines. Fuel 2021, 304, 121378. [Google Scholar] [CrossRef]
- Seyam, S.; Dincer, I.; Agelin-Chaab, M. Analysis of a newly developed locomotive engine employing sustainable fuel blends with hydrogen. Fuel 2022, 319, 123748. [Google Scholar] [CrossRef]
- Uysal, C.; Agbulut, U.; Elibol, E.; Demirci, T.; Karagoz, M.; Saridemir, S. Exergetic, exergoeconomic, and sustainability analyses of diesel–biodiesel fuel blends including synthesized graphene oxide nanoparticles. Fuel 2022, 327, 125167. [Google Scholar] [CrossRef]
- Kroyan, Y.; Wojcieszyk, M.; Kaario, O.; Larmi, M. Modeling the impact of sustainable aviation fuel properties on end-use performance and emissions in aircraft jet engines. Energy 2022, 255, 124470. [Google Scholar] [CrossRef]
- Alam, A.; Dwivedi, P. Modeling site suitability and production potential of carinata-based sustainable jet fuel in the southeastern United States. J. Clean. Prod. 2019, 239, 117817. [Google Scholar] [CrossRef]
- Kroyan, Y.; Wojcieszyk, M.; Kaario, O.; Larmi, M.; Zenger, K. Modeling the end-use performance of alternative fuels in light-duty vehicles. Energy 2020, 205, 117854. [Google Scholar] [CrossRef]
- Kurzawska, P. Overview of Sustainable Aviation Fuels including emission of particulate matter and harmful gaseous exhaust gas compounds. Transp. Res. Procedia 2022, 59, 38–45. [Google Scholar] [CrossRef]
- Friedrich, C.; Robertson, P.A. Hybrid-electric propulsion for automotive and aviation applications. CEAS Aeronaut. J. 2015, 6, 279–290. [Google Scholar] [CrossRef]
- Friedrich, C.; Robertson, P.A. Hybrid-electric propulsion for aircraft. J. Aircr. 2015, 52, 176–189. [Google Scholar] [CrossRef]
- Wrobel, R.; Scholes, B.; Mustaffer, A.; Ullah, S.; Reay, D.; Mecrow, B.; Hussein, A. Design and Experimental Characterisation of an Additively Manufactured Heat Exchanger for the Electric Propulsion Unit of a High-Altitude Solar Aircraft. In Proceedings of the 2019 IEEE Energy Conversion Congress and Exposition (ECCE), Baltimore, MD, USA, 29 September–3 October 2019. [Google Scholar]
- Sustainable Aviation Fuel, Aviation Benefits Beyond Borders. Available online: https://aviationbenefits.org/environmental-efficiency/climate-action/sustainable-aviation-fuel/ (accessed on 3 November 2022).
- IATA Sustainable Aviation Fuels Roadmap. 2015. Available online: https://www.iata.org/contentassets/d13875e9ed784f75bac90f000760e998/safr-1-2015.pdf (accessed on 3 November 2022).
- Tanzil, A.H.; Brandt, K.; Zhang, X.; Wolcott, M.; Eduardo, E.; Lora, S.; Stockle, C.; Garcia-Perez, M. Evaluation of bio-refinery alternatives to produce sustainable aviation fuels in a sugarcane mill. Fuel 2022, 321, 123992. [Google Scholar] [CrossRef]
- ATAG. Beginner’s Guide to Sustainable Aviation Fuel; ATAG: Geneva, Switzerland, 2017. [Google Scholar]
- Doliente, S.S.; Narayan, A.; Tapia, J.F.D.; Samsatli, N.J.; Zhao, Y.; Samsatli, S. Bio-aviation Fuel: A Comprehensive Review and Analysis of the Supply Chain Components. Front. Energy Res. 2020, 8, 110. [Google Scholar] [CrossRef]
- Feng, S.; He, B.; He, H.; Su, L.; Hou, Z.; Nie, W.; Guo, X. Experimental studies the burning process of gelled unsymmetrical dimethylhydrazine droplets under oxidant convective conditions. Fuel 2013, 111, 367–373. [Google Scholar] [CrossRef]
- Pinheiro, A.P.; Rybdylova, O.; Zubrilin, I.A.; Sazhin, S.S.; Sacomano Filho, F.L.; Vedovotto, J.M. Modelling of aviation kerosene droplet heating and evaporation using complete fuel composition and surrogates. Fuel 2021, 305, 121564. [Google Scholar] [CrossRef]
- Chiaramonti, D. Sustainable aviation fuels: The challenge of decarbonization. Energy Procedia 2019, 158, 1202–1207. [Google Scholar] [CrossRef]
- Qiu, C.; Zhou, W.; Long, L.; Lv, P.; Martynenko, S.; Yanovskiy, L. Forced convection heat transfer of aviation kerosene enhanced by electric field in a circular channel. Appl. Therm. Eng. 2021, 197, 117333. [Google Scholar] [CrossRef]
- Hosseinloo, A.H.; Yap, F.F.; Chua, E.T. Random vibration protection of a double-chamber submerged jet impingement cooling system: A continuous model. Aerosp. Sci. Technol. 2014, 35, 29–38. [Google Scholar] [CrossRef]
- Trushlyakov, V.I.; Zharikov, K.I.; Lempert, D.B.; Yanovskii, L.S. Polymer Materials for Combustion of Discarded Parts of Aerospace Vehicles. Russ. J. Appl. Chem. 2021, 94, 94–98. [Google Scholar] [CrossRef]
- Salgansky, E.A.; Lutsenko, N.A.; Levin, V.A.; Yanovskiy, L.S. Modeling of solid fuel gasification in combined charge of low-temperature gas generator for high-speed ramjet engine. Aerospace Sci. Technol. 2019, 84, 31–36. [Google Scholar] [CrossRef]
- Gusev, S.V.; Nikoporenko, A.V.; Zakharov, V.S.; Ezhov, V.M.; Varaksin, A.Y.; Yanovsky, L.S.; Arefiev, K.Y. The period of ignition delay for methane-air mixture with hydrogen and ethylene additives. Appl. Sci. 2021, 11, 10515. [Google Scholar] [CrossRef]
- Volokhov, V.M.; Zyubina, T.S.; Volokhov, A.V.; Amosova, E.S.; Varlamov, D.A.; Lempert, D.B.; Yanovskii, L.S. Quantum Chemical Simulation of Hydrocarbon Compounds with High Enthalpy. Russ. J. Phys. Chem. B 2021, 15, 12–24. [Google Scholar] [CrossRef]
- Muthurajan, H.; Sivabalan, R.; Talawar, M.B.; Anniyappan, M.; Venugopalan, S. Prediction of heat of formation and related parameters of high energy materials. J. Hazard. Mater. 2006, 133, 30–45. [Google Scholar] [CrossRef] [PubMed]
- Smirnov, N.N.; Betelin, V.B.; Kushnirenko, A.G.; Nikitin, V.F.; Dushin, V.R.; Nerchenko, V.A. Ignition of fuel sprays by shock wave mathematical modeling and numerical simulation. Acta Astronaut. 2013, 87, 14–29. [Google Scholar] [CrossRef]
- Morozov, A.N.; Mebel, A.M.; Kaiser, R.I. A Theoretical Study of Pyrolysis of exo-Tetrahydrodicyclopentadiene and Its Primary and Secondary Unimolecular Decomposition Products. J. Phys. Chem. A 2018, 122, 4920–4934. [Google Scholar] [CrossRef]
- Voevodin, V.V.; Antonov, A.S.; Nikitenko, D.A.; Shvets, P.A.; Sobolev, S.I.; Sidorov, I.Y.; Stefanov, K.S.; Voevodin, V.V.; Zhumatiy, S.A. Supercomputer Lomonosov-2: Large scale, deep monitoring and fine analytics for the user community. Supercomput. Front. Innov. 2019, 6, 4–11. [Google Scholar] [CrossRef]
- Smirnov, N.N.; Nikitin, V.F.; Dushin, V.R.; Filippov, Y.G.; Nerchenko, V.A.; Khadem, J. Combustion onset in non-uniform dispersed mixtures. Acta Astronaut. 2015, 115, 94–101. [Google Scholar] [CrossRef]
- Hoang, A.T.; Pham, V.V. A Review On Fuels Used For Marine Diesel Engines. J. Mech. Eng. Res. Dev. 2018, 41, 22–23. [Google Scholar] [CrossRef]
- Nguyen, H.P.; Hoang, A.T.; Nizetic, S.; Nguyen, X.P.; Le, A.T.; Luong, C.N.; Chu, V.D.; Pham, V.V. The electric propulsion system as a green solution for management strategy of CO2 emission in ocean shipping: A comprehensive review. Int. Trans. Electr. Energy Syst. 2021, 31, e12580. [Google Scholar] [CrossRef]
- Common Differences between Marine and Industrial Diesel Engines—Capital Reman Exchange. Available online: https://www.capitalremanexchange.com/common-differences-between-marine-industrial-diesel-engines/ (accessed on 3 November 2022).
- Pham, V.V.; Hoang, A.T. Technological Perspective for Reducing Emissions from Marine Engines. Int. J. Adv. Sci. Eng. Inf. Technol. 2019, 9, 1989–2000. [Google Scholar] [CrossRef]
- Hoang, A.T.; Foley, A.M.; Nižetić, S.; Huang, Z.; Ong, H.C.; Ölçer, A.I.; Pham, V.V.; Nguyen, X.P. Energy-related approach for reduction of CO2 emissions: A critical strategy on the port-to-ship pathway. J. Clean. Prod. 2022, 355, 131772. [Google Scholar] [CrossRef]
- Žaglinskis, J.; Rapalis, P.; Lazareva, N. An overview of natural gas use in ships: Necessity and engine supply. Period. Polytech. Transp. Eng. 2018, 46, 185–193. [Google Scholar] [CrossRef]
- Qu, J.; Feng, Y.; Xu, G.; Zhang, M.; Zhu, Y.; Zhou, S. Design and thermodynamics analysis of marine dual fuel low speed engine with methane reforming integrated high pressure exhaust gas recirculation system. Fuel 2022, 319, 123747. [Google Scholar] [CrossRef]
- Teodorczyk, A.; Ingo, C.; Tuuf, J.; Björklund-Sänkiaho, M. Impact of Hydrogen on Natural Gas Compositions to Meet Engine Gas Quality Requirements. Energies 2022, 15, 7990. [Google Scholar] [CrossRef]
- Fridell, E.; Salberg, H.; Salo, K. Measurements of Emissions to Air from a Marine Engine Fueled by Methanol. J. Mar. Sci. Appl. 2021, 20, 138–143. [Google Scholar] [CrossRef]
- Papagiannakis, R.G.; Krishnan, S.R.; Rakopoulos, D.C.; Srinivasan, K.K.; Rakopoulos, C.D. A combined experimental and theoretical study of diesel fuel injection timing and gaseous fuel/diesel mass ratio effects on the performance and emissions of natural gas-diesel HDDI engine operating at various loads. Fuel 2017, 202, 675–687. [Google Scholar] [CrossRef]
- Srna, A.; von Rotz, B.; Herrmann, K.; Boulouchos, K.; Bruneaux, G. Experimental investigation of pilot-fuel combustion in dual-fuel engines, Part 1: Thermodynamic analysis of combustion phenomena. Fuel 2019, 255, 115642. [Google Scholar] [CrossRef]
- Srna, A.; von Rotz, B.; Bolla, M.; Wright, Y.M.; Herrmann, K.; Boulouchos, K.; Bruneaux, G. Experimental investigation of pilot-fuel combustion in dual-fuel engines, Part 2: Understanding the underlying mechanisms by means of optical diagnostics. Fuel 2019, 255, 115766. [Google Scholar] [CrossRef]
- Wei, L.; Geng, P. A review on natural gas/diesel dual fuel combustion, emissions and performance. Fuel Process. Technol. 2016, 142, 264–278. [Google Scholar] [CrossRef]
- Wagemakers, A.; Leermakers, C.A.J. Review on the effects of dual-fuel operation, using diesel and gaseous fuels, on emissions and performance. SAE Int. J. Engines 2012, 2012010869, 1–18. [Google Scholar]
- Singh, P.; Kumar, R.; Sharma, S.; Kumar, S. Effect of Engine Parameters on the Performance of Dual-Fuel CI Engines with Producer Gas—A Review. Energy Fuels 2021, 35, 16377–16402. [Google Scholar] [CrossRef]
- Wei, L.; Li, X.; Yang, W.; Dai, Y.; Wang, C.-H. Optimization of operation strategies of a syngas-fueled engine in a distributed gasifier-generator system driven by horticulture waste. Energy Convers. Manag. 2020, 208, 112580. [Google Scholar] [CrossRef]
- Paykani, A.; Chehrmonavari, H.; Tsolakis, A.; Alger, T.; Northrop, W.F.; Reitz, R.D. Synthesis gas as a fuel for internal combustion engines in transportation. Prog. Energy Combust. Sci. 2022, 90, 100995. [Google Scholar] [CrossRef]
- Rabello de Castro, R.; Brequigny, P.; Mounaïm-Rousselle, C. A multiparameter investigation of syngas/diesel dual-fuel engine performance and emissions with various syngas compositions. Fuel 2022, 318, 123736. [Google Scholar] [CrossRef]
- Kurien, C.; Mittal, M. Review on the production and utilization of green ammonia as an alternate fuel in dual-fuel compression ignition engines. Energy Convers. Manag. 2022, 251, 114990. [Google Scholar] [CrossRef]
- Yousefi, A.; Guo, H.; Dev, S.; Lafrance, S.; Liko, B. A study on split diesel injection on thermal efficiency and emissions of an ammonia/diesel dual-fuel engine. Fuel 2022, 316, 123412. [Google Scholar] [CrossRef]
- Rios, E.M.; de Moraes, D.R.; Vieira, G.M.R.; de Noronha Gonçalves, B.; Boloy, R.A.M. Dual-fuel compression-ignition engines fuelled with biofuels. A bibliometric review. Environ. Syst. Decis. 2022, 42, 8–25. [Google Scholar] [CrossRef]
- Sharma, P.; Sahoo, B.B. Precise prediction of performance and emission of a waste derived Biogas–Biodiesel powered Dual–Fuel engine using modern ensemble Boosted regression Tree: A critique to Artificial neural network. Fuel 2022, 321, 124131. [Google Scholar] [CrossRef]
- Shi, R.; Chen, X.; Qin, J.; Wu, P.; Jia, L. The State-of-the-Art Progress on the Forms and Modes of Hydrogen and Ammonia Energy Utilization in Road Transportation. Sustainability 2022, 14, 11904. [Google Scholar] [CrossRef]
- Singh, R.K.; Sarkar, A.; Chakraborty, J.P. Influence of Alternate Fuels on the Performance and Emission from Internal Combustion Engines and Soot Particle Collection Using Thermophoretic Sampler: A Comprehensive Review. Waste Biomass Valorization 2019, 10, 2801–2823. [Google Scholar] [CrossRef]
- Benajes, J.; García, A.; Monsalve-Serrano, J.; Boronat, V. Dual-Fuel Combustion for Future Clean and Efficient Compression Ignition Engines. Appl. Sci. 2017, 7, 36. [Google Scholar] [CrossRef]
- Kozlov, A.; Grinev, V.; Terenchenko, A.; Kornilov, G. An Investigation of the Effect of Fuel Supply Parameters on Combustion Process of the Heavy-Duty Dual-Fuel Diesel Ignited Gas Engine. Energies 2019, 12, 2280. [Google Scholar] [CrossRef]
- Lacour, S.; Chinese, T.; Alkadee, D.; Perilhon, C.; Descombes, G. Energy and environmental balance of biogas for dual-fuel mobile applications. Renew. Sustain. Energy Rev. 2012, 16, 1745–1753. [Google Scholar] [CrossRef]
- Chockalingam, M.P.; Gunasekaran, A.P.; Santhappan, J.S. Multi-response optimization on the gasification of cocoa pod (Theobroma cacao) husk and its performance in a multi-fuel engine. Biomass Convers. Biorefin. 2022. [Google Scholar] [CrossRef]
- Liu, J.; Liu, Z.; Wang, L.; Wang, P.; Sun, P.; Ma, H.; Wu, P. Numerical simulation and experimental investigation on pollutant emissions characteristics of PODE/methanol dual-fuel combustion. Fuel Process. Technol. 2022, 231, 107228. [Google Scholar] [CrossRef]
- Mosquim, R.F.; Keutenedjian Mady, C.E. Design, performance trends, and exergy efficiency of the Brazilian passenger vehicle fleet: 1970–2020. J. Clean. Prod. 2021, 290, 125788. [Google Scholar] [CrossRef]
- Delgado, R.C.O.B.; Araujo, A.S.; Fernandes, V.J. Properties of Brazilian gasoline mixed with hydrated ethanol for flex-fuel technology. Fuel Process. Technol. 2007, 88, 365–368. [Google Scholar] [CrossRef]
- Benninger, K.; Heimgärtner, C.; Kufferath, A.; Uhl, S.; Wiemers, O. Flexfuel systems for gasoline direct injection engines. MTZ Worldw. 2007, 68, 28–30. [Google Scholar] [CrossRef]
- Azhaganathan, G.; Bragadeshwaran, A. Critical review on recent progress of ethanol fuelled flex-fuel engine characteristics. Int. J. Energy Res. 2022, 46, 5646–5677. [Google Scholar] [CrossRef]
- Das, A.K.; Sahu, S.K.; Panda, A.K. Current status and prospects of alternate liquid transportation fuels in compression ignition engines: A critical review. Renew. Sustain. Energy Rev. 2022, 161, 112358. [Google Scholar] [CrossRef]
- Oppong, F.; Xu, C.; Li, X.; Luo, Z. Esters as a potential renewable fuel: A review of the combustion characteristics. Fuel Process. Technol. 2022, 229, 107185. [Google Scholar] [CrossRef]
- Kale, B.N.; Patle, S.D. State of art review of algal biodiesel and its blends influence on performance and emission characteristics of compression ignition engine. Clean. Eng. Technol. 2022, 7, 100431. [Google Scholar] [CrossRef]
- Lee, J.-W.; Lee, Y.-S.; Chung, C.-H. Sustainable production of DMF and EMF using inulin-rich raw plant biomass: Perspective towards biorenewable fuel. J. Clean. Prod. 2022, 348, 131359. [Google Scholar] [CrossRef]
- Torrey, S. Emulsions and Emulsifier Applications: Recent Developments; Noyes Data Corp.: New Vernon, NJ, USA, 1984; ISBN 0815509855. [Google Scholar]
- Lissant, K.J. Emulsions and Emulsion Technology. Soil Sci. 1975, 120, 160. [Google Scholar] [CrossRef]
- Pal, R. Viscous behavior of concentrated emulsions of two immiscible Newtonian fluids with interfacial tension. J. Colloid Interface Sci. 2003, 263, 296–305. [Google Scholar] [CrossRef]
- Pal, R. Techniques for measuring the composition (oil and water content) of emulsions—A state of the art review. Colloids Surfaces A Physicochem. Eng. Asp. 1994, 84, 141–193. [Google Scholar] [CrossRef]
- Friberg, S.; Larsson, K.; Sjoblom, J. (Eds.) Food Emulsions, 4th ed.; CRC Press: Boca Raton, FL, USA, 2003. [Google Scholar]
- Hoang, A.T.; Tran, V.D.; Dong, V.H.; Le, A.T. An experimental analysis on physical properties and spray characteristics of an ultrasound-assisted emulsion of ultra-low-sulphur diesel and Jatropha-based biodiesel. J. Mar. Eng. Technol. 2019, 21, 73–81. [Google Scholar] [CrossRef]
- Hagos, F.Y.; Ali, O.M.; Mamat, R.; Abdullah, A.A. Effect of emulsification and blending on the oxygenation and substitution of diesel fuel for compression ignition engine. Renew. Sustain. Energy Rev. 2017, 75, 1281–1294. [Google Scholar] [CrossRef]
- Geng, P.; Cao, E.; Tan, Q.; Wei, L. Effects of alternative fuels on the combustion characteristics and emission products from diesel engines: A review. Renew. Sustain. Energy Rev. 2017, 71, 523–534. [Google Scholar] [CrossRef]
- Piskunov, M.; Ashikhmin, A.; Khomutov, N.; Semyonova, A. Effects of wall temperature and temperature-dependent viscosity on maximum spreading of water-in-oil emulsion droplet. Int. J. Heat Mass Transf. 2022, 185, 122442. [Google Scholar] [CrossRef]
- Piskunov, M.; Breitenbach, J.; Schmidt, J.B.; Strizhak, P.; Tropea, C.; Roisman, I.V. Secondary atomization of water-in-oil emulsion drops impinging on a heated surface in the film boiling regime. Int. J. Heat Mass Transf. 2021, 165, 120672. [Google Scholar] [CrossRef]
- Piskunov, M.; Semyonova, A.; Khomutov, N.; Ashikhmin, A.; Yanovsky, V. Effect of rheology and interfacial tension on spreading of emulsion drops impacting a solid surface. Phys. Fluids 2021, 33, 83309. [Google Scholar] [CrossRef]
- Appu Raja, S.; Arularasu, S.; Prakash, E.; Annamalai, K. A review on effect of performance and emission characteristics with emulsified fuel in DI diesel engine. J. Chem. Pharm. Sci. 2015, 7, 175–177. [Google Scholar]
- Kilpatrick, P.K. Water-in-Crude Oil Emulsion Stabilization: Review and Unanswered Questions. Energy Fuels 2012, 26, 4017–4026. [Google Scholar] [CrossRef]
- Shinjo, J.; Xia, J.; Ganippa, L.C.; Megaritis, A. Physics of puffing and microexplosion of emulsion fuel droplets. Phys. Fluids 2014, 26, 103302. [Google Scholar] [CrossRef]
- Kadota, T.; Yamasaki, H. Recent advances in the combustion of water fuel emulsion. Prog. Energy Combust. Sci. 2002, 28, 385–404. [Google Scholar] [CrossRef]
- Huo, M.; Nithyanandan, K.; Lee, C.-F.F.; Zhou, N.; Wu, H. An experimental investigation of flame lift-off length and soot luminosity of the emulsified diesel under various ambient temperatures. In Proceedings of the ASME 2013 Internal Combustion Engine Division Fall Technical Conference (ICEF 2013), Dearborn, MI, USA, 13–16 October 2013; Volume 2. [Google Scholar]
- Tarlet, D.; Mura, E.; Josset, C.; Bellettre, J.; Allouis, C.; Massoli, P. Distribution of thermal energy of child-droplets issued from an optimal micro-explosion. Int. J. Heat Mass Transf. 2014, 77, 1043–1054. [Google Scholar] [CrossRef]
- Tarlet, D.; Bellettre, J.; Tazerout, M.; Rahmouni, C. Prediction of micro-explosion delay of emulsified fuel droplets. Int. J. Therm. Sci. 2009, 48, 449–460. [Google Scholar] [CrossRef]
- Tarlet, D.; Josset, C.; Bellettre, J. Comparison between unique and coalesced water drops in micro-explosions scanned by differential calorimetry. Int. J. Heat Mass Transf. 2016, 95, 689–692. [Google Scholar] [CrossRef]
- Ithnin, A.M.; Noge, H.; Kadir, H.A.; Jazair, W. An overview of utilizing water-in-diesel emulsion fuel in diesel engine and its potential research study. J. Energy Inst. 2014, 87, 273–288. [Google Scholar] [CrossRef]
- Sheng, H.; Chen, L.; Wu, C. The Droplet Group Micro-Explosions in W/O Diesel Fuel Emulsion Sprays. SAE Trans. 1995, 104, 1534–1542. [Google Scholar]
- Lif, A.; Holmberg, K. Water-in-diesel emulsions and related systems. Adv. Colloid Interface Sci. 2006, 123–126, 231–239. [Google Scholar] [CrossRef]
- Ashikhmin, A.E.; Piskunov, M.V.; Yanovskii, V.A. Hydrodynamic Regimes of Interaction between a Droplet of Water-in-Diesel Microemulsion and a Horizontal Heated Wall. Tech. Phys. Lett. 2019, 45, 544–548. [Google Scholar] [CrossRef]
- Ashihmin, A.; Piskunov, M.; Roisman, I.; Yanovsky, V. Thermal stability control of the water-in-diesel microemulsion fuel produced by using a nonionic surfactant combined with aliphatic alcohols. J. Dispers. Sci. Technol. 2019, 41, 771–778. [Google Scholar] [CrossRef]
- Ashikhmin, A.; Piskunov, M.; Yanovsky, V.; Yan, W.M. Properties and Phase Behavior of Water-in-Diesel Microemulsion Fuels Stabilized by Nonionic Surfactants in Combination with Aliphatic Alcohol. Energy Fuels 2020, 34, 2135–2142. [Google Scholar] [CrossRef]
- Ochoterena, R.; Lif, A.; Nydén, M.; Andersson, S.; Denbratt, I. Optical studies of spray development and combustion of water-in-diesel emulsion and microemulsion fuels. Fuel 2010, 89, 122–132. [Google Scholar] [CrossRef]
- Yang, W.M.; An, H.; Chou, S.K.; Chua, K.J.; Mohan, B.; Sivasankaralingam, V.; Raman, V.; Maghbouli, A.; Li, J. Impact of emulsion fuel with nano-organic additives on the performance of diesel engine. Appl. Energy 2013, 112, 1206–1212. [Google Scholar] [CrossRef]
- Fu, W.B.; Hou, L.Y.; Wang, L.; Ma, F.H. A unified model for the micro-explosion of emulsified droplets of oil and water. Fuel Process. Technol. 2002, 79, 107–119. [Google Scholar] [CrossRef]
- Lin, C.-Y.; Wang, K.-H. Diesel engine performance and emission characteristics using three-phase emulsions as fuel. Fuel 2004, 83, 537–545. [Google Scholar] [CrossRef]
- Park, K.; Kwak, I.; Oh, S. The effect of water emulsified fuel on a motorway-bus diesel engine. KSME Int. J. 2004, 18, 2049–2057. [Google Scholar] [CrossRef]
- Kunz, G. Method of and an Apparatus for Producing a Water-in-Oil Emulsion. U.S. Patent No. 4,938,606, 3 July 1990. [Google Scholar]
- Cemenska, R.A. Fuel Emulsion Blending System. U.S. Patent No. 5,873,916, 23 February 1999. [Google Scholar]
- Kessler, A. Emulsion Fuel Feeding Apparatus and Method. U.S. Patent No. 5,542,379, 6 August 1996. [Google Scholar]
- Feoktistov, D.V.; Glushkov, D.O.; Kuznetsov, G.V.; Nikitin, D.S.; Orlova, E.G.; Paushkina, K.K. Ignition and combustion characteristics of coal-water-oil slurry placed on modified metal surface at mixed heat transfer. Fuel Process. Technol. 2022, 233, 107291. [Google Scholar] [CrossRef]
- Zhao, N.; Li, B.; Li, H.; Li, G.; Wu, R.; Hong, Q.; Mperejekumana, P.; Liu, S.; Zhou, Y.; Ahmad, R.; et al. The potential co-benefits for health, economy and climate by substituting raw coal with waste cooking oil as a winter heating fuel in rural households of northern China. Environ. Res. 2021, 194, 110683. [Google Scholar] [CrossRef]
- Armesto, L.; Bahillo, A.; Cabanillas, A.; Veijonen, K.; Otero, J.; Plumed, A.; Salvador, L. Co-combustion of coal and olive oil industry residues in fluidised bed. Fuel 2003, 82, 993–1000. [Google Scholar] [CrossRef]
- Zhou, L.; Li, X.; Zhang, R.; Zhou, W.; Jin, J.; Wang, C.; Tian, Y.; Zhang, K. New method for utilizing waste tire pyrolysis residue to prepare slurry fuel: Adsorption and slurry characteristics. Powder Technol. 2021, 386, 236–246. [Google Scholar] [CrossRef]
- Al-lwayzy, S.H.; Yusaf, T.; Saleh, K.; Yousif, B. The Influence of Emulsified Water Fuel Containing Fresh Water Microalgae on Diesel Engine Performance, Combustion, Vibration and Emission. Energies 2019, 12, 2546. [Google Scholar] [CrossRef]
- Mohanty, J.K.; Guru, S.R.; Dash, P.; Pradhan, P.K. Fly Ash Management and Condition Monitoring of Ash Pond. Earth Syst. Environ. 2020, 5, 445–457. [Google Scholar] [CrossRef]
- Skoglund, N.; Bäfver, L.; Fahlström, J.; Holmén, E.; Renström, C. Fuel design in co-combustion of demolition wood chips and municipal sewage sludge. Fuel Process. Technol. 2016, 141, 196–201. [Google Scholar] [CrossRef]
- Van Caneghem, J.; Brems, A.; Lievens, P.; Block, C.; Billen, P.; Vermeulen, I.; Dewil, R.; Baeyens, J.; Vandecasteele, C. Fluidized bed waste incinerators: Design, operational and environmental issues. Prog. Energy Combust. Sci. 2012, 38, 551–582. [Google Scholar] [CrossRef]
- Gaber, C.; Wachter, P.; Demuth, M.; Hochenauer, C. Experimental investigation and demonstration of pilot-scale combustion of oil-water emulsions and coal-water slurry with pronounced water contents at elevated temperatures with the use of pure oxygen. Fuel 2020, 282, 118692. [Google Scholar] [CrossRef]
- Jianzhong, L.; Ruikun, W.; Jianfei, X.; Junhu, Z.; Kefa, C. Pilot-scale investigation on slurrying, combustion, and slagging characteristics of coal slurry fuel prepared using industrial wasteliquid. Appl. Energy 2014, 115, 309–319. [Google Scholar] [CrossRef]
- Kurgankina, M.A.; Nyashina, G.S.; Strizhak, P.A. Prospects of thermal power plants switching from traditional fuels to coal-water slurries containing petrochemicals. Sci. Total Environ. 2019, 671, 568–577. [Google Scholar] [CrossRef]
- Glushkov, D.O.; Kuznetsov, G.V.; Strizhak, P.A. Ignition of Organic-Water-Coal Fuel Compositions; SB RAS Publ.: Novosibirsk, Russia, 2017; ISBN 978-5-7692-1552-0. (In Russian) [Google Scholar]
- Bilirgen, H. Slagging in PC boilers and developing mitigation strategies. Fuel 2014, 115, 618–624. [Google Scholar] [CrossRef]
- Wei, Y.; Wang, Y.; Guo, Q.; Cao, Y.; Lai, J. Comparative study on ash deposit mechanism and characteristics of eucalyptus bark and bagasse-firing on boiler superheater. Int. J. Press. Vessel. Pip. 2022, 196, 104626. [Google Scholar] [CrossRef]
- Pronobis, M. The influence of biomass co-combustion on boiler fouling and efficiency. Fuel 2006, 85, 474–480. [Google Scholar] [CrossRef]
- Nyashina, G.; Dorokhov, V.; Kuznetsov, G.; Strizhak, P. Emissions from the combustion of high-potential slurry fuels. Environ. Sci. Pollut. Res. 2022, 29, 37989–38005. [Google Scholar] [CrossRef]
- Glushkov, D.O.; Paushkina, K.K.; Shabardin, D.P. Co-combustion of coal processing waste, oil refining waste and municipal solid waste: Mechanism, characteristics, emissions. Chemosphere 2020, 240, 124892. [Google Scholar] [CrossRef] [PubMed]
- Staroń, A.; Kowalski, Z.; Staroń, P.; Banach, M. Studies on CWL with glycerol for combustion process. Environ. Sci. Pollut. Res. 2019, 26, 2835–2844. [Google Scholar] [CrossRef]
- Nyashina, G.S.; Vershinina, K.Y.; Shlegel, N.E.; Strizhak, P.A. Effective incineration of fuel-waste slurries from several related industries. Environ. Res. 2019, 176, 108559. [Google Scholar] [CrossRef]
- Zhao, Z.; Wang, R.; Ge, L.; Wu, J.; Yin, Q.; Wang, C. Energy utilization of coal-coking wastes via coal slurry preparation: The characteristics of slurrying, combustion, and pollutant emission. Energy 2019, 168, 609–618. [Google Scholar] [CrossRef]
- Ding, L.; Dai, Z.; Guo, Q.; Yu, G. Effects of in-situ interactions between steam and coal on pyrolysis and gasification characteristics of pulverized coals and coal water slurry. Appl. Energy 2017, 187, 627–639. [Google Scholar] [CrossRef]
- Li, D.; Wu, D.; Xu, F.; Lai, J.; Shao, L. Literature overview of Chinese research in the field of better coal utilization. J. Clean. Prod. 2018, 185, 959–980. [Google Scholar] [CrossRef]
- Guttikunda, S.K.; Jawahar, P. Atmospheric emissions and pollution from the coal-fired thermal power plants in India. Atmos. Environ. 2014, 92, 449–460. [Google Scholar] [CrossRef]
- Alekseenko, S.V.; Anufriev, I.S.; Dekterev, A.A.; Kuznetsov, V.A.; Maltsev, L.I.; Minakov, A.V.; Chernetskiy, M.Y.; Shadrin, E.Y.; Sharypov, O.V. Experimental and numerical investigation of aerodynamics of a pneumatic nozzle for suspension fuel. Int. J. Heat Fluid Flow 2019, 77, 288–298. [Google Scholar] [CrossRef]
- Zhao, H.; Liu, H.F.; Xu, J.L.; Li, W.F.; Cheng, W. Breakup and atomization of a round coal water slurry jet by an annular air jet. Chem. Eng. Sci. 2012, 78, 63–74. [Google Scholar] [CrossRef]
- Deng, J.; Ding, Z.; Zhou, H.; Tan, Y. Performance and wear characteristics of ceramic, cemented carbide, and metal nozzles used in coal–water–slurry boilers. Int. J. Refract. Met. Hard Mater. 2009, 27, 919–926. [Google Scholar] [CrossRef]
- Vershinina, K.Y.; Shlegel, N.E.; Strizhak, P.A. Relative combustion efficiency of composite fuels based on of wood processing and oil production wastes. Energy 2019, 169, 18–28. [Google Scholar] [CrossRef]
- Zhang, J.; Jin, J.; Wang, M.; Naidu, R.; Liu, Y.; Man, Y.B.; Liang, X.; Wong, M.H.; Christie, P.; Zhang, Y.; et al. Co-pyrolysis of sewage sludge and rice husk/ bamboo sawdust for biochar with high aromaticity and low metal mobility. Environ. Res. 2020, 191, 110034. [Google Scholar] [CrossRef]
- Fan, Y.; Wang, R.; Sun, J.; Xiang, J.; Wang, R.; Sun, H. An effective recycle way of waste coke ash and coking wastewater for preparing coke ash coking wastewater slurry. Sci. Total Environ. 2020, 742, 140581. [Google Scholar] [CrossRef]
- Li, L.; Ma, C.; Li, X.; Lyu, J.; Yu, H.; Wang, Q.; Wang, Z.; Guo, B.; You, X. Study on the preparation of coal wastewater slurry from salt/alkali wastewater. Fuel 2022, 318, 123612. [Google Scholar] [CrossRef]
- Zhang, C.; Ho, S.H.; Chen, W.H.; Eng, C.F.; Wang, C.T. Simultaneous implementation of sludge dewatering and solid biofuel production by microwave torrefaction. Environ. Res. 2021, 195, 110775. [Google Scholar] [CrossRef]
- Gvozdyakov, D.; Zenkov, A. Improvement of atomization characteristics of coal-water slurries. Energy 2021, 230, 120900. [Google Scholar] [CrossRef]
- Johansson, A.C.; Molinder, R.; Vikström, T.; Wiinikka, H. Particle formation during suspension combustion of different biomass powders and their fast pyrolysis bio-oils and biochars. Fuel Process. Technol. 2021, 218, 106868. [Google Scholar] [CrossRef]
- Zhao, H.; Wu, Z.W.; Li, W.F.; Xu, J.L.; Liu, H.F. Transition Weber number between surfactant-laden drop bag breakup and shear breakup of secondary atomization. Fuel 2018, 221, 138–143. [Google Scholar] [CrossRef]
- Choi, I.H.; Lee, H.J.; Rhim, G.B.; Chun, D.H.; Lee, K.H.; Hwang, K.R. Catalytic hydrocracking of heavy wax from pyrolysis of plastic wastes using Pd/Hβ for naphtha-ranged hydrocarbon production. J. Anal. Appl. Pyrolysis 2022, 161, 105424. [Google Scholar] [CrossRef]
- Ma, X.; Duan, Y.; Liu, M. Atomization of petroleum-coke sludge slurry using effervescent atomizer. Exp. Therm. Fluid Sci. 2013, 46, 131–138. [Google Scholar] [CrossRef]
- Ismael, M.A.; Heikal, M.R.; Aziz, A.R.A.; Crua, C.; El-Adawy, M.; Nissar, Z.; Baharom, M.B.; Zainal, A.E.Z. Firmansyah Investigation of Puffing and Micro-Explosion of Water-in-Diesel Emulsion Spray Using Shadow Imaging. Energies 2018, 11, 2281. [Google Scholar] [CrossRef]
- Vershinina, K.; Dorokhov, V.; Romanov, D.; Nyashina, G.; Kuznetsov, G. Multi-Criteria Efficiency Analysis of Using Waste-Based Fuel Mixtures in the Power Industries of China, Japan, and Russia. Appl. Sci. 2020, 10, 2460. [Google Scholar] [CrossRef]
- Vershinina, K.Y.; Dorokhov, V.V.; Romanov, D.S.; Strizhak, P.A. Multiple-Criteria Analysis of Energy Utilization of Coal, Oil and Plant Waste in the Composition of Fuel Mixtures. Combust. Explos. Shock Waves 2022, 58, 481–489. [Google Scholar] [CrossRef]





Publisher’s Note: MDPI stays neutral with regard to jurisdictional claims in published maps and institutional affiliations. |
© 2022 by the authors. Licensee MDPI, Basel, Switzerland. This article is an open access article distributed under the terms and conditions of the Creative Commons Attribution (CC BY) license (https://creativecommons.org/licenses/by/4.0/).
Share and Cite
Kuznetsov, G.; Antonov, D.; Piskunov, M.; Yanovskyi, L.; Vysokomornaya, O. Alternative Liquid Fuels for Power Plants and Engines for Aviation, Marine, and Land Applications. Energies 2022, 15, 9565. https://doi.org/10.3390/en15249565
Kuznetsov G, Antonov D, Piskunov M, Yanovskyi L, Vysokomornaya O. Alternative Liquid Fuels for Power Plants and Engines for Aviation, Marine, and Land Applications. Energies. 2022; 15(24):9565. https://doi.org/10.3390/en15249565
Chicago/Turabian StyleKuznetsov, Geniy, Dmitrii Antonov, Maxim Piskunov, Leonid Yanovskyi, and Olga Vysokomornaya. 2022. "Alternative Liquid Fuels for Power Plants and Engines for Aviation, Marine, and Land Applications" Energies 15, no. 24: 9565. https://doi.org/10.3390/en15249565
APA StyleKuznetsov, G., Antonov, D., Piskunov, M., Yanovskyi, L., & Vysokomornaya, O. (2022). Alternative Liquid Fuels for Power Plants and Engines for Aviation, Marine, and Land Applications. Energies, 15(24), 9565. https://doi.org/10.3390/en15249565

