Protection of Multi-Terminal HVDC Grids: A Comprehensive Review
Abstract
1. Introduction
2. Fundamentals of DC Faults
2.1. DC Fault Stages
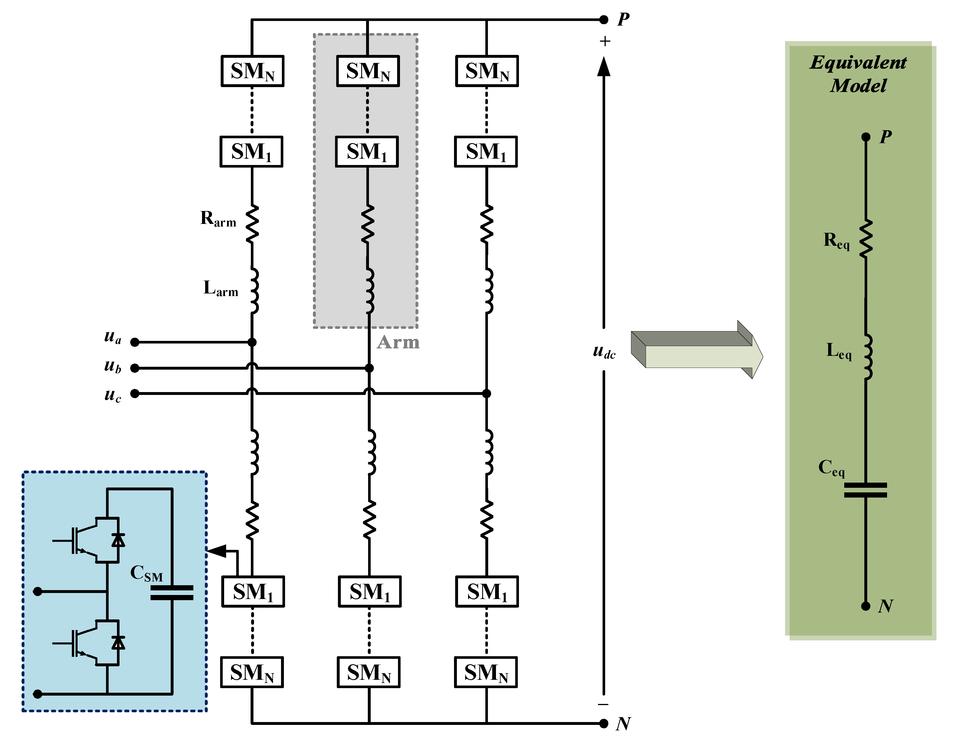
2.2. DC Fault Current Calculation
2.3. DC Fault Clearing Philosophies
2.4. HVDC Protection System Requirements
- Reliability: similar to the reliability requirements of AC systems, a reliable DC protection system should be dependable, i.e., operate correctly when required in case of all intended faults, and secure, i.e., do not operate incorrectly in case of unintended faults or normal operating conditions.
- Sensitivity: the protection algorithm should be sensitive to all internal fault events even those with severe fault conditions such as solid close faults, remote faults, and high-resistance faults.
- Selectivity: defined as the ability of the protection scheme to accurately identify the faulted segment and distinguish between internal and external faults.
- Discrimination: the protection algorithm should be able to correctly distinguish between forward and reverse faults, identify the fault type (pole-to-pole or pole-to-ground), and determine the faulty pole in case of pole-to-ground faults.
- Speed: the protection scheme should initiate a trip signal, in case of internal faults, within a few milliseconds in order to prevent damages to converters’ semiconductor switches with limited overcurrent capabilities. Furthermore, fast fault tripping is mandatory to ensure fault clearing before converters are blocked due to overcurrent or undervoltage conditions; thus, avoiding any current contribution from the AC-side towards the fault.
- Seamlessness: defined as the ability of the protection scheme to facilitate the stable and secure operation of the remaining healthy portion of the grid after clearing the faulted segment in the case of permanent faults. This requirement will be guaranteed if the aforementioned requirements are properly satisfied.
- Restoration: defined as the ability of the employed control and protection system to quickly restore the pre-fault stable operation of the system in case of temporary faults through either exploiting the fault-tolerant capabilities of fault-blocking converters or utilizing appropriate reclosing strategies.
- Robustness: defined as the capability of the protection scheme to detect all fault events in addition to distinguish them from other severe conditions under different operating modes.
- Computational Burden: the proposed protection algorithm should detect the faults with low computation requirements and a low sampling frequency in order to comply with high speed requirements.
- Safety: the utilized protection system should provide a safe protective shield not only for system components but also for personnel, besides ensuring public safety.
- Interoperability: defined as the adaptability of the protection scheme to coordinate with other protection philosophies in the case of multi-vendor multi-terminal grids [62]. Multi-vendor protection interoperability is a crucial step to enable expanding the existing two-terminal links into multi-terminal grids built by multiple vendors; thereby increasing the transmission system transfer capability and improving its reliability at a lower cost [63,64,65]. Figure 11 summarizes these requirements.
3. HVDC Grid Protection Schemes
3.1. Primary Protection Schemes
3.2. Backup Protection Schemes
4. Double-Ended Schemes
4.1. Differential Protection Schemes
4.2. Directional Protection Schemes
4.2.1. Fault Current Direction
4.2.2. Boundary Reactor-Based Pilot Signals
4.2.3. Traveling Wave-Based Pilot Signals
4.2.4. Harmonic Current-Based Pilot Schemes
4.2.5. Special Methodologies for Pilot Schemes
4.3. Comparison between Double-Ended Schemes
5. Single-Ended Schemes
5.1. Voltage Derivative-Based Schemes
5.2. Current Derivative-Based Schemes
5.3. Transient Schemes Based on Voltage and Current Measurements
5.4. Boundary Reactor-Based Schemes
5.5. Traveling Wave-Based Schemes
5.6. Distance Protection-Based Schemes
5.7. Artificial Intelligence-Based Schemes
5.8. Special Non-Unit Schemes
5.9. Bus Protection Schemes
5.10. Comparison between Single-Ended Schemes
6. Fault Location Identification Schemes
7. Reclosing Strategies
8. Design Procedures and Standardization of HVDC Protection Schemes
9. Conclusions
Author Contributions
Funding
Institutional Review Board Statement
Informed Consent Statement
Data Availability Statement
Conflicts of Interest
References
- Van Hertem, D.; Ghandhari, M. Multi-terminal VSC HVDC for the European supergrid: Obstacles. Renew. Sustain. Energy Rev. 2010, 14, 3156–3163. [Google Scholar] [CrossRef]
- Rault, P.; Colas, F.; Guillaud, X.; Nguefeu, S. Method for small signal stability analysis of VSC-MTDC grids. In Proceedings of the 2012 IEEE Power and Energy Society General Meeting, San Diego, CA, USA, 22–26 July 2012; pp. 1–7. [Google Scholar] [CrossRef]
- Daniel, J.P.; Liu, S.; Ibanez, E.; Pennock, K.; Reed, G.; Hanes, S. National Offshore Wind Energy Grid Interconnection Study; ABB Inc.: Raleigh, NC, USA, 2014. [Google Scholar] [CrossRef]
- Energy Sector Alliance Manitoba (ESAM). Atlantic Wind Connection Project. Available online: http://energymanitoba.com/projects/atlantic-wind-connection-project/ (accessed on 30 October 2022).
- Yazdani, A.; Iravani, R. Voltage-Sourced Converters in Power Systems: Modeling, Control, and Applications; John Wiley & Sons: New York, NY, USA, 2010. [Google Scholar]
- Bahrman, M.P.; Johnson, B.K. The ABCs of HVDC transmission technologies. IEEE Power Energy Mag. 2007, 5, 32–44. [Google Scholar] [CrossRef]
- Du, S.; Dekka, A.; Wu, B.; Zargari, N. Modular Multilevel Converters: Analysis, Control, and Applications; John Wiley & Sons: New York, NY, USA, 2018. [Google Scholar]
- Sharifabadi, K.; Harnefors, L.; Nee, H.P.; Norrga, S.; Teodorescu, R. Design, Control, and Application of Modular Multilevel Converters for HVDC Transmission Systems; John Wiley & Sons: New York, NY, USA, 2016. [Google Scholar]
- Nami, A.; Liang, J.; Dijkhuizen, F.; Demetriades, G.D. Modular Multilevel Converters for HVDC Applications: Review on Converter Cells and Functionalities. IEEE Trans. Power Electron. 2015, 30, 18–36. [Google Scholar] [CrossRef]
- Sakib, M.N.; Azad, S.P.; Kazerani, M. A Critical Review of Modular Multilevel Converter Configurations and Submodule Topologies from DC Fault Blocking and Ride-Through Capabilities Viewpoints for HVDC Applications. Energies 2022, 15, 4176. [Google Scholar] [CrossRef]
- Han, M.; Gole, A. Modeling and Simulation of HVDC Transmission; Institution of Engineering and Technology (IET): London, UK, 2020. [Google Scholar]
- Pang, H.; Wei, X. Research on Key Technology and Equipment for Zhangbei 500kV DC Grid. In Proceedings of the 2018 International Power Electronics Conference (IPEC-Niigata 2018 ECCE Asia), Niigata, Japan, 20–24 May 2018; pp. 2343–2351. [Google Scholar] [CrossRef]
- TenneT. NordLink. Available online: https://www.tennet.eu/projects/nordlink (accessed on 13 December 2022).
- North Sea Link. Available online: https://northsealink.com/ (accessed on 30 October 2022).
- Chen, X.; Li, H.; Liang, Y.; Wang, G. A protection scheme for hybrid multi-terminal HVDC networks utilizing a time-domain transient voltage based on fault-blocking converters. Int. J. Electr. Power Energy Syst. 2020, 118, 105825. [Google Scholar] [CrossRef]
- Hitachi Energy. Changji-Guquan UHVDC Link. Available online: https://www.hitachienergy.com/case-studies/changji-guquan-uhvdc-link (accessed on 30 October 2022).
- ABB Commissions Historical Power Interconnector in Canada. Available online: https://new.abb.com/news/detail/5053/abb-commissions-historical-power-interconnector-in-canada (accessed on 30 October 2022).
- Tang, G.; He, Z.; Pang, H.; Huang, X.; Zhang, X.p. Basic topology and key devices of the five-terminal DC grid. CSEE J. Power Energy Syst. 2015, 1, 22–35. [Google Scholar] [CrossRef]
- Rao, H. Architecture of Nan’ao multi-terminal VSC-HVDC system and its multi-functional control. CSEE J. Power Energy Syst. 2015, 1, 9–18. [Google Scholar] [CrossRef]
- Kong, M.; Pei, X.; Pang, H.; Yang, J.; Dong, X.; Wu, Y.; Zhou, X. A lifting wavelet-based protection strategy against DC line faults for Zhangbei HVDC Grid in China. In Proceedings of the 2017 19th European Conference on Power Electronics and Applications (EPE’17 ECCE Europe), Warsaw, Poland, 11–14 September 2017; pp. 1–11. [Google Scholar]
- Liu, J.; Tai, N.; Fan, C. Transient-Voltage-Based Protection Scheme for DC Line Faults in the Multiterminal VSC-HVDC System. IEEE Trans. Power Deliv. 2017, 32, 1483–1494. [Google Scholar] [CrossRef]
- De Kerf, K.; Srivastava, K.; Reza, M.; Bekaert, D.; Cole, S.; Van Hertem, D.; Belmans, R. Wavelet-based protection strategy for DC faults in multi-terminal VSC HVDC systems. IET Gener. Transm. Distrib. 2011, 5, 496–503. [Google Scholar] [CrossRef]
- Song, G.; Chu, X.; Gao, S.; Kang, X.; Jiao, Z. A New Whole-Line Quick-Action Protection Principle for HVDC Transmission Lines Using One-End Current. IEEE Trans. Power Deliv. 2015, 30, 599–607. [Google Scholar] [CrossRef]
- Li, B.; He, J.; Li, Y.; Li, B. A review of the protection for the multi-terminal VSC-HVDC grid. Prot. Control. Mod. Power Syst. 2019, 4, 239–249. [Google Scholar] [CrossRef]
- Zain Yousaf, M.; Liu, H.; Raza, A.; Baber Baig, M. Primary and backup fault detection techniques for multi-terminal HVdc systems: A review. IET Gener. Transm. Distrib. 2020, 14, 5261–5276. [Google Scholar] [CrossRef]
- Perez-Molina, M.; Larruskain, D.; Eguia Lopez, P.; Buigues, G.; Valverde, V. Review of protection systems for multi-terminal high voltage direct current grids. Renew. Sustain. Energy Rev. 2021, 144, 111037. [Google Scholar] [CrossRef]
- Recommendations to Improve HVDC Cable Systems Reliability—A Joint ENTSO-E and Europacable Paper. Available online: https://www.entsoe.eu/2019/06/20/recommendations-to-improve-hvdc-cable-systems-reliability/ (accessed on 30 October 2022).
- Jahn, I. Protection for Multiterminal HVDC Grids—A Digital Contribution. Ph.D. Thesis, KTH Royal Institute of Technology, Stockholm, Sweden, 2021. [Google Scholar]
- Van Hertem, D.; Gomis-Bellmunt, O.; Liang, J. HVDC Grids: For Offshore and Supergrid of the Future; John Wiley & Sons: New York, NY, USA, 2016. [Google Scholar]
- Jovcic, D. High Voltage Direct Current Transmission: Converters, Systems and DC Grids; John Wiley & Sons: New York, NY, USA, 2019. [Google Scholar]
- Leterme, W. Communication-Less Protection Algorithms for Meshed VSC HVDC Cable Grids. Ph.D. Thesis, KU Leuven, Leuven, Belgium, 2016. [Google Scholar]
- Belda, N.A.; Plet, C.A.; Smeets, R.P.P. Analysis of Faults in Multiterminal HVDC Grid for Definition of Test Requirements of HVDC Circuit Breakers. IEEE Trans. Power Deliv. 2018, 33, 403–411. [Google Scholar] [CrossRef]
- Yang, J.; Fletcher, J.E.; O’Reilly, J. Multiterminal DC Wind Farm Collection Grid Internal Fault Analysis and Protection Design. IEEE Trans. Power Deliv. 2010, 25, 2308–2318. [Google Scholar] [CrossRef]
- Leterme, W.; Ahmed, N.; Beerten, J.; Ängquist, L.; Hertem, D.V.; Norrga, S. A new HVDC grid test system for HVDC grid dynamics and protection studies in EMT-type software. In Proceedings of the 11th IET International Conference on AC and DC Power Transmission, Birmingham, UK, 10–12 February 2015. [Google Scholar] [CrossRef]
- Li, C.; Zhao, C.; Xu, J.; Ji, Y.; Zhang, F.; An, T. A Pole-to-Pole Short-Circuit Fault Current Calculation Method for DC Grids. IEEE Trans. Power Syst. 2017, 32, 4943–4953. [Google Scholar] [CrossRef]
- Wang, M.; Beerten, J.; Van Hertem, D. Frequency domain based DC fault analysis for bipolar HVDC grids. J. Mod. Power Syst. Clean Energy 2017, 5, 548–559. [Google Scholar] [CrossRef]
- Leterme, W.; Tielens, P.; De Boeck, S.; Van Hertem, D. Overview of Grounding and Configuration Options for Meshed HVDC Grids. IEEE Trans. Power Deliv. 2014, 29, 2467–2475. [Google Scholar] [CrossRef]
- Döring, D.; Würflinger, K.; Staudt, V.; Zeller, M.; Ebner, G. Interactions between a half-bridge MMC and a hybrid DC breaker during fault current interruption compared to a full-bridge MMC. IET Power Electron. 2020, 13, 4168–4175. [Google Scholar] [CrossRef]
- Zhang, Y.; Cong, W.; Li, G.; Sun, K.; Zhang, Y. Single-ended MMC-MTDC line protection based on dual-frequency amplitude ratio of traveling wave. Electr. Power Syst. Res. 2020, 189, 106808. [Google Scholar] [CrossRef]
- Leterme, W.; Van Hertem, D. Reduced Modular Multilevel Converter Model to Evaluate Fault Transients in DC Grids. In Proceedings of the 12th IET International Conference on Developments in Power System Protection (DPSP 2014), Copenhagen, Denmark, 31 March–3 April 2014. [Google Scholar]
- Li, Y.; Li, J.; Wu, G.; Xiong, L.; Jia, K.; Xu, Z. DC Fault Analysis Models of Three Converter Topologies Considering Control Effects. IEEE Trans. Ind. Electron. 2020, 67, 9480–9491. [Google Scholar] [CrossRef]
- Langwasser, M.; De Carne, G.; Liserre, M.; Biskoping, M. Fault Current Estimation in Multi-Terminal HVdc Grids Considering MMC Control. IEEE Trans. Power Syst. 2019, 34, 2179–2189. [Google Scholar] [CrossRef]
- Gao, S.; Ye, H.; Liu, Y. Accurate and Efficient Estimation of Short-Circuit Current for MTDC Grids Considering MMC Control. IEEE Trans. Power Deliv. 2020, 35, 1541–1552. [Google Scholar] [CrossRef]
- Luo, Y.; He, J.; Li, M.; Zhang, D.; Zhang, Y.; Song, Y.; Nie, M. Analytical Calculation of Transient Short-Circuit Currents for MMC-Based MTDC Grids. IEEE Trans. Ind. Electron. 2022, 69, 7500–7511. [Google Scholar] [CrossRef]
- Guo, Y.; Li, H.; Liang, Y.; Wang, G. A Method to Calculate Short-Circuit Faults in High-Voltage DC Grids. IEEE Trans. Power Deliv. 2021, 36, 267–279. [Google Scholar] [CrossRef]
- Ye, H.; Gao, S.; Li, G.; Liu, Y. Efficient Estimation and Characteristic Analysis of Short-Circuit Currents for MMC-MTDC Grids. IEEE Trans. Ind. Electron. 2021, 68, 258–269. [Google Scholar] [CrossRef]
- Li, B.; Wang, W.; Li, B.; Liu, Y.; Wen, W.; Chen, X. Research on a current calculation method and characteristics of pole-to-ground faults in true bipolar MMC-HVDC grids considering line coupling. Electr. Power Syst. Res. 2021, 192, 106985. [Google Scholar] [CrossRef]
- Tang, L.; Dong, X.; Shi, S.; Wang, B. Analysis of the characteristics of fault-induced travelling waves in MMC-HVDC grid. J. Eng. 2018, 2018, 1349–1353. [Google Scholar] [CrossRef]
- Bucher, M.K.; Franck, C.M. Analytic Approximation of Fault Current Contributions From Capacitive Components in HVDC Cable Networks. IEEE Trans. Power Deliv. 2015, 30, 74–81. [Google Scholar] [CrossRef]
- Bucher, M.K.; Franck, C.M. Contribution of Fault Current Sources in Multiterminal HVDC Cable Networks. IEEE Trans. Power Deliv. 2013, 28, 1796–1803. [Google Scholar] [CrossRef]
- Wang, Y.; Yuan, Z.; Fu, J.; Li, Y.; Zhao, Y. A feasible coordination protection strategy for MMC-MTDC systems under DC faults. Int. J. Electr. Power Energy Syst. 2017, 90, 103–111. [Google Scholar] [CrossRef]
- CIGRE Joint Working Group B4/B5.59. TB 739: Protection and Local Control of HVDC-Grids. 2018. Available online: https://e-cigre.org/publication/739-protection-and-local-control-of-hvdc-grids (accessed on 30 October 2022).
- Ruffing, P.; Collath, N.; Brantl, C.; Schnettler, A. DC Fault Control and High-Speed Switch Design for an HVDC Network Protection Based on Fault-Blocking Converters. IEEE Trans. Power Deliv. 2019, 34, 397–406. [Google Scholar] [CrossRef]
- Mohammadi, F.; Rouzbehi, K.; Hajian, M.; Niayesh, K.; Gharehpetian, G.B.; Saad, H.; Hasan Ali, M.; Sood, V.K. HVDC Circuit Breakers: A Comprehensive Review. IEEE Trans. Power Electron. 2021, 36, 13726–13739. [Google Scholar] [CrossRef]
- Smeets, R.P.P.; Belda, N.A. High-voltage direct current fault current interruption: A technology review. High Volt. 2021, 6, 171–192. [Google Scholar] [CrossRef]
- Tahata, K.; Oukaili, S.E.; Kamei, K.; Yoshida, D.; Kono, Y.; Yamamoto, R.; Ito, H. HVDC circuit breakers for HVDC grid applications. In Proceedings of the 11th IET International Conference on AC and DC Power Transmission, Birmingham, UK, 10–12 February 2015. [Google Scholar] [CrossRef]
- Lin, W.; Jovcic, D.; Nguefeu, S.; Saad, H. Modelling of high-power hybrid DC circuit breaker for grid-level studies. IET Power Electron. 2016, 9, 237–246. [Google Scholar] [CrossRef]
- Yang, Y.; Ren, M.; Cao, J.; Liu, W.; Zhan, X.; Zhao, C. HVDC Circuit Breaker Development and Applications in VSC-HVDC Transmission Project. IOP Conf. Ser. Earth Environ. Sci. 2020, 453, 012048. [Google Scholar] [CrossRef]
- Chen, W.; Zeng, R.; He, J.; Wu, Y.; Wei, X.; Fang, T.; Yu, Z.; Yuan, Z.; Wu, Y.; Zhou, W.; et al. Development and prospect of direct-current circuit breaker in China. High Volt. 2021, 6, 1–15. [Google Scholar] [CrossRef]
- Jahn, I.; Johannesson, N.; Norrga, S. Survey of Methods for Selective DC Fault Detection in MTDC Grids. In Proceedings of the 13th IET International Conference on AC and DC Power Transmission (ACDC 2017), Manchester, UK, 14–16 February 2017. [Google Scholar]
- Leterme, W.; Jahn, I.; Ruffing, P.; Sharifabadi, K.; Van Hertem, D. Designing for High-Voltage dc Grid Protection: Fault Clearing Strategies and Protection Algorithms. IEEE Power Energy Mag. 2019, 17, 73–81. [Google Scholar] [CrossRef]
- Jahn, I.; Nahalparvari, M.; Hirsching, C.; Hoffmann, M.; Düllmann, P.; Loku, F.; Agbemuko, A.; Chaffey, G.; Prieto-Araujo, E.; Norrga, S. An Architecture for a Multi-Vendor VSC-HVDC Station With Partially Open Control and Protection. IEEE Access 2022, 10, 13555–13569. [Google Scholar] [CrossRef]
- Wang, M.; Leterme, W.; Chaffey, G.; Beerten, J.; Van Hertem, D. Multi-vendor interoperability in HVDC grid protection: State-of-the-art and challenges ahead. IET Gener. Transm. Distrib. 2021, 15, 2153–2175. [Google Scholar] [CrossRef]
- Third ENTSO-E Position Paper on Offshore Development Focuses on Interoperability. Available online: https://preview.entsoe.eu/news/2021/01/25/third-entso-e-position-paper-on-offshore-development-focuses-on-interoperability/ (accessed on 30 October 2022).
- BEST PATHS. D9.3: BEST PATHS DEMO2: Final Recommendations For Interoperability Of Multivendor HVDC Systems. Available online: http://www.bestpaths-project.eu/contents/publications/d93–final-demo2-recommendations–vfinal.pdf (accessed on 30 October 2022).
- Li, Z.; Ye, Y.; Tong, N.; Lin, X.; Li, C.; Jin, N.; Chen, L. High error-tolerable unit protection for VSC-MTDC independent of data synchronization. Int. J. Electr. Power Energy Syst. 2021, 124, 106393. [Google Scholar] [CrossRef]
- Ma, J.; Xiao, Z.; Li, Y.; Zhang, J.; Wu, B.; Li, Z.; Ma, R.; Huang, W.; Cheng, P. A new pilot protection scheme for modular multi-level converter-based HVDC system based on voltage matching factor. IET Gener. Transm. Distrib. 2022, 16, 2573–2586. [Google Scholar] [CrossRef]
- Nadeem, M.H.; Zheng, X.; Tai, N.; Gul, M.; Yu, M.; He, Y. Non-communication based protection scheme using transient harmonics for multi-terminal HVDC networks. Int. J. Electr. Power Energy Syst. 2021, 127, 106636. [Google Scholar] [CrossRef]
- Tong, N.; Lin, X.; Li, Y.; Hu, Z.; Jin, N.; Wei, F.; Li, Z. Local Measurement-Based Ultra-High-Speed Main Protection for Long Distance VSC-MTDC. IEEE Trans. Power Deliv. 2019, 34, 353–364. [Google Scholar] [CrossRef]
- Haleem, N.M.; Rajapakse, A.D. Application of new directional logic to improve DC side fault discrimination for high resistance faults in HVDC grids. J. Mod. Power Syst. Clean Energy 2017, 5, 560–573. [Google Scholar] [CrossRef]
- Haleem, N.M.; Rajapakse, A.D. Local measurement based ultra-fast directional ROCOV scheme for protecting Bi-pole HVDC grids with a metallic return conductor. Int. J. Electr. Power Energy Syst. 2018, 98, 323–330. [Google Scholar] [CrossRef]
- Li, S.; Chen, W.; Yin, X.; Chen, D.; Teng, Y. A Novel Integrated Protection for VSC-HVDC Transmission Line Based on Current Limiting Reactor Power. IEEE Trans. Power Deliv. 2020, 35, 226–233. [Google Scholar] [CrossRef]
- Li, C.; Gole, A.M.; Zhao, C. A Fast DC Fault Detection Method Using DC Reactor Voltages in HVdc Grids. IEEE Trans. Power Deliv. 2018, 33, 2254–2264. [Google Scholar] [CrossRef]
- Pirooz Azad, S.; Leterme, W.; Van Hertem, D. Fast breaker failure backup protection for HVDC grids. Electr. Power Syst. Res. 2016, 138, 99–105. [Google Scholar] [CrossRef]
- Leterme, W.; Pirooz Azad, S.; Van Hertem, D. A Local Backup Protection Algorithm for HVDC Grids. IEEE Trans. Power Deliv. 2016, 31, 1767–1775. [Google Scholar] [CrossRef]
- Luo, S.; Dong, X.; Shi, S.; Wang, B. A Directional Protection Scheme for HVDC Transmission Lines Based on Reactive Energy. IEEE Trans. Power Deliv. 2016, 31, 559–567. [Google Scholar] [CrossRef]
- Zhang, Y.; Li, Y.; Song, J.; Li, B.; Chen, X. A New Protection Scheme for HVDC Transmission Lines Based on the Specific Frequency Current of DC Filter. IEEE Trans. Power Deliv. 2019, 34, 420–429. [Google Scholar] [CrossRef]
- Huai, Q.; Liu, K.; Qin, L.; Liao, X.; Zhu, S.; Li, Y.; Ding, H. Backup-Protection Scheme for Multi-Terminal HVDC System Based on Wavelet-Packet-Energy Entropy. IEEE Access 2019, 7, 49790–49803. [Google Scholar] [CrossRef]
- Tong, N.; Lin, X.; Li, C.; Sui, Q.; Chen, L.; Wang, Z.; Jin, N.; Li, Z. Permissive pilot protection adaptive to DC fault interruption for VSC-MTDC. Int. J. Electr. Power Energy Syst. 2020, 123, 106234. [Google Scholar] [CrossRef]
- Yu, S.; Wang, X.; Pang, C. A Pilot Protection Scheme of DC Lines for MMC-HVDC Grid using Random Matrix. J. Mod. Power Syst. Clean Energy 2022, 1–17. [Google Scholar] [CrossRef]
- Abu-Elanien, A.E.; Elserougi, A.A.; Abdel-Khalik, A.S.; Massoud, A.M.; Ahmed, S. A differential protection technique for multi-terminal HVDC. Electr. Power Syst. Res. 2016, 130, 78–88. [Google Scholar] [CrossRef]
- Hajian, M.; Zhang, L.; Jovcic, D. DC Transmission Grid With Low-Speed Protection Using Mechanical DC Circuit Breakers. IEEE Trans. Power Deliv. 2015, 30, 1383–1391. [Google Scholar] [CrossRef]
- Jovcic, D.; Lin, W.; Nguefeu, S.; Saad, H. Low-Energy Protection System for DC Grids Based on Full-Bridge MMC Converters. IEEE Trans. Power Deliv. 2018, 33, 1934–1943. [Google Scholar] [CrossRef]
- Liu, H.; Li, B.; Wen, W.; Green, T.C.; Zhang, J.; Zhang, N.; Chen, L. Ultra-fast current differential protection with high-sensitivity for HVDC transmission lines. Int. J. Electr. Power Energy Syst. 2021, 126, 106580. [Google Scholar] [CrossRef]
- Gao, S.p.; Liu, Q.; Song, G.b. Current differential protection principle of HVDC transmission system. IET Gener. Transm. Distrib. 2017, 11, 1286–1292. [Google Scholar] [CrossRef]
- Xue, S.; Lu, J.; Sun, Y.; Wang, S.; Li, B.; Li, B. A reverse travelling wave differential protection scheme for DC lines in MMC–HVDC system with metallic return. Int. J. Electr. Power Energy Syst. 2022, 135, 107521. [Google Scholar] [CrossRef]
- Li, B.; Lv, M.; Li, B.; Xue, S.; Wen, W. Research on an Improved Protection Principle Based on Differential Voltage Traveling Wave for VSC-HVDC Transmission Lines. IEEE Trans. Power Deliv. 2020, 35, 2319–2328. [Google Scholar] [CrossRef]
- Song, G.; Chu, X.; Cai, X.; Gao, S. A novel pilot protection principle for VSC-HVDC cable lines based on fault component current. Int. J. Electr. Power Energy Syst. 2013, 53, 426–433. [Google Scholar] [CrossRef]
- Zou, G.; Feng, Q.; Huang, Q.; Sun, C.; Gao, H. A fast protection scheme for VSC based multi-terminal DC grid. Int. J. Electr. Power Energy Syst. 2018, 98, 307–314. [Google Scholar] [CrossRef]
- Huang, Q.; Zou, G.; Zhang, S.; Gao, H. A Pilot Protection Scheme of DC Lines for Multi-Terminal HVDC Grid. IEEE Trans. Power Deliv. 2019, 34, 1957–1966. [Google Scholar] [CrossRef]
- He, J.; Li, B.; Li, Y.; Qiu, H.; Wang, C.; Dai, D. A Fast Directional Pilot Protection Scheme for the MMC-based MTDC Grid. Proc. Chin. Soc. Electr. Eng. 2017, 37, 6878–6887. [Google Scholar] [CrossRef]
- Xiang, W.; Yang, S.; Adam, G.P.; Zhang, H.; Zuo, W.; Wen, J. DC Fault Protection Algorithms of MMC-HVDC Grids: Fault Analysis, Methodologies, Experimental Validations, and Future Trends. IEEE Trans. Power Electron. 2021, 36, 11245–11264. [Google Scholar] [CrossRef]
- Leterme, W.; Van Hertem, D. Cable Protection in HVDC Grids Employing Distributed Sensors and Proactive HVDC Breakers. IEEE Trans. Power Deliv. 2018, 33, 1981–1990. [Google Scholar] [CrossRef]
- Li, Y.; Gong, Y.; Jiang, B. A novel traveling-wave-based directional protection scheme for MTDC grid with inductive DC terminal. Electr. Power Syst. Res. 2018, 157, 83–92. [Google Scholar] [CrossRef]
- Wang, D.; Yu, D.; Yang, H.; Hou, M.; Guo, Y. Novel travelling wave directional pilot protection for VSC-HVDC transmission line. IET Gener. Transm. Distrib. 2020, 14, 1705–1713. [Google Scholar] [CrossRef]
- Zheng, X.; Nadeem, M.H.; Tai, N.; Habib, S.; Wang, B.; Yu, M.; He, Y. A transient current protection and fault location scheme for MMC-HVDC transmission network. Int. J. Electr. Power Energy Syst. 2021, 124, 106348. [Google Scholar] [CrossRef]
- Zhao, P.; Chen, Q.; Sun, K. A novel protection method for VSC-MTDC cable based on the transient DC current using the S transform. Int. J. Electr. Power Energy Syst. 2018, 97, 299–308. [Google Scholar] [CrossRef]
- Jiang, L.; Chen, Q.; Huang, W.; Wang, L.; Zeng, Y.; Zhao, P. Pilot Protection Based on Amplitude of Directional Travelling Wave for Voltage Source Converter-High Voltage Direct Current (VSC-HVDC) Transmission Lines. Energies 2018, 11, 2021. [Google Scholar] [CrossRef]
- Zheng, X.; Tai, N.; Wu, Z.; Thorp, J. Harmonic current protection scheme for voltage source converter-based high-voltage direct current transmission system. IET Gener. Transm. Distrib. 2014, 8, 1509–1515. [Google Scholar] [CrossRef]
- Ashouri, M.; Faria da Silva, F.; Leth Bak, C. A Harmonic Based Pilot Protection Scheme for VSC-MTDC Grids with PWM Converters. Energies 2019, 12, 1010. [Google Scholar] [CrossRef]
- Xiang, W.; Zhang, H.; Yang, S.; Zhou, M.; Lin, W.; Wen, J. A Differential Pilot Protection Scheme for MMC-Based DC Grid Resilient to Communication Failure. IEEE J. Emerg. Sel. Top. Power Electron. 2021, 9, 5631–5645. [Google Scholar] [CrossRef]
- Farshad, M. A Pilot Protection Scheme for Transmission Lines of Half-Bridge MMC-HVDC Grids Using Cosine Distance Criterion. IEEE Trans. Power Deliv. 2021, 36, 1089–1096. [Google Scholar] [CrossRef]
- Huai, Q.; Qin, L.; Liu, K.; Hooshyar, A.; Ding, H.; Gong, C.; Xu, Y. A pilot line protection for MT-HVDC grids using similarity of traveling waveforms. Int. J. Electr. Power Energy Syst. 2021, 131, 107162. [Google Scholar] [CrossRef]
- He, J.; Li, B.; Li, Y.; Wang, W.; Lyu, H.; Li, B. Simplified calculation method of threshold value for the non-unit transient-voltage based protection in multi-terminal VSC-HVDC grid. Int. J. Electr. Power Energy Syst. 2022, 134, 107435. [Google Scholar] [CrossRef]
- Sneath, J.; Rajapakse, A.D. Fault Detection and Interruption in an Earthed HVDC Grid Using ROCOV and Hybrid DC Breakers. IEEE Trans. Power Deliv. 2016, 31, 973–981. [Google Scholar] [CrossRef]
- Sneath, J.; Rajapakse, A.D. DC Fault Protection of a Nine-Terminal MMC HVDC Grid. In Proceedings of the 11th IET International Conference on AC and DC Power Transmission, Birmingham, UK, 10–12 February 2015. [Google Scholar] [CrossRef]
- Leterme, W.; Beerten, J.; Van Hertem, D. Nonunit Protection of HVDC Grids With Inductive DC Cable Termination. IEEE Trans. Power Deliv. 2016, 31, 820–828. [Google Scholar] [CrossRef]
- Haleem, N.M.; Rajapakse, A.D. Fault-Type Discrimination in HVDC Transmission Lines Using Rate of Change of Local Currents. IEEE Trans. Power Deliv. 2020, 35, 117–129. [Google Scholar] [CrossRef]
- Raza, A.; Akhtar, A.; Jamil, M.; Abbas, G.; Gilani, S.O.; Yuchao, L.; Khan, M.N.; Izhar, T.; Dianguo, X.; Williams, B.W. A Protection Scheme for Multi-Terminal VSC-HVDC Transmission Systems. IEEE Access 2018, 6, 3159–3166. [Google Scholar] [CrossRef]
- Yang, J.; Fletcher, J.; O’Reilly, J.; Adam, G.; Fan, S. Protection scheme design for meshed VSC-HVDC transmission systems of large-scale wind farms. In Proceedings of the 9th IET International Conference on AC and DC Power Transmission (ACDC 2010), London, UK, 19–21 October 2010. [Google Scholar] [CrossRef]
- Stumpe, M.; Tünnerhoff, P.; Dave, J.; Schnettler, A.; Ergin, D.; Schön, A.; Würflinger, K.; Schettler, F. DC fault protection for modular multi-level converter-based HVDC multi-terminal systems with solid state circuit breakers. IET Gener. Transm. Distrib. 2018, 12, 3013–3020. [Google Scholar] [CrossRef]
- Pirooz Azad, S.; Van Hertem, D. A Fast Local Bus Current-Based Primary Relaying Algorithm for HVDC Grids. IEEE Trans. Power Deliv. 2017, 32, 193–202. [Google Scholar] [CrossRef]
- Pirooz Azad, S.; Leterme, W.; Van Hertem, D. A DC grid primary protection algorithm based on current measurements. In Proceedings of the 2015 17th European Conference on Power Electronics and Applications (EPE’15 ECCE-Europe), Geneva, Switzerland, 8–10 September 2015. [Google Scholar] [CrossRef]
- Tzelepis, D.; Dyśko, A.; Fusiek, G.; Nelson, J.; Niewczas, P.; Vozikis, D.; Orr, P.; Gordon, N.; Booth, C.D. Single-Ended Differential Protection in MTDC Networks Using Optical Sensors. IEEE Trans. Power Deliv. 2017, 32, 1605–1615. [Google Scholar] [CrossRef]
- Li, S.; Chen, W.; Yin, X.; Chen, D. Protection scheme for VSC-HVDC transmission lines based on transverse differential current. IET Gener. Transm. Distrib. 2017, 11, 2805–2813. [Google Scholar] [CrossRef]
- Ashrafi Niaki, S.H.; Hosseini, S.M.; Abdoos, A.A. Fault detection of HVDC cable in multi-terminal offshore wind farms using transient sheath voltage. IET Renew. Power Gener. 2017, 11, 1707–1713. [Google Scholar] [CrossRef]
- Elgeziry, M.; Elsadd, M.; Elkalashy, N.; Kawady, T.; Taalab, A.M.; Izzularab, M.A. Non-pilot protection scheme for multi-terminal VSC–HVDC transmission systems. IET Renew. Power Gener. 2019, 13, 3033–3042. [Google Scholar] [CrossRef]
- Huang, Q.; Zou, G.; Wei, X.; Sun, C.; Gao, H. A non-unit line protection scheme for MMC-based multi-terminal HVDC grid. Int. J. Electr. Power Energy Syst. 2019, 107, 1–9. [Google Scholar] [CrossRef]
- Mehrabi-Kooshki, M.; Mirhosseini, S.S.; Jamali, S. Non-unit protection scheme for HVDC transmission lines based on energy of voltage difference. IET Gener. Transm. Distrib. 2022, 16, 2166–2187. [Google Scholar] [CrossRef]
- Liao, J.; Zhou, N.; Wang, Q. DC Grid Protection Method Based on Phase Planes of Single-End Common-and Differential-Mode Components. IEEE Trans. Power Deliv. 2021, 36, 299–310. [Google Scholar] [CrossRef]
- Troitzsch, C.; Marten, A.K.; Westermann, D. Non-telecommunication based DC line fault detection methodology for meshed HVDC grids. IET Gener. Transm. Distrib. 2016, 10, 4231–4239. [Google Scholar] [CrossRef]
- Li, Y.; Wu, L.; Li, J.; Xiong, L.; Zhang, X.; Song, G.; Xu, Z. DC Fault Detection in MTDC Systems Based on Transient High Frequency of Current. IEEE Trans. Power Deliv. 2019, 34, 950–962. [Google Scholar] [CrossRef]
- Li, Y.; Li, J.; Xiong, L.; Zhang, X.; Xu, Z. DC Fault Detection in Meshed MTdc Systems Based on Transient Average Value of Current. IEEE Trans. Ind. Electron. 2020, 67, 1932–1943. [Google Scholar] [CrossRef]
- Li, R.; Xu, L.; Yao, L. DC Fault Detection and Location in Meshed Multiterminal HVDC Systems Based on DC Reactor Voltage Change Rate. IEEE Trans. Power Deliv. 2017, 32, 1516–1526. [Google Scholar] [CrossRef]
- He, Y.; Zheng, X.; Tai, N.; Wang, J.; Nadeem, M.H.; Liu, J. A DC Line Protection Scheme for MMC-Based DC Grids Based on AC/DC Transient Information. IEEE Trans. Power Deliv. 2020, 35, 2800–2811. [Google Scholar] [CrossRef]
- Dadgostar, H.; Hajian, M.; Ahmed, K. DC grids DC fault detection using asymmetric pole inductors. Electr. Power Syst. Res. 2021, 193, 107016. [Google Scholar] [CrossRef]
- Tzelepis, D.; Dyśko, A.; Blair, S.M.; Rousis, A.O.; Mirsaeidi, S.; Booth, C.; Dong, X. Centralised busbar differential and wavelet-based line protection system for multi-terminal direct current grids, with practical IEC-61869-compliant measurements. IET Gener. Transm. Distrib. 2018, 12, 3578–3586. [Google Scholar] [CrossRef]
- Abu-Elanien, A.E.; Abdel-Khalik, A.S.; Massoud, A.M.; Ahmed, S. A non-communication based protection algorithm for multi-terminal HVDC grids. Electr. Power Syst. Res. 2017, 144, 41–51. [Google Scholar] [CrossRef]
- Xiang, W.; Yang, S.; Xu, L.; Zhang, J.; Lin, W.; Wen, J. A Transient Voltage-Based DC Fault Line Protection Scheme for MMC-Based DC Grid Embedding DC Breakers. IEEE Trans. Power Deliv. 2019, 34, 334–345. [Google Scholar] [CrossRef]
- Mitra, B.; Chowdhury, B.; Willis, A. Protection Coordination for Assembly HVDC Breakers for HVDC Multiterminal Grids Using Wavelet Transform. IEEE Syst. J. 2020, 14, 1069–1079. [Google Scholar] [CrossRef]
- Li, B.; Li, Y.; He, J.; Li, B.; Liu, S.; Liu, B.; Xu, L. An Improved Transient Traveling-Wave Based Direction Criterion for Multi-Terminal HVDC Grid. IEEE Trans. Power Deliv. 2020, 35, 2517–2529. [Google Scholar] [CrossRef]
- He, Z.y.; Liao, K. Natural frequency-based protection scheme for voltage source converter-based high-voltage direct current transmission lines. IET Gener. Transm. Distrib. 2015, 9, 1519–1525. [Google Scholar] [CrossRef]
- Duan, J.; Li, H.; Lei, Y.; Tuo, L. A novel non-unit transient based boundary protection for HVDC transmission lines using synchrosqueezing wavelet transform. Int. J. Electr. Power Energy Syst. 2020, 115, 105478. [Google Scholar] [CrossRef]
- Yeap, Y.M.; Geddada, N.; Satpathi, K.; Ukil, A. Time- and Frequency-Domain Fault Detection in a VSC-Interfaced Experimental DC Test System. IEEE Trans. Ind. Inform. 2018, 14, 4353–4364. [Google Scholar] [CrossRef]
- Li, J.; Yang, Q.; Mu, H.; Le Blond, S.; He, H. A new fault detection and fault location method for multi-terminal high voltage direct current of offshore wind farm. Appl. Energy 2018, 220, 13–20. [Google Scholar] [CrossRef]
- Saleh, K.A.; Hooshyar, A.; El-Saadany, E.F.; Zeineldin, H.H. Protection of High-Voltage DC Grids Using Traveling-Wave Frequency Characteristics. IEEE Syst. J. 2020, 14, 4284–4295. [Google Scholar] [CrossRef]
- Huang, N.E.; Wu, Z. A review on Hilbert-Huang transform: Method and its applications to geophysical studies. Rev. Geophys. 2008, 46, RG2006. [Google Scholar] [CrossRef]
- Albernaz Lacerda, V.; Monaro, R.M.; Campos-Gaona, D.; Coury, D.V.; Anaya-Lara, O. Distance protection algorithm for multiterminal HVDC systems using the Hilbert–Huang transform. IET Gener. Transm. Distrib. 2020, 14, 3022–3032. [Google Scholar] [CrossRef]
- Li, D.; Ukil, A.; Satpathi, K.; Yeap, Y.M. Hilbert–Huang Transform Based Transient Analysis in Voltage Source Converter Interfaced Direct Current System. IEEE Trans. Ind. Electron. 2021, 68, 11014–11025. [Google Scholar] [CrossRef]
- Zhang, Y.; Tai, N.; Xu, B. Fault Analysis and Traveling-Wave Protection Scheme for Bipolar HVDC Lines. IEEE Trans. Power Deliv. 2012, 27, 1583–1591. [Google Scholar] [CrossRef]
- Yang, S.; Xiang, W.; Li, R.; Lu, X.; Zuo, W.; Wen, J. An Improved DC Fault Protection Algorithm for MMC HVDC Grids Based on Modal-Domain Analysis. IEEE J. Emerg. Sel. Top. Power Electron. 2020, 8, 4086–4099. [Google Scholar] [CrossRef]
- Yu, X.; Xiao, L. A DC Fault Protection Scheme for MMC-HVDC Grids Using New Directional Criterion. IEEE Trans. Power Deliv. 2021, 36, 441–451. [Google Scholar] [CrossRef]
- Verrax, P.; Bertinato, A.; Kieffer, M.; Raison, B. Transient-based fault identification algorithm using parametric models for meshed HVDC grids. Electr. Power Syst. Res. 2020, 185, 106387. [Google Scholar] [CrossRef]
- Suonan, J.; Zhang, J.; Jiao, Z.; Yang, L.; Song, G. Distance Protection for HVDC Transmission Lines Considering Frequency-Dependent Parameters. IEEE Trans. Power Deliv. 2013, 28, 723–732. [Google Scholar] [CrossRef]
- Qin, Y.; Wen, M.; Zheng, J.; Bai, Y. A novel distance protection scheme for HVDC lines based on R-L model. Int. J. Electr. Power Energy Syst. 2018, 100, 167–177. [Google Scholar] [CrossRef]
- Zheng, J.; Li, P.; Xu, K.; Kong, X.; Wang, C.; Lin, J.; Zhang, C. A distance protection scheme for HVDC transmission lines based on the Steady-state parameter model. Int. J. Electr. Power Energy Syst. 2022, 136, 107658. [Google Scholar] [CrossRef]
- Lacerda, V.A.; Monaro, R.M.; Peña-Alzola, R.; Campos-Gaona, D.; Coury, D.V. Nonunit Distance Protection Algorithm for Multiterminal MMC-HVdc Systems Using DC Capacitor Resonance Frequency. IEEE Trans. Ind. Electron. 2022, 69, 12924–12933. [Google Scholar] [CrossRef]
- Qin, Y.; Wen, M.; Yin, X.; Bai, Y.; Fang, Z. A novel distance protection for MMC-HVDC lines based on the equivalent capacitance voltage. Int. J. Electr. Power Energy Syst. 2022, 137, 107850. [Google Scholar] [CrossRef]
- Yang, Q.; Le Blond, S.; Aggarwal, R.; Wang, Y.; Li, J. New ANN method for multi-terminal HVDC protection relaying. Electr. Power Syst. Res. 2017, 148, 192–201. [Google Scholar] [CrossRef]
- Abu-Elanien, A.E.B. An Artificial Neural Network Based Technique for Protection of HVDC Grids. In Proceedings of the 2019 IEEE PES GTD Grand International Conference and Exposition Asia (GTD Asia), Bangkok, Thailand, 20–23 March 2019; pp. 1004–1009. [Google Scholar] [CrossRef]
- Bertho, R.; Lacerda, V.A.; Monaro, R.M.; Vieira, J.C.M.; Coury, D.V. Selective Nonunit Protection Technique for Multiterminal VSC-HVDC Grids. IEEE Trans. Power Deliv. 2018, 33, 2106–2114. [Google Scholar] [CrossRef]
- Tong, N.; Tang, Z.; Wang, Y.; Lai, C.S.; Lai, L.L. Semi AI-based protection element for MMC-MTDC using local-measurements. Int. J. Electr. Power Energy Syst. 2022, 142, 108310. [Google Scholar] [CrossRef]
- Jamali, S.; Mirhosseini, S.S. Protection of transmission lines in multi-terminal HVDC grids using travelling waves morphological gradient. Int. J. Electr. Power Energy Syst. 2019, 108, 125–134. [Google Scholar] [CrossRef]
- Mirhosseini, S.S.; Jamali, S.; Popov, M. Non-unit protection method for long transmission lines in MTDC grids. IET Gener. Transm. Distrib. 2021, 15, 1674–1687. [Google Scholar] [CrossRef]
- Liu, L.; Liu, Z.; Popov, M.; Palensky, P.; van der Meijden, M.A.M.M. A Fast Protection of Multi-Terminal HVDC System Based on Transient Signal Detection. IEEE Trans. Power Deliv. 2021, 36, 43–51. [Google Scholar] [CrossRef]
- Zhang, C.; Song, G.; Dong, X. A Novel Traveling Wave Protection Method for DC Transmission Lines Using Current Fitting. IEEE Trans. Power Deliv. 2020, 35, 2980–2991. [Google Scholar] [CrossRef]
- Zhang, C.; Song, G.; Wang, T.; Wu, L.; Yang, L. Non-unit Traveling Wave Protection of HVDC Grids Using Levenberg–Marquart Optimal Approximation. IEEE Trans. Power Deliv. 2020, 35, 2260–2271. [Google Scholar] [CrossRef]
- Zhang, C.; Song, G.; Wang, T.; Dong, X. An Improved Non-Unit Traveling Wave Protection Method With Adaptive Threshold Value and Its Application in HVDC Grids. IEEE Trans. Power Deliv. 2020, 35, 1800–1811. [Google Scholar] [CrossRef]
- Shu, H.; Wang, G.; Tian, X.; Lei, S.; Jiang, X.; Bo, Z. Single-ended protection method of MMC-HVDC transmission line based on random matrix theory. Int. J. Electr. Power Energy Syst. 2022, 142, 108299. [Google Scholar] [CrossRef]
- Farshad, M. Ultra-high-speed non-unit non-differential protection scheme for buses of MMC-HVDC grids. IET Renew. Power Gener. 2020, 14, 1541–1549. [Google Scholar] [CrossRef]
- Nanayakkara, O.M.K.K.; Rajapakse, A.D.; Wachal, R. Location of DC Line Faults in Conventional HVDC Systems With Segments of Cables and Overhead Lines Using Terminal Measurements. IEEE Trans. Power Deliv. 2012, 27, 279–288. [Google Scholar] [CrossRef]
- Nanayakkara, O.M.K.K.; Rajapakse, A.D.; Wachal, R. Traveling-Wave-Based Line Fault Location in Star-Connected Multiterminal HVDC Systems. IEEE Trans. Power Deliv. 2012, 27, 2286–2294. [Google Scholar] [CrossRef]
- Panahi, H.; Sanaye-Pasand, M.; Zamani, R.; Mehrjerdi, H. A Novel DC Transmission System Fault Location Technique for Offshore Renewable Energy Harvesting. IEEE Trans. Power Deliv. 2020, 35, 2885–2895. [Google Scholar] [CrossRef]
- Mahfouz, M.M.; El-Sayed, M.A. One-end protection algorithm for offshore wind farm HVDC transmission based on travelling waves and cross-alienation. Electr. Power Syst. Res. 2020, 185, 106355. [Google Scholar] [CrossRef]
- Huai, Q.; Liu, K.; Hooshyar, A.; Ding, H.; Qin, L.; Chen, K. Line fault location for multi-terminal MMC-HVDC system based on SWT and SVD. IET Renew. Power Gener. 2020, 14, 4043–4052. [Google Scholar] [CrossRef]
- Yang, J.; Fletcher, J.E.; O’Reilly, J. Short-Circuit and Ground Fault Analyses and Location in VSC-Based DC Network Cables. IEEE Trans. Ind. Electron. 2012, 59, 3827–3837. [Google Scholar] [CrossRef]
- Farshad, M.; Sadeh, J. A Novel Fault-Location Method for HVDC Transmission Lines Based on Similarity Measure of Voltage Signals. IEEE Trans. Power Deliv. 2013, 28, 2483–2490. [Google Scholar] [CrossRef]
- Azizi, S.; Sanaye-Pasand, M.; Abedini, M.; Hasani, A. A Traveling-Wave-Based Methodology for Wide-Area Fault Location in Multiterminal DC Systems. IEEE Trans. Power Deliv. 2014, 29, 2552–2560. [Google Scholar] [CrossRef]
- Huai, Q.; Liu, K.; Hooshyar, A.; Ding, H.; Chen, K.; Liang, Q. Single-ended line fault location method for multi-terminal HVDC system based on optimized variational mode decomposition. Electr. Power Syst. Res. 2021, 194, 107054. [Google Scholar] [CrossRef]
- Wang, J.; Zhang, Y.; Li, T. Equivalent characteristic impedance based hybrid-HVDC transmission line fault location. Electr. Power Syst. Res. 2021, 194, 107055. [Google Scholar] [CrossRef]
- Lacerda, V.A.; Monaro, R.M.; Coury, D.V. Fault distance estimation in multiterminal HVDC systems using the Lomb-Scargle periodogram. Electr. Power Syst. Res. 2021, 196, 107251. [Google Scholar] [CrossRef]
- Dardengo, V.P.; Fardin, J.F.; de Almeida, M.C. Single-terminal fault location in HVDC lines with accurate wave velocity estimation. Electr. Power Syst. Res. 2021, 194, 107057. [Google Scholar] [CrossRef]
- Xiaoguang, Z.; Chunying, H.; Junbo, D.; Yubo, G.; Xiaohui, C. Research on a Highly Precise Fault Location Method for ±1100kV UHVDC Transmission Lines Based on Hilbert-Huang Transform. In Proceedings of the 2019 IEEE 8th International Conference on Advanced Power System Automation and Protection (APAP), Xi’an, China, 21–24 October 2019; pp. 850–854. [Google Scholar] [CrossRef]
- Wang, D.; Hou, M. Travelling wave fault location algorithm for LCC-MMC-MTDC hybrid transmission system based on Hilbert-Huang transform. Int. J. Electr. Power Energy Syst. 2020, 121, 106125. [Google Scholar] [CrossRef]
- Mehdi, A.; Kim, C.H.; Hussain, A.; Kim, J.S.; Hassan, S.J.U. A Comprehensive Review of Auto-Reclosing Schemes in AC, DC, and Hybrid (AC/DC) Transmission Lines. IEEE Access 2021, 9, 74325–74342. [Google Scholar] [CrossRef]
- Wen, W.; Liu, H.; Li, B.; Li, P.; Zhang, N.; Gao, C.; Wang, C. Novel Reclosing Strategy Based on Transient Operating Voltage in Pseudobipolar DC System With Mechanical DCCB. IEEE Trans. Power Electron. 2021, 36, 4125–4133. [Google Scholar] [CrossRef]
- Li, B.; Mao, Q.; He, J.; Li, Y.; Wu, T.; Dai, W.; Li, X.; Yu, Q. Adaptive reclosing strategy for the mechanical DC circuit breaker in VSC-HVDC grid. Electr. Power Syst. Res. 2021, 192, 107008. [Google Scholar] [CrossRef]
- Li, B.; He, J.; Li, Y.; Wen, W. A Novel DCCB Reclosing Strategy for the Flexible HVDC Grid. IEEE Trans. Power Deliv. 2020, 35, 244–257. [Google Scholar] [CrossRef]
- Yang, S.; Xiang, W.; Lu, X.; Zuo, W.; Wen, J. An Adaptive Reclosing Strategy for MMC-HVDC Systems With Hybrid DC Circuit Breakers. IEEE Trans. Power Deliv. 2020, 35, 1111–1123. [Google Scholar] [CrossRef]
- Song, G.; Wang, T.; Hussain, K.S. DC Line Fault Identification Based on Pulse Injection From Hybrid HVDC Breaker. IEEE Trans. Power Deliv. 2019, 34, 271–280. [Google Scholar] [CrossRef]
- Yang, S.; Wen, J.; Xiang, W. A Fault identification Method for MMC based DC Grids with Hybrid DCCBs. In Proceedings of the 2020 IEEE Power & Energy Society General Meeting (PESGM), Virtual, 2–6 August 2020. [Google Scholar]
- Zhang, S.; Zou, G.; Li, B.; Xu, B.; Li, J. Fault property identification method and application for MTDC grids with hybrid DC circuit breaker. Int. J. Electr. Power Energy Syst. 2019, 110, 136–143. [Google Scholar] [CrossRef]
- Kontos, E.; Pinto, R.T.; Rodrigues, S.; Bauer, P. Impact of HVDC Transmission System Topology on Multiterminal DC Network Faults. IEEE Trans. Power Deliv. 2015, 30, 844–852. [Google Scholar] [CrossRef]
- Leterme, W.; Pirooz Azad, S.; Van Hertem, D. HVDC grid protection algorithm design in phase and modal domains. IET Renew. Power Gener. 2018, 12, 1538–1546. [Google Scholar] [CrossRef]
- Bucher, M.K.; Wiget, R.; Andersson, G.; Franck, C.M. Multiterminal HVDC Networks—What is the Preferred Topology? IEEE Trans. Power Deliv. 2014, 29, 406–413. [Google Scholar] [CrossRef]
- Jahn, I.; Chaffey, G.; Svensson, N.; Norrga, S. A holistic method for optimal design of HVDC grid protection. Electr. Power Syst. Res. 2021, 196, 107234. [Google Scholar] [CrossRef]
- Akhmatov, V.; Callavik, M.; Franck, C.M.; Rye, S.E.; Ahndorf, T.; Bucher, M.K.; Müller, H.; Schettler, F.; Wiget, R. Technical Guidelines and Prestandardization Work for First HVDC Grids. IEEE Trans. Power Deliv. 2014, 29, 327–335. [Google Scholar] [CrossRef]
- Liu, Z.; Mirhosseini, S.S.; Popov, M.; Audichya, Y.; Colangelo, D.; Jamali, S.; Palensky, P.; Hu, W.; Chen, Z. Protection Testing for Multiterminal High-Voltage dc Grid: Procedures and Assessment. IEEE Ind. Electron. Mag. 2020, 14, 46–64. [Google Scholar] [CrossRef]
- CIGRE Working Group B4.56. TB 657: Guidelines for the Preparation of “Connection Agreements” or “Grid Codes” for Multi-Terminal Schemes and DC Grids. 2016. Available online: https://e-cigre.org/publication/657-guidelines-for-the-preparation-of-connection-agreements-or-grid-codes-for-multi-terminal-schemes-and-dc-grids (accessed on 30 October 2022).
- CIGRE Joint Working Group A3/B4.34. TB 683: Technical Requirements and Specifications of State-of-the-Art HVDC Switching Equipment. 2017. Available online: https://e-cigre.org/publication/683-technical-requirements-and-specifications-of-state-of-the-art-hvdc-switching-equipment (accessed on 30 October 2022).
- CIGRE Working Group B4.57. TB 604: Guide for the Development of Models for HVDC Converters in a HVDC Grid. 2014. Available online: https://e-cigre.org/publication/604-guide-for-the-development-of-models-for-hvdc-converters-in-a-hvdc-grid (accessed on 30 October 2022).












| Comparison Aspect | LCCs | VSCs |
|---|---|---|
| Semiconductor switch | Thyristor | IGBT |
| Switch controllability | Semi-controllable | Fully-controllable |
| Commutation failure | Yes | No |
| DC Link | Constant current polarity | Constant voltage polarity |
| Power reversal | Slow (requires voltage reversal) | Simple and fast (no need for voltage reversal) |
| Harmonics | Low-order harmonics | High-order harmonics |
| Filter Size | Large | Small |
| Active and Reactive Power Control | Coupled control | Decoupled control |
| Reactive Compensation Requirement | Yes | No |
| Reactive support provision | No | Yes |
| Black-start capability | No | Yes |
| HVDC Project | Country | Commissioning Year | Capacity | DC Voltage Level | Grid Configuration | Number of Terminals |
|---|---|---|---|---|---|---|
| Zhangbei [12] | China | 2021 | 4.5 GW | kV | Meshed | Four 1 |
| NordLink [13] | Germany/Norway | 2021 | 1.4 GW | kV | Point-to-point | Two |
| North Sea Link 2 [14] | Norway/UK | 2021 | GW | kV | Point-to-point | Two |
| Wudongde [15] | China | 2020 | 8 GW | kV | Star-connected | Three |
| Changji-Guquan 3 [16] | China | 2019 | 12 GW | kV | Point-to-point | Two |
| Maritime Link [17] | Canada | 2018 | 500 MW | kV | Point-to-point | Two |
| Zhoushan [18] | China | 2014 | 1 GW | kV | Meshed | Five 4 |
| Nan’ao [19] | China | 2013 | 200 MW | kV | Star-connected | Three |
| Employed Transmission Facility | Common Roots | Fault Type | Fault Nature |
|---|---|---|---|
| Overhead Lines | 1. Direct lightning strikes. | Pole-To-Ground | Temporary |
| 2. Indirect back flashover across insulators. | Pole-To-Ground | Temporary | |
| 3. Sudden contact between conductors or between one conductor and ground due to external objects (such as trees or birds). | Pole-To-Ground or Pole-To-Pole | Temporary | |
| 4. Swinging of conductors due to severe storms. | Pole-To-Pole | Temporary | |
| 5. Broken conductors. | Pole-To-Ground | Permanent | |
| 6. Insulation failure due to aging or pollution. | Pole-To-Ground | Permanent | |
| 7. Tower collapse due to natural disasters. | Pole-To-Pole-To-Ground | Permanent | |
| Underground Cables | 1. Insulation failure due to aging, overloading, etc. | Pole-To-Ground | Permanent |
| 2. Uncoordinated digging works. | Pole-To-Ground | Permanent | |
| 3. Improper cable burial. | Pole-To-Ground | Permanent | |
| Submarine (Undersea) Cables | 1. Insulation failure due to aging, overloading, etc. | Pole-To-Ground | Permanent |
| 2. Anchor and pack ice damages. | Pole-To-Ground | Permanent | |
| 3. Fishing gears. | Pole-To-Ground | Permanent |
| Ref. (Year) (Category) | Exchanged Data | Mathematical Analysis Tool | Algorithm Triggering Criterion | Sampling Frequency (kHz) | Window Length (Number of Samples) | Tested Grid Configuration | Converter Topology | Fault Resistance Coverage | Operation Time (ms) |
|---|---|---|---|---|---|---|---|---|---|
| [81] (2016) (differential) | Current measurements | DWT | High-frequency transients | 100 | 1000 | Three-terminal star-connected | Three-level NPC-VSC | 10 | |
| [82] (2015) (differential) | Current measurements | Direct data processing | Differential current | 10 | Instantaneous measures | Four-terminal meshed grid | Two-level LCL-VSC | N/A | 30–60 |
| [83] (2018) (differential) | Current measurements | Direct data processing | Differential current | N/A | Instantaneous measures | CIGRE test grid | Full-bridge MMC | 20 | |
| [84] (2021) (differential) | Current measurements | Phase modal transformation | Differential current (1-mode) | 10 | Instantaneous measures | Three-terminal star-connected | LCC/MMC (hybrid) | ||
| [88] (2013) (directional) | Current polarity | Direct data processing | Current direction change | 2 | 10 | point-to-point | Two-level VSC | 10 | |
| [90] (2019) (directional) | Reactor voltage polarity | Phase modal transformation | Reactor voltage gradient | 50 | 25 | Four-terminal meshed grid | Half-bridge MMC | 3 | |
| [89] (2018) (directional) | Fault current direction | WTMM | Same as the main algorithm | 100 | Instantaneous measures | Four-terminal meshed grid | Two-level VSC | 3 | |
| [93] (2018) (directional) | Fault current direction | Direct data processing | Voltage/current variations | N/A | Instantaneous measures | Four-terminal meshed grid | Half-bridge MMC | 5 | |
| [94] (2018) (directional) | TE polarity | Integration of wave power | Abrupt voltage variations | 1000 | 500 | Four-terminal meshed grid | Half-bridge MMC | ||
| [96] (2021) (directional) | Current polarity | Direct data processing | Abrupt current variations | 20 | Instantaneous measures | Point-to-point | Half-bridge MMC | N/A | |
| [99] (2014) (directional) | FCFH current detection flag | DFT | Same as the main algorithm | N/A | 27 | Point-to-point | Two-level VSC | N/A | |
| [100] (2019) (directional) | FCFH current detection flag | HHT | Same as the main algorithm | 100 | 512 | CIGRE test grid | Two-level/three-level VSC | N/A | |
| [101] (2021) (directional) | Line mode voltage | MMG | MMG value | 10 | 31 | Four-terminal meshed grid | Half-bridge MMC | 5 | |
| [102] (2021) (directional) | Fault detection signal | Cosine distance function | Same as the main algorithm | 5 | 10 | Four-terminal meshed grid | Half-bridge MMC | 3 | |
| [103] (2021) (directional) | Forward and backward voltage waves | Improved HD hypothesis | Instantaneous frequency obtained from HHT | 20 | 40 | Four-terminal meshed grid | Half-bridge MMC |
| Ref. (Year) (Category) | Mathematical Analysis Tool | Algorithm Triggering Criterion | Sampling Frequency (KHz) | Window Length (Number of Samples) | Tested Grid Configuration | Converter Topology | Boundary Reactor Size (mH) | Fault Resistance Coverage | Operation Time (ms) |
|---|---|---|---|---|---|---|---|---|---|
| [105] (2016) (ROCOV) | Direct data processing | Same as the main algorithm | N/A | N/A | Three-terminal star-connected | Generic multilevel VSC | 100 | N/A | N/A |
| [71] (2018) (ROCOV) | Direct data processing | Same as the main algorithm | 25 | N/A | Three-terminal meshed grid | Half-bridge MMC | 40 | ||
| [107] (2016) (ROCOV/ROCOC) | Direct data processing | Undervoltage | 100 | 10 | Four-terminal meshed grid | Half-bridge MMC | 20–40 | ||
| [108] (2020) (ROCOC) | Direct data processing | Same as the main algorithm | N/A | N/A | Three-terminal star-connected | Half-bridge MMC | 40 | 1 | |
| [21] (2017) (Transient) | Butterworth band-pass filter | Voltage derivative | 50 | 50 | Five-terminal meshed grid | Two-level VSC | 10 | 1 | |
| [112] (2017) (Transient) | Direct data processing | Same as the main algorithm | 50 | 20 | Four-terminal meshed grid | Half-bridge MMC | 50 | N/A | |
| [72] (2020) (DC Reactor) | Direct data processing | Same as the main algorithm | N/A | N/A | Point-to-point | two-level VSC | 5–145 | N/A | |
| [73] (2018) (DC Reactor) | Direct data processing | DC reactor overvoltage | N/A | N/A | Four-terminal meshed grid | Half-bridge MMC | 150 | 1 | |
| [127] (2018) (Traveling Wave) | DWT | Current variation | 96 | 10 | Five-terminal meshed grid | Half-bridge MMC | 150 | 1 | |
| [136] (2020) (Traveling Wave) | FFT | Same as the main algorithm | 2000 | 1000 | CIGRE test grid | Half-bridge MMC | N/A | ||
| [141] (2020) (Traveling Wave) | PMT | Voltage derivative | N/A | N/A | Four-terminal meshed grid | Half-bridge MMC | 150 | ||
| [142] (2021) (Traveling Wave) | PMT | Voltage gradient | 20 | 6 | Four-terminal meshed grid | Half-bridge MMC | 200–300 | 1 | |
| [154] (2021) (Special) | PMT/MG | Undervoltage | 20 | N/A | Four-terminal meshed grid | Half-bridge MMC | 50 | ||
| [155] (2021) (Special) | MAD | Same as the main algorithm | 10 | 50 | Four-terminal meshed grid | LCL Half-bridge MMC | 20 | N/A | 3 |
| [158] (2020) (Special) | PMT/BBF (basic fitting function) | Same as the main algorithm | 200 | 200 | Four-terminal meshed grid | Half-bridge MMC | 100 | 1 |
Publisher’s Note: MDPI stays neutral with regard to jurisdictional claims in published maps and institutional affiliations. |
© 2022 by the authors. Licensee MDPI, Basel, Switzerland. This article is an open access article distributed under the terms and conditions of the Creative Commons Attribution (CC BY) license (https://creativecommons.org/licenses/by/4.0/).
Share and Cite
Radwan, M.; Azad, S.P. Protection of Multi-Terminal HVDC Grids: A Comprehensive Review. Energies 2022, 15, 9552. https://doi.org/10.3390/en15249552
Radwan M, Azad SP. Protection of Multi-Terminal HVDC Grids: A Comprehensive Review. Energies. 2022; 15(24):9552. https://doi.org/10.3390/en15249552
Chicago/Turabian StyleRadwan, Mohamed, and Sahar Pirooz Azad. 2022. "Protection of Multi-Terminal HVDC Grids: A Comprehensive Review" Energies 15, no. 24: 9552. https://doi.org/10.3390/en15249552
APA StyleRadwan, M., & Azad, S. P. (2022). Protection of Multi-Terminal HVDC Grids: A Comprehensive Review. Energies, 15(24), 9552. https://doi.org/10.3390/en15249552

