Modelling the Wind Turbine by Using the Tip-Speed Ratio for Estimation and Control
Abstract
1. Introduction
2. Dynamic Modelling of the Drivetrain
3. Steady-State Modelling
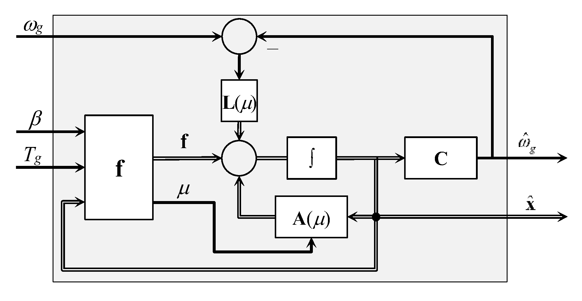
4. Observer Design Using the Model Based on the Tip-Speed Ratio
4.1. Observer Configuration
4.2. Determination of the Observer Gain
4.3. Stability and Convergence
5. Applications
5.1. Tip-Speed Ratio Control in Partial Load Operation
5.2. Estimation of Effective Wind Speed
6. Numerical Example
6.1. Parameters and Rated Values
6.2. Model Calibration
6.3. Observer Design
6.4. Tip-Speed Ratio Control in Partial Load Operation
6.5. Estimation of State Variables
6.6. Quantitative Analysis of the Observer Performance
7. Conclusions
Author Contributions
Funding
Institutional Review Board Statement
Informed Consent Statement
Data Availability Statement
Conflicts of Interest
Nomenclature
| Parameters | |
| Bg | Generator viscouse friction coefficient, Nm s/rad |
| Be | Equivalent friction coefficient, Nm s/rad |
| Br | Rotor viscouse friction coefficient, Nm s/rad |
| Cp | Power coefficient, -- |
| Cp,max | Maximum value of the power coefficient, -- |
| Dr | Damping coefficient of the low-speed shaft, Nm s/rad |
| K | Proportional constant, Nm/(rad/s)² |
| Kopt | Optimal proportional constant, Nm/(rad/s)² |
| Kr | Stiffness coefficient for the low-speed shaft, Nm/rad |
| K1, K2, K3, Kp, Ki, Km | Controller gains |
| Jr | Rotor mass moment of inertia, kg m² |
| Jg | Generator mass moment of inertia, kg m² |
| nx | Gearbox ratio, -- |
| Pm,rated | Rated mechanical power, MW |
| R | Rotor radius, m |
| Ta,rated | Rated aerodynamic torque, kg m² |
| Ta∞ | Steady-state value of the aerodynamic torque, kg m² |
| Tg,rated | Rated generator torque, kg m² |
| Tg∞ | Steady-state value of the generator torque, kg m² |
| vci | Cut-in value for the wind speed, m/s |
| vco | Cut-out value for the wind speed, m/s |
| vv,rated | Rated value for the wind speed, m/s |
| Δθ∞ | Steady-state value for twist angle for the low-speed shaft, rad |
| γ | Positive bounding constant (Equation (31)) |
| λ* | Optimal tip-speed ratio |
| λ∞ | Steady-state value for the tip-speed ratio |
| λmin | Minimum value for the tip-speed ratio |
| μ∞ | Steady-state value for μ, Hz |
| μmax | Maximum value for μ, Hz |
| ηx, ηg | Efficiency of gearbox and generator |
| ρa | Density of air, kg/m³ |
| ωg,rated | Rated value of the generator speed, rad/s |
| ωr,rated | Rated value of the rotor speed, rad/s |
| A | System matrix |
| c | Output vector |
| L | Observer gain |
| aij | Elements of matrix A |
| li | Elements of observer gain L |
| R(s) | Polynomial of Laplace variable s and coefficients ri |
| T(s) | Polynomial of Laplace variable s and coefficients ti |
| P(s) | Polynomial of Laplace variable s and coefficients pi |
| pi+, pi- | Extreme coefficients for interval polynomial P(s) |
| Variables | |
| Pm | Mechanical power, MW |
| Ta | Aerodynamic torque (on the low-speed shaft), kg m² |
| Tg | Generator torque (on the low-speed shaft), kg m² |
| vv | Wind speed, m/s |
| xi | State variables |
| β | Pitch angle, rad |
| Δθ | Twist angle of the low-speed shaft, rad |
| λ | Tip-speed ratio,-- |
| μ | vv/R, Hz |
| ωg | Generator speed, rad/s |
| ωr | Rotor speed, rad/s |
| Functions | |
| fcon | Controller function |
| f | Input vector function |
| g | Input vector function with output feedback |
References
- Bianchi, F.D.; Mantz, R.J.; De Battista, H. Wind Turbine Control Systems; Springer: London, UK, 2007; ISBN 978-1-846-28-492-23-7. [Google Scholar] [CrossRef]
- Gambier, A. Control of Large Wind Energy Systems; Springer Nature: Basel, Switzerland, 2022; ISBN 978-3-030-84894-15-8. [Google Scholar]
- Boukhezzar, B.; Siguerdidjane, H. Nonlinear Control of a Variable-Speed Wind Turbine Using a Two-Mass Model. IEEE Trans. Energy Convers. 2010, 26, 149–162. [Google Scholar] [CrossRef]
- Dang, D.Q.; Wang, Y.; Cai, W. A multi-objective optimal nonlinear control of variable speed wind turbine. In Proceedings of the IEEE International Conference on Control and Automation, Christchurch, New Zealand, 9–11 December 2009; pp. 17–22. [Google Scholar] [CrossRef]
- Sami, M.; Patton, R.J. An FTC Approach to Wind Turbine Power Maximisation via T-S Fuzzy Modelling and Control. In Proceedings of the 8th IFAC Symposium on Fault Detection, Supervision and Safety of Technical Processes, Mexico City, Mexico, 29–31 August 2012; pp. 349–354. [Google Scholar] [CrossRef]
- Xiao, S.; Yang, G.; Geng, H. Nonlinear pitch control design for load reduction on wind turbines. In Proceedings of the International Power Electronics Conference, Hiroshima, Japan, 18–21 May 2014; pp. 543–547. [Google Scholar] [CrossRef]
- Schlipf, D.; Schlipf, D.J.; Kühn, M. Nonlinear model predictive control of wind turbines using LIDAR. Wind Energy 2012, 16, 1107–1129. [Google Scholar] [CrossRef]
- Jelavic, M.; Peric, N. Wind turbine control for highly turbulent winds. Automatika 2009, 50, 35–151. [Google Scholar]
- Pournaras, C.; Riziotis, V.; Kladas, A. Wind Turbine Control Strategy Enabling Mechanical Stress Reduction Based on Dynamic Model Including Blade Oscillation Effects. In Proceedings of the 2008 International Conference on Electrical Machines, Vilamoura, Portugal, 6–9 September 2008; pp. 1–6. [Google Scholar] [CrossRef]
- Muyeen, S.M.; Ali, M.H.; Takahashi, R.; Murata, T.; Tamura, J.; Tomaki, Y.; Sakahara, A.; Sasano, E. Comparative study on transient stability analysis of wind turbine generator system using different drive train models. IET Renew. Power Gener. 2007, 1, 131–141. [Google Scholar] [CrossRef]
- Friis, J.; Nielsen, E.; Bonding, J.; Adegas, F.D.; Stoustrup, J.; Odgaard, P.F. Repetitive model predictive approach to individual pitch control of wind turbines. In Proceedings of the 50th IEEE Conference on Decision and Control and European Control Conference (CDC-ECC), Orlando, FL, USA, 12–15 December 2011; pp. 3664–3670. [Google Scholar] [CrossRef]
- Slootweg, J.G.; de Haan, S.W.H.; Polinder, H.; Kling, W.L. General model for representing variable speed wind turbines in power system dynamics simulations. IEEE Trans. Power Syst. 2003, 18, 144–151. [Google Scholar] [CrossRef]
- Salman, S.; Teo, A. Windmill modeling consideration and factors influencing the stability of a grid-connected wind power-based embedded generator. IEEE Trans. Power Syst. 2003, 18, 793–802. [Google Scholar] [CrossRef]
- Jasniewicz, B.; Geyler, M. Wind turbine modelling and identification for control system applications. In Proceedings of the European Wind Energy Conference (EWEC), Brussels, Belgium, 14–17 March 2011; pp. 280–284. [Google Scholar]
- Moriarty, P.J.; Butterfield, S.B. Wind turbine modeling overview for control engineers. In Proceedings of the 2009 American Control Conference, Saint Louis, MO, USA, 10–12 June 2009; pp. 2090–2095. [Google Scholar] [CrossRef]
- Gonzalez-Longatt, F.; Regulski, P.; Novanda, H.; Terzija, V. Impact of shaft stiffness on inertial response of fixed speed wind turbines. Autom. Electr. Power Syst. 2012, 36, 191–198. [Google Scholar] [CrossRef]
- Ramtharan, G.; Jenkins, N.; Anaya-Lara, O.; Bossanyi, E. Influence of structural dynamic representations of FSIG wind turbines on electrical transients. Wind Energy 2007, 10, 293–301. [Google Scholar] [CrossRef]
- Bajpai, R.S.; Goyal, M.; Gupta, R. Modeling and control of variable speed wind turbine using laboratory simulator. J. Renew. Sustain. Energy 2015, 7, 053127. [Google Scholar] [CrossRef]
- Gambier, A. Dynamic Modelling of the Rotating Subsystem of a Wind Turbine for Control Design Purposes. IFAC-PapersOnLine 2017, 50, 9896–9901. [Google Scholar] [CrossRef]
- Balasundar, C.; Sudharshanan, S.; Elakkiyavendan, R. Design of an optimal tip speed ratio control MPPT algorithm for standalone WECS. Int. J. Res. Appl. Sci. Eng. Technol. 2015, 3, 442–450. [Google Scholar]
- Nasiri, M.; Milimonfared, J.; Fathi, S. Modeling, analysis and comparison of TSR and OTC methods for MPPT and power smoothing in permanent magnet synchronous generator-based wind turbines. Energy Convers. Manag. 2014, 86, 892–900. [Google Scholar] [CrossRef]
- Thongam, J.S.; Ouhrouche, M. MPPT control methods in wind energy conversion systems. In Fundamental and Advanced Topics in Wind Power; IntechOpen: Rijeka, Croatia, 2011; pp. 339–360. [Google Scholar] [CrossRef]
- Jena, D.; Rajendran, S. A review of estimation of effective wind speed based control of wind turbines. Renew. Sustain. Energy Rev. 2015, 43, 1046–1062. [Google Scholar] [CrossRef]
- Ortega, R.; Mancilla-David, F.; Jaramillo, F. A globally convergent wind speed estimator for windmill systems. Int. J. Adapt. Control. Signal Process. 2013, 27, 413–425. [Google Scholar] [CrossRef]
- Odgaard, P.F.; Stoustrup, J. Unknown input observer based estimation of wind speed for wind turbines control. In Proceedings of the 18th IFAC World Congress, Milan, Italy, 28 August–2 September 2011; pp. 1698–1703. [Google Scholar] [CrossRef]
- Østergaard, K.Z.; Brath, P.; Stoustrup, J. Estimation of effective wind speed. J. Phys. Conf. Ser. 2007, 75, 012082. [Google Scholar] [CrossRef]
- Khoshrodi, M.N.; Jannati, M.; Sutikno, T. A Review of Wind Speed Estimation for Wind Turbine Systems Based on Kalman Filter Technique. Int. J. Electr. Comput. Eng. 2016, 6, 1406–1411. [Google Scholar] [CrossRef]
- Chen, H.; Zhang, Y. Power System Optimization: Large-Scale Complex Systems Approaches; John Wiley & Sons: Singapore, 2016; ISBN 978-1-118-72478-1. [Google Scholar]
- Mahmoud, M.S.; Hassan, M.F.; Darwish, M.G. Large-Scale Systems; Marcel Dekker Inc.: New York, NY, USA, 1985; ISBN 978-082-477289-5. [Google Scholar]
- Leithead, W.E.; de la Salle, S.A.; Reardon, D.; Grimble, M.J. Wind turbine modelling and control. In Proceedings of the International Conference on Control’91, Edinburgh, UK, 25–28 March 1991; pp. 1–6. [Google Scholar]
- Girsang, I.P.; Dhupia, J.S.; Muljadi, E.; Singh, M.; Pao, L.Y. Gearbox and Drivetrain Models to Study Dynamic Effects of Modern Wind Turbines. IEEE Trans. Ind. Appl. 2014, 50, 3777–3786. [Google Scholar] [CrossRef]
- Fortmann, J. Modeling of Wind Turbines with Doubly Fed Generator System; Springer: Wiesbaden, Germany, 2014; ISBN 978-3658-06882-0. [Google Scholar] [CrossRef]
- Rotea, M.A. Logarithmic Power Feedback for Extremum Seeking Control of Wind Turbines. IFAC-PapersOnLine 2017, 50, 4504–4509. [Google Scholar] [CrossRef]
- Burton, T.; Jenkins, N.; Sharpe, D.; Bossanyi, E. Wind Energy Handbook, 2nd ed.; John Wiley & Sons: Chichester, UK, 2011; ISBN 978-1-119-99271-4. [Google Scholar]
- Dekkers, R. Steady-state model. In Applied Systems Theory, 2nd ed.; Springer Nature: Cham, Switzerland, 2014; pp. 173–192. [Google Scholar] [CrossRef]
- Aljafari, B.; Stephenraj, J.P.; Vairavasundaram, I.; Rassiah, R.S. Steady State Modeling and Performance Analysis of a Wind Turbine-Based Doubly Fed Induction Generator System with Rotor Control. Energies 2022, 15, 3327. [Google Scholar] [CrossRef]
- Bonfiglio, A.; Delfino, F.; Gonzalez-Longatt, F.; Procopio, R. Steady-state assessments of PMSGs in wind generating units. Int. J. Electr. Power Energy Syst. 2017, 90, 87–93. [Google Scholar] [CrossRef]
- Johnson, K.; Pao, L.; Balas, M.; Kulkami, V.; Fingersh, L. Stability analysis of an adaptive torque controller for variable speed wind turbines. In Proceedings of the 3rd IEEE Conference on Decision and Control, Nassau, Bahamas, 14–17 December 2004; pp. 4087–4094. [Google Scholar] [CrossRef]
- Trinh, H.; Fernando, T. Functional Observers for Dynamical Systems 420; Springer: Berlin, Germany, 2012; ISBN 978-3-642-26955-4. [Google Scholar]
- Boutat, D.; Zheng, G. Observer Design for Nonlinear Dynamical Systems: Differential Geometric Methods 487; Springer Nature: Cham, Switzerland, 2021; ISBN 978-3-030-73742-9. [Google Scholar]
- Bullinger, E.; Ilchmann, A.; Allgöwer, F. A Simple Adaptive Observer for Nonlinear Systems. IFAC Proc. Vol. 1998, 31, 781–786. [Google Scholar] [CrossRef]
- Ellis, G. Observers in Control Systems: A Practical Guide; Academic Press: San Diego, CA, USA, 2002; ISBN 978-0-122-37472-2. [Google Scholar]
- Gouzé, J.; Rapaport, A.; Hadj-Sadok, M. Interval observers for uncertain biological systems. Ecol. Model. 2000, 133, 45–56. [Google Scholar] [CrossRef]
- Khan, A.; Xie, W.; Zhang, L.; Liu, L. Design and applications of interval observers for uncertain dynamical systems. IET Circuits Devices Syst. 2020, 14, 721–740. [Google Scholar] [CrossRef]
- Oubabas, H.; Djennoune, S.; Bettayeb, M. Interval sliding mode observer design for linear and nonlinear systems. J. Process Control 2018, 61, 12–22. [Google Scholar] [CrossRef]
- Khan, A.; Xie, W.; Zhang, B.; Liu, L.-W. A survey of interval observers design methods and implementation for uncertain systems. J. Frankl. Inst. 2021, 358, 3077–3126. [Google Scholar] [CrossRef]
- Bhattacharyya, S.P.; Chapellat, H.; Keel, L.H. Robust Control. The Parametric Approach; Prentice Hall: Upper Saddle River, UK, 1995; ISBN 978-0137815760. [Google Scholar]
- Ciri, U.; Leonardi, S.; Rotea, M.A. Evaluation of log-of-power extremum seeking control for wind turbines using large eddy simulations. Wind Energy 2019, 22, 992–1002. [Google Scholar] [CrossRef]
- Gambier, A.; Nazaruddin, Y.Y. Wind Turbine Control in Partial Load Operation by Using the Optimization Algorithms from the Deep Learning Techniques. In Proceedings of the 2022 International Automatic Control Conference, Kaohsiung, Taiwan, 3–6 November 2022. [Google Scholar] [CrossRef]
- Ashuri, T.; Martins, J.R.R.A.; Zaaijer, M.B.; van Kuik, G.A.M.; van Bussel, G.J.W. Aeroservoelastic design definition of a 20 MW common research wind turbine model. Wind Energy 2016, 19, 2071–2087. [Google Scholar] [CrossRef]
- Chamoli, S.; Gambier, A. Modelling, Parametrization and Observer Design of a 20 MW Reference Wind Turbine for Control Purposes. J. Phys. Conf. Ser. 2020, 1618, 022031. [Google Scholar] [CrossRef]
- Gambier, A.; Meng, F. Control System Design for a 20 MW Reference Wind Turbine. In Proceedings of the 12th Asian Control Conference, Hong Kong, China, 19–21 August 2019; pp. 258–263. [Google Scholar] [CrossRef]
- Jonkman, J.; Jonkman, B.J. FAST modularization framework for wind turbine simulation: Full-system linearization. J. Phys. Conf. Ser. 2016, 753, 082010. [Google Scholar] [CrossRef]
- Visioli, A. Practical PID Control; Springer: London, UK, 2006; ISBN 978-1-84628-586-8. [Google Scholar]
- Schwer, L.E. Validation metrics for response histories: Perspectives and case studies. Eng. Comput. 2007, 23, 295–309. [Google Scholar] [CrossRef]
- Teferra, K.; Shields, M.D.; Hapij, A.; Daddazio, R.P. Mapping model validation metrics to subject matter expert scores for model adequacy assessment. Reliab. Eng. Syst. Saf. 2014, 132, 9–19. [Google Scholar] [CrossRef]
- Kenko, D.G. A Real-time wind turbine simulation for pitch control purposes by using a hardware-in-the-loop approach. In Proceedings of the 21st International Conference on Modelling and Applied Simulation, Rome, Italy, 19−21 September 2022. [Google Scholar] [CrossRef]

















| Parameter | Notation | Values | Units |
|---|---|---|---|
| Equivalent shaft spring constant | Kr | 6.94 × 109 | Nm/rad |
| Equivalent shaft damping constant | Dr | 4.97 × 107 | Nm/(rad/s) |
| Gearbox ratio | nx | 164 | -- |
| Gearbox efficiency, generator efficiency | ηx, ηg | 97.8, 96.1 | % |
| Rotor radius | R | 138 | m |
| Rotor mass moment of inertia | Jr | 2919.66 × 106 | kg m2 |
| Mass moment of inertia of the generator | Jg | 7248.32 | kg m2 |
| Variable | Notation | Values | Units |
|---|---|---|---|
| Rated mechanical power | Pm,rated | 21.191 | MW |
| Rated rotor speed | ωr,rated | 7.1567 | rpm |
| Rated generator speed | ωg,rated | 1173.7 | rad/s |
| Cut-in, rated, and cut-out wind speed | vci, vw,rated, vco | 4.48, 10.92, 25 | m/s |
| Rated aerodynamic torque (on the low-speed shaft) | Ta,rated | 28434.7 | kNm |
| Rated generator torque (on the high-speed shaft) | Tg,rated | 169.76 | kNm |
| Maximum value of the power coefficient Cp | Cp,max | 0.4812 | -- |
| Optimal tip-speed ratio | λ* | 10.115 | -- |
| Density of air | ρa | 1.225 | kg/m3 |
| Variable | Notation | Values | Units |
|---|---|---|---|
| Rotor speed | ωr∞ | 0.7495 | rad/s |
| Generator speed | ωg∞ | 122.912 | rad/s |
| Aerodynamic torque (on the low-speed shaft) | Ta∞ | 28,225.215 | kNm |
| Generator torque | Tg∞ | 168.424 | kNm |
| Parameter | λ | ωg | Δθr | ωr | μ | vw |
|---|---|---|---|---|---|---|
| MAE (Mean Absolute Error) | 0.2676 | 0.0026 | 9.6978 × 10−6 | 4.7753 × 10−4 | 0.1646 | 0.0012 |
| MSE (Mean Square Error) | 0.2438 | 1.555 × 10−5 | 3.3227 × 10−10 | 8.8550 × 10−7 | 0.0925 | 4.8028 × 10−6 |
| R-squared (Square of the correlation) | 0.9336 | 1.0000 | 0.5130 | 1.0000 | 0.9528 | 0.9535 |
| RMSE (Root Mean Squared Error) | 0.4938 | 0.0039 | 1.8228 × 10−5 | 9.4101 × 10−4 | 0.3041 | 0.0592 |
| NRMSE (Normalized RMSE) | 0.0713 | 4.4283 × 10−5 | 0.0647 | 0.0017 | 0.0597 | 0.0022 |
Publisher’s Note: MDPI stays neutral with regard to jurisdictional claims in published maps and institutional affiliations. |
© 2022 by the author. Licensee MDPI, Basel, Switzerland. This article is an open access article distributed under the terms and conditions of the Creative Commons Attribution (CC BY) license (https://creativecommons.org/licenses/by/4.0/).
Share and Cite
Gambier, A.; Nazaruddin, Y.Y. Modelling the Wind Turbine by Using the Tip-Speed Ratio for Estimation and Control. Energies 2022, 15, 9454. https://doi.org/10.3390/en15249454
Gambier A, Nazaruddin YY. Modelling the Wind Turbine by Using the Tip-Speed Ratio for Estimation and Control. Energies. 2022; 15(24):9454. https://doi.org/10.3390/en15249454
Chicago/Turabian StyleGambier, Adrian, and Yul Yunazwin Nazaruddin. 2022. "Modelling the Wind Turbine by Using the Tip-Speed Ratio for Estimation and Control" Energies 15, no. 24: 9454. https://doi.org/10.3390/en15249454
APA StyleGambier, A., & Nazaruddin, Y. Y. (2022). Modelling the Wind Turbine by Using the Tip-Speed Ratio for Estimation and Control. Energies, 15(24), 9454. https://doi.org/10.3390/en15249454

