Investigation of Electromagnetic Losses Considering Current Harmonics in High-Speed Permanent Magnet Synchronous Motor
Abstract
1. Introduction
2. High-Speed Permanent Magnet Synchronous Motor with SVPWM Inverter
2.1. Design Specifications of the HPMSM
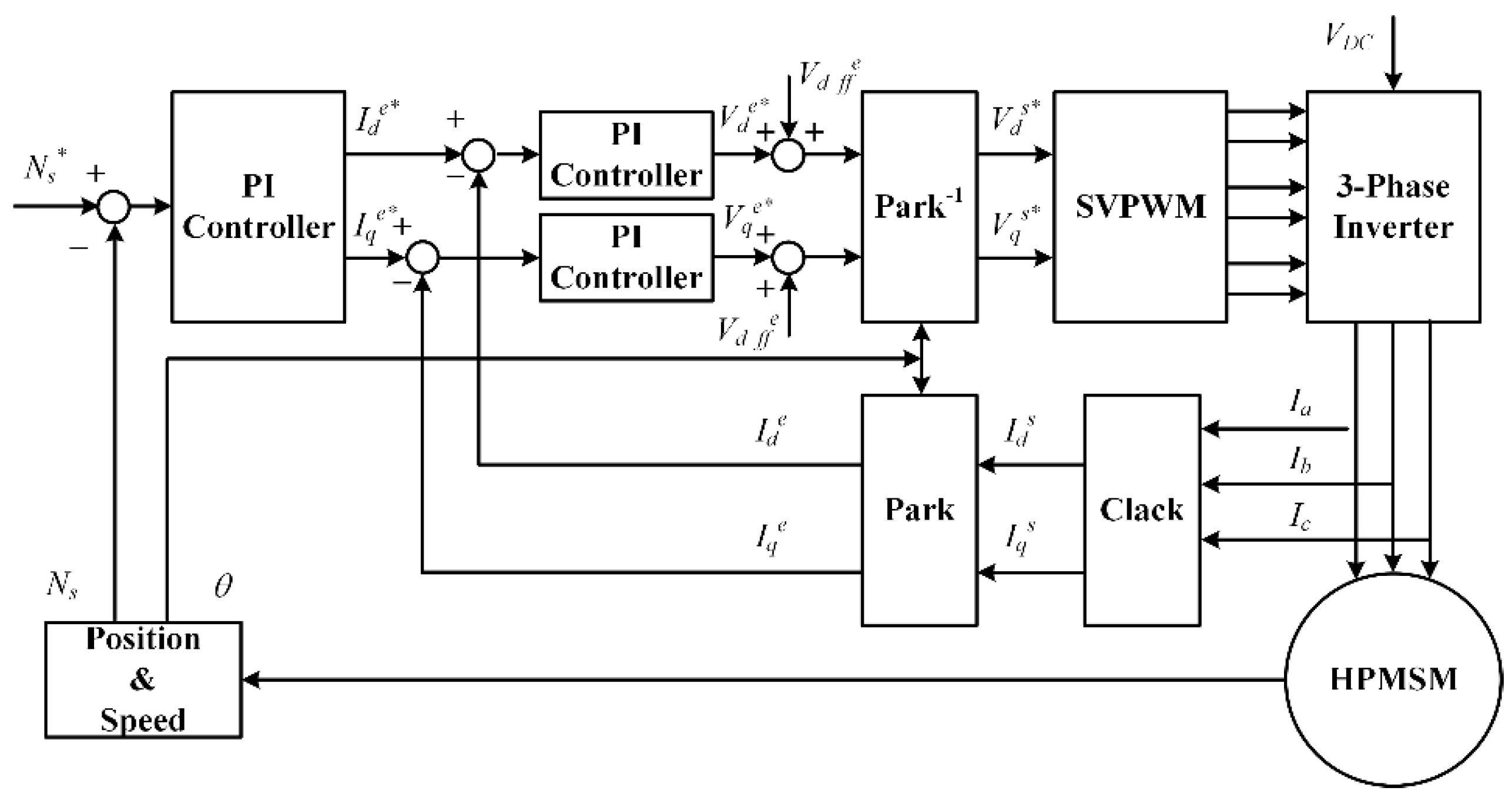
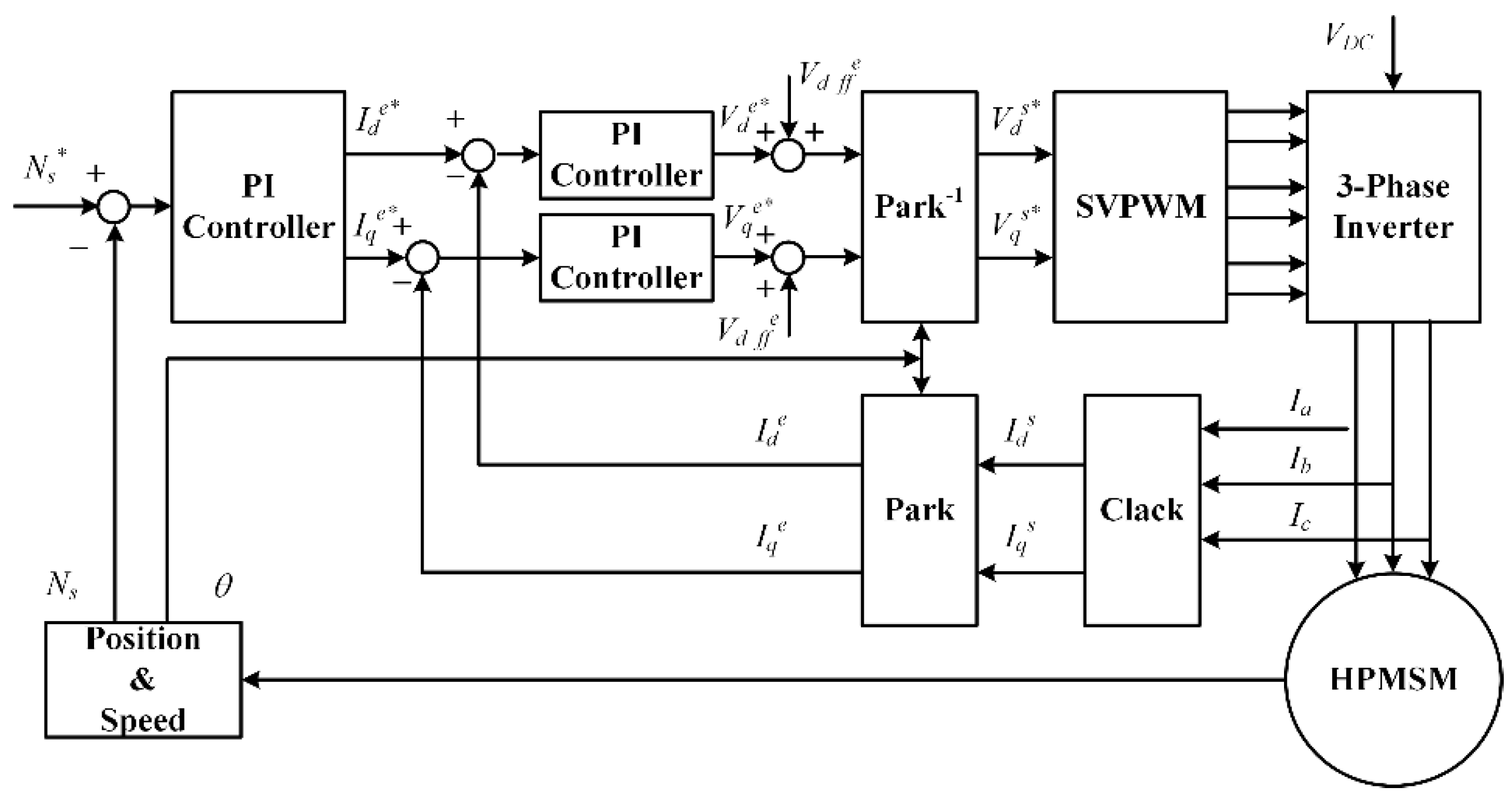
2.2. Dynamic Simulation Model with HPMSM and SVPWM Inverter
3. Electromagnetic Loss Components with Harmonic Current
3.1. Copper Losses in the Stator Winding
3.2. Eddy Current Losses in the Rotor Sleeve and PM
3.3. Core Losses in the Stator Core
4. Experimental Setup and Performance Evaluation
4.1. No-Load Test
4.2. Load Test
5. Results and Discussion
6. Conclusions
Author Contributions
Funding
Data Availability Statement
Conflicts of Interest
References
- Gerada, D.; Mebarki, A.; Brown, N.L.; Gerada, C.; Cavagnino, A.; Boglietti, A. High-speed electrical machines: Technologies, trends, and developments. IEEE Trans. Ind. Electron. 2013, 61, 2946–2959. [Google Scholar] [CrossRef]
- Dong, J.; Huang, Y.; Jin, L.; Lin, H. Comparative study of surface-mounted and interior permanent-magnet motors for high-speed applications. IEEE Trans. Appl. Supercond. 2016, 26, 5200304. [Google Scholar] [CrossRef]
- Bramerdorfer, G.; Tapia, J.A.; Pyrhönen, J.J.; Cavagnino, A. Modern Electrical Machine Design Optimization: Techniques, Trends, and Best Practices. IEEE Trans. Ind. Electron. 2018, 65, 7672–7684. [Google Scholar] [CrossRef]
- Schwager, L.; Tuysuz, A.; Zwyssig, C.; Kolar, J.W. Modeling and comparison of machine and converter losses for PWM and PAM in high-speed drives. IEEE. Trans. Ind. Appl. 2014, 50, 995–1006. [Google Scholar] [CrossRef]
- Zhang, C.; Chen, L.; Wang, X.; Tang, R. Loss Calculation and Thermal Analysis for High-Speed Permanent Magnet Synchronous Machines. IEEE Access 2020, 8, 92627–92636. [Google Scholar] [CrossRef]
- Jumayev, S.; Merdzan, M.; Boynov, K.; Paulides, J.; Pyrhönen, J.; Lomonova, E. The effect of PWM on rotor eddy-current losses in high-speed permanent magnet machines. IEEE Trans. Magn. 2015, 51, 8109204. [Google Scholar] [CrossRef]
- Miyama, Y.; Hazeyama, M.; Hanioka, S.; Watanabe, N.; Daikoku, A.; Inoue, M. PWM Carrier Harmonic Iron Loss Reduction Technique of Permanent Magnet Motors for Electric Vehicles. IEEE Trans. Ind. Appl. 2016, 52, 2865–2871. [Google Scholar] [CrossRef]
- Gu, C.; Wang, X.L.; Deng, Z.Q. Evaluation of three improved space-vector-modulation strategies for the high-speed permanent magnet motor fed by a SiC/Si hybrid inverter. IEEE Trans. Power Electron. 2021, 36, 4399–4409. [Google Scholar] [CrossRef]
- Zhuo, L.; Yang, D.; Sun, R.; Sun, L.; Zou, J. Accurate Calculation of Iron Loss of High-Temperature and High-Speed Permanent Magnet Synchronous Generator under the Conditions of SVPWM Modulation. Energies 2022, 15, 2315. [Google Scholar] [CrossRef]
- Woo, J.H.; Bang, T.K.; Lee, H.K.; Kim, K.H.; Shin, S.H.; Choi, J.Y. Electromagnetic characteristic analysis of high-speed motors with rare-earth and ferrite permanent magnets considering current harmonics. IEEE Trans. Magn. 2021, 57, 8201805. [Google Scholar] [CrossRef]
- Wrobel, R.; Mellor, P.H.; Popescu, M.; Staton, D.A. Power Loss Analysis in Thermal Design of Permanent-Magnet Machines—A Review. IEEE Trans. Ind. Appl. 2016, 52, 1359–1368. [Google Scholar] [CrossRef]
- Huynh, C.; Zheng, L.; Acharya, D. Losses in High Speed Permanent Magnet Machines Used in Microturbine Applications. J. Eng. Gas Turbines Power 2008, 131, 022301. [Google Scholar] [CrossRef]
- Birnkammer, F.; Chen, J.; Pinhal, D.B.; Gerling, D. Influence of the Modeling Depth and Voltage Level on the AC Losses in Parallel Conductors of a Permanent Magnet Synchronous Machine. IEEE Trans. Appl. Supercond. 2018, 28, 0601705. [Google Scholar] [CrossRef]
- Liu, J.; Fan, X.; Li, D.; Qu, R.; Fang, H. Minimization of AC copper loss in permanent magnet machines by transposed coil connection. IEEE Trans. Ind. Appl. 2021, 57, 2460–2470. [Google Scholar] [CrossRef]
- Popescu, M.; Dorrell, D.G. Proximity Losses in the Windings of High-Speed Brushless Permanent Magnet AC Motors With Single Tooth Windings and Parallel Paths. IEEE Trans. Magn. 2013, 49, 3913–3916. [Google Scholar] [CrossRef]
- Gonzalez, D.A.; Saban, D.M. Study of the Copper Losses in a High-Speed Permanent-Magnet Machine with Form-Wound Windings. IEEE Trans. Ind. Electron. 2013, 61, 3038–3045. [Google Scholar] [CrossRef]
- Du, G.; Ye, W.; Zhang, Y.; Wang, L.; Pu, T. Comprehensive Analysis of Influencing Factors of AC Copper Loss for High-Speed Permanent Magnet Machine with Round Copper Wire Windings. Machines 2022, 10, 731. [Google Scholar] [CrossRef]
- Han, T.; Wang, Y.C.; Shen, J.X. Analysis and Experiment Method of Influence of Retaining Sleeve Structures and Materials on Rotor Eddy Current Loss in High-Speed PM Motors. IEEE Trans. Ind. Appl. 2020, 56, 4889–4895. [Google Scholar] [CrossRef]
- Kim, J.H.; Kim, D.M.; Jung, Y.H.; Lim, M.S. Design of ultra-high-speed motor for fcev air compressor considering mechanical properties of rotor materials. IEEE Trans. Energy Convers. 2021, 36, 2850–2860. [Google Scholar] [CrossRef]
- Shin, K.; Park, H.; Cho, H.; Choi, J. Semi-three-dimensional analytical torque calculation and experimental testing of an eddy current brake with permanent magnets. IEEE Trans. Appl. Supercond. 2018, 28, 5203205. [Google Scholar] [CrossRef]
- Ansys GRANTA Multi Campus Solution Software; ANSYS, Inc.: Cambridge, UK, 2022; Available online: http://www.ansys.com/materials (accessed on 15 October 2022).
- Shin, K.H.; Hong, K.; Cho, H.W.; Choi, J.Y. Core Loss Calculation of Permanent Magnet Machines Using Analytical Method. IEEE Trans. Appl. Supercond. 2018, 28, 5205005. [Google Scholar] [CrossRef]
- Kim, C.W.; Koo, M.M.; Kim, J.M.; Ahn, J.H.; Hong, K.Y.; Choi, J.Y. Core Loss Analysis of Permanent Magnet Synchronous Generator with Slotless Stator. IEEE Trans. Appl. Supercond. 2018, 28, 5204404. [Google Scholar] [CrossRef]
- Zhu, S.; Cheng, M.; Dong, J.; Du, J. Core loss analysis and calculation of stator permanent-magnet machine considering dc-biased magnetic induction. IEEE Trans. Ind. Electron. 2014, 61, 5203–5212. [Google Scholar] [CrossRef]
- Okamoto, S.; Denis, N.; Kato, Y.; Ieki, M.; Fujisaki, K. Core Loss Reduction of an Interior Permanent-Magnet Synchronous Motor Using Amorphous Stator Core. IEEE Trans. Ind. Appl. 2016, 52, 2261–2268. [Google Scholar] [CrossRef]
- Yao, A.; Sugimoto, T.; Odawara, S.; Fujisaki, K. Core losses of a permanent magnet synchronous motor with an amorphous stator core under inverter and sinusoidal excitations. AIP Adv. 2018, 8, 056804. [Google Scholar] [CrossRef]
- Denis, N.; Kato, Y.; Ieki, M.; Fujisaki, K. Core losses of an inverter-fed permanent magnet synchronous motor with an amorphous stator core under no-load. AIP Adv. 2016, 6, 055916. [Google Scholar] [CrossRef]
















| Parameters | Values | Parameters | Values |
|---|---|---|---|
| Pole number | 2 | Shaft outer diameter | 16 mm |
| Slot number | 6 | Stack length | 84 mm |
| Slot opening | 3 mm | Airgap length | 1 mm |
| Rotor outer diameter | 37 mm | Stator outer diameter | 90 mm |
| PM thickness | 8.5 mm | Turns per phase | 72 |
| Sleeve thickness | 2 mm | Parallel branches | 2 |
| Material of stator core | 20PN1500 | Material of PM | Sm2Co17 |
| Material of shaft core | STS420J2 | Material of sleeve | Inconel |
| Parameters | Analytical and FE Analysis | Measurement | |
|---|---|---|---|
| Phase resistance [mΩ] | 52.7 | 53.2 | |
| Inductance [mH] | Self | 0.334 | 0.34 |
| Mutual | 0.23 | 0.26 | |
| Fluxlinkage [Wb] | 0.0389 | 0.0387 | |
| i | (2i − 1)fc/f0− 2 | (2i − 1) fc/f0+ 2 | (2i − 1) fc/f0− 4 | (2i − 1) fc/f0+ 4 |
| 1 | 26.8 | 30.8 | 24.8 | 32.8 |
| 2 | 84.4 | 88.4 | 82.4 | 90.4 |
| 3 | 142 | 146 | 140 | 148 |
| i | 2i fc/f0− 1 | 2i fc/f0+ 1 | 2i fc/f0− 5 | 2i fc/f0+ 5 |
| 1 | 56.6 | 58.6 | 52.6 | 62.6 |
| 2 | 114.2 | 116.2 | 110.2 | 120.2 |
| 3 | 171.8 | 173.8 | 167.8 | 177.8 |
| Speed [rpm] | Input Power [W] | Output Power [W] | Mech. Loss [W] | Elec. Loss [W] |
|---|---|---|---|---|
| 10,000 | 547.44 | 477.00 | 11.23 | 59.21 |
| 15,000 | 1138.90 | 1015.48 | 20.70 | 102.72 |
| 20,000 | 1951.81 | 1757.48 | 33.60 | 160.73 |
| 25,000 | 2865.47 | 2563.00 | 45.47 | 257.00 |
| Speed (rpm) | Torque (N∙m) | Hybrid Analysis with Sinusoidal Current | Hybrid Analysis with Harmonic Current | Experiment | |||
|---|---|---|---|---|---|---|---|
| Loss [W] | Eff. [%] | Loss [W] | Eff. [%] | Loss (W) | Eff. (%) | ||
| 10,000 | 0.45 | 38.94 (44.72) | 92.24 (5.86) | 69.30 (1.62) | 87.04 (0.1) | 70.44 | 87.13 |
| 15,000 | 0.65 | 73.90 (40.12) | 93.24 (4.58) | 127.91 (3.64) | 88.85 (0.35) | 123.42 | 89.16 |
| 20,000 | 0.84 | 110.70 (43.06) | 94.11 (4.52) | 188.80 (2.85) | 90.34 (0.33) | 194.33 | 90.04 |
| 25,000 | 0.98 | 159.14 (47.39) | 94.15 (5.27) | 304.58 (0.69) | 89.37 (0.08) | 302.47 | 89.44 |
Publisher’s Note: MDPI stays neutral with regard to jurisdictional claims in published maps and institutional affiliations. |
© 2022 by the authors. Licensee MDPI, Basel, Switzerland. This article is an open access article distributed under the terms and conditions of the Creative Commons Attribution (CC BY) license (https://creativecommons.org/licenses/by/4.0/).
Share and Cite
Lee, J.-H.; Sung, S.; Cho, H.-W.; Choi, J.-Y.; Shin, K.-H. Investigation of Electromagnetic Losses Considering Current Harmonics in High-Speed Permanent Magnet Synchronous Motor. Energies 2022, 15, 9213. https://doi.org/10.3390/en15239213
Lee J-H, Sung S, Cho H-W, Choi J-Y, Shin K-H. Investigation of Electromagnetic Losses Considering Current Harmonics in High-Speed Permanent Magnet Synchronous Motor. Energies. 2022; 15(23):9213. https://doi.org/10.3390/en15239213
Chicago/Turabian StyleLee, Ju-Hyeong, Soyoung Sung, Han-Wook Cho, Jang-Young Choi, and Kyung-Hun Shin. 2022. "Investigation of Electromagnetic Losses Considering Current Harmonics in High-Speed Permanent Magnet Synchronous Motor" Energies 15, no. 23: 9213. https://doi.org/10.3390/en15239213
APA StyleLee, J.-H., Sung, S., Cho, H.-W., Choi, J.-Y., & Shin, K.-H. (2022). Investigation of Electromagnetic Losses Considering Current Harmonics in High-Speed Permanent Magnet Synchronous Motor. Energies, 15(23), 9213. https://doi.org/10.3390/en15239213

