Influence of Shading on Solar Cell Parameters and Modelling Accuracy Improvement of PV Modules with Reverse Biased Solar Cells
Abstract
1. Introduction
2. Experimental
2.1. Solar Cells Preparation
2.2. PV Module Preparation
2.3. Experimental Set-Up
3. Effect of Shading on the Solar Cell Parameters
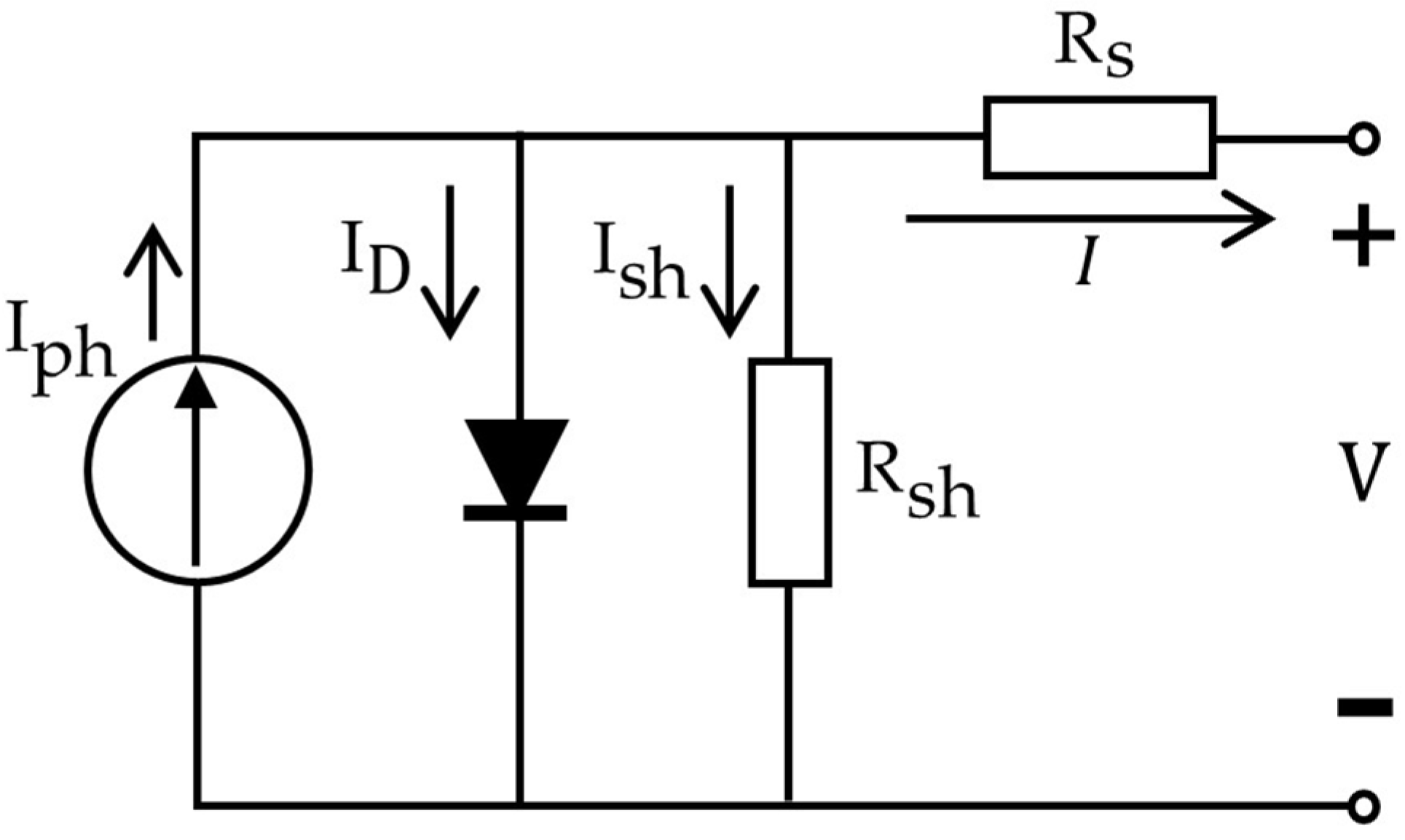
4. Single Cell Model by Considering the Parameter Variation with Shading
5. PV Module Model by Considering the Parameter Variation with Shading
5.1. PV Module Modelling Procedure
5.2. Model Considering Parameter Variation with Shading
5.3. Model Considering Variation of Shunt Resistance with Shading
6. Conclusions
Author Contributions
Funding
Institutional Review Board Statement
Informed Consent Statement
Data Availability Statement
Acknowledgments
Conflicts of Interest
Appendix A. Determination of Spatial Non-Uniformity

Appendix B. The Effect of the Spatial Non-Uniformity on the Shape of the I–V Curves

References
- Quaschning, V. Understanding Renewable Energy Systems, Technology and Practice, 1st ed.; Earthscan: London, UK, 2005. [Google Scholar]
- Mertens, K. Photovoltaics Fundamentals, Technology and Practice; Wiley: Chichester, UK, 2014. [Google Scholar]
- Dhimish, M.; Holmes, V.; Mather, P.; Sibley, M. Novel Hot Spot Mitigation Technique to Enhance Photovoltaic Solar Panels Output Power Performance. Sol. Energy Mater. Sol. Cells 2018, 179, 72–79. [Google Scholar] [CrossRef]
- Batzelis, E.I.; Georgilakis, P.S.; Papathanassiou, S.A. Energy Models for Photovoltaic Systems under Partial Shading Conditions: A Comprehensive Review. IET Renew. Power Gener. 2015, 9, 340–349. [Google Scholar] [CrossRef]
- Ishaque, K.; Salam, Z.; Syafaruddin. A Comprehensive MATLAB Simulink PV System Simulator with Partial Shading Capability Based on Two-Diode Model. Sol. Energy 2011, 85, 2217–2227. [Google Scholar] [CrossRef]
- Bishop, J.W. Computer Simulation of the Effects of Electrical Mismatches in Photovoltaic Cell Interconnection Circuits. Sol. Cells 1988, 25, 73–89. [Google Scholar] [CrossRef]
- Kawamura, H.; Naka, K.; Yonekura, N.; Yamanaka, S.; Kawamura, H.; Ohno, H.; Naito, K. Simulation of I-V Characteristics of a PV Module with Shaded PV Cells. Sol. Energy Mater. Sol. Cells 2003, 75, 613–621. [Google Scholar] [CrossRef]
- Alonso-García, M.C.; Ruiz, J.M.; Herrmann, W. Computer Simulation of Shading Effects in Photovoltaic Arrays. Renew. Energy 2006, 31, 1986–1993. [Google Scholar] [CrossRef]
- Karatepe, E.; Boztepe, M.; Çolak, M. Development of a Suitable Model for Characterizing Photovoltaic Arrays with Shaded Solar Cells. Sol. Energy 2007, 81, 977–992. [Google Scholar] [CrossRef]
- Silvestre, S.; Chouder, A. Effects of Shadowing on Photovoltaic Module Performance. Prog. Photovolt. Res. Appl. 2008, 16, 141–149. [Google Scholar] [CrossRef]
- Patel, H.; Agarwal, V. MATLAB-Based Modeling to Study the Effects of Partial Shading on PV Array Characteristics. IEEE Trans. Energy Convers. 2008, 23, 302–310. [Google Scholar] [CrossRef]
- Wang, Y.J.; Hsu, P.C. Analytical Modelling of Partial Shading and Different Orientation of Photovoltaic Modules. IET Renew. Power Gener. 2010, 4, 272–282. [Google Scholar] [CrossRef]
- Picault, D.; Raison, B.; Bacha, S.; de la Casa, J.; Aguilera, J. Forecasting Photovoltaic Array Power Production Subject to Mismatch Losses. Sol. Energy 2010, 84, 1301–1309. [Google Scholar] [CrossRef]
- Moballegh, S.; Jiang, J. Partial Shading Modeling of Photovoltaic System with Experimental Validations. In Proceedings of the 2011 IEEE Power and Energy Society General Meeting, Detroit, MI, USA, 24–28 July 2011; IEEE: Piscataway, NJ, USA, 2011; pp. 1–9. [Google Scholar] [CrossRef]
- Seyedmahmoudian, M.; Mekhilef, S.; Rahmani, R.; Yusof, R.; Renani, E.T. Analytical Modeling of Partially Shaded Photovoltaic Systems. Energies 2013, 6, 128–144. [Google Scholar] [CrossRef]
- Jung, T.H.; Ko, J.W.; Kang, G.H.; Ahn, H.K. Output Characteristics of PV Module Considering Partially Reverse Biased Conditions. Sol. Energy 2013, 92, 214–220. [Google Scholar] [CrossRef]
- Orozco-Gutierrez, M.L.; Ramirez-Scarpetta, J.M.; Spagnuolo, G.; Ramos-Paja, C.A. A Technique for Mismatched PV Array Simulation. Renew. Energy 2013, 55, 417–427. [Google Scholar] [CrossRef]
- Olalla, C.; Clement, D.; Maksimovic, D.; Deline, C. A Cell-Level Photovoltaic Model for High-Granularity Simulations. In Proceedings of the 2013 15th European Conference on Power Electronics and Applications (EPE), Lille, France, 2–6 September 2013; IEEE: Piscataway, NJ, USA, 2013; pp. 1–10. [Google Scholar] [CrossRef]
- Batzelis, E.I.; Routsolias, I.A.; Papathanassiou, S.A. An Explicit PV String Model Based on the Lambert W Function and Simplified MPP Expressions for Operation under Partial Shading. IEEE Trans Sustain. Energy 2014, 5, 301–312. [Google Scholar] [CrossRef]
- Wang, Y.; Pei, G.; Zhang, L. Effects of Frame Shadow on the PV Character of a Photovoltaic/Thermal System. Appl. Energy 2014, 130, 326–332. [Google Scholar] [CrossRef]
- Bai, J.; Cao, Y.; Hao, Y.; Zhang, Z.; Liu, S.; Cao, F. Characteristic Output of PV Systems under Partial Shading or Mismatch Conditions. Sol. Energy 2015, 112, 41–54. [Google Scholar] [CrossRef]
- Psarros, G.N.; Batzelis, E.I.; Papathanassiou, S.A. Partial Shading Analysis of Multistring PV Arrays and Derivation of Simplified MPP Expressions. IEEE Trans Sustain. Energy 2015, 6, 499–508. [Google Scholar] [CrossRef]
- Qing, X.; Sun, H.; Feng, X.; Chung, C.Y. Submodule-Based Modeling and Simulation of a Series-Parallel Photovoltaic Array under Mismatch Conditions. IEEE J. Photovolt. 2017, 7, 1731–1739. [Google Scholar] [CrossRef]
- Torres, J.P.N.; Nashih, S.K.; Fernandes, C.A.F.; Leite, J.C. The Effect of Shading on Photovoltaic Solar Panels. Energy Syst. 2018, 9, 195–208. [Google Scholar] [CrossRef]
- Galeano, A.G.; Bressan, M.; Vargas, F.J.; Alonso, C. Shading Ratio Impact on Photovoltaic Modules and Correlation with Shading Patterns. Energies 2018, 11, 852. [Google Scholar] [CrossRef]
- Zhu, L.; Li, Q.; Chen, M.; Cao, K.; Sun, Y. A Simplified Mathematical Model for Power Output Predicting of Building Integrated Photovoltaic under Partial Shading Conditions. Energy Convers. Manag. 2019, 180, 831–843. [Google Scholar] [CrossRef]
- Bharadwaj, P.; John, V. Subcell Modeling of Partially Shaded Photovoltaic Modules. IEEE Trans. Ind. Appl. 2019, 55, 3046–3054. [Google Scholar] [CrossRef]
- Ding, K.; Bian, X.; Liu, H.; Peng, T. A MATLAB-Simulink-Based PV Module Model and Its Application under Conditions of Nonuniform Irradiance. IEEE Trans. Energy Convers. 2012, 27, 864–872. [Google Scholar] [CrossRef]
- Quaschning, V.; Hanitsch, R. Numerical Simulation of Current-Voltage Characteristics of Photovoltaic Systems with Shaded Solar Cells. Sol. Energy 1996, 56, 513–520. [Google Scholar] [CrossRef]
- Ishaque, K.; Salam, Z.; Taheri, H.; Syafaruddin. Modeling and Simulation of Photovoltaic (PV) System during Partial Shading Based on a Two-Diode Model. Simul. Model. Pract. Theory 2011, 19, 1613–1626. [Google Scholar] [CrossRef]
- Silvestre, S.; Boronat, A.; Chouder, A. Study of Bypass Diodes Configuration on PV Modules. Appl. Energy 2009, 86, 1632–1640. [Google Scholar] [CrossRef]
- Paraskevadaki, E.V.; Papathanassiou, S.A. Evaluation of MPP Voltage and Power of Mc-Si PV Modules in Partial Shading Conditions. IEEE Trans. Energy Convers. 2011, 26, 923–932. [Google Scholar] [CrossRef]
- Zegaoui, A.; Petit, P.; Aillerie, M.; Sawicki, J.P.; Belarbi, A.W.; Krachai, M.D.; Charles, J.P. Photovoltaic Cell/Panel/Array Characterizations and Modeling Considering Both Reverse and Direct Modes. Energy Procedia 2011, 6, 695–703. [Google Scholar] [CrossRef]
- Di Vincenzo, M.C.; Infield, D. Detailed PV Array Model for Non-Uniform Irradiance and Its Validation against Experimental Data. Sol. Energy 2013, 97, 314–331. [Google Scholar] [CrossRef]
- Kermadi, M.; Chin, V.J.; Mekhilef, S.; Salam, Z. A Fast and Accurate Generalized Analytical Approach for PV Arrays Modeling under Partial Shading Conditions. Sol. Energy 2020, 208, 753–765. [Google Scholar] [CrossRef]
- Villalva, M.G.; Gazoli, J.R.; Filho, E.R. Comprehensive Approach to Modeling and Simulation of Photovoltaic Arrays. IEEE Trans. Power Electron. 2009, 24, 1198–1208. [Google Scholar] [CrossRef]
- Herrmann, W.; Wiesner, W.; Vaassen, W. Hot Spot Investigations on PV Modules—New Concepts for a Test Standard and Consequences for Module Design with Respect to Bypass Diodes. In Proceedings of the Conference Record of the Twenty Sixth IEEE Photovoltaic Specialists Conference, Anaheim, CA, USA, 29 September–3 October 1997; IEEE: Piscataway, NJ, USA, 1997; pp. 1129–1132. [Google Scholar] [CrossRef]
- Alonso-García, M.C.; Ruíz, J.M. Analysis and Modelling the Reverse Characteristic of Photovoltaic Cells. Sol. Energy Mater. Sol. Cells 2006, 90, 1105–1120. [Google Scholar] [CrossRef]
- Al-Shidhani, M.; Al-Najideen, M.; Rocha, V.G.; Min, G. Design and Testing of 3D Printed Cross Compound Parabolic Concentrators for LCPV System. In AIP Conference Proceedings; American Institute of Physics Inc.: College Park, MD, USA, 2018; Volume 2012, pp. 020001-1–020001-8. [Google Scholar] [CrossRef]
- Atia, A.; Anayi, F.; Min, G. Improving Accuracy of Solar Cells Parameters Extraction by Minimum Root Mean Square Error. In Proceedings of the 2020 55th International Universities Power Engineering Conference (UPEC), Turin, Italy, 1–4 September 2020; IEEE: Piscataway, NJ, USA, 2020; pp. 1–6. [Google Scholar] [CrossRef]
- Phang, J.C.H.; Chan, D.S.H.; Phillips, J.R. Accurate Analytical Method for the Extraction of Solar Cell Model Parameters. Electron. Lett. 1984, 20, 406–408. [Google Scholar] [CrossRef]
- Duffie, J.A.; Beckman, W.A. Solar Engineering of Thermal Processes, 4th ed.; Wiley: Hoboken, NJ, USA, 2013. [Google Scholar]
- Khan, F.; Singh, S.N.; Husain, M. Effect of Illumination Intensity on Cell Parameters of a Silicon Solar Cell. Sol. Energy Mater. Sol. Cells 2010, 94, 1473–1476. [Google Scholar] [CrossRef]
- Atia, A.; Anayi, F.; Min, G. Comparing Shading with Irradiance Reduction Effects on Solar Cells Electrical Parameters. In Proceedings of the 2021 56th International Universities Power Engineering Conference (UPEC), Middlesbrough, UK, 31 August–3 September 2021; IEEE: Piscataway, NJ, USA, 2021; pp. 1–5. [Google Scholar] [CrossRef]
- De Soto, W.; Klein, S.A.; Beckman, W.A. Improvement and Validation of a Model for Photovoltaic Array Performance. Sol. Energy 2006, 80, 78–88. [Google Scholar] [CrossRef]
- Ruschel, C.S.; Gasparin, F.P.; Costa, E.R.; Krenzinger, A. Assessment of PV Modules Shunt Resistance Dependence on Solar Irradiance. Sol. Energy 2016, 133, 35–43. [Google Scholar] [CrossRef]
- Villalva, M.G. Modeling and Simulation of Photovoltaic Arrays. Sites. Available online: https://sites.google.com/site/mvillalva/pvmodel (accessed on 16 February 2022).
- Tian, H.; Mancilla-David, F.; Ellis, K.; Muljadi, E.; Jenkins, P. A Cell-to-Module-to-Array Detailed Model for Photovoltaic Panels. Sol. Energy 2012, 86, 2695–2706. [Google Scholar] [CrossRef]
- Meyer, E.L.; van Dyk, E.E. The Effect of Reduced Shunt Resistance and Shading on Photovoltaic Module Performance. In Proceedings of the Conference Record of the Thirty-first IEEE Photovoltaic Specialists Conference, Lake Buena Vista, FL, USA, 3–7 January 2005; IEEE: Piscataway, NJ, USA, USA, 2005; pp. 1331–1334. [Google Scholar] [CrossRef]










| Parameter | Non-Shading Value in STCs |
|---|---|
| (Ω) | 0.80 |
| (kΩ) | 0.36 |
| 2.05 | |
| (µA) | 0.47 |
| (mA) | 27.85 |
| Parameter | Non-Shading Value in STCs for PV Module | Non-Shading Value in STCs for Individual Cells |
|---|---|---|
| (Ω) | 3.05 | 0.085 |
| (kΩ) | 4.5 | 0.125 |
| 0.74 | 0.74 | |
| (nA) | 6 × 10−7 | 6 × 10−7 |
| (A) | 0.516 | 0.516 |
| Case | Parameters Considered |
|---|---|
| 1 | Only |
| 2 | and |
| 3 | and |
| 4 | and |
| 5 | and |
| 6 | All five parameters |
| Shading Case | Cell-String 1 | Cell-String 2 |
|---|---|---|
| 1 | No shading | 1 cell 25% shading |
| 2 | No shading | 1 cell 50% shading |
| 3 | No shading | 1 cell 75% shading |
| 4 | No shading | 1 cell 100% shading |
| 5 | No shading | 2 cells 50% shading |
| 6 | No shading | 4 cells 50% shading |
Publisher’s Note: MDPI stays neutral with regard to jurisdictional claims in published maps and institutional affiliations. |
© 2022 by the authors. Licensee MDPI, Basel, Switzerland. This article is an open access article distributed under the terms and conditions of the Creative Commons Attribution (CC BY) license (https://creativecommons.org/licenses/by/4.0/).
Share and Cite
Atia, A.; Anayi, F.; Gao, M. Influence of Shading on Solar Cell Parameters and Modelling Accuracy Improvement of PV Modules with Reverse Biased Solar Cells. Energies 2022, 15, 9067. https://doi.org/10.3390/en15239067
Atia A, Anayi F, Gao M. Influence of Shading on Solar Cell Parameters and Modelling Accuracy Improvement of PV Modules with Reverse Biased Solar Cells. Energies. 2022; 15(23):9067. https://doi.org/10.3390/en15239067
Chicago/Turabian StyleAtia, Abdulhamid, Fatih Anayi, and Min Gao. 2022. "Influence of Shading on Solar Cell Parameters and Modelling Accuracy Improvement of PV Modules with Reverse Biased Solar Cells" Energies 15, no. 23: 9067. https://doi.org/10.3390/en15239067
APA StyleAtia, A., Anayi, F., & Gao, M. (2022). Influence of Shading on Solar Cell Parameters and Modelling Accuracy Improvement of PV Modules with Reverse Biased Solar Cells. Energies, 15(23), 9067. https://doi.org/10.3390/en15239067

