Neural Inverse Optimal Control of a Regenerative Braking System for Electric Vehicles
Abstract
1. Introduction
2. Materials and Methods
- The goal of this article is to improve the regenerative braking system of an electric vehicle. The element of that system that allows the control of the current and voltage variables is the buck–boost converter. The validation and simulation of the proposed controller and regenerative braking system are implemented using the SimPower System toolbox of Matlab (Matlab, Simulink. de 1994–2022, ©The Math Works, Inc.).
- The trained RHONN allows the design of the neural controller. In our case, it is a neural inverse optimal controller.
- After the control scheme is validated, the design of a reference generator is developed. This reference generator provides the value in volts within which the buck–boost converter must operate during a driving operation. This signal is generated through the motor’s DC dynamics, which are regulated using a PID controller.
- Once the whole regenerative braking system is connected (battery bank, supercapacitor and buck–boost converter, DC motor, etc.) the correct operation of the regenerative braking system is validated.
3. Regenerative Braking Description
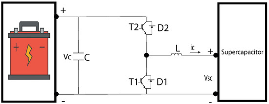
- Buck operation: In this mode, the output voltage is decreased regarding the input voltage. To achieve this, T1 is off and T2 is activated, then, the energy is transferred from the capacitor () to the supercapacitor voltage (). At the moment T2 is turned on, current flows from the capacitor C, generating current to the supercapacitor. As a result, a fraction of this energy is charged into inductance L. On the other hand, when T2 is turned off, the current charged in L is discharged into through diode D1, driving the current in the direction of capacitor C [14].
- Boost operation: On the other hand, in this mode, the output voltage is increased. To do so, T2 is deactivated and T1 is activated to transfer energy from supercapacitor to battery bank . When T1 is on, the energy is acquired from the capacitor, and stored in inductance L. Reversely, when T1 is OFF, the energy stored in the inductance is transferred into the capacitor through diode D2, and kept in the battery bank.
4. Mathematical Preliminaries
4.1. Discrete-Time Inverse Optimal Control
4.2. Discrete-Time Recurrent High-Order Neural Networks
5. System Modeling and Neural Control
5.1. Buck–Boost Model
5.2. DC Motor
6. Neural Controller Design
Reference Generator Development
7. Simulation Results
7.1. Neural Identification
7.2. Buck–Boost Trajectories Tracking
7.3. Regenerative Braking System Trajectories Tracking
7.4. Robustness Test
8. Conclusions
Author Contributions
Funding
Data Availability Statement
Conflicts of Interest
References
- Pavlović, T.; Mirjanić, D.; Mitića, I.; Stanković, A. The Impact of Electric Cars Use on the Environment. In New Technologies, Development and Application II. NT 2019; Karabegović, I., Ed.; Lecture Notes in Networks and Systems; Springer: Sarajevo, Bosnia and Herzegovina, 2019; Volume 76, pp. 541–548. [Google Scholar] [CrossRef]
- Yoong, M.K.; Gan, Y.; Gan, G.; Leong, C.; Phuan, Z.; Cheah, B.; Chew, K. Studies of regenerative braking in electric vehicle. In Proceedings of the 2010 IEEE Conference on Sustainable Utilization and Development in Engineering and Technology, Petaling Jaya, Malaysia, 20–21 November 2010; pp. 40–45. [Google Scholar]
- Tran, M.-K.; Bhatti, A.; Vrolik, R.; Wong, D.; Panchal., S.; Flowler, M.; Fraser, R. A Review of Range Extenders in Battery Electric. World Electr. Veh. J. 2021, 12, 54. [Google Scholar] [CrossRef]
- Tie, S.F.; Tan, C.W. A review of energy sources and energy management system in electric vehicles. Renew. Sustain. Energy Rev. 2013, 20, 82–102. [Google Scholar] [CrossRef]
- Villalobos, J.G.; Zamora, I.; Martín, J.S.; Asensio, F.; Aperribay, V. Plug-in electric vehicles in electric distribution networks: A review of smart charging approaches. Renew. Sustain. Energy Rev. 2014, 38, 717–731. [Google Scholar] [CrossRef]
- Hannan, M.A.; Azidin, F.; Mohamed, A. Hybrid electric vehicles and their challenges: A review. Renew. Sustain. Energy Rev. 2014, 29, 135–150. [Google Scholar] [CrossRef]
- Ortuzar, M.; Moreno, J.; Dixon, J. Ultracapacitor-Based Auxiliary Energy System for an Electric Vehicle: Implementation and Evaluation. IEEE Trans. Ind. Electron. 2007, 54, 2147–2156. [Google Scholar] [CrossRef]
- Husain, I.; Ozpineci, B.; Sariful, M.I.; Gurpinar, E.; Su, G.; Yu, W.; Chowdhury, S.; Xue, L.; Rahman, D.; Sahu, R. Electric drive technology trends, challenges, and opportunities for future electric vehicles. Proc. IEEE 2021, 109, 1039–1059. [Google Scholar] [CrossRef]
- Zhang, L.; Cai, X. Control strategy of regenerative braking system in electric vehicles. Energy Procedia 2018, 152, 496–501. [Google Scholar] [CrossRef]
- Xie, J.; Cao, B.; Zhang, H.; Xu, D. Switched robust control of regenerative braking of electric vehicles. In Proceedings of the the 2010 IEEE International Conference on Information and Automation, Harbin, China, 20–23 June 2010; pp. 1609–1612. [Google Scholar]
- Xu, W.; Chen, H.; Zhao, H.; Ren, B. Torque optimization control for electric vehicles with four in-wheel motors equipped with regenerative braking system. Mechatronics 2019, 57, 95–108. [Google Scholar] [CrossRef]
- Kiddee, K.; Keyoonwong, W.; Khan-Ngern, W. An HSC/battery energy storage system-based regenerative braking system control mechanism for battery electric vehicles. IEEJ Trans. Electr. Electron. Eng. 2019, 14, 457–466. [Google Scholar] [CrossRef]
- Indragandhi, V.; Selvamathi, R.; Gunapriya, D.; Balagurunathan, B.; Suresh, G.; Chitra, A. An Efficient Regenerative Braking System Based on Battery-Ultracapacitor for Electric Vehicles. In Proceedings of the 2021 Innovations in Power and Advanced Computing Technologies (i-PACT), Kuala Lumpur, Malaysia, 27–29 November 2021. [Google Scholar]
- Manríquez, E.Q.; Sanchez, E.N.; Toledo, M.E.A.; Muñoz, F. Neural control of an induction motor with regenerative braking as electric vehicle architecture. Eng. Appl. Artif. Intell. 2021, 104, 104275. [Google Scholar] [CrossRef]
- Guo, J.; Xiaoping, J.; Guangyu, L. Performance Evaluation of an Anti-Lock Braking System for Electric Vehicles with a Fuzzy Sliding Mode Controller. Energies 2014, 7, 6459–6476. [Google Scholar] [CrossRef]
- Li, X.; Xu, L.; Hua, J.; Li, J.; Ouyang, M. Regenerative braking control strategy for fuel cell hybrid vehicles using fuzzy logic. In Proceedings of the 2008 International Conference on Electrical Machines and Systems, Wuhan, China, 17–20 October 2008; pp. 2712–2716. [Google Scholar]
- Rajendran, S.; Spurgeon, S.; Tsampardoukas, G.; Hampson, R. Intelligent Sliding Mode Scheme for Regenerative Braking Control. IFAC-PapersOnLine 2018, 51, 334–339. [Google Scholar] [CrossRef]
- Wu, J.; Lu, Y. Decoupling and optimal control of multilevel buck DC-DC converters with inverse system theory. IEEE Trans. Ind. Electron. 2019, 67, 7861–7870. [Google Scholar] [CrossRef]
- Manriquez, E.Q.; Sanchez, E.N.; Harley, R.G.; Li, S.; Felix, R.A. Neural inverse optimal control implementation for induction motors via rapid control prototyping. IEEE Trans. Power Electron. 2018, 34, 5981–5992. [Google Scholar] [CrossRef]
- Cao, F.; Yang, T.; Li, Y.; Tong, S. Adaptive Neural Inverse Optimal Control for a Class of Strict Feedback Stochastic Nonlinear Systems. In Proceedings of the 2019 IEEE 8th Data Driven Control and Learning Systems Conference (DDCLS), Dali, China, 24–27 May 2019; pp. 432–436. [Google Scholar] [CrossRef]
- Sanchez, E.N.; Alanis, A.Y.; Loukianov, A.G. Discrete-Time High Order Neural Control: Trained with Kalman Filtering; Springer Science & Business Media: Cham, Switzerland, 2008. [Google Scholar] [CrossRef]
- Rios, Y.Y.; Garcia-Rodriguez, J.A.; Sanchez, E.N.; Alanis, A.Y.; Velázquez, E.R. Rapid Prototyping of Neuro-Fuzzy Inverse Optimal Control as Applied to T1DM Patients. In Proceedings of the 2018 IEEE Latin American Conference on Computational Intelligence (LA-CCI), Gudalajara, Mexico, 7–9 November 2018; pp. 1–5. [Google Scholar] [CrossRef]
- Djilali, L.; Vega, C.J.; Sanchez, E.N.; Hernandez, J.A.R. Distributed Cooperative Neural Inverse Optimal Control of Microgrids for Island and Grid-Connected Operations. IEEE Trans. Smart Grid 2022, 13, 928–940. [Google Scholar] [CrossRef]
- Franco, M.L.; Sanchez, E.N.; Alanis, A.Y.; Franco, C.L.; Daniel, N.A. Decentralized control for stabilization of nonlinear multi-agent systems using neural inverse optimal control. Neurocomputing 2015, 168, 81–91. [Google Scholar] [CrossRef]
- Cao, J.; Cao, B.; Xu, P.; Bai, Z. Regenerative-Braking Sliding Mode Control of Electric Vehicle Based on Neural Network Identification. In Proceedings of the 2008 IEEE/ASME International Conference on Advanced Intelligent Mechatronics, Xi’an, China, 2–5 July 2008; pp. 1219–1224. [Google Scholar] [CrossRef]
- Djilali, L.; Sanchez, E.N.; Ornelas-Tellez, F.; Avalos, A.; Belkheiri, M. Improving Microgrid Low-Voltage Ride-Through Capacity Using Neural Control. IEEE Syst. J. 2020, 14, 2825–2836. [Google Scholar] [CrossRef]
- Alanis, A.Y.; Sanchez, E.N.; Loukianov, A.G. Discrete-time adaptive backstepping nonlinear control via high-order neural networks. IEEE Trans. Neural Netw. 2007, 18, 1185–1195. [Google Scholar] [CrossRef] [PubMed]
- Sanchez, E.; Ornelas, F. Discrete-Time Inverse Optimal Control for Nonlinear Systems, 1st ed.; CRC Press: Boca Raton, FL, USA, 2013. [Google Scholar] [CrossRef]
- Freeman, R.; Kokotovic, P.V. Robust Nonlinear Control Design: State-Space and Lyapunov Techniques; Springer Science & Business Media: Cham, Switzerland, 2008. [Google Scholar] [CrossRef]
- Ruiz-Cruz, R.; Sanchez, E.; Loukianov, A.; Ruz-Hernandez, J. Real-time neural inverse optimal control for a wind generator. IEEE Trans. Sustain. Energy 2018, 10, 1172–1183. [Google Scholar] [CrossRef]
- Rovithakis, G.A.; Chistodoulou, M.A. Adaptive Control with Recurrent High-Order Neural Networks: Theory and Industrial Applications; Springer Science & Business Media: Cham, Switzerland, 2012. [Google Scholar] [CrossRef]
- Utkin, V.; Guldner, J.; Shi, J. Sliding Mode Control in Electro-Mechanical Systems; CRC Press: Boca Raton, FL, USA, 2017. [Google Scholar] [CrossRef]
- Zohuri, B. Scalar Wave Driven Energy Applications; Springer: Cham, Switzerland, 2019. [Google Scholar] [CrossRef]

















| Description | Unit |
|---|---|
| Converter resistance R. | |
| Converter inductance L | H |
| Converter capacitance | F |
| Converter capacitance | F |
| Supercapacitor voltage | 350 V |
| Battery bank voltage | 500 V |
| Initial SOC | 80% |
| Sampling time | s |
| Mean Squared Error of Tracking Trajectories in | |
|---|---|
| Controller | Mean Value |
| PID | 16.026 |
| NIOC | 4.8822 |
| Mean Squared Error of Tracking Trajectories in | |
|---|---|
| Controller | Mean Value |
| PID | 140.290 |
| NIOC | 2.2314 |
Publisher’s Note: MDPI stays neutral with regard to jurisdictional claims in published maps and institutional affiliations. |
© 2022 by the authors. Licensee MDPI, Basel, Switzerland. This article is an open access article distributed under the terms and conditions of the Creative Commons Attribution (CC BY) license (https://creativecommons.org/licenses/by/4.0/).
Share and Cite
Ruz-Hernandez, J.A.; Djilali, L.; Ruz Canul, M.A.; Boukhnifer, M.; Sanchez, E.N. Neural Inverse Optimal Control of a Regenerative Braking System for Electric Vehicles. Energies 2022, 15, 8975. https://doi.org/10.3390/en15238975
Ruz-Hernandez JA, Djilali L, Ruz Canul MA, Boukhnifer M, Sanchez EN. Neural Inverse Optimal Control of a Regenerative Braking System for Electric Vehicles. Energies. 2022; 15(23):8975. https://doi.org/10.3390/en15238975
Chicago/Turabian StyleRuz-Hernandez, Jose A., Larbi Djilali, Mario Antonio Ruz Canul, Moussa Boukhnifer, and Edgar N. Sanchez. 2022. "Neural Inverse Optimal Control of a Regenerative Braking System for Electric Vehicles" Energies 15, no. 23: 8975. https://doi.org/10.3390/en15238975
APA StyleRuz-Hernandez, J. A., Djilali, L., Ruz Canul, M. A., Boukhnifer, M., & Sanchez, E. N. (2022). Neural Inverse Optimal Control of a Regenerative Braking System for Electric Vehicles. Energies, 15(23), 8975. https://doi.org/10.3390/en15238975

