Performance Assessment of a Novel Solar and Biomass-Based Multi-Generation System Equipped with Nanofluid-Based Compound Parabolic Collectors
Abstract
1. Introduction
2. Methodology
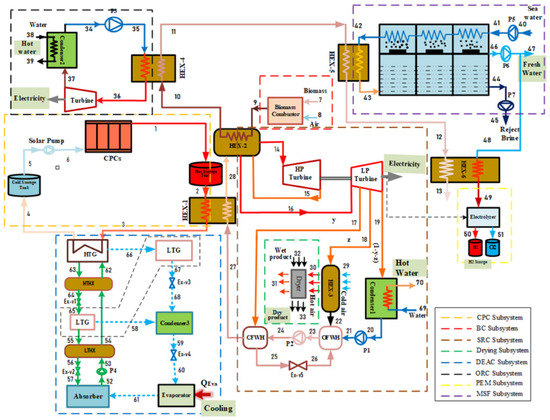
2.1. System Description
2.2. Assumptions
- All system parts operate under steady-state conditions.
- Reference pressure and temperature are 101.3 kPa and 25 °C.
- We neglected all kinetic and potential changes to the entire system.
- Pump and turbine isentropic efficiency is assumed as 0.85.
- The contents of sulfur, chlorine and ash are trivial, and thus ignored in the biomass energy calculations.
- At the entrance to the MSF, the seawater has a 25 °C constant temperature.
- Heat loss at each desalination stage is ignored.
- At every desalination stage, there is an equal temperature increase in the preheated feed water.
- The temperature of the hot brine equally reduces at each desalination stage.
2.3. Modelling and Analysis
Balance Equations
3. Validation
4. Results and Discussion
4.1. Effect of Nanoparticles’ Volume Concentration
4.2. Effect of Solar Irradiation
4.3. Effect of Ambient Temperature
4.4. Effect of Output Temperature of Biomass Combustor
5. Conclusions
- Nanofluids have been observed to increase a solar collector’s outlet temperature, compared to thermal oils. The highest CPC outlet temperature was achieved with graphene–EG at 197.6 °C, while the lowest temperature was obtained with the EG base fluid at 170 °C.
- The highest exergy destruction rate in the SRC subsystem was 15 MW, while the lowest value was approximately 0.16 MW in the drying system; therefore, the integrated system’s overall exergy performance can be improved by working on certain subsystems that have higher exergy destruction rates.
- The highest efficiencies were achieved for the system as a whole and its subsystems when the following substances were used in the working fluids:
- The SRC subsystem’s energy and exergy efficiencies using graphene–EG were 40.21% and 79.08%, respectively.
- The multi-generation system’s overall energy and exergy efficiencies using graphene–EG were 35.6% and 21.15%, respectively.
- The CPC subsystem’s energy and exergy efficiencies using graphene–EG were 50.75% and 15.82%, respectively.
- The drying subsystem’s energy and exergy efficiencies were 71.17% and 38.57%, respectively.
- The DEAC subsystem’s COP and exergy efficiencies using EG were 0.9922 and 24.77%, respectively.
- The ORC subsystem’s energy and exergy efficiencies were 29.45% and 40.2%, respectively.
- The MSF subsystem’s energy and exergy efficiencies were 38.72% and 8.233%, respectively.
- The PEM subsystem’s energy and exergy efficiencies were 67.94% and 56.93%, respectively.
- In the proposed system, the SRC subsystem is the main exergy destruction source, which loses nearly 50% of the total exergy, therefore, it is necessary to carefully modify its design to improve the overall system’s performance.
- The freshwater production by the desalination subsystem is 37.83 kg/s, and the hydrogen production by PEM electrolyzer is 44.78 kg/h.
- As shown by parametric studies, ambient temperature, solar irradiation, output temperature of biomass combustor, types of nanofluids and their volume concentration have a highly considerable effect on the proposed system’s overall efficiency.
Author Contributions
Funding
Data Availability Statement
Conflicts of Interest
Nomenclature
| A | Area, m2 |
| Cp | Specific heat capacity, kJ/kg·K |
| Ėx | Exergy rate, kW |
| FR | Heat removal factor |
| Gt | Total solar irradiation, W/m2 |
| h | Enthalpy, kJ/kg |
| HHV | Higher heating value, MJ/kg |
| k | Thermal conductivity, W/m·K |
| LHV | Lower heating value, MJ/kg |
| Heat transfer rate, kW | |
| S | Absorbed radiation, W/m2 |
| UL | Heat loss coefficient, W/m2·K |
| Subscripts | |
| abs | Absorber |
| bf | Base fluid |
| en | Energy |
| ex | Exergy |
| nf | Nanofluid |
| np | Nanoparticle |
| Greek Letters | |
| ρ | Density, kg/m3 |
| η | Efficiency, % |
| μ | Viscosity, kg/m·s |
| Transmissivity | |
| φ | Nanoparticle volume concentration |
| Acronyms | |
| CPC | Compound parabolic collector |
| CSP | Concentrated solar power |
| CFWH | Closed feed water heater |
| DEAC | Double effect absorption cycle |
| EG | Ethylene glycol |
| Expansion valve | |
| HEX | Heat exchanger |
| HPT | High pressure turbine |
| HTG | High temperature generator |
| HTHEX | High temperature heat exchanger |
| LiBr-H2O | Lithium Bromide solution |
| LPT | Low pressure turbine |
| LTHEX | Low temperature heat exchanger |
| MSF | Multi-stage flash distillation |
| ORC | Organic Rankine cycle |
| OFWH | Open feed water heater |
| SRC | Steam Rankine cycle |
References
- Owusu, P.A.; Sarkodie, S.A. A Review of Renewable Energy Sources, Sustainability Issues and Climate Change Mitigation. Cogent Eng. 2016, 3, 1167990. [Google Scholar] [CrossRef]
- Dincer, I. Renewable Energy and Sustainable Development: A Crucial Review. Renew. Sustain. Energy Rev. 2000, 4, 157–175. [Google Scholar] [CrossRef]
- Panwar, N.L.; Kaushik, S.C.; Kothari, S. Role of Renewable Energy Sources in Environmental Protection: A Review. Renew. Sustain. Energy Rev. 2011, 15, 1513–1524. [Google Scholar] [CrossRef]
- Kumar, M. Social, Economic, and Environmental Impacts of Renewable Energy Resources. In Wind Solar Hybrid Renewable Energy System; Okedu, K.E., Tahour, A., Aissaou, A.G., Eds.; IntechOpen: London, UK, 2020. [Google Scholar] [CrossRef]
- McCrone, A.; Ajadi, T.; Boyle, R.; Strahan, D.; Kimmel, M.; Collins, B.; Cheung, A.; Becker, L. Global Trends in Renewable Energy Investment 2019; Bloomberg New Energy Finance: London, UK, 2019; Volume 76. [Google Scholar]
- Dincer, I.; Zamfirescu, C. Renewable-energy-based Multigeneration Systems. Int. J. Energy Res. 2012, 36, 1403–1415. [Google Scholar] [CrossRef]
- Azhar, M.S.; Rizvi, G.; Dincer, I. Integration of Renewable Energy Based Multigeneration System with Desalination. Desalination 2017, 404, 72–78. [Google Scholar] [CrossRef]
- Fernández-García, A.; Zarza, E.; Valenzuela, L.; Pérez, M. Parabolic-Trough Solar Collectors and Their Applications. Renew. Sustain. Energy Rev. 2010, 14, 1695–1721. [Google Scholar] [CrossRef]
- Xu, D.; Qu, M. Compound Parabolic Concentrators in Solar Thermal. Energy Sustain. 2013, 55515, V001T01A013. [Google Scholar]
- Pranesh, V.; Velraj, R.; Christopher, S.; Kumaresan, V. A 50 Year Review of Basic and Applied Research in Compound Parabolic Concentrating Solar Thermal Collector for Domestic and Industrial Applications. Sol. Energy 2019, 187, 293–340. [Google Scholar] [CrossRef]
- Cioccolanti, L.; Hamedani, S.R.; Villarini, M. Environmental and Energy Assessment of a Small-Scale Solar Organic Rankine Cycle Trigeneration System Based on Compound Parabolic Collectors. Energy Convers. Manag. 2019, 198, 111829. [Google Scholar] [CrossRef]
- Cioccolanti, L.; Villarini, M.; Tascioni, R.; Bocci, E. Performance Assessment of a Solar Trigeneration System for Residential Applications by Means of a Modelling Study. Energy Procedia 2017, 126, 445–452. [Google Scholar] [CrossRef]
- Shahid, U.B.; Bicer, Y.; Ahzi, S.; Abdala, A. Thermodynamic Assessment of an Integrated Renewable Energy Multigeneration System Including Ammonia as Hydrogen Carrier and Phase Change Material Energy Storage. Energy Convers. Manag. 2019, 198, 111809. [Google Scholar] [CrossRef]
- Jiangjiang, W.; Yang, Y. Energy, Exergy and Environmental Analysis of a Hybrid Combined Cooling Heating and Power System Utilizing Biomass and Solar Energy. Energy Convers. Manag. 2016, 124, 566–577. [Google Scholar] [CrossRef]
- Sarkis, R.B.; Zare, V. Proposal and Analysis of Two Novel Integrated Configurations for Hybrid Solar-Biomass Power Generation Systems: Thermodynamic and Economic Evaluation. Energy Convers. Manag. 2018, 160, 411–425. [Google Scholar] [CrossRef]
- Hashemian, N.; Noorpoor, A. Assessment and Multi-Criteria Optimization of a Solar and Biomass-Based Multi-Generation System: Thermodynamic, Exergoeconomic and Exergoenvironmental Aspects. Energy Convers. Manag. 2019, 195, 788–797. [Google Scholar] [CrossRef]
- Cao, Y.; Rad, H.N.; Jamali, D.H.; Hashemian, N.; Ghasemi, A. A Novel Multi-Objective Spiral Optimization Algorithm for an Innovative Solar/Biomass-Based Multi-Generation Energy System: 3E Analyses, and Optimization Algorithms Comparison. Energy Convers. Manag. 2020, 219, 112961. [Google Scholar] [CrossRef]
- Soteris, K. Solar Energy Engineering: Processes and Systems, 2nd ed.; Elsevier: Amsterdam, The Netherlands, 2013. [Google Scholar] [CrossRef]
- Kim, D.S.; Infante Ferreira, C.A. Solar Refrigeration Options—A State-of-the-Art Review. Int. J. Refrig. 2008, 31, 3–15. [Google Scholar] [CrossRef]
- Neeraj, K.; Singh, P.; Redhewal, A.K.; Bhandari, P. A Review on Nanofluids Applications for Heat Transfer in Micro-Channels. Procedia Eng. 2015, 127, 1197–1202. [Google Scholar] [CrossRef]
- Farhana, K.; Kadirgama, K.; Rahman, M.M.; Ramasamy, D.; Noor, M.M.; Najafi, G.; Samykano, M.; Mahamude, A.S.F. Improvement in the Performance of Solar Collectors with Nanofluids—A State-of-the-Art Review. Nano-Struct. Nano-Objects 2019, 18, 100276. [Google Scholar] [CrossRef]
- Moradi, A.; Sani, E.; Simonetti, M.; Francini, F.; Chiavazzo, E.; Asinari, P.; Torino, P. CFD Modeling of Solar Collector with Nano-Fluid Direct Absorption for Civil Application. In Proceedings of the MicrogenIII: The 3rd International Conference on Microgeneration and Related Technologies, Napoli, Italy, 15–17 April 2013. [Google Scholar]
- Toghyani, S.; Afshari, E.; Baniasadi, E.; Shadloo, M.S. Energy and Exergy Analyses of a Nanofluid Based Solar Cooling and Hydrogen Production Combined System. Renew. Energy 2019, 141, 1013–1025. [Google Scholar] [CrossRef]
- Boyaghchi, F.A.; Chavoshi, M.; Sabeti, V. Optimization of a Novel Combined Cooling, Heating and Power Cycle Driven by Geothermal and Solar Energies Using the Water/CuO (Copper Oxide) Nanofluid. Energy 2015, 91, 685–699. [Google Scholar] [CrossRef]
- Li, T.; Li, X.; Gao, H.; Gao, X.; Meng, N. Thermodynamic Performance of Geothermal Energy Cascade Utilization for Combined Heating and Power Based on Organic Rankine Cycle and Vapor Compression Cycle. Energies 2022, 15, 7294. [Google Scholar] [CrossRef]
- Ji, J.; Zhang, J.; Jia, X.; Ji, R.; Sheng, Z.; Qin, J.; Zhao, H.; Tang, J.; Su, J.; Wang, Y. A Working Fluid Assessment for a Biomass Organic Rankine Cycle under Different Conditions. Energies 2022, 15, 7076. [Google Scholar] [CrossRef]
- Khan, B.; Kim, M.H. Energy and Exergy Analyses of a Novel Combined Heat and Power System Operated by a Recuperative Organic Rankine Cycle Integrated with a Water Heating System. Energies 2022, 15, 6658. [Google Scholar] [CrossRef]
- Muhammad, A.; Ratlamwala, T.A.H.; Uğur, A. Comparative Energy, Exergy, and Environmental Analyses of Parabolic Trough Solar Thermal Power Plant Using Nanofluids. In Exergy for a Better Environment and Improved Sustainability 1; Aloui, F., Dincer, I., Eds.; Green Energy and Technology; Springer: Cham, Switzerland, 2018; pp. 943–967. [Google Scholar]
- Evangelos, B.; Tzivanidis, C. Performance Analysis and Optimization of an Absorption Chiller Driven by Nanofluid Based Solar Flat Plate Collector. J. Clean. Prod. 2018, 174, 256–272. [Google Scholar] [CrossRef]
- Faizal, M.; Saidur, R.; Mekhilef, S.; Alim, M.A. Energy, Economic and Environmental Analysis of Metal Oxides Nanofluid for Flat-Plate Solar Collector. Energy Convers. Manag. 2013, 76, 162–168. [Google Scholar] [CrossRef]
- Ibrahim, A.; Kayfeci, M. Comparative Analysis of a Solar Trigeneration System Based on Parabolic Trough Collectors Using Graphene and Ferrofluid Nanoparticles. Therm. Sci. 2020, 25, 164. [Google Scholar] [CrossRef]
- Lin, L.; Liu, Z.H.; Xiao, H.S. Thermal Performance of an Open Thermosyphon Using Nanofluids for High-Temperature Evacuated Tubular Solar Collectors. Part 1: Indoor Experiment. Sol. Energy 2011, 85, 379–387. [Google Scholar] [CrossRef]
- Liu, Z.H.; Hu, R.L.; Lu, L.; Zhao, F.; Xiao, H.S. Thermal Performance of an Open Thermosyphon Using Nanofluid for Evacuated Tubular High Temperature Air Solar Collector. Energy Convers. Manag. 2013, 73, 135–143. [Google Scholar] [CrossRef]
- El-Dessouky, H.T.; Ettouney, H.M. Fundamentals of Saltwater Desalination, 1st ed.; Elsevier: Amsterdam, The Netherlands, 2002. [Google Scholar]
- Li, Z.; Wu, W.; Wang, J.; Zhang, B.; Zheng, T. Transmission-Constrained Unit Commitment Considering Combined Electricity and District Heating Networks. IEEE Trans. Sustain. Energy 2016, 7, 480–492. [Google Scholar] [CrossRef]
- Zheng, W.; Zhu, J.; Luo, Q. Distributed dispatch of integrated electricity-heat systems with variable mass flow. IEEE Trans. Smart Grid 2022, 1. [Google Scholar] [CrossRef]
- Klein, S.A. Operating Systems 2017. EES: Engineering Equation Solver (Version 10.190) [Computer Software]. Available online: http://www.fchartsoftware.com (accessed on 1 January 2020).
- Hamoda, G.; Ozcan, H. Multi-Objective Optimization of a Concentrated Solar Energy Driven Trigeneration Plant with Thermal Energy Storage: A Case Study for Turkey. Case Stud. Therm. Eng. 2020, 20, 100642. [Google Scholar] [CrossRef]
- Subramani, J.; Nagarajan, P.K.; Mahian, O.; Sathyamurthy, R. Efficiency and Heat Transfer Improvements in a Parabolic Trough Solar Collector Using TiO2 Nanofluids under Turbulent Flow Regime. Renew. Energy 2018, 119, 19–31. [Google Scholar] [CrossRef]
- Ebaid, M.S.Y.; Ghrair, A.M.; Al-Busoul, M. Experimental Investigation of Cooling Photovoltaic (PV) Panels Using (TiO2) Nanofluid in Water-Polyethylene Glycol Mixture and (Al2O3) Nanofluid in Water- Cetyltrimethylammonium Bromide Mixture. Energy Convers. Manag. 2018, 155, 324–343. [Google Scholar] [CrossRef]
- Bellos, E.; Tzivanidis, C. A Review of Concentrating Solar Thermal Collectors with and without Nanofluids. J. Therm. Anal. Calorim. 2019, 135, 763–786. [Google Scholar] [CrossRef]
- Pop, E.; Varshney, V.; Roy, A.K. Thermal Properties of Graphene: Fundamentals and Applications. MRS Bull. 2012, 37, 1273–1281. [Google Scholar] [CrossRef]
- Koppejan, J.; Loo, S.V. The Handbook of Biomass Combustion and Co-Firing, 1st ed.; Routledge: London, UK, 2007; p. 464. [Google Scholar]
- Capareda, S.C. Biomass Energy Conversion. In Sustainable Growth and Applications in Renewable Energy Sources; Nayeripour, M., Kheshti, M., Eds.; IntechOpen: London, UK, 2011; pp. 209–226. [Google Scholar]
- Basu, P. Combustion and Gasification in Fluidized Beds, 1st ed.; CRC Press: Boca Raton, FL, USA; Taylor and Francis: Abingdon, UK, 2006. [Google Scholar]
- Ni, M.; Leung, M.K.H.; Leung, D.Y.C. Electrochemistry Modeling of Proton Exchange Membrane (PEM) Water Electrolysis for Hydrogen Production. In Proceedings of the 16th World Hydrogen Energy Conference (WHEC16), Lyon, France, 13–16 June 2006; pp. 33–39. [Google Scholar]
- Yosaf, S.; Ozcan, H. Exergoeconomic Investigation of Flue Gas Driven Ejector Absorption Power System Integrated with PEM Electrolyser for Hydrogen Generation. Energy 2018, 163, 88–99. [Google Scholar] [CrossRef]
- Mokhena, T.C.; Mochane, M.J.; Sefadi, J.S.; Motloung, S.V.; Andala, D.M. Thermal Conductivity of Graphite-Based Polymer Composites. In Impact of Thermal Conductivity on Energy Technologies; Shahzad, A., Ed.; IntechOpen: London, UK, 2018; Volume 181. [Google Scholar] [CrossRef]
- Pashayi, K.; Fard, H.R.; Lai, F.; Iruvanti, S.; Plawsky, J.; Borca-Tasciuc, T. High Thermal Conductivity Epoxy-Silver Composites Based on Self-Constructed Nanostructured Metallic Networks. J. Appl. Phys. 2012, 111, 104310. [Google Scholar] [CrossRef]
- Patel, D.S.; Patel, D.K. Thermal Analysis of Compound Parabolic Concentrator. Int. J. Mech. Prod. Eng. Res. Dev 2015, 5, 117–126. [Google Scholar]
- Akhtar, F.; Ali, M.; Sheikh, N.; Shehryar, M. Experimental Investigation of Solar Compound Parabolic Collector Using Al2O3/H2O Nanofluid in a Subtropical Climate. Therm. Sci. 2020, 25, 201. [Google Scholar] [CrossRef]
- Ioroi, T.; Yasuda, K.; Siroma, Z.; Fujiwara, N.; Miyazaki, Y. Thin film electrocatalyst layer for unitized regenerative polymer electrolyte fuel cells. J. Power Sources 2002, 112, 583–587. [Google Scholar] [CrossRef]











| Parameters | Values |
|---|---|
| Ambient temperature | 25 °C |
| Ambient pressure | 101.3 kPa |
| Solar beam irradiation | 960 W/m2 |
| The diffuse radiation | 150 W/m2 |
| Sun temperature | 5770 K |
| Number of collectors | 4 |
| Collector length | 1 m |
| Specular reflectivity | 0.9 |
| Receiver tube inner diameter | 60 mm |
| Receiver tube outer diameter | 75 mm |
| Glass cover outer diameter | 120 mm |
| Cover transmittance | 0.75 |
| Wind speed | 1 m/s |
| Acceptance half angle | 40 |
| HP Turbine inlet pressure | 12,500 kPa |
| HP Turbine outlet pressure | 5000 kPa |
| Inlet mass flow rate of SRC | 10 kg/s |
| ORC Turbine inlet pressure | 12,500 kPa |
| ORC Turbine outlet pressure | 500 kPa |
| Inlet mass flow rate of ORC | 50 kg/s |
| Seawater Salinity | 42,000 ppm |
| Number of MSF stages | 24 |
| Brine exit temperature | 40 °C |
| MSF Feed flow water | 338.5 kg/s |
| Component | Energy Balance Equation | Exergy Balance Equation |
|---|---|---|
| HPT | ||
| LPT | ||
| Condenser-1 | ||
| HEX-3 | ||
| EXV5 | ||
| OFWH | ||
| CFWH | ||
| Pump-1 | ||
| Pump-2 | ||
| Dryer | ||
| HEX-1 | ||
| HEX-2 | ||
| Biomass combustor | ||
| HEX-4 | ||
| HEX-5 | ||
| HEX-6 | ||
| Pump-3 | ||
| Turbine | ||
| Condenser-2 | ||
| MSF | ||
| HTG | ||
| LTG | ||
| HTHEX | ||
| LTHEX | ||
| Absorber | ||
| Evaporator | ||
| Expansion Valve-1 | ||
| Expansion Valve-2 | ||
| Expansion Valve-3 | ||
| Expansion Valve-4 | ||
| Pump-4 | ||
| PEME |
| Nanoparticle | Density (kg/m³) | Specific Heat (J/kg K) | Thermal Conductivity (W/m K) |
|---|---|---|---|
| Graphene | 2160 | 710 | 5000 |
| Silver | 10,500 | 235 | 429 |
| Ethylene Glycol | 1126 | 2345 | 0.256 |
| Description | Value (%) |
|---|---|
| Moisture content (by weight) | 9.7 |
| Elemental analysis (dry basis by weight) | |
| Carbon (C) | 49.05 |
| Hydrogen (H) | 6.10 |
| Oxygen (O) | 44.30 |
| Nitrogen (N) | 0.37 |
| Sulfur (S) | 0.06 |
| Chlorine (Cl) | 0.12 |
| Mineral content | 18.2 |
| Parameters | Values |
|---|---|
| 101.3 kPa | |
| 1.7 × 105 A/m2 | |
| 4.6 × 103 A/m2 | |
| 76 kJ/mole | |
| 18 kJ/mole | |
| F | 96,486 C/mole |
| [47] | 146.96 |
| Study | Number of MSF Stages | Feed Flow Rate (kg/s) | Distillate Flow Rate (kg/s) | Brine Flow Rate (kg/s) | |
|---|---|---|---|---|---|
| Present Work | 24 | 338.5 | 37.93 | 300.6 | 2326 |
| Ref [34] | 24 | 3384.9 | 378.8 | 3006 | 2330.1 |
| St. | (kg/s) | T (°C) | P (kP) | h (kJ/kg) | s (kJ/Kg.k) | ex (kJ/kg) | St. | (kg/s) | T (°C) | P (kP) | h (kJ/kg) | s (kJ/Kg.k) | ex (kJ/kg) |
|---|---|---|---|---|---|---|---|---|---|---|---|---|---|
| 0 | - | 25 | 101.3 | 104.8 | 0.3669 | - | 37 | 50 | 114.9 | 500 | 760.8 | 2.767 | 86.44 |
| 1 | 0.01429 | 170 | 10,000 | 485.2 | 1.358 | 0.8821 | 38 | 50 | 25 | 101.3 | 104.8 | 0.3669 | 0 |
| 2 | 0.01429 | 170 | 10,000 | 485.2 | 1.358 | 85.05 | 39 | 50 | 81.11 | 101.3 | 339.6 | 1.088 | 19.77 |
| 3 | 0.01429 | 155 | 2000 | 432.4 | 1.254 | 63.4 | 40 | 200 | 25 | 101.3 | 98.71 | 0.3442 | 0 |
| 4 | 0.01429 | 95.02 | 2000 | 261.9 | 0.8254 | 20.52 | 41 | 200 | 25 | 212.5 | 98.71 | 0.3442 | 0 |
| 5 | 0.01429 | 95.02 | 2000 | 261.9 | 0.8254 | 20.52 | 42 | 200 | 89 | 152.5 | 353.7 | 1.119 | 23.96 |
| 6 | 0.01429 | 100 | 10,000 | 282.9 | 0.8619 | 5.243 | 43 | 200 | 110 | 150 | 437.4 | 1.344 | 40.65 |
| 7 | 7.5 | 25 | 101.3 | 14,299 | 1.0 | 17,523 | 44 | 178.1 | 46 | 9.893 | 180.8 | 0.6085 | 3.271 |
| 8 | 17.5 | 25 | 101.3 | 237.2 | 6.859 | 4729 | 45 | 178.1 | 46 | 148.4 | 180.8 | 0.6085 | 3.271 |
| 9 | 25 | 625 | 1000 | 3599 | 8.217 | 1501 | 46 | 21.89 | 44 | 9.893 | 184.2 | 0.6254 | 2.338 |
| 10 | 25 | 393.1 | 1000 | 3361 | 7.21 | 831 | 47 | 21.77 | 44.01 | 101.3 | 184.3 | 0.6254 | 2.431 |
| 11 | 25 | 219.4 | 1000 | 1076 | 2.347 | 226.8 | 48 | 0.1119 | 44.01 | 101.3 | 184.3 | 0.6254 | 2.431 |
| 12 | 25 | 154.2 | 1000 | 692.5 | 1.838 | 87.3 | 49 | 0.1119 | 84.06 | 101.3 | 352 | 1.123 | 71.63 |
| 13 | 25 | 150.9 | 1000 | 691 | 1.838 | 85.1 | 52 | 12.5 | 30 | 0.8136 | 68.32 | 0.1902 | 12.7 |
| 14 | 10 | 530 | 12,500 | 3423 | 6.565 | 1471 | 53 | 12.5 | 30 | 130.2 | 68.4 | 0.1902 | 12.78 |
| 15 | 10 | 395.4 | 5000 | 3184 | 6.629 | 1213 | 54 | 12.5 | 53.29 | 130.2 | 116.8 | 0.3447 | 15.19 |
| 16 | 10 | 530 | 5000 | 3504 | 7.065 | 1403 | 55 | 11.1 | 85.02 | 7.381 | 203.9 | 0.4808 | 61.65 |
| 17 | 0.9583 | 247.4 | 500 | 2955 | 7.26 | 795.9 | 56 | 11.1 | 57.51 | 7.381 | 150.7 | 0.3262 | 54.51 |
| 18 | 0.7826 | 115 | 100 | 2706 | 7.441 | 493.4 | 57 | 11.1 | 43.14 | 0.8136 | 150.7 | 0.3262 | 54.51 |
| 19 | 8.259 | 45.82 | 10 | 2428 | 7.66 | 149.8 | 58 | 0.6536 | 77.51 | 7.381 | 2645 | 8.47 | 125.1 |
| 20 | 8.259 | 45.82 | 10 | 191.8 | 0.6493 | 2.856 | 59 | 1.398 | 40 | 7.381 | 167.5 | 0.5723 | 1.464 |
| 21 | 8.259 | 45.82 | 100 | 191.9 | 0.6493 | 2.948 | 60 | 1.398 | 4 | 0.8136 | 167.5 | 0.6048 | −8.23 |
| 22 | 0.7826 | 69.99 | 100 | 2525 | 0.9547 | 2245 | 61 | 1.398 | 4 | 0.8136 | 2508 | 9.049 | −184.3 |
| 23 | 10 | 99.63 | 100 | 417.5 | 1.303 | 33.8 | 62 | 12.5 | 101.6 | 130.2 | 220.8 | 0.64 | 31.11 |
| 24 | 10 | 100.2 | 5000 | 423.5 | 1.305 | 39.09 | 63 | 11.76 | 155 | 130.2 | 339.1 | 0.8821 | 77.29 |
| 25 | 0.9583 | 151.9 | 500 | 640.4 | 1.861 | 90.3 | 64 | 11.76 | 104.2 | 130.2 | 231.4 | 0.6159 | 48.93 |
| 26 | 0.9583 | 99.63 | 100 | 640.4 | 1.901 | 78.51 | 65 | 11.76 | 104.2 | 7.381 | 231.4 | 0.6159 | 48.93 |
| 27 | 10 | 152.4 | 5000 | 645.3 | 1.861 | 95.21 | 66 | 0.7448 | 155 | 130.2 | 2784 | 7.511 | 550.2 |
| 28 | 10 | 161.2 | 5000 | 683.4 | 1.95 | 106.9 | 67 | 0.7448 | 107.2 | 130.2 | 449.4 | 1.387 | 40.48 |
| 34 | 50 | 37.74 | 500 | 291.3 | 1.311 | 50.8 | 68 | 0.7448 | 40 | 7.381 | 449.4 | 1.473 | 15.1 |
| 35 | 50 | 45.62 | 12,500 | 317.3 | 1.323 | 73.15 | 69 | 50 | 25 | 101.3 | 104.8 | 0.3669 | 0 |
| 36 | 50 | 235.4 | 12,500 | 888.5 | 2.708 | 231.6 | 70 | 50 | 69.16 | 101.3 | 289.5 | 0.9446 | 12.55 |
| Description | Value | Description | Value |
|---|---|---|---|
| Outlet temperature of the CPC (°C) | 170 | Energy efficiency of PEM (%) | 67.94 |
| Mass flow rate inside the CPC (kg/s) | 0.01429 | Exergy efficiency of PEM (%) | 56.93 |
| ORC Turbine (MW) | 6.38 | Energy efficiency of CPC (%) | 51.3 |
| HP Turbine (MW) | 2.388 | Exergy efficiency of CPC (%) | 14.76 |
| LP Turbine (MW) | 10.04 | Energy efficiency of Dryer (%) | 79.85 |
| PEM electrical requirement (MW) | 2.6 | Exergy efficiency of Dryer (%) | 43.09 |
| Net power production (MW) | 14.85 | Energy efficiency of MSF (%) | 38.72 |
| Energy efficiency of ORC (%) | 29.45 | Exergy efficiency of MSF (%) | 8.233 |
| Exergy efficiency of ORC (%) | 40.2 | Overall energy efficiency (%) system (%) | 34.72 |
| COPDEAC | 0.9922 | Overall exergy efficiency (%) | 20.73 |
| Exergy efficiency of DEAC (%) | 24.77 | Cooling rate of DEAC (MW) | 3.273 |
| Energy efficiency of SRC (%) | 39.91 | Drying production rate (MW) | 0.568 |
| Exergy efficiency of SRC (%) | 78.96 | Hot water production rate (MW) | 20.97 |
| Fresh water production rate (kg/s) | 37.83 | Hydrogen production rate (kg/h) | 44.784 |
| Description | EG | Graphene–EG | Silver–EG |
|---|---|---|---|
| Outlet temperature of the CPC (°C) | 170 | 197.6 | 178.6 |
| Mass flow rate inside the CPC (kg/s) | 0.01429 | 0.02372 | 0.09322 |
| Net power production (MW) | 14.85 | 15.14 | 15.05 |
| Cooling rate of DEAC (MW) | 3.273 | 4.052 | 3.52 |
| Hot water production rate (MW) | 20.97 | 21.07 | 21 |
| Energy efficiency of Overall system (%) | 34.72 | 35.6 | 35 |
| Exergy efficiency of Overall system (%) | 20.73 | 21.15 | 20.86 |
Publisher’s Note: MDPI stays neutral with regard to jurisdictional claims in published maps and institutional affiliations. |
© 2022 by the authors. Licensee MDPI, Basel, Switzerland. This article is an open access article distributed under the terms and conditions of the Creative Commons Attribution (CC BY) license (https://creativecommons.org/licenses/by/4.0/).
Share and Cite
Ibrahim, A.A.; Kayfeci, M.; Georgiev, A.G.; Dolgun, G.K.; Keçebaş, A. Performance Assessment of a Novel Solar and Biomass-Based Multi-Generation System Equipped with Nanofluid-Based Compound Parabolic Collectors. Energies 2022, 15, 8911. https://doi.org/10.3390/en15238911
Ibrahim AA, Kayfeci M, Georgiev AG, Dolgun GK, Keçebaş A. Performance Assessment of a Novel Solar and Biomass-Based Multi-Generation System Equipped with Nanofluid-Based Compound Parabolic Collectors. Energies. 2022; 15(23):8911. https://doi.org/10.3390/en15238911
Chicago/Turabian StyleIbrahim, Alla Ali, Muhammet Kayfeci, Aleksandar G. Georgiev, Gülşah Karaca Dolgun, and Ali Keçebaş. 2022. "Performance Assessment of a Novel Solar and Biomass-Based Multi-Generation System Equipped with Nanofluid-Based Compound Parabolic Collectors" Energies 15, no. 23: 8911. https://doi.org/10.3390/en15238911
APA StyleIbrahim, A. A., Kayfeci, M., Georgiev, A. G., Dolgun, G. K., & Keçebaş, A. (2022). Performance Assessment of a Novel Solar and Biomass-Based Multi-Generation System Equipped with Nanofluid-Based Compound Parabolic Collectors. Energies, 15(23), 8911. https://doi.org/10.3390/en15238911

