Robust Dynamic Control of Constant-Current-Source-Based Dual-Active-Bridge DC/DC Converter Used for Off-Board EV Charging
Abstract
1. Introduction
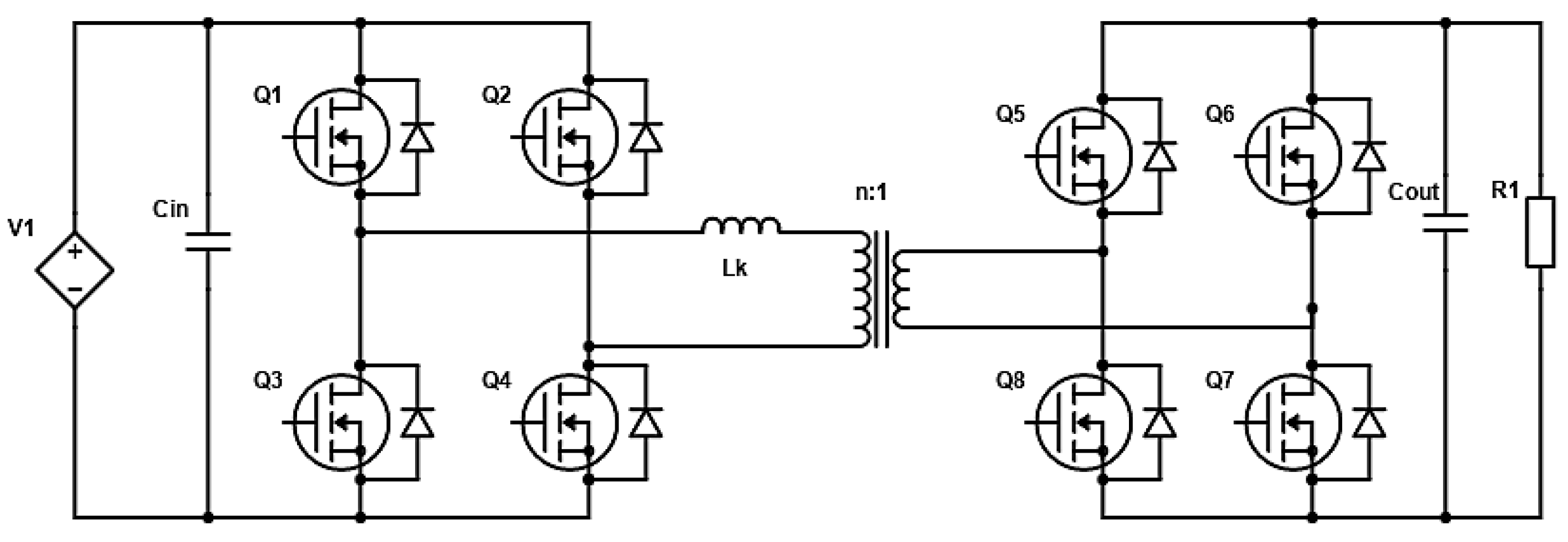
2. Working of Single-Phase-Shift DAB–DC/DC Converter
3. Proposed Fast Current Controller (FCC)
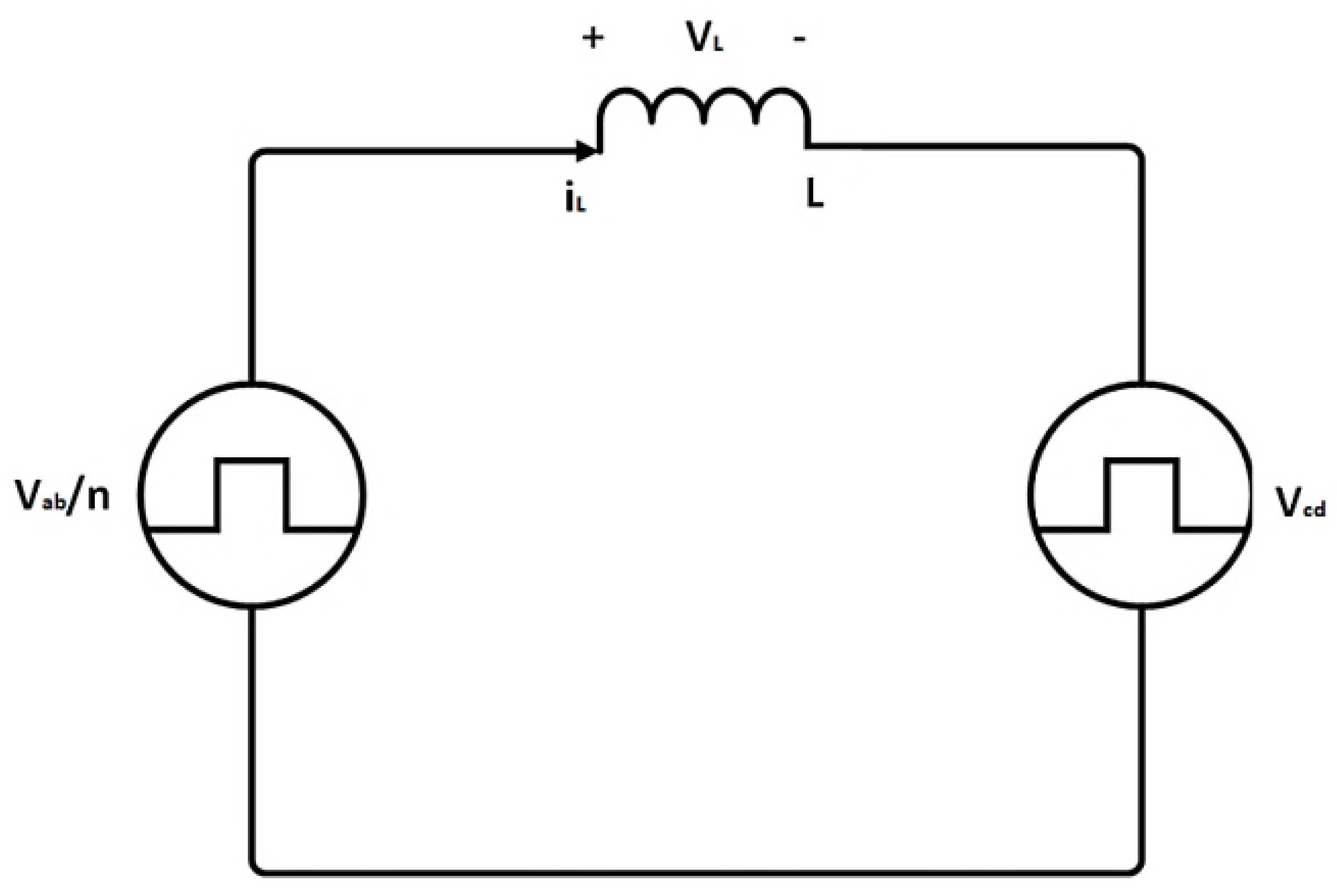
3.1. Mathematical MODEL of DAB–DC/DC Converter
Small-Signal Analysis
4. MATLAB Simulation Results and Discussion
4.1. Case1: Tracking 5A Reference Current during Startup
4.2. Case2: Change in Reference Current
4.3. Case3: Change in Load
4.4. Case4: Variation in the Input Voltage
5. Experimental Results and Discussion
6. Conclusions
- During variations in the load and input voltage, compared with the MBPS, LCFF, and PI current controller, the proposed current controller has the best dynamic response and tracks the desired output current in the shortest time, with negligible current overshoot/undershoot.
- Moreover, during the startup process or change in reference output current conditions, compared with the other three controllers, the proposed FCC strategy can significantly attain the fastest dynamic response.
Author Contributions
Funding
Data Availability Statement
Conflicts of Interest
References
- Shen, M.; Huang, W.; Chen, M.; Song, B.; Zeng, G.; Zhang, Y. (Micro) Plastic Crisis: Un-Ignorable Contribution to Global Greenhouse Gas Emissions and Climate Change. J. Clean. Prod. 2020, 254, 120138. [Google Scholar] [CrossRef]
- Dai, Q.; Kelly, J.C.; Gaines, L.; Wang, M. Life Cycle Analysis of Lithium-Ion Batteries for Automotive Applications. Batteries 2019, 5, 48. [Google Scholar] [CrossRef]
- Ashfaq, M.; Butt, O.; Selvaraj, J.; Rahim, N. Assessment of Electric Vehicle Charging Infrastructure and Its Impact on the Electric Grid: A Review. Int. J. Green Energy 2021, 18, 657–686. [Google Scholar] [CrossRef]
- Skrúcaný, T.; Kendra, M.; Stopka, O.; Milojević, S.; Figlus, T.; Csiszár, C. Impact of the electric mobility implementation on the greenhouse gases production in central European countries. Sustainability 2019, 11, 4948. [Google Scholar] [CrossRef]
- Kopelias, P.; Demiridi, E.; Vogiatzis, K.; Skabardonis, A.; Zafiropoulou, V. Connected & autonomous vehicles–Environmental impacts–A review. Sci. Total Environ. 2020, 712, 135237. [Google Scholar] [PubMed]
- IEA. Global EV Outlook; IEA: Paris, France, 2019.
- Butt, O.M.; Butt, T.M.; Ashfaq, M.H.; Talha, M.; Raihan, S.R.S.; Hussain, M.M. Simulative Study to Reduce DC-Link Capacitor of Drive Train for Electric Vehicles. Energies 2022, 15, 4499. [Google Scholar] [CrossRef]
- Bharathidasan, M.; Indragandhi, V. Review of Power Factor Correction (PFC) AC/DC-DC Power Electronic Converters for Electric Vehicle Applications. IOP Conf. Ser. Mater. Sci. Eng. 2020, 906, 012006. [Google Scholar] [CrossRef]
- Hussain, M.M.; Akram, R.; Memon, Z.A.; Nazir, M.H.; Javed, W.; Siddique, M. Demand Side Management Techniques for Home Energy Management Systems for Smart Cities. Sustainability 2021, 13, 11740. [Google Scholar] [CrossRef]
- Kheraluwala, M.; Gascoigne, R.W.; Divan, D.M.; Baumann, E.D. Performance characterization of a high-power dual active bridge DC-to-DC converter. IEEE Trans. Ind. Appl. 1992, 28, 1294–1301. [Google Scholar] [CrossRef]
- Zhao, B.; Song, Q.; Liu, W.; Sun, Y. Overview of dual-active-bridge isolated bidirectional DC–DC converter for high-frequency-link power-conversion system. IEEE Trans. Power Electron. 2015, 29, 4091–4106. [Google Scholar] [CrossRef]
- Zhao, B.; Song, Q.; Liu, W. Experimental comparison of isolated bidirectional DC–DC converters based on all-Si and all-SiC power devices for next-generation power conversion application. IEEE Trans. Ind. Electron. 2016, 61, 1389–1393. [Google Scholar] [CrossRef]
- Huisman, T. A Dual Active Bridge DC-DC Converter for Automotive Applications: Design of a High Efficiency Bidirectional DAB Converter for the Lightyear One. Master’s Thesis, Delft University of Technology, Delft, The Netherland, 2020. [Google Scholar]
- Shi, R.; Semsar, S.; Lehn, P.W. Constant current fast charging of electric vehicles via a DC grid using a dual-inverter drive. IEEE Trans. Ind. Electron. 2017, 64, 6940–6949. [Google Scholar] [CrossRef]
- Fei, L.; Shahzad, M.; Abbas, F.; Muqeet, H.A.; Hussain, M.M.; Bin, L. Optimal Energy Management System of IoT-Enabled Large Building Considering Electric Vehicle Scheduling, Distributed Resources, and Demand Response Schemes. Sensors 2022, 22, 7448. [Google Scholar] [CrossRef] [PubMed]
- Cardozo, D.D.M.; Balda, J.C.; Trowler, D.; Mantooth, H.A. Novel nonlinear control of Dual Active Bridge using simplified converter model. In Proceedings of the 2010 Twenty-Fifth Annual IEEE Applied Power Electronics Conference and Exposition (APEC), Palm Springs, CA, USA, 21–25 February 2010; pp. 321–327. [Google Scholar]
- Kanaan, H.Y.; Caron, M.; Al-Haddad, K. Design and implementation of a two-stage grid-connected high efficiency power load emulator. IEEE Trans. Power Electron. 2013, 29, 3997–4006. [Google Scholar] [CrossRef]
- Alvarez-Ramirez, J.; Cervantes, I.; Espinosa-Perez, G.; Maya, P.; Morales, A. A stable design of PI control for DC-DC converters with an RHS zero. IEEE Trans. Circuits Syst. I Fundam. Theory Appl. 2001, 48, 103–106. [Google Scholar] [CrossRef]
- Segaran, D.; McGrath, B.; Holmes, D. Adaptive dynamic control of a bi-directional DC-DC converter. In Proceedings of the 2013 IEEE Energy Conversion Congress and Exposition, Denver, CO, USA, 15–19 September 2013; pp. 1442–1449. [Google Scholar]
- Segaran, D.; Holmes, D.G.; McGrath, B.P. Enhanced load step response for a bidirectional DC–DC converter. IEEE Trans. Power Electron. 2016, 28, 371–379. [Google Scholar] [CrossRef]
- Xu, G.; Sha, D.; Zhang, J.; Liao, X. Unified boundary trapezoidal modulation control utilizing fixed duty cycle compensation and magnetizing current design for dual active bridge DC–DC converter. IEEE Trans. Power Electron. 2016, 32, 2243–2252. [Google Scholar] [CrossRef]
- Bai, H.; Nie, Z.; Mi, C.C. Experimental comparison of traditional phase-shift, dual-phase-shift, and model-based control of isolated bidirectional DC–DC converters. IEEE Trans. Power Electron. 2016, 25, 1444–1449. [Google Scholar] [CrossRef]
- Riaz, M.; Sałabun, W.; Athar Farid, H.M.; Ali, N.; Wątróbski, J. A robust q-rung orthopair fuzzy information aggregation using Einstein operations with application to sustainable energy planning decision management. Energies 2020, 13, 2155. [Google Scholar] [CrossRef]
- Riaz, M.; Athar Farid, H.M.; Shakeel, H.M.; Arif, D. Cost Effective Indoor HVAC Energy Efficiency Monitoring based on Intelligent Decision Support System under Fermatean Fuzzy Framework. Sci. Iran. 2022. [Google Scholar] [CrossRef]
- Qin, D.; Sun, Q.; Ma, D.; Sun, J. Model Predictive control of dual-active-bridge based fast battery charger for plug-in hybrid electric vehicle in the future grid. In Proceedings of the 2019 IEEE Innovative Smart Grid Technologies-Asia (ISGT Asia), Chengdu, China, 21–24 May 2019; pp. 2162–2166. [Google Scholar]
- Gao, G.; Lei, W.; Cui, Y.; Li, K.; Hu, X.; Xu, J.; Lv, G. Model Predictive Control of Dual Active Bridge Converter Based on the Lookup Table Method. In Proceedings of the 2019 IEEE 10th International Symposium on Power Electronics for Distributed Generation Systems (PEDG), Xi’an, China, 3–6 June 2019; pp. 183–186. [Google Scholar]
- Jeung, Y.-C.; Lee, D.-C. Voltage and current regulations of bidirectional isolated dual-active-bridge DC–DC converters based on a double-integral sliding mode control. IEEE Trans. Power Electron. 2018, 34, 6937–6946. [Google Scholar] [CrossRef]
- Li, K.; Yang, Y.; Tan, S.-C.; Hui, R.S.-Y. Sliding-mode-based direct power control of dual-active-bridge DC-DC converters. In Proceedings of the 2019 IEEE Applied Power Electronics Conference and Exposition (APEC), Anaheim, CA, USA, 17–21 March 2019; pp. 188–192. [Google Scholar]
- Lee, S.; Jeung, Y.-C.; Lee, D.-C. Voltage balancing control of IPOS modular dual active bridge DC/DC converters based on hierarchical sliding mode control. IEEE Access 2019, 7, 9989–9997. [Google Scholar] [CrossRef]
- Farooq, Z.; Zaman, T.; Khan, M.A.; Muyeen, S.; Ibeas, A. Artificial neural network based adaptive control of single phase dual active bridge with finite time disturbance compensation. IEEE Access 2019, 7, 112229–112239. [Google Scholar] [CrossRef]
- Liu, B.; Zha, Y.; Zhang, T.; Chen, S. Fuzzy logic control of dual active bridge in solid state transformer applications. In Proceedings of the 2016 Tsinghua University-IET Electrical Engineering Academic Forum, Beijing, China, 13–15 May 2016; pp. 1–4. [Google Scholar]
- Alonso, A.R.R.; Sebastian, J.; Lamar, D.G.; Hernando, M.M.; Vazquez, A. An overall study of a Dual Active Bridge for bidirectional DC/DC conversion. In Proceedings of the 2010 IEEE Energy Conversion Congress and Exposition, Atlanta, Georgia, USA, 12–16 September 2010; pp. 1129–1135. [Google Scholar]
- Shah, S.S.; Bhattacharya, S. A simple unified model for generic operation of dual active bridge converter. IEEE Trans. Ind. Electron. 2018, 66, 3486–3495. [Google Scholar] [CrossRef]
- Takagi, K.; Fujita, H. Dynamic control and performance of a dual-active-bridge DC–DC converter. IEEE Trans. Power Electron. 2017, 33, 7858–7866. [Google Scholar] [CrossRef]
- Gui, Y.; Kim, C.; Chung, C.C.; Guerrero, J.M.; Guan, Y.; Vasquez, J.C. Improved direct power control for grid-connected voltage source converters. IEEE Trans. Ind. Electron. 2018, 65, 8041–8051. [Google Scholar] [CrossRef]
- Wai, R.-J.; Yang, Y. Design of backstepping direct power control for three-phase PWM rectifier. IEEE Trans. Ind. Appl. 2019, 55, 3160–3173. [Google Scholar] [CrossRef]
- Benbouhenni, H. Direct power control of a DFIG fed by a seven-level inverter using SVM strategy. Int. J. Smart Grid 2019, 3, 54–62. [Google Scholar]
- Youssef, E.; Costa, P.B.; Pinto, S.F.; Amin, A.; El Samahy, A.A. Direct power control of a single stage current source inverter grid-tied PV system. Energies 2020, 13, 3165. [Google Scholar] [CrossRef]
- Song, W.; Hou, N.; Wu, M. Virtual direct power control scheme of dual active bridge DC–DC converters for fast dynamic response. IEEE Trans. Power Electron. 2017, 33, 1750–1759. [Google Scholar] [CrossRef]
- Tiwary, N.; Venkataramana, N.N.; Panda, A.k.; Narendra, A. Direct Power Control of Dual Active Bridge Bidirectional DC-DC Converter. In Proceedings of the 2019 International Conference on Power Electronics, Control and Automation (ICPECA), New Delhi, India, 16–17 November 2019; pp. 1–4. [Google Scholar]
- Ríos, S.J.; Pagano, D.J.; Lucas, K.E. Bidirectional Power Sharing for DC Microgrid Enabled by Dual Active Bridge DC-DC Converter. Energies 2021, 14, 404. [Google Scholar] [CrossRef]
- Shao, S.; Chen, L.; Shan, Z.; Gao, F.; Chen, H.; Sha, D.; Dragicevic, T.G. Modeling and Advanced Control of Dual Active Bridge DC-DC Converters: A Review. IEEE Trans. Power Electron. 2021, 37, 1524–1547. [Google Scholar] [CrossRef]
- Herrera-Jaramillo, D.A.; Gonzalez Montoya, D.; Henao-Bravo, E.E.; Ramos-Paja, C.A.; Saavedra-Montes, A.J. Systematic analysis of control techniques for the dual active bridge converter in photovoltaic applications. Int. J. Circuit Theory Appl. 2021, 49, 3031–3052. [Google Scholar] [CrossRef]
- Sanders, S.R.; Noworolski, J.M.; Liu, X.Z.; Verghese, G.C. Generalized averaging method for power conversion circuits. IEEE Trans. Power Electron. 1991, 6, 251–259. [Google Scholar] [CrossRef]
- Erni, I.R.; Vidal-Idiarte, E.; Calvente, J.; Guasch-Pesquer, L. Small signal modelling for variable frequency control with maximum efficiency point tracking of DAB converter. IEEE Access 2021, 9, 85289–85299. [Google Scholar] [CrossRef]
- Rolak, M.; Twardy, M.; Soból, C. Generalized Average Modeling of a Dual Active Bridge DC-DC Converter with Triple-Phase-Shift Modulation. Energies 2022, 15, 6092. [Google Scholar] [CrossRef]
- Tolstov, G.P. Fourier Series; Courier Corporation: Chelmsford, MA, USA, 2012. [Google Scholar]
- Huang, J.; Li, Z.; Shi, L.; Wang, Y.; Zhu, J. Optimized modulation and dynamic control of a three-phase dual active bridge converter with variable duty cycles. IEEE Trans. Power Electron. 2018, 34, 2856–2873. [Google Scholar] [CrossRef]






























| System Parameters | Value |
|---|---|
| Power | 500 W |
| Input voltage | 100 V |
| Switching frequency | 20 kHz |
| Transformer turn ratio | 1:1 |
| Total inductance | 112 µH |
| Input capacitor | 220 µF |
| Output capacitor | 130 µF |
| Rated resistive load | 20 Ω |
| Test Cases | FCC | LCFF | MBPS | PI | ||||
|---|---|---|---|---|---|---|---|---|
| Δt | Δi | Δt | Δi | Δt | Δi | Δt | Δi | |
| 5 A (ref) | 25 ms | -/- | 635 ms | 2 A (overshoot) | 155 ms | -/- | 820 ms | 1.7 A (overshoot) |
| 5 A to 2.5 A (ref) | 65 ms | -/- | 580 ms | 0.3 (undershoot) | 160 ms | -/- | 635 ms | 0.2 (undershoot) |
| 25% Load change | 9 ms | 0.4 A | 380 ms | 1.4 A | 90 ms | 0.3 A | 240 ms | 1.6 A |
| 50% Load change | 15 ms | 0.9 A | 600 ms | 4.2 A | 80 ms | 0.7 A | 630 ms | 5 A |
| Input voltage change (100 V to 85 V) | Neg. | -/- | 410 ms | 0.3 A | Neg. | -/- | 500 ms | 0.4 A |
| Input voltage change (100 V to 115 V) | Neg. | -/- | 220 ms | 0.3 A | Neg. | -/- | 462 ms | 0.2 A |
| System Parameters | Value |
|---|---|
| Power | 300 W |
| Input voltage | 75 V |
| Switching frequency | 20 kHz |
| Transformer turn ratio | 1:1 |
| Total inductance | 55 µH |
| Input capacitor | 220 µF |
| Output capacitor | 220 µF |
| Resistive load | 20–30 Ω |
| Desired output current | 4 A |
| Test Cases | FCC | LCFF | MBPS | PI | ||||
|---|---|---|---|---|---|---|---|---|
| Δt | Δi | Δt | Δi | Δt | Δi | Δt | Δi | |
| 4 A (ref) | 30 ms | -/- | 160 ms | -/- | 55 ms | -/- | 280 ms | -/- |
| 25% Load change | 150 ms | 0.3 A | 490 ms | 0.55 A | 220 ms | 0.4 A | 560 ms | 0.75 A |
| 50% Load change | 290 ms | 0.4 A | 1050 ms | 1 A | 410 ms | 0.6 A | 1420 ms | 1.2 A |
| Input voltage change (75 V to 65 V) | Neg. | -/- | 170 ms | 0.3 A | Neg. | -/- | 210 ms | 0.35 A |
| Input voltage change (65 V to 75 V) | Neg. | -/- | 240 ms | 0.2 A | Neg. | -/- | 290 ms | 0.2 A |
| Control Strategy | Start Up | Change in Reference Current | Change in Load | Change in Input Voltage |
|---|---|---|---|---|
| FCC | Fastest | Faster | Fastest | Fastest |
| LCFF | Slow | Slow | Slower | Fast |
| MBPS | Faster | Fast | Faster | Fastest |
| PI | Slower | Slower | Slow | Slow |
Publisher’s Note: MDPI stays neutral with regard to jurisdictional claims in published maps and institutional affiliations. |
© 2022 by the authors. Licensee MDPI, Basel, Switzerland. This article is an open access article distributed under the terms and conditions of the Creative Commons Attribution (CC BY) license (https://creativecommons.org/licenses/by/4.0/).
Share and Cite
Ashfaq, M.H.; Memon, Z.A.; Chaudhary, M.A.; Talha, M.; Selvaraj, J.; Rahim, N.A.; Hussain, M.M. Robust Dynamic Control of Constant-Current-Source-Based Dual-Active-Bridge DC/DC Converter Used for Off-Board EV Charging. Energies 2022, 15, 8850. https://doi.org/10.3390/en15238850
Ashfaq MH, Memon ZA, Chaudhary MA, Talha M, Selvaraj J, Rahim NA, Hussain MM. Robust Dynamic Control of Constant-Current-Source-Based Dual-Active-Bridge DC/DC Converter Used for Off-Board EV Charging. Energies. 2022; 15(23):8850. https://doi.org/10.3390/en15238850
Chicago/Turabian StyleAshfaq, Muhammad Husnain, Zulfiqar Ali Memon, Muhammad Akmal Chaudhary, Muhammad Talha, Jeyraj Selvaraj, Nasrudin Abd Rahim, and Muhammad Majid Hussain. 2022. "Robust Dynamic Control of Constant-Current-Source-Based Dual-Active-Bridge DC/DC Converter Used for Off-Board EV Charging" Energies 15, no. 23: 8850. https://doi.org/10.3390/en15238850
APA StyleAshfaq, M. H., Memon, Z. A., Chaudhary, M. A., Talha, M., Selvaraj, J., Rahim, N. A., & Hussain, M. M. (2022). Robust Dynamic Control of Constant-Current-Source-Based Dual-Active-Bridge DC/DC Converter Used for Off-Board EV Charging. Energies, 15(23), 8850. https://doi.org/10.3390/en15238850

