Recurrent Wavelet Fuzzy Neural Network-Based Reference Compensation Current Control Strategy for Shunt Active Power Filter
Abstract
1. Introduction
- (1)
- The correct synchronization phase angle can be obtained under the conditions of the power-quality disturbances by regulating the analysis matrix for the fundamental positive-sequence component.
- (2)
- The DC-link voltage can be rapidly regulated with the proposed solution mechanism in the load variation.
- (3)
- The accurate value of the reference compensation current can be calculated with the regulated extraction process of the fundamental positive-sequence component and correct phase synchronization even if the deviation of the power system frequency, distorted source voltage, and interharmonics are present.
- (4)
- The parameters of the RWFNN-based controller can be conveniently regulated followed by the requirement of IEEE Standard 519-2022.
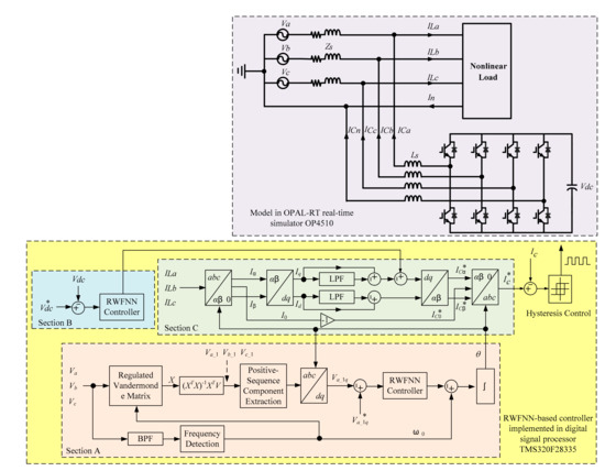
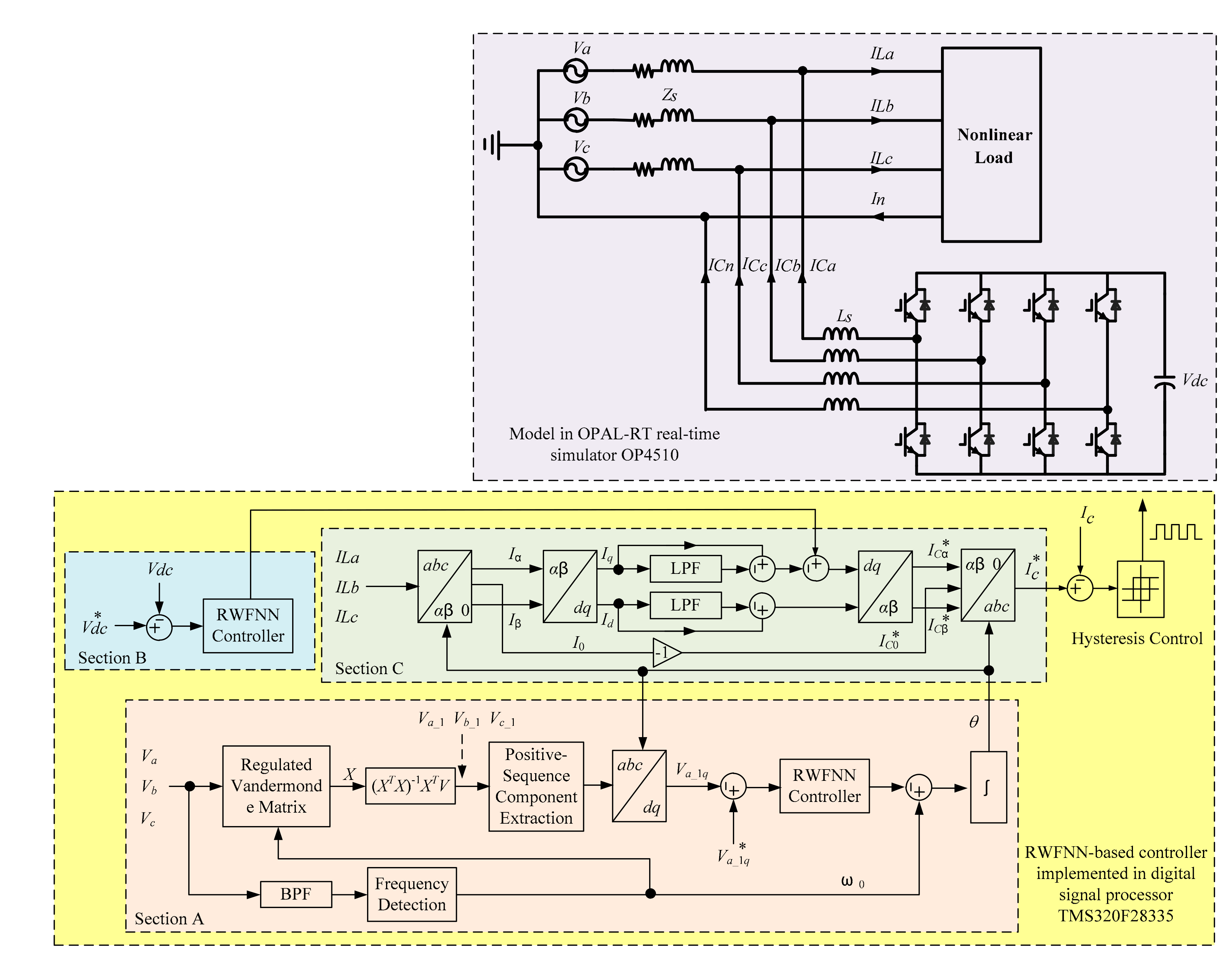
2. Proposed Control Strategy of Reference Compensation Current
2.1. Section A—Regulated Fundamental Positive-Sequence Extraction
2.2. Section B—DC-Link Voltage Regulation
2.2.1. Structure of RWFNN-Based Controller
Layer 1—Input Layer
Layer 2—Membership Layer
Layer 3—Wavelet Layer
Layer 4—Rule Layer
Layer 5—Output Layer
2.2.2. Learning Process of RWFNN-Based Controller
Layer 5—Output Layer
Layer 4—Rule Layer
Layer 2—Membership Layer
2.3. Section C—Calculation for Reference Compensation Current
3. Case Studies
3.1. Case 1—Unbalanced Harmonic Distortion under Nominal Source Voltage
3.2. Case 2—Unbalanced Harmonic Distortion under Power System Frequency Deviation
3.3. Case 3—Unbalanced Harmonic Distortion under Distorted Source Voltage
3.4. Case 4—Load Variation for DC-Link Voltage Regulation
4. Conclusions
Author Contributions
Funding
Acknowledgments
Conflicts of Interest
Abbreviations
| SAPF | shunt active power filter |
| RWFNN | recurrent wavelet fuzzy neural network |
| DFT | discrete Fourier transform |
| RNN | recurrent neural network |
| FNN | fuzzy neural network |
| VSI | voltage source inverter |
| BPF | band-pass filter |
| LPF | low-pass filter |
| TCP/IP | Transmission Control Protocol/Internet Protocol |
| JTAG | Joint Test Action Group |
| THDI | total harmonic current distortion |
| UR | unbalance rate |
| RMS | root-mean-squared |
References
- Chen, C.I.; Berutu, S.S.; Chen, Y.C.; Yang, H.C.; Chen, C.H. Regulated Two-Dimensional Deep Convolutional Neural Network-Based Power Quality Classifier for Microgrid. Energies 2022, 15, 2532. [Google Scholar] [CrossRef]
- Menti, A.; Zacharias, T.; Milias-Argitis, J. Optimal sizing and limitations of passive filters in the presence of background harmonic distortion. Electr. Eng. 2009, 91, 89–100. [Google Scholar] [CrossRef]
- Mohamed, I.F.; Abdel Aleem, S.H.E.; Ibrahim, A.M.; Zobaa, A.F. Optimal sizing of C-type passive filters under non-sinusoidal conditions. Energy Technol. Policy. 2014, 1, 35–44. [Google Scholar] [CrossRef]
- Bajaj, M.; Sharma, N.K.; Pushkarna, M.; Malik, H.; Alotaibi, M.A.; Almutairi, A. Optimal Design of Passive Power Filter Using Multi-Objective Pareto-Based Firefly Algorithm and Analysis Under Background and Load-Side’s Nonlinearity. IEEE Access 2021, 9, 22724–22744. [Google Scholar] [CrossRef]
- Chen, C.I.; Lan, C.K.; Chen, Y.C.; Chen, C.H. Adaptive Frequency-Based Reference Compensation Current Control Strategy of Shunt Active Power Filter for Unbalanced Nonlinear Loads. Energies 2019, 12, 3080. [Google Scholar] [CrossRef]
- Chauhan, S.K.; Shah, M.C.; Tiwari, R.R.; Tekwani, P.N. Analysis, Design and Digital Implementation of a Shunt Active Power Filter with Different Schemes of Reference Current Generation. IET Power Electron. 2014, 7, 627–639. [Google Scholar] [CrossRef]
- Maza-Ortega, J.M.; Rosendo-Macias, J.A.; Gomez-Exposito, A.; Ceballos-Mannozzi, S.; Barragan-Villarejo, M. Reference Current Computation for Active Power Filters by Running DFT Techniques. IEEE Trans. Power Deliv. 2010, 25, 1986–1995. [Google Scholar] [CrossRef]
- Golla, M.; Thangavel, S.; Simon, S.P.; Padhy, N.P. A Novel Control Scheme using UAPF in an Integrated PV Grid-tied System. IEEE Trans. Power Deliv. 2022, 1–13. [Google Scholar] [CrossRef]
- Kumar, A.; Kumar, P. Power Quality Improvement for Grid-connected PV System Based on Distribution Static Compensator with Fuzzy Logic Controller and UVT/ADALINE-based Least Mean Square Controller. J. Mod. Power Syst. Clean Energy 2021, 9, 1289–1299. [Google Scholar] [CrossRef]
- Kukrer, O.; Komurcugil, H.; Guzman, R.; Vicuna, L.G. A New Control Strategy for Three-Phase Shunt Active Power Filters Based on FIR Prediction. IEEE Trans. Ind. Electron. 2021, 68, 7702–7713. [Google Scholar] [CrossRef]
- Fei, J.; Wang, H. Experimental Investigation of Recurrent Neural Network Fractional-Order Sliding Mode Control of Active Power Filter. IEEE Trans. Circuits Syst. II 2020, 67, 2522–2526. [Google Scholar] [CrossRef]
- Hou, S.; Fei, J.; Chen, C.; Chu, Y. Finite-Time Adaptive Fuzzy-Neural-Network Control of Active Power Filter. IEEE Trans. Power Electron. 2019, 34, 10298–10313. [Google Scholar] [CrossRef]
- Hou, S.; Wang, C.; Chu, Y.; Fei, J. Neural-Observer-Based Terminal Sliding Mode Control: Design and Application. IEEE Trans. Fuzzy Syst. 2022, 30, 4800–4814. [Google Scholar] [CrossRef]
- Hou, S.; Chu, Y.; Fei, J. Intelligent Global Sliding Mode Control Using Recurrent Feature Selection Neural Network for Active Power Filter. IEEE Trans. Ind. Electron. 2021, 68, 7320–7329. [Google Scholar] [CrossRef]
- Chu, Y.; Fu, S.; Hou, S.; Fei, J. Intelligent Terminal Sliding Mode Control of Active Power Filters by Self-evolving Emotional Neural Network. IEEE Trans. Ind. Inform. 2022, in press. [Google Scholar] [CrossRef]
- IEEE Std. 519-2022; IEEE Standard for Harmonic Control in Electric Power Systems. IEEE: Piscataway, NJ, USA, 2022.
- Chen, C.I.; Chen, Y.C.; Chen, C.H.; Chang, Y.R. Voltage Regulation Using Recurrent Wavelet Fuzzy Neural Network-Based Dynamic Voltage Restorer. Energies 2020, 13, 6242. [Google Scholar] [CrossRef]
- Lin, F.J.; Tan, K.H.; Luo, W.C.; Xiao, G.D. Improved LVRT Performance of PV Power Plant Using Recurrent Wavelet Fuzzy Neural Network Control for Weak Grid Conditions. IEEE Access 2020, 8, 69346–69358. [Google Scholar] [CrossRef]
- Liu, S.; Guo, X.; Zhang, L. Robust Adaptive Backstepping Sliding Mode Control for Six-Phase Permanent Magnet Synchronous Motor Using Recurrent Wavelet Fuzzy Neural Network. IEEE Access 2017, 5, 14502–14515. [Google Scholar]
- IEEE Std. 1159-2019; IEEE Recommended Practice for Monitoring Electric Power Quality. IEEE: Piscataway, NJ, USA, 2019.



























| Parameter | Value |
|---|---|
| Grid Voltage | 220 V (RMS), 60 Hz |
| Vdc | 600 V |
| SAPF Capacitance | 2200 μF |
| Zs | Rs = 2 mΩ, Ls = 5 mH |
| Ls | 5 mH |
| Capacity of Nonlinear Load | 5 kVA |
| Switching Frequency of VSI | 20 kHz |
| Control Method | THDI | UR |
|---|---|---|
| Before Compensation | 35.54% | 9.51% |
| Traditional p-q method | 9.37% | 6.29% |
| Sliding DFT | 4.94% | 7.25% |
| RNN | 4.25% | 3.29% |
| FNN | 2.65% | 0.98% |
| Proposed Control Mechanism | 1.33% | 0.04% |
| Control Method | THDI | UR |
|---|---|---|
| Before Compensation | 33.34% | 9.37% |
| Traditional p-q method | 9.35% | 6.53% |
| Sliding DFT | 7.82% | 7.41% |
| RNN | 4.42% | 3.82% |
| FNN | 3.08% | 1.46% |
| Proposed Control Mechanism | 1.76% | 0.23% |
| Control Method | THDI | UR |
|---|---|---|
| Before Compensation | 25.63% | 10.68% |
| Traditional p-q method | 16.85% | 7.61% |
| Sliding DFT | 21.74% | 8.02% |
| RNN | 3.37% | 5.53% |
| FNN | 2.27% | 3.62% |
| Proposed Control Mechanism | 1.98% | 0.03% |
| Control Method | Response Time (sec) | Overshoot to Undershoot (%) |
|---|---|---|
| Traditional p-q method | 0.52 | 3.17% |
| Sliding DFT | 0.43 | 3.02% |
| RNN | 0.34 | 2.68% |
| FNN | 0.21 | 2.12% |
| Proposed Control Mechanism | 0.13 | 0.83% |
Publisher’s Note: MDPI stays neutral with regard to jurisdictional claims in published maps and institutional affiliations. |
© 2022 by the authors. Licensee MDPI, Basel, Switzerland. This article is an open access article distributed under the terms and conditions of the Creative Commons Attribution (CC BY) license (https://creativecommons.org/licenses/by/4.0/).
Share and Cite
Chen, C.-I.; Chen, Y.-C.; Chen, C.-H. Recurrent Wavelet Fuzzy Neural Network-Based Reference Compensation Current Control Strategy for Shunt Active Power Filter. Energies 2022, 15, 8687. https://doi.org/10.3390/en15228687
Chen C-I, Chen Y-C, Chen C-H. Recurrent Wavelet Fuzzy Neural Network-Based Reference Compensation Current Control Strategy for Shunt Active Power Filter. Energies. 2022; 15(22):8687. https://doi.org/10.3390/en15228687
Chicago/Turabian StyleChen, Cheng-I, Yeong-Chin Chen, and Chung-Hsien Chen. 2022. "Recurrent Wavelet Fuzzy Neural Network-Based Reference Compensation Current Control Strategy for Shunt Active Power Filter" Energies 15, no. 22: 8687. https://doi.org/10.3390/en15228687
APA StyleChen, C.-I., Chen, Y.-C., & Chen, C.-H. (2022). Recurrent Wavelet Fuzzy Neural Network-Based Reference Compensation Current Control Strategy for Shunt Active Power Filter. Energies, 15(22), 8687. https://doi.org/10.3390/en15228687

