Efficiency Improvement of Magnetic Coupler with Nanocrystalline Alloy Film for UAV Wireless Charging System with a Carbon Fiber Fuselage
Abstract
1. Introduction
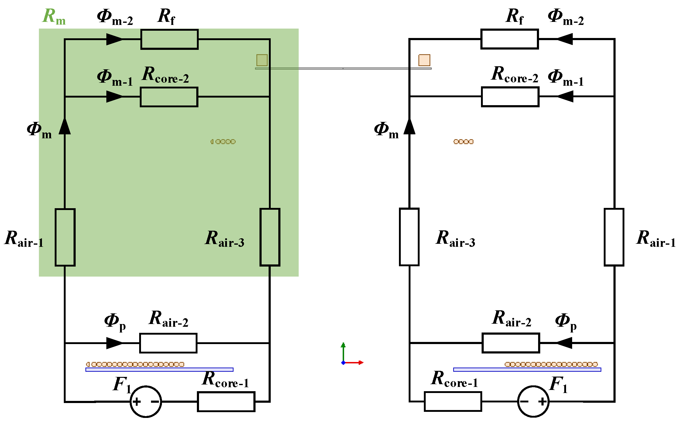
2. System Modeling Considering Carbon Fiber Fuselage
3. Design of the Magnetic Coupler
3.1. Coil Parameters
3.2. Ferrites Arrangement
3.3. Reduce the Effect of the Fuselage with Nanocrystalline Alloy Film
3.4. Simulation of Eddy Current Loss
4. Experimental Verification
4.1. Experimental Setup
4.2. Results
4.3. Comparison with Previous Work
5. Conclusions
Author Contributions
Funding
Conflicts of Interest
References
- Motlagh, N.; Taleb, T.; Arouk, O. Low-altitude unmanned aerial vehicles-based Internet of Things services: Comprehensive survey and future perspectives. IEEE Internet Things J. 2016, 3, 899–922. [Google Scholar] [CrossRef]
- Berni, J.A.J.; Zarco-Tejada, P.J.; Suarez, L.; Fereres, E. Thermal and narrowband multispectral remote sensing for vegetation monitoring from an unmanned aerial vehicle. IEEE Trans. Geosci. Remote Sens. 2009, 47, 722–738. [Google Scholar] [CrossRef]
- Dong, J.; Ota, K.; Dong, M. UAV-based real-time survivor detection system in post-disaster search and rescue operations. IEEE J. Miniat. Air Space Syst. 2021, 2, 209–219. [Google Scholar] [CrossRef]
- Obayashi, S.; Kanekiyo, Y.; Nishizawa, K.; Kusada, H. 85-kHz band 450-W inductive power transfer for unmanned aerial vehicle wireless charging port. In Proceedings of the 2019 IEEE Wireless Power Transfer Conference (WPTC), London, UK, 18–21 June 2019; pp. 80–84. [Google Scholar]
- Xu, J.; Zeng, Y.; Zhang, R. UAV-enabled wireless power transfer: Trajectory design and energy optimization. IEEE Trans. Wirel. Commun. 2018, 17, 5092–5106. [Google Scholar] [CrossRef]
- Cai, C.; Wu, S.; Jiang, L.; Zhang, Z.; Yang, S. A 500-W wireless charging system with lightweight pick-up for unmanned aerial vehicles. IEEE Trans. Power Electron. 2020, 35, 7721–7724. [Google Scholar] [CrossRef]
- Campi, T.; Dionisi, F.; Cruciani, S.; De Santis, V.; Feliziani, M.; Maradei, F. Magnetic field levels in drones equipped with wireless power transfer technology. In Proceedings of the 2016 Asia-Pacific International Symposium on Electromagnetic Compatibility (APEMC), Shenzhen, China, 17–21 May 2016; pp. 544–547. [Google Scholar]
- Campi, T.; Cruciani, S.; Feliziani, M.; Maradei, F. High efficiency and lightweight wireless charging system for drone batteries. In Proceedings of the 2017 AEIT International Annual Conference, Cagliari, Italy, 20–22 September 2017; pp. 1–6. [Google Scholar]
- Han, W.; Chau, K.T.; Jiang, C.; Liu, W.; Lam, W.H. Design and analysis of quasi-omnidirectional dynamic wireless power transfer for Fly-and-Charge. IEEE Trans. Magn. 2019, 55, 8001709. [Google Scholar] [CrossRef]
- Wu, S.; Cai, C.; Jiang, L.; Li, J.; Yang, S. Unmanned aerial vehicle wireless charging system with orthogonal magnetic structure and position correction aid device. IEEE Trans. Power Electron. 2021, 36, 7564–7575. [Google Scholar] [CrossRef]
- Arteaga, J.M.; Aldhaher, S.; Kkelis, G.; Kwan, C.; Yates, D.C.; Mitcheson, P.D. Dynamic capabilities of multi-MHz inductive power transfer systems demonstrated with batteryless drones. IEEE Trans. Power Electron. 2019, 34, 5093–5104. [Google Scholar] [CrossRef]
- Campi, T.; Cruciani, S.; Maradei, F.; Feliziani, M. Wireless charging system integrated in a small unmanned aerial vehicle (UAV) with high tolerance to planar coil misalignment. In Proceedings of the 2019 Joint International Symposium on Electromagnetic Compatibility, Sapporo and Asia-Pacific International Symposium on Electromagnetic Compatibility (EMC Sapporo/APEMC), Sapporo, Japan, 3–7 June 2019; pp. 601–604. [Google Scholar]
- Campi, T.; Cruciani, S.; Rodriguez, G.; Feliziani, M. Coil design of a wireless power transfer charging system for a drone. In Proceedings of the 2016 IEEE Conference on Electromagnetic Field Computation (CEFC), Miami, FL, USA, 13–16 November 2016; p. 1. [Google Scholar]
- Ke, D.; Liu, C.; Jiang, C.; Zhao, F. Design of an effective wireless air charging system for electric unmanned aerial vehicles. In Proceedings of the IECON 2017—43rd Annual Conference of the IEEE Industrial Electronics Society, Beijing, China, 29 October–1 November 2017; pp. 6949–6954. [Google Scholar]
- Song, K.; Zhang, P.; Chen, Z.; Yang, G.; Jiang, J.; Zhu, C. A high-efficiency wireless power transfer system for unmanned aerial vehicle considering carbon fiber body. In Proceedings of the 2020 22nd European Conference on Power Electronics and Applications (EPE’20 ECCE Europe), Lyon, France, 7–11 September 2020; pp. 1–7. [Google Scholar]
- Yang, F.; Song, K.; Zhang, P.; Zhang, J.; Zhu, C. Design of high power density wireless charging system for unmanned aerial vehicle. In The Proceedings of the 16th Annual Conference of China Electrotechnical Society; Springer: Singapore, 2022; p. 891. [Google Scholar]
- Mohammad, M.; Wodajo, E.T.; Choi, S.; Elbuluk, M.E. Modeling and design of passive shield to limit EMF emission and to minimize shield loss in unipolar wireless charging system for EV. IEEE Trans. Power Electron. 2019, 34, 12235–12245. [Google Scholar] [CrossRef]
- Dengler, R. Self inductance of a wire loop as a curve integral. Adv. Electromagn. 2016, 5, 1–8. [Google Scholar] [CrossRef]
- Cheng, C.; Li, W.; Zhou, Z.; Li, W.; Zhu, C.; Zhang, H.; Deng, Z.; Chen, X.; Mi, C.C. A load-independent wireless power transfer system with multiple constant voltage outputs. IEEE Trans. Power Electron. 2020, 35, 3328–3331. [Google Scholar] [CrossRef]
- Xiong, M.; Wei, X.; Huang, Y.; Luo, Z.; Dai, H. Research on novel flexible high-saturation nanocrystalline cores for wireless charging systems of electric vehicles. IEEE Trans. Ind. Electron. 2021, 68, 8310–8320. [Google Scholar] [CrossRef]
- Liu, J.; Deng, Q.; Czarkowski, D.; Kazimierczuk, M.K.; Zhou, H.; Hu, W. Frequency optimization for inductive power transfer based on AC resistance evaluation in litz-wire coil. IEEE Trans. Power Electron. 2019, 34, 2355–2363. [Google Scholar] [CrossRef]
- Rosskopf, A.; Bar, E.; Joffe, C. Influence of inner Skin- and Proximity effects on conduction in litz wires. IEEE Trans. Power Electron. 2014, 29, 2355–2363. [Google Scholar] [CrossRef]
- Abramowitz, M.; Stegun, I. Handbook of Mathematical Functions; Dover Publications: New York, NY, USA, 1970. [Google Scholar]
- Jayalath, S.; Khan, A. Design, challenges, and trends of inductive power transfer couplers for electric vehicles: A review. IEEE J. Emerg. Sel. Top. Power Electron. 2021, 9, 6196–6218. [Google Scholar] [CrossRef]
- Gaona, D.E.; Jiang, C.; Long, T. Highly efficient 11.1-kW wireless power transfer utilizing nanocrystalline ribbon cores. IEEE Trans. Power Electron. 2021, 36, 9955–9969. [Google Scholar] [CrossRef]
- Wang, D.; Cui, S.; Zhang, J.; Bie, Z.; Song, K.; Zhu, C. A novel arc-shaped lightweight magnetic coupler for AUV wireless power transfer. IEEE Trans. Ind. Appl. 2022, 58, 1315–1329. [Google Scholar] [CrossRef]
- Aldhaher, S.; Mitcheson, P.D.; Arteaga, J.M.; Kkelis, G.; Yates, D.C. Lightweight wireless power transfer for mid-air charging of drones. In Proceedings of the 2017 11th European Conference on Antennas and Propagation (EUCAP), Paris, France, 19–24 March 2017; pp. 1–5. [Google Scholar]
- Zhang, H.; Chen, Y.; Jo, C.-H.; Park, S.-J.; Kim, D.-H. DC-link and switched capacitor control for varying coupling conditions in inductive power transfer system for unmanned aerial vehicles. IEEE Trans. Power Electron. 2021, 36, 5108–5120. [Google Scholar] [CrossRef]
- Campi, T.; Cruciani, S.; Feliziani, M. Wireless power transfer technology applied to an autonomous electric UAV with a small secondary coil. Energies 2018, 11, 352. [Google Scholar] [CrossRef]

























| Parameters | Value |
|---|---|
| μr | 1 |
| rf | 120 mm |
| rw | 15 mm |
| Aeff | 706 mm2 |
| leff | 94 mm |
| f | 200 kHz |
| δ | 12 mm |
| σ | 8600 S/m |
| Type | Type | Type |
|---|---|---|
| Alloy ribbon | Saturation magnetic induction | 1.24 T |
| Coercivity | 0.7 A/m | |
| Curie temperature | 570 °C | |
| Volume resistivity | 120 μΩ·m | |
| Core loss (0.2 T, 100 kHz) | 180 kW/m3 | |
| Flexible film | Permeability | 1000 Gs/Oe |
| Thickness | 0.11 mm |
| Parameter | Type | |
|---|---|---|
| Transmitting coil | Diameters | 700 mm |
| Number of turns | 9 | |
| Self-inductance | 135 μH | |
| Diameters | 400 mm | |
| Receiving coil | Number of turns | 4 |
| Self-inductance | 14 μH | |
| Air gap | 300 mm | |
| Coupling coefficient | 0.1 | |
| Litz wire | Φ0.05 mm, 4200 stranded | |
| L0 | 20 μH | |
| C0 | 31.6 nF | |
| C1 | 5.5 nF | |
| C2 | 45.2 nF | |
| References | Distance/mm | Efficiency/% | Power/W | Materials |
|---|---|---|---|---|
| This paper | 300 | 90 | 500 | Carbon fiber |
| [4] | 15 | N/A | 450 | No real UAV |
| [6] | 25 | 90 | 500 | Plastics |
| [8] | 10 | 90 | 144 | Engineering plastics |
| [10] | N/A | 87 | 100 | Plastics |
| [27] | 120 | N/A | 10 | Plastics |
| [28] | 20 | 91 | 500 | No real UAV |
| [29] | 10 | 85 | 75 | Engineering plastics |
Publisher’s Note: MDPI stays neutral with regard to jurisdictional claims in published maps and institutional affiliations. |
© 2022 by the authors. Licensee MDPI, Basel, Switzerland. This article is an open access article distributed under the terms and conditions of the Creative Commons Attribution (CC BY) license (https://creativecommons.org/licenses/by/4.0/).
Share and Cite
Yang, F.; Jiang, J.; Sun, C.; He, A.; Chen, W.; Lan, Y.; Song, K. Efficiency Improvement of Magnetic Coupler with Nanocrystalline Alloy Film for UAV Wireless Charging System with a Carbon Fiber Fuselage. Energies 2022, 15, 8363. https://doi.org/10.3390/en15228363
Yang F, Jiang J, Sun C, He A, Chen W, Lan Y, Song K. Efficiency Improvement of Magnetic Coupler with Nanocrystalline Alloy Film for UAV Wireless Charging System with a Carbon Fiber Fuselage. Energies. 2022; 15(22):8363. https://doi.org/10.3390/en15228363
Chicago/Turabian StyleYang, Fengshuo, Jinhai Jiang, Chuanyu Sun, Aina He, Wanqi Chen, Yu Lan, and Kai Song. 2022. "Efficiency Improvement of Magnetic Coupler with Nanocrystalline Alloy Film for UAV Wireless Charging System with a Carbon Fiber Fuselage" Energies 15, no. 22: 8363. https://doi.org/10.3390/en15228363
APA StyleYang, F., Jiang, J., Sun, C., He, A., Chen, W., Lan, Y., & Song, K. (2022). Efficiency Improvement of Magnetic Coupler with Nanocrystalline Alloy Film for UAV Wireless Charging System with a Carbon Fiber Fuselage. Energies, 15(22), 8363. https://doi.org/10.3390/en15228363

