Energy Performance Assessment of a Novel Solar Poly-Generation System Using Various ORC Working Fluids in Residential Buildings
Abstract
1. Introduction
1.1. ORC Hybrid/Co-Generation Systems
1.2. Tri-Generation/Poly-Generation Systems Integrated with ORC
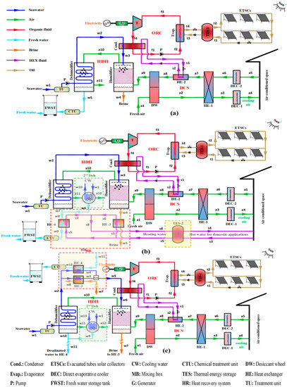
2. Systems Description
3. Mathematical Model and Thermodynamics Analysis
- All system processes are believed to be in a state of equilibrium.
- The leakage of air/water in system components is disregarded.
- The kinetic and gravitational energy is not considered.
- The temperature of the air wet-bulb and the blowdown water exiting the humidifier is the same.
- The mass flow rate of process air, return air, and water is the same.
- The efficiency of HE-2 is taken by 100% (ta8 = tw3). The freshwater and air wet-bulb temperatures are the same at the dehumidifier’s outlet.
- The states of the ORC fluid at the turbine intake are dry-saturated and superheated, depending on the tevap and degree of superheating.
- The ORC fluid condition at the pump input is saturated liquid based on the condenser pressure.
- The cold outlet streams from the ORC condenser are assumed to be the same (ts1= tw3) to distribute the condenser capacity on HDH and DCS cycles.
- The specific power of auxiliary components (power used by fans) is neglected in DCS and HDH systems.
- Because of its performance and thermodynamic qualities, organic fluid (n-octane) is chosen for the comparative research of the suggested systems [31].
- Various organic fluids (n-octane, R245fa, R113, isopentane, and toluene) are investigated to determine which delivers the highest system performance (IS-I).
3.1. Organic Rankine Cycle (ORC)
3.2. Desiccant Cooling System (DCS)
3.3. Humidification-Dehumidification Water Desalination System (HDH)
3.4. Hot Water for Domestic Application in IS-I
3.5. Air and Water Waste Heat Recovery IS-II
3.6. System Performance Parameters and Evaluation
4. Results and Discussion
4.1. Model Validation
4.2. Systems Comparisons and Assessments
4.3. Systems’ Productivity and Performance
4.4. The Impact of Different ORC Fluids
4.5. Comparisons with Other Reported Systems
5. Conclusions and Recommendations
- COPDCS, TGOR, STG, and STGP improve with an increase in MR until they reach peak values, and then they decrease considerably.
- System IS-I has higher GORHDH, TGOR, STG, and STGP than the other systems (BS and IS-II systems), while the IS-II system has higher values than the BS system. In comparison, the IS-II system has better COPDCS than the IS-I and BS systems.
- The average enhancement percentage of TGOR using integrated poly-generation systems over the separated ones is 68.5%, 68.5%, and 95.5% for BS, IS-I, and IS-II systems, respectively, within the studied ranges of Δtsup, tf1, tw1, and MR.
- IS-I has a maximum TGORimp of 197.4% at Δtsup = 45 °C, tf1 = 50 °C, tw1 = 20 °C, and MR = 0.1.
- The maximum main system performance indicators of TGOR, STG, and STGP for toluene and R113 at Δtsup = 45 °C are 0.5423 and 0.6231, 3.29 and 3.781 kWh/m2, and 0.1318 and 0.1489 $/m2, respectively.
- n-Octane, isopentane, and toluene have the highest performance for system performance indicators at MR ≤ 0.15 for n-octane and isopentane compared to R113 and R245fa and MR ≤ 0.2 for toluene compared to all working fluids.
- The working fluids, R113 and R245fa, have high performance for the system performance indicators at MR ≥ 0.2 for R245fa and MR ≥ 0.25 for R113.
- The maximum system productivity of , , , and and solar collectors’ area (Asolar) for toluene and R113 at tf1= 40 °C are 112.8 and 40.65 kw, 107.9 and 52.43 kg/h, 19.81 and 4.049 kW, 139.8 and 78.09 kW, and 1237 and 497.3 m2, respectively.
- The improvements in , , , and with using toluene instead of R113 at tf1 = 40 °C are 177.5%, 105.8%, 389.25%, and 79%, respectively.
- n-Octane, isopentane, and toluene have higher systems productivity (, , , and ) and higher solar collector area (Asolar). However, R113 and R245fa have higher performance for the system performance indicators (TGOR, STG, STGP, GORHDH, and COPDCS).
- Finally, using different improvements of ORC, types of A/C (adsorption and absorption) and desalination (RO, MED) systems in addition to monthly transient analysis along the year are recommended as future work for poly-generation systems.
Author Contributions
Funding
Institutional Review Board Statement
Informed Consent Statement
Data Availability Statement
Acknowledgments
Conflicts of Interest
Nomenclature
| A | Area, m2 |
| Cp | Specific heat, kJ/kg K |
| F1, F2 | Combined potential, -- |
| hfg | Water latent heat of evaporation, kJ/kg |
| h | Specific enthalpy, kJ/kg |
| IT | Total solar intensity, W/m2 |
| m• | Mass flow rate, kg/s |
| Q• | Heat transfer rate, kW |
| t | Temperature, °C |
| W | Humidity ratio, gv/kga |
| W• | Power, kW |
| Greek symbols | |
| η | Efficiency |
| ηF1, ηF2 | Efficiency of the desiccant wheel |
| ε | Effectiveness |
| Δτ | Time, hours |
| Subscript | |
| a | Air/dry air/actual |
| atm | Atmosphere |
| avg | Average |
| BS | Basic system |
| cond | Condenser |
| Evap | Evaporator |
| g | Generator |
| hum | Humidifier |
| HE | Heat exchanger |
| i = 1,2,3 | Index referring to various positions of the desiccant system |
| imp | Improvement |
| in | Input |
| ind | Independent |
| ma | Moist air |
| v | Water vapour |
| reg | Regeneration |
| R,a | Return air |
| P,a | Process air |
| P | Pump |
| t | Turbine |
| w | Seawater |
| 1, 2, 3, …… | State points |
| Abbreviations | |
| BS | Basic system |
| COP | Coefficient of performance |
| DCS | Desiccant cooling system |
| GOR | Gain output ratio |
| HDH | Humidification dehumidification |
| ICE | Internal combustion engine |
| IS-I | Improved system-I |
| IS-II | Improved system-II |
| KSA | Kingdom of Saudi Arabia |
| LBSE | lithium bromide–water simple effect |
| MR | Mass flow rate ratio |
| MED | Multi effect desalination |
| ORC | Organic Rankine cycle |
| RO | Reverse osmosis |
| SOFC | Solid oxide fuel cell |
| STG | Specific total gained energy, kWh/m2 |
| STGP | Specific total gained energy equivalent price, $/m2 |
| TGOR | Total gained output ratio |
References
- Mehrpooya, M.; Sharifzadeh, M.M.M.; Rosen, M.A. Energy and exergy analyses of a novel power cycle using the cold of LNG (liquefied natural gas) and low-temperature solar energy. Energy 2016, 95, 324–345. [Google Scholar] [CrossRef]
- Karellas, S.; Braimakis, K. Energy–exergy analysis and economic investigation of a cogeneration and trigeneration ORC–VCC hybrid system utilizing biomass fuel and solar power. Energy Convers. Manag. 2016, 107, 103–113. [Google Scholar] [CrossRef]
- Sahoo, U.; Kumar, R.; Pant, P.C.; Chaudhury, R. Scope and sustainability of hybrid solarebiomass power plant with cooling, desalination in polygeneration process in India. Renew. Sustain. Energy Rev. 2015, 51, 304–316. [Google Scholar] [CrossRef]
- Khaliq, A.; Refaey, H.; Alharthi, M.A. Development and analysis of a novel CSP source driven cogeneration cycle for the production of electric power and low temperature refrigeration. Int. J. Refrig. 2021, 130, 330–346. [Google Scholar] [CrossRef]
- Meng, N.; Li, T.; Gao, X.; Liu, Q.; Li, X.; Gao, H. Thermodynamic and techno-economic performance comparison of two-stage series organic Rankine cycle and organic Rankine flash cycle for geothermal power generation from hot dry rock. Appl. Therm. Eng. 2022, 200, 117715. [Google Scholar] [CrossRef]
- Al-Sayyab, A.K.S.; Mota-Babiloni, A.; Barragán-Cervera, Á.; Navarro-Esbrí, J. Dual fluid trigeneration combined organic Rankine-compound ejector-multi evaporator vapour compression system. Energy Convers. Manag. 2022, 267, 115876. [Google Scholar] [CrossRef]
- Habka, M.; Ajib, S. Evaluation of mixtures performances in Organic Rankine Cycle when utilizing the geothermal water with and without cogeneration. Appl. Energy 2015, 154, 567–576. [Google Scholar] [CrossRef]
- Kumar, R.; Shukla, A.K.; Sharma, M.; Nandan, G. Thermodynamic investigation of water generating system through HDH desalination and RO powered by organic Rankine cycle. Mater. Today 2021, 46, 5256–5261. [Google Scholar] [CrossRef]
- Yari, M.; Ariyanfar, L.; Aghdam, E.A. Analysis and performance assessment of a novel ORC based multigeneration system for power, distilled water and heat. Renew. Energy 2018, 119, 262–281. [Google Scholar] [CrossRef]
- He, W.; Han, D.; Xu, L.; Yue, C.; Pu, W. Performance investigation of a novel water–power cogeneration plant (WPCP) based on humidification dehumidification (HDH) method. Energy Convers. Manag. 2016, 110, 184–191. [Google Scholar] [CrossRef]
- Nada, S.; Fouda, A.; Mahmoud, M.; Elattar, H. Experimental investigation of air-conditioning and HDH desalination hybrid system using new packing pad humidifier and strips-finned helical coil. Appl. Therm. Eng. 2021, 185, 116433. [Google Scholar] [CrossRef]
- Fouda, A.; Nada, S.; Elattar, H. An integrated A/C and HDH water desalination system assisted by solar energy: Transient analysis and economical study. Appl. Therm. Eng. 2016, 108, 1320–1335. [Google Scholar] [CrossRef]
- Elattar, H.F.; Nada, S.A.; Al-Zahrani, A.; Fouda, A. Humidification-dehumidification water desalination system integrated with multiple evaporators/condensers heat pump unit. Int. J. Energy Res. 2020, 44, 6396–6416. [Google Scholar] [CrossRef]
- Liu, H.; Zhou, Q.; Zhao, H.; Wang, P. Experiments and thermal modeling on hybrid energy supply system of gas engine heat pumps and organic Rankine cycle. Energy Build. 2015, 87, 226–232. [Google Scholar] [CrossRef]
- Sibilio, S.; Rosato, A.; Ciampi, G.; Scorpio, M.; Akisawa, A. Building-integrated trigeneration system: Energy, environmental and economic dynamic performance assessment for Italian residential applications. Renew. Sustain. Energy Rev. 2017, 68, 920–933. [Google Scholar] [CrossRef]
- Jradi, M.; Riffat, S. Tri-generation systems: Energy policies, prime movers, cooling technologies, configurations and operation strategies. Renew. Sustain. Energy Rev. 2014, 32, 396–415. [Google Scholar] [CrossRef]
- Leonzio, G. An innovative trigeneration system using biogas as renewable energy. Chin. J. Chem. Eng. 2018, 26, 1179–1191. [Google Scholar] [CrossRef]
- Zhang, X.; Li, H.; Liu, L.; Zeng, R.; Zhang, G. Analysis of a feasible trigeneration system taking solar energy and biomass as co-feeds. Energy Convers. Manag. 2016, 122, 74–84. [Google Scholar] [CrossRef]
- Maraver, D.; Uche, J.; Royo, J. Assessment of high temperature organic Rankine cycle engine for polygeneration with MED desalination: A preliminary approach. Energy Convers. Manag. 2012, 53, 108–117. [Google Scholar] [CrossRef]
- Tzivanidis, C.; Bellos, E. A comparative study of solar-driven trigeneration systems for the building sector. Energies 2020, 13, 2074. [Google Scholar] [CrossRef]
- Calise, F.; d’Accadia, M.D.; Macaluso, A.; Piacentino, A.; Vanoli, L. Exergetic and exergoeconomic analysis of a novel hybrid solar–geothermal polygeneration system producing energy and water. Energy Convers. Manag. 2016, 115, 200–220. [Google Scholar] [CrossRef]
- Zare, V. A comparative thermodynamic analysis of two tri-generation systems utilizing low-grade geothermal energy. Energy Convers. Manag. 2016, 118, 264–274. [Google Scholar] [CrossRef]
- Rostamzadeh, H.; Ebadollahi, M.; Ghaebi, H.; Shokri, A. Comparative study of two novel micro-CCHP systems based on organic Rankine cycle and Kalina cycle. Energy Convers. Manag. 2019, 183, 210–229. [Google Scholar] [CrossRef]
- Pang, K.-C.; Chen, S.-C.; Hung, T.-C.; Feng, Y.-Q.; Yang, S.-C.; Wong, K.-W.; Lin, J.-R. Experimental study on organic Rankine cycle utilizing R245fa, R123 and their mixtures to investigate the maximum power generation from low-grade heat. Energy 2017, 133, 636–651. [Google Scholar] [CrossRef]
- Gholizadeh, T.; Vajdi, M.; Rostamzadeh, H. Exergoeconomic optimization of a new trigeneration system driven by biogas for power, cooling, and freshwater production. Energy Convers. Manag. 2020, 205, 112417. [Google Scholar] [CrossRef]
- Ghorab, M.; Yang, L.; Entchev, E.; Lee, E.-J.; Kang, E.-C.; Kim, Y.-J.; Bae, S.; Nam, Y.; Kim, K. Multi-objective optimization of hybrid renewable Tri-generation system performance for buildings. Appl. Sci. 2022, 12, 888. [Google Scholar] [CrossRef]
- Li, J.; Zoghi, M.; Zhao, L. Thermo-economic assessment and optimization of a geothermal-driven tri-generation system for power, cooling, and hydrogen production. Energy 2022, 244, 123151. [Google Scholar] [CrossRef]
- Fouda, A.; Nada, S.; Elattar, H.; Rubaiee, S.; Al-Zahrani, A. Performance analysis of proposed solar HDH water desalination systems for hot and humid climate cities. Appl. Therm. Eng. 2018, 144, 81–95. [Google Scholar] [CrossRef]
- Dincer, I.; Demir, M.E. Steam and Organic Rankine Cycles. Compr. Energy Syst. 2018, 4, 264–311. [Google Scholar]
- Eldean, M.A.S.; Soliman, A.M. Study of using solar thermal power for the margarine melting heat process. J. Sol. Energy Eng. 2015, 137, 0210041–2100413. [Google Scholar]
- Walraven, D.; Laenen, B.; D’Haeseleer, W. Comparison of thermodynamic cycles for power production from low-temperature geothermal heat sources. Energy Convers. Manag. 2013, 66, 220–233. [Google Scholar] [CrossRef]
- Islam, S.; Dincer, I.; Yilbas, B.S. Development, analysis and assessment of solar energy based multi-generation system with thermoelectric generator. Energy Convers. Manag. 2018, 156, 746–756. [Google Scholar] [CrossRef]
- Azhar, M.S.; Rizvi, G.; Dincer, I. Integration of renewable energy based multigeneration system with desalination. Desalination 2017, 404, 72–78. [Google Scholar] [CrossRef]
- Wang, N.; Wang, D.; Dong, J.; Wang, H.; Wang, R.; Shao, L.; Zhu, Y. Performance assessment of PCM-based solar energy assisted desiccant air conditioning system combined with a humidification-dehumidification desalination unit. Desalination 2020, 496, 114705. [Google Scholar] [CrossRef]
- Panaras, G.; Mathioulakis, E.; Belessiotis, V.; Kyriakis, N. Theoretical and experimental investigation of the performance of a desiccant air-conditioning system. Renew. Energy 2010, 35, 1368–1375. [Google Scholar] [CrossRef]
- Nada, S.; Elattar, H.; Fouda, A. Performance analysis of proposed hybrid air conditioning and humidification–dehumidification systems for energy saving and water production in hot and dry climatic regions. Energy Convers. Manag. 2015, 96, 208–227. [Google Scholar] [CrossRef]
- Zubair, S.M.; Antar, M.A.; Elmutasim, S.; Lawal, D.U. Performance evaluation of humidification-dehumidification (HDH) desalination systems with and without heat recovery options: An experimental and theoretical investigation. Desalination 2018, 436, 161–175. [Google Scholar] [CrossRef]
- Galloni, E.; Fontana, G.; Staccone, S. Design and experimental analysis of a mini ORC (organic Rankine cycle) power plant based on R245fa working fluid. Energy 2015, 90, 768–775. [Google Scholar] [CrossRef]
- Mohammadi, S.H.; Ameri, M. Energy and exergy analysis of a tri-generation water-cooled air conditioning system. Energy Build. 2013, 67, 453–462. [Google Scholar] [CrossRef]
- Lian, Z.; Chua, K.; Chou, S. A thermoeconomic analysis of biomass energy for trigeneration. Appl. Energy 2010, 87, 84–95. [Google Scholar] [CrossRef]
- Tehrani, S.S.M.; Saffar-Avval, M.; Mansoori, Z.; Kalhori, S.B.; Abbassi, A.; Dabir, B.; Sharif, M. Development of a CHP/DH system for the new town of Parand: An opportunity to mitigate global warming in Middle East. Appl. Therm. Eng. 2013, 59, 298–308. [Google Scholar] [CrossRef]
- Ahmadi, P.; Dincer, I.; Rosen, M.A. Exergo-environmental analysis of an integrated organic Rankine cycle for trigeneration. Energy Convers. Manag. 2012, 64, 447–453. [Google Scholar] [CrossRef]
- Choi, J.H.; Ahn, J.H.; Kim, T.S. Performance of a triple power generation cycle combining gas/steam turbine combined cycle and solid oxide fuel cell and the influence of carbon capture. Appl. Therm. Eng. 2014, 71, 301–309. [Google Scholar] [CrossRef]
- do Espirito Santo, D.B. An energy and exergy analysis of a high-efficiency engine trigeneration system for a hospital: A case study methodology based on annual energy demand profiles. Energy Build. 2014, 76, 185–198. [Google Scholar] [CrossRef]
- Puig-Arnavat, M.; Bruno, J.C.; Coronas, A. Modeling of trigeneration configurations based on biomass gasification and comparison of performance. Appl. Energy 2014, 114, 845–856. [Google Scholar] [CrossRef]
- Al-Sulaiman, F.A.; Dincer, I.; Hamdullahpur, F. Energy analysis of a trigeneration plant based on solid oxide fuel cell and organic Rankine cycle. Int. J. Hydrogen Energy 2010, 35, 5104–5113. [Google Scholar] [CrossRef]
- Huang, Y.; Wang, Y.; Rezvani, S.; McIlveen-Wright, D.; Anderson, M.; Mondol, J.; Zacharopolous, A.; Hewitt, N. A techno-economic assessment of biomass fuelled trigeneration system integrated with organic Rankine cycle. Appl. Therm. Eng. 2013, 53, 325–331. [Google Scholar] [CrossRef]
- Fong, K.; Lee, C. Investigation on zero grid-electricity design strategies of solid oxide fuel cell trigeneration system for high-rise building in hot and humid climate. Appl. Energy 2014, 114, 426–433. [Google Scholar] [CrossRef]
- Chen, Y.; Zhao, D.; Xu, J.; Wang, J.; Lund, P.D. Performance analysis and exergo-economic optimization of a solar-driven adjustable tri-generation system. Energy Convers. Manag. 2021, 233, 113873. [Google Scholar] [CrossRef]
- Nada, S.; Elattar, H.; Fouda, A. Experimental study for hybrid humidification–dehumidification water desalination and air conditioning system. Desalination 2015, 363, 112–125. [Google Scholar] [CrossRef]
- Elattar, H.; Fouda, A.; Nada, S. Performance investigation of a novel solar hybrid air conditioning and humidification–dehumidification water desalination system. Desalination 2016, 382, 28–42. [Google Scholar] [CrossRef]
- Bellos, E.; Tzivanidis, C. Multi-objective optimization of a solar driven trigeneration system. Energy 2018, 149, 47–62. [Google Scholar] [CrossRef]
- Abdelhay, A.; Fath, H.S.; Nada, S.A. Solar driven polygeneration system for power, desalination and cooling. Energy 2020, 198, 117341. [Google Scholar] [CrossRef]






| Parameter | Value/Range |
|---|---|
| Superheat degree at turbine inlet, Δtsup | 0–45 °C |
| ORC evaporation temperature, tevap | 150 °C |
| ORC condensation temperature, tf1 | 40–60 °C |
| ORC fluid mass flow rate, m•ORC | 1 kg/s |
| Mass flow rate ratio, MR | 0.1–0.4 |
| Ambient air inlet temperature, ta1 | 35 °C |
| Ambient air inlet humidity, wa1 | 15 gv/kga |
| Seawater inlet temperature, tw1 | 15–25 °C |
| Conditioned space air temperature, ta5 | 25 °C |
| Conditioned space air humidity, wa5 | 12 gv/kga |
| Average solar intensity, Iavg | 0.8 kW/m2 (Jeddah city) |
| Parameter | Value |
|---|---|
| Dehumidifier efficiency, ηDh [8]. | 0.95 |
| Efficiency of the desiccant wheel, ηF1 [19,21] | 0.05 |
| Efficiency of the desiccant wheel, ηF2 [19,27] | 0.95 |
| Efficiency of evaporative cooler-1, ηDEC-1 [19,27] | 0.9 |
| Efficiency of evaporative cooler-2, ηDEC-2 [19,27] | 0.9 |
| Efficiency of heat exchangers, ηHE-1, ηHE-2, ηHE-3, ηHE-4 [19,27] | 0.8 |
| Efficiency of the evacuated tube solar collector, ηsolar [32] | 0.632 |
| Efficiency of the electrical generator of ORC, ηg [33] | 0.95 |
| ORC pump efficiency, ηpump [33] | 0.85 |
| ORC turbine efficiency, ηturbine [33] | 0.85 |
| HDH | ORC | DCS | |||||||||
|---|---|---|---|---|---|---|---|---|---|---|---|
| m•w/m•a (kgw/kga) | GORHDH | Pevap [bar] | ηORC | Treg [°C] | COPDCS | ||||||
| Exp. Zubair et al. [37] | Num. Current Model | Relative Error [%] | Exp. Galloni et al. [38] | Num. Current Model | Relative Error [%] | Exp. Panaras et al. [35] | Num. Current Model | Relative Error [%] | |||
| 1.36 | 0.335 | 0.325 | 3 | 6.180 | 6.313 | 5.842 | 7.46 | 50 | 0.387 | 0.402 | 3.8 |
| 6.897 | 6.347 | 6.35 | 0.05 | ||||||||
| 1.89 | 0.365 | 0.375 | 2.7 | 7.906 | 5.241 | 6.96 | 32 | 60 | 0.412 | 0.431 | 4.6 |
| 8.806 | 8.150 | 7.423 | 9 | ||||||||
| 2.27 | 0.375 | 0.387 | 3.2 | 9.587 | 8.981 | 7.777 | 13.4 | 70 | 0.443 | 0.470 | 6.1 |
| 9.955 | 8.889 | 7.931 | 10.8 | ||||||||
| Working Fluid | Normal Boiling Point (°C) at 1 Bar | Critical Temperature (°C) | Critical Pressure (MPa) | ODP | GWP |
|---|---|---|---|---|---|
| n-Octane | 125.68 | 296.2 | 2.497 | 0 | Low |
| R245fa | 15 | 154 | 3.7 | 0 | 1050 |
| R113 | 48 | 214 | 3.4 | 0.80 | 4800 |
| Isopentane | 27.78 | 187.2 | 3.370 | 0 | <10 |
| Toluene | 111.7 | 318.8 | 4.123 | 0 3.3 | 0 3.3 |
| Refs. | System Type | System Productivities | Prime Mover | Application | Study Description | Max. Fresh Water Productivity (kg/h) | TGORmax/ηmax |
|---|---|---|---|---|---|---|---|
| Lian et al. [40] | tri-generation | Cooling/Heating/Power | Steam turbine (Biomass) | Industrial | Modeling | --- | 72.8% |
| Tehrani et al. [41] | co-generation | Heating/Power | Gas turbine | Industrial | Modeling | --- | 59.96% |
| Ahmadi et al. [42] | tri-generation | Cooling/Heating/Power | Gas turbine | Residential | Modeling | --- | 89% |
| Nada et al. [36] | co-generation | Cooling/Fresh water | vapor compression refrigeration cycle | Residential | Modeling | 375 | --- |
| Choi et al. [43] | tri-generation | Cooling/Heating/Power | combined cycle gas turbine | Commercial | Modeling | --- | 53.3% |
| Santo [44] | tri-generation | Cooling/Heating/Power | Internal combustion engine | Medical | Modeling | --- | 77% |
| Fouda et al. [12] | co-generation | Cooling/Fresh water | vapor compression refrigeration cycle | Residential | Modeling | 21.5 | --- |
| Puig-Arnavat et al. [45] | tri-generation | Cooling/Heating/Power | Internal combustion engine | Commercial | Modeling | --- | 64.2% |
| Al-Sulaiman et al. [46] | tri-generation | Cooling/Heating/Power | SOFC/ORC combined | Commercial | Modeling | --- | 74% |
| Huang et al. [47] | tri-generation | Cooling/Heating/Power | ORC | Commercial | Modeling | --- | 71.7% |
| Fong, C.K. Lee [48] | tri-generation | Cooling/Heating/Power | Fuel cell | Residential | Modeling | --- | 76.7% |
| Nada et al. [11] | co-generation | Cooling/Fresh water | vapor compression refrigeration cycle | Residential | Experimental | 17.42 | --- |
| Chen et al. [49] | tri-generation | Cooling/Heating/Power | Solar/ORC combined | Residential | Modeling | --- | 82.96% |
| Nada et al. [50] | co-generation | Cooling/Fresh water | vapor compression refrigeration cycle | Residential | Experimental | 9.05 | --- |
| Elattar et al. [51] | co-generation | Cooling/Fresh water | vapor compression refrigeration cycle | Residential | Modeling | 534 | --- |
| Bellos and Tzivanidis [52] | tri-generation | Cooling/Heating/Power | Solar | Residential | Modeling | --- | 87.39% |
| Gholizadeh et al. [25] | tri-generation | Power/Cooling/Fresh water | Geothermal | Industrial | Modeling | 5400 | 92.75% |
| Abdelhay et al. [53] | tri-generation | electricity, cooling, and potable water | Solar/Rankine cycle | Residential | Modeling | 22.9 | --- |
| Current systems | Multigeneration | Cooling/Heating/Power/Fresh water | Solar/ORC combined | Residential | Modeling | 214.7 (IS-II) | 69.24% (IS-I) |
Publisher’s Note: MDPI stays neutral with regard to jurisdictional claims in published maps and institutional affiliations. |
© 2022 by the authors. Licensee MDPI, Basel, Switzerland. This article is an open access article distributed under the terms and conditions of the Creative Commons Attribution (CC BY) license (https://creativecommons.org/licenses/by/4.0/).
Share and Cite
Almehmadi, F.A.; Elattar, H.F.; Fouda, A.; Alqaed, S.; Mustafa, J.; Alharthi, M.A.; Refaey, H.A. Energy Performance Assessment of a Novel Solar Poly-Generation System Using Various ORC Working Fluids in Residential Buildings. Energies 2022, 15, 8286. https://doi.org/10.3390/en15218286
Almehmadi FA, Elattar HF, Fouda A, Alqaed S, Mustafa J, Alharthi MA, Refaey HA. Energy Performance Assessment of a Novel Solar Poly-Generation System Using Various ORC Working Fluids in Residential Buildings. Energies. 2022; 15(21):8286. https://doi.org/10.3390/en15218286
Chicago/Turabian StyleAlmehmadi, Fahad Awjah, H. F. Elattar, A. Fouda, Saeed Alqaed, Jawed Mustafa, Mathkar A. Alharthi, and H. A. Refaey. 2022. "Energy Performance Assessment of a Novel Solar Poly-Generation System Using Various ORC Working Fluids in Residential Buildings" Energies 15, no. 21: 8286. https://doi.org/10.3390/en15218286
APA StyleAlmehmadi, F. A., Elattar, H. F., Fouda, A., Alqaed, S., Mustafa, J., Alharthi, M. A., & Refaey, H. A. (2022). Energy Performance Assessment of a Novel Solar Poly-Generation System Using Various ORC Working Fluids in Residential Buildings. Energies, 15(21), 8286. https://doi.org/10.3390/en15218286

