A Novel Experimental Study on Conductivity Evaluation of Intersected Fractures
Abstract
1. Introduction
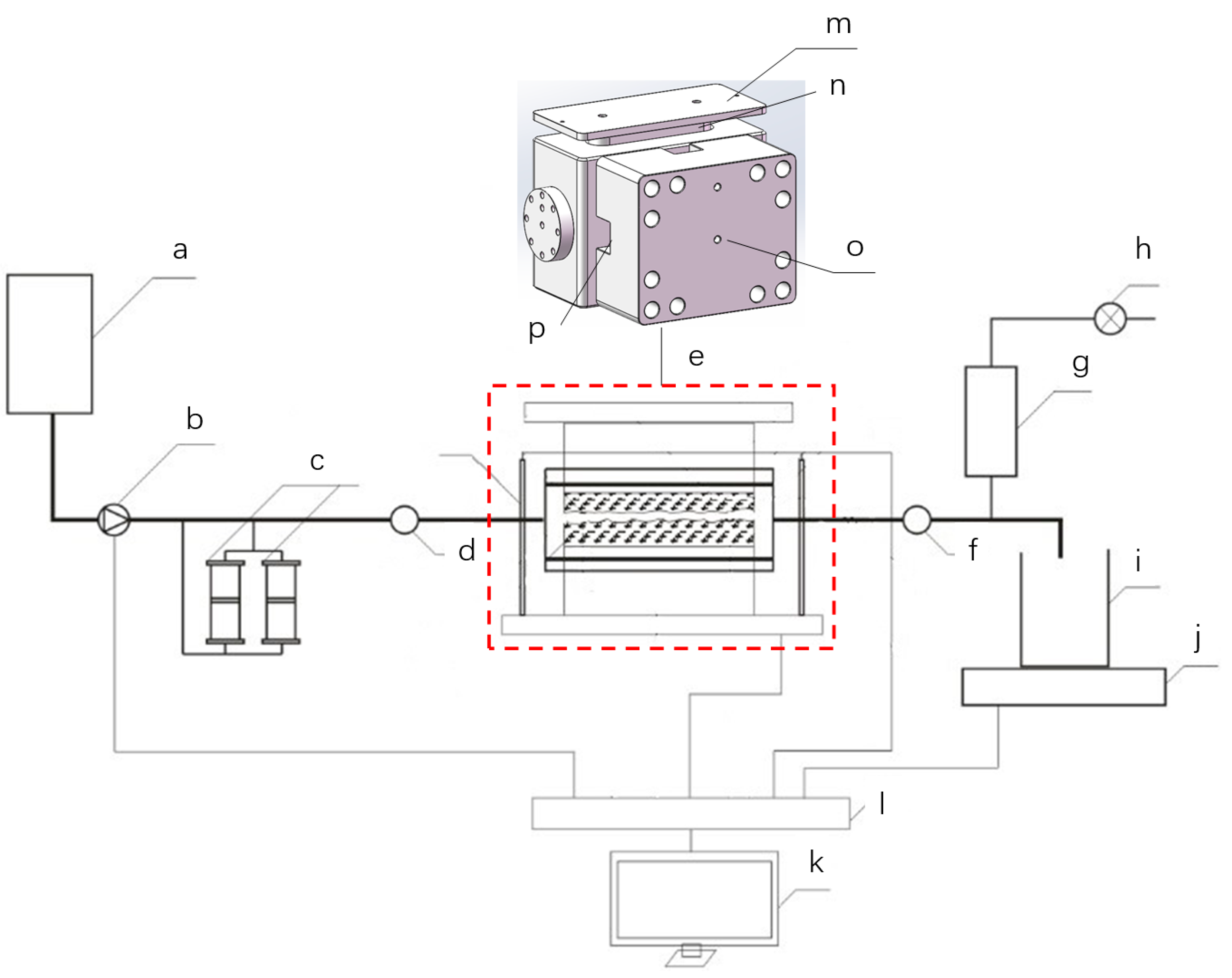
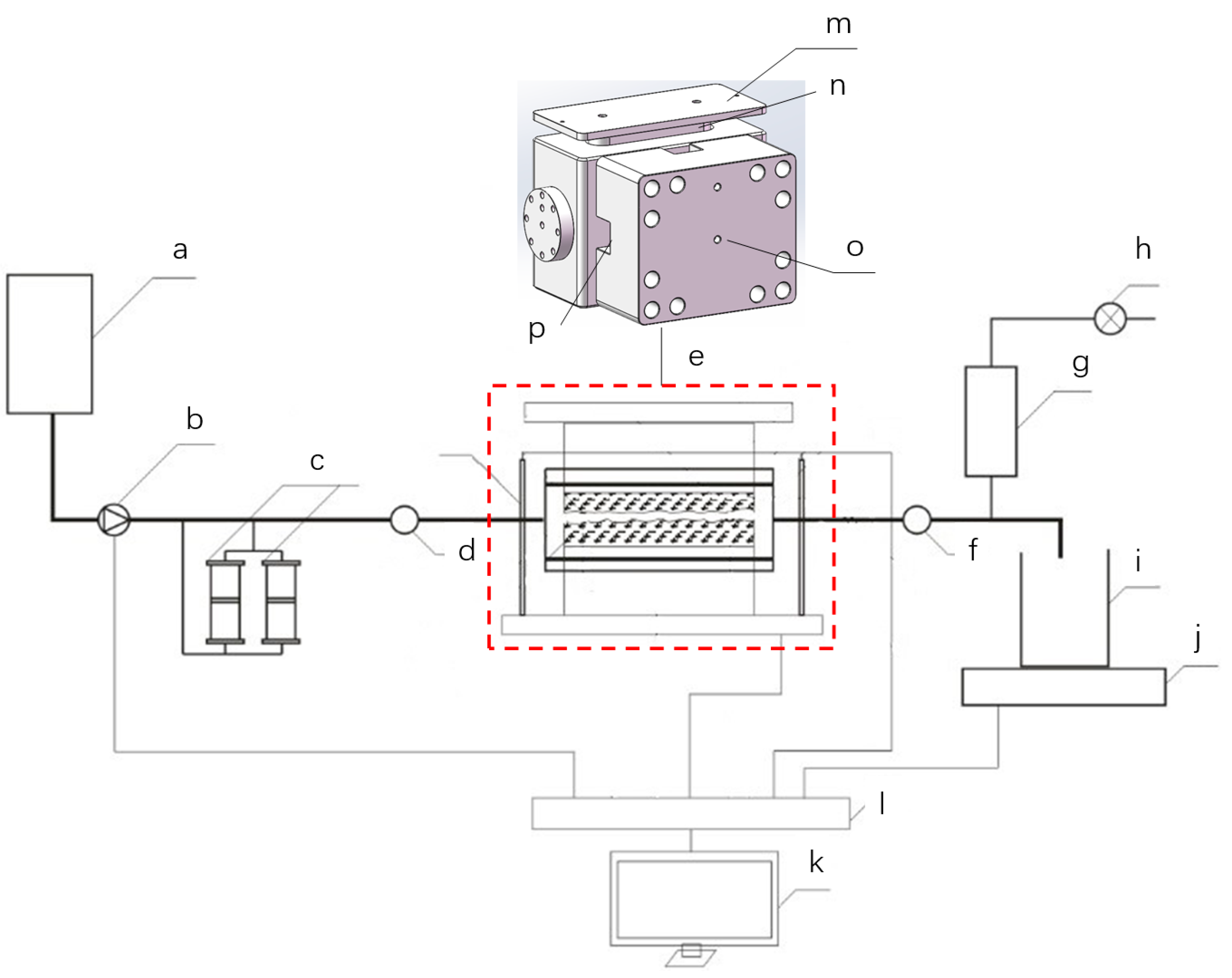
2. Experimental Apparatus
3. Experimental Procedure
3.1. Intersected Fracture Unit Preparation
3.2. Conductivity Measurement
4. Results and Discussion
4.1. Conductivity of Cruciform Intersecting Pattern Fractures
4.2. Conductivity of H-Shaped Intersecting Pattern Fractures
4.3. Conductivity of Fishbone Intersecting Pattern Fractures
4.4. Impact of Fracture Intersecting Patterns
5. Conclusions
Author Contributions
Funding
Data Availability Statement
Acknowledgments
Conflicts of Interest
References
- Khlaifat, A.; Qutob, H.; Barakat, N. Tight gas sands development is critical to future world energy resources. In Proceedings of the SPE Middle East Unconventional Gas Conference and Exhibition, Muscat, Oman, 31 January–2 February 2011. [Google Scholar]
- Zeng, J.; Liu, J.; Li, W.; Leong, Y.K.; Elsworth, D.; Guo, J. Evolution of shale permeability under the influence of gas diffusion from the fracture wall into the matrix. Energy Fuels 2020, 34, 4393–4406. [Google Scholar] [CrossRef]
- Zeng, J.; Liu, J.; Guo, J. Characterization of gas transport in shale: A multi-mechanism permeability modeling approach. Chem. Eng. J. 2022, 438, 135604. [Google Scholar] [CrossRef]
- Gao, Q.; Han, S.; Cheng, Y.; Li, Y.; Yan, C.; Han, Z. Apparent permeability model for gas transport through micropores and microfractures in shale reservoirs. Fuel 2021, 285, 119086. [Google Scholar] [CrossRef]
- Gao, Q.; Han, S.; Cheng, Y.; Shi, X.; Yan, C.; Han, Z. Flow-coupled-geomechanical modelling of CO2 transport in depleted shale from a microscopic perspective. Energy 2022, 257, 124727. [Google Scholar] [CrossRef]
- Du, C.M.; Zhang, X.; Zhan, L.; Gu, H.; Hay, B.; Tushingham, K.; Ma, Y.Z. Modeling hydraulic fracturing induced fracture networks in shale gas reservoirs as a dual porosity system. In Proceedings of the International Oil and Gas Conference and Exhibition in China, Beijing, China, 8–10 June 2010. [Google Scholar]
- Li, W.; Liu, J.; Zeng, J.; Leong, Y.K.; Elsworth, D.; Tian, J.; Li, L. A fully coupled multidomain and multiphysics model for evaluation of shale gas extraction. Fuel 2020, 278, 118214. [Google Scholar] [CrossRef]
- Gao, Q.; Cheng, Y.; Han, S.; Yan, C.; Jiang, L. Numerical modeling of hydraulic fracture propagation behaviors influenced by pre-existing injection and production wells. J. Pet. Sci. Eng. 2019, 172, 976–987. [Google Scholar] [CrossRef]
- Frash, L.P.; Hampton, J.; Gutierrez, M.; Tutuncu, A.; Carey, J.W.; Hood, J.; Mokhtari, M.; Huang, H.; Mattson, E. Patterns in complex hydraulic fractures observed by true-triaxial experiments and implications for proppant placement and stimulated reservoir volumes. J. Pet. Explor. Prod. Technol. 2019, 9, 2781–2792. [Google Scholar] [CrossRef]
- McClure, M.; Horne, R. Characterizing hydraulic fracturing with a tendency-for-shear-stimulation test. SPE Reserv. Eval. Eng. 2014, 17, 233–243. [Google Scholar] [CrossRef]
- Elsarawy, A.M.; Nasr-El-Din, H.A. Propped fracture conductivity in shale reservoirs: A review of its importance and roles in fracturing fluid engineering. In Proceedings of the SPE Kingdom of Saudi Arabia Annual Technical Symposium and Exhibition, Dammam, Saudi Arabia, 23–26 April 2018. [Google Scholar]
- Zhang, J.; Kamenov, A.; Zhu, D.; Hill, A.D. Development of new testing procedures to measure propped fracture conductivity considering water damage in clay-rich shale reservoirs: An example of the Barnett Shale. J. Pet. Sci. Eng. 2015, 135, 352–359. [Google Scholar] [CrossRef]
- Cooke, C.E. Conductivity of fracture proppants in multiple layers. J. Pet. Technol. 1973, 25, 1101–1107. [Google Scholar] [CrossRef]
- Cutler, R.A.; Enniss, D.O.; Jones, A.H.; Swanson, S.R. Fracture conductivity comparison of ceramic proppants. SPE J. 1985, 25, 157–170. [Google Scholar] [CrossRef]
- Penny, G.S. An evaluation of the effects of environmental conditions and fracturing fluids upon the long-term conductivity of proppants. In Proceedings of the SPE Annual Technical Conference and Exhibition, Dallas, TX, USA, 27–30 September 1987. [Google Scholar]
- Much, M.G.; Penny, G.S. Long-term performance of proppants under simulated reservoir conditions. In Proceedings of the SPE/DOE Joint Symposium on Low Permeability Reservoirs, Denver, CO, USA, 18–19 May 1987. [Google Scholar]
- Parker, M.A.; McDaniel, B.W. Fracturing treatment design improved by conductivity measurements under in-situ conditions. In Proceedings of the SPE Annual Technical Conference and Exhibition, Dallas, TX, USA, 27–30 September 1987. [Google Scholar]
- Bilden, D.M.; Fletcher, P.A.; Montgomery, C.T.; Guillory, R.J.; Allen, T.P. The effect of long-term shut-in periods on fracture conductivity. In Proceedings of the SPE Annual Technical Conference and Exhibition, Dallas, TX, USA, 22–25 October 1995. [Google Scholar]
- Fredd, C.N.; McConnell, S.B.; Boney, C.L.; England, K.W. Experimental study of fracture conductivity for water-fracturing and conventional fracturing applications. SPE J. 2001, 6, 288–298. [Google Scholar] [CrossRef]
- Weaver, J.; Rickman, R.; Luo, H. Fracture-conductivity loss caused by geochemical interactions between man-made proppants and formations. SPE J. 2010, 15, 116–124. [Google Scholar] [CrossRef]
- Kurz, B.; Darren Schmidt, P.E.; Cortese, P. Investigation of improved conductivity and proppant applications in the Bakken formation. In Proceedings of the SPE Hydraulic Fracturing Technology Conference, The Woodlands, TX, USA, 4–6 February 2013. [Google Scholar]
- Zhang, J.; Kamenov, A.; Zhu, D.; Hill, A.D. Measurement of realistic fracture conductivity in the Barnett shale. J. Unconv. Oil Gas Resour. 2015, 11, 44–52. [Google Scholar] [CrossRef]
- Wen, Q.; Wang, S.; Gao, J.; Duan, X.; Wang, F.; Liu, J.; Yang, L. Research on flow conductivity experiment in complex fracture network. Pet. Geol. Recovery Effic. 2016, 23, 116–121. (In Chinese) [Google Scholar]
- Zhan, Y.; Luo, M.; Ma, Y.; Lei, M.; Fu, C. Development of the Artificial Fracture Network Tool for Standard Core Size. Res. Explor. Lab. 2019, 38, 56–59+93. (In Chinese) [Google Scholar]
- Chen, C.; Wang, S.; Lu, C.; Liu, Y.; Guo, J.; Lai, J.; Tao, L.; Wu, K.; Wen, D. Experimental study on the effectiveness of using 3D scanning and 3D engraving technology to accurately assess shale fracture conductivity. J. Pet. Sci. Eng. 2022, 208, 109493. [Google Scholar] [CrossRef]
- Li, Z.; Zhao, Q.; Teng, Y.; Fan, M.; Ripepi, N.; Yin, X.; Chen, C. Experimental investigation of non-monotonic fracture conductivity evolution in energy georeservoirs. J. Pet. Sci. Eng. 2022, 211, 110103. [Google Scholar] [CrossRef]
- Zhang, L.; Zhou, F.; Zhang, S.; Wang, J.; Wang, J.; Pournik, M. Fracture conductivity analysis on the degradable particle diverter combined with engineered proppant. In Proceedings of the 53rd US Rock Mechanics/Geomechanics Symposium, New York, NY, USA, 23–26 June 2019. [Google Scholar]
- Fan, M.; Li, Z.; Han, Y.; Teng, Y.; Chen, C. Experimental and Numerical Investigations of the Role of Proppant Embedment on Fracture Conductivity in Narrow Fractures (includes associated Errata). SPE J. 2021, 26, 324–341. [Google Scholar] [CrossRef]
- Zhang, D.; Ma, S.; Zhang, J.; Zhu, Y.; Wang, B.; Zhu, J.; Fan, X.; Yang, H.; Liang, T. Field experiments of different fracturing designs in tight conglomerate oil reservoirs. Sci. Rep. 2022, 12, 3220. [Google Scholar] [CrossRef]
- Darcy, H. Les Fontaines Publiques de la Ville de Dijon: Exposition et Application des Principes à Suivre et des Formules à Employer Dans les Questions de Distribution d’eau: Ouvrage Terminé par un Appendice Relatif aux Fournitures d’eau de Plusieurs Villes, au Filtrage des Eaux et à la Fabrication des Tuyaux de Fonte, de Plomb, de Tôle et de Bitume; Dalmont, V., Ed.; Saraswati Press: Belghoria, India, 1856; Volume 2. [Google Scholar]
- Wen, Q.; Zhang, S.; Wang, L.; Liu, Y.; Li, X. The effect of proppant embedment upon the long-term conductivity of fractures. J. Pet. Sci. Eng. 2007, 55, 221–227. [Google Scholar] [CrossRef]
- Zhang, J.; Kamenov, A.; Zhu, D.; Hill, A.D. Laboratory measurement of hydraulic fracture conductivities in the Barnett shale. In Proceedings of the SPE Hydraulic Fracturing Technology Conference, The Woodlands, TX, USA, 4–6 February 2013. [Google Scholar]














Publisher’s Note: MDPI stays neutral with regard to jurisdictional claims in published maps and institutional affiliations. |
© 2022 by the authors. Licensee MDPI, Basel, Switzerland. This article is an open access article distributed under the terms and conditions of the Creative Commons Attribution (CC BY) license (https://creativecommons.org/licenses/by/4.0/).
Share and Cite
Wang, H.; Chen, C.; Yao, Y.; Zhao, J.; Zeng, Q.; Lu, C. A Novel Experimental Study on Conductivity Evaluation of Intersected Fractures. Energies 2022, 15, 8170. https://doi.org/10.3390/en15218170
Wang H, Chen C, Yao Y, Zhao J, Zeng Q, Lu C. A Novel Experimental Study on Conductivity Evaluation of Intersected Fractures. Energies. 2022; 15(21):8170. https://doi.org/10.3390/en15218170
Chicago/Turabian StyleWang, Haitao, Chen Chen, Yiming Yao, Jingrui Zhao, Qijun Zeng, and Cong Lu. 2022. "A Novel Experimental Study on Conductivity Evaluation of Intersected Fractures" Energies 15, no. 21: 8170. https://doi.org/10.3390/en15218170
APA StyleWang, H., Chen, C., Yao, Y., Zhao, J., Zeng, Q., & Lu, C. (2022). A Novel Experimental Study on Conductivity Evaluation of Intersected Fractures. Energies, 15(21), 8170. https://doi.org/10.3390/en15218170

