Hybrid Indirect Evaporative Cooling-Mechanical Vapor Compression System: A Mini-Review
Abstract
1. Introduction
2. Working Principles of IEC
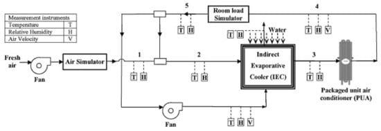
3. Hybrid IEC-MVC Process
3.1. IEC for Pre-Cooling and Heat Recovery
3.2. Comparison with Standalone MVC
3.3. Long-Term Performance Prediction
4. Discussions
5. Conclusions and Future Perspectives
- (1)
- When IEC works as a pre-cooler and heat recovery device, a major difference with the regular IEC is the occurrence of condensation in dry channels. Analytical IEC models considering condensation, including one-dimensional, two-dimensional, and three-dimensional models, have achieved high accuracy. Mathematical analyses revealed that IEC can handle 35–47% of the total cooling load;
- (2)
- The energy-saving potential of IEC-MVC over standalone MVC has been demonstrated experimentally and analytically. Depending on the design and operation conditions, the energy consumption of IEC-MVC is 15–55% lower than that of standalone MVC;
- (3)
- The long-term performance of IEC-MVC has been evaluated using annual weather data. The calculations cover many cities in different countries, including China, Saudi Arabia, and Europe. In humid cities like Hong Kong, the energy savings is moderate at 14–26%. On the other hand, for arid cities in Saudi Arabia, the energy savings can reach 60%;
- (4)
- Water consumption of IEC is significant, especially in areas with a high sensible load. The condensate produced in the MVC can be recovered as part of the water sources. Additionally, IEC can be coupled with desalination systems or atmospheric water harvesters to get fresh water;
- (5)
- The economic viability of IEC-MVC varies with climatic conditions as well as water and electricity prices. A robust life-cycle analysis based on long-term operation data is required to quantify the economic viability of the hybrid system.
Author Contributions
Funding
Conflicts of Interest
Nomenclatures
| AC | Air-conditioning |
| AWH | Atmospheric water harvesting |
| CDH | Cooling degree hours |
| COP | Coefficient of performance |
| DGM | Dehumidifying gram hours |
| HDH | Humidification–dehumidification desalination |
| IEA | International Energy Agency |
| IEC | Indirect evaporative cooling |
| MVC | Mechanical vapor compression |
| NTU | Number of heat transfer units |
| PUA | Packed-unit air-conditioner |
| R-IEC | Regenerative indirect evaporative cooling |
| Symbols | |
| h | Enthalpy |
| T | Temperature |
| m | Mass flowrate |
| Greek letters | |
| ε | Effectiveness |
| ω | Humidity ratio |
References
- Wu, T.; Cao, B.; Zhu, Y. A field study on thermal comfort and air-conditioning energy use in an office building in Guangzhou. Energy Build. 2018, 168, 428–437. [Google Scholar] [CrossRef]
- Shahzad, M.W.; Lin, J.; Bin Xu, B.; Dala, L.; Chen, Q.; Burhan, M.; Sultan, M.; Worek, W.; Ng, K.C. A spatiotemporal indirect evaporative cooler enabled by transiently interceding water mist. Energy 2021, 217, 119352. [Google Scholar] [CrossRef]
- Smith, S.T.; Hanby, V.; Harpham, C. A probabilistic analysis of the future potential of evaporative cooling systems in a temperate climate. Energy Build. 2011, 43, 507–516. [Google Scholar] [CrossRef]
- Spandagos, C.; Ng, T.L. Equivalent full-load hours for assessing climate change impact on building cooling and heating energy consumption in large Asian cities. Appl. Energy 2017, 189, 352–368. [Google Scholar] [CrossRef]
- IEA. The Future of Cooling in China; IEA: Paris, France, 2019. [Google Scholar]
- Waite, M.; Cohen, E.; Torbey, H.; Piccirilli, M.; Tian, Y.; Modi, V. Global trends in urban electricity demands for cooling and heating. Energy 2017, 127, 786–802. [Google Scholar] [CrossRef]
- Shahzad, M.W.; Burhan, M.; Ybyraiymkul, D.; Oh, S.J.; Ng, K.C. An improved indirect evaporative cooler experimental investigation. Appl. Energy 2019, 256, 113934. [Google Scholar] [CrossRef]
- Aliane, A.; Abboudi, S.; Seladji, C.; Guendouz, B. An illustrated review on solar absorption cooling experimental studies. Renew. Sustain. Energy Rev. 2016, 65, 443–458. [Google Scholar] [CrossRef]
- Nikbakhti, R.; Wang, X.; Hussein, A.K.; Iranmanesh, A. Absorption cooling systems–Review of various techniques for energy performance enhancement. Alex. Eng. J. 2020, 59, 707–738. [Google Scholar] [CrossRef]
- Li, X.H.; Hou, X.H.; Zhang, X.; Yuan, Z.X. A review on development of adsorption cooling—Novel beds and advanced cycles. Energy Convers. Manag. 2015, 94, 221–232. [Google Scholar] [CrossRef]
- Mohammed, R.H.; Mesalhy, O.; Elsayed, M.L.; Chow, L.C. Assessment of numerical models in the evaluation of adsorption cooling system performance. Int. J. Refrig. 2019, 99, 166–175. [Google Scholar] [CrossRef]
- Yan, W.; Meng, X.; Cui, X.; Liu, Y.; Chen, Q.; Jin, L. Evaporative cooling performance prediction and multi-objective optimization for hollow fiber membrane module using response surface methodology. Appl. Energy 2022, 325, 119855. [Google Scholar] [CrossRef]
- Jradi, M.; Riffat, S. Experimental and numerical investigation of a dew-point cooling system for thermal comfort in buildings. Appl. Energy 2014, 132, 524–535. [Google Scholar] [CrossRef]
- Duan, Z.; Zhan, C.; Zhang, X.; Mustafa, M.; Zhao, X.; Alimohammadisagvand, B.; Hasan, A. Indirect evaporative cooling: Past, present and future potentials. Energy Rev. 2012, 16, 6823–6850. [Google Scholar] [CrossRef]
- Yang, H.; Shi, W.; Chen, Y.; Min, Y. Research development of indirect evaporative cooling technology: An updated review. Renew. Sustain. Energy Rev. 2021, 145, 111082. [Google Scholar] [CrossRef]
- Sajjad, U.; Abbas, N.; Hamid, K.; Abbas, S.; Hussain, I.; Ammar, S.M.; Sultan, M.; Ali, H.M.; Hussain, M.; Rehman, T.U.; et al. A review of recent advances in indirect evaporative cooling technology. Heat Mass Transf. 2021, 122, 105140. [Google Scholar] [CrossRef]
- Yang, Y.; Cui, G.; Lan, C.Q. Developments in evaporative cooling and enhanced evaporative cooling-A review. Renew. Sustain. Energy Rev. 2019, 113, 109230. [Google Scholar] [CrossRef]
- Cui, X.; Islam, M.; Chua, K. An experimental and analytical study of a hybrid air-conditioning system in buildings residing in tropics. Energy Build. 2019, 201, 216–226. [Google Scholar]
- Duan, Z.; Zhan, C.; Zhao, X.; Dong, X. Experimental study of a counter-flow regenerative evaporative cooler. Build. Environ. 2016, 104, 47–58. [Google Scholar] [CrossRef]
- Baakeem, S.S.; Orfi, J.; Mohamad, A.; Bawazeer, S. The possibility of using a novel dew point air cooling system (M-Cycle) for A/C application in Arab Gulf Countries. Build. Environ. 2019, 148, 185–197. [Google Scholar]
- Oh, S.J.; Shahzad, M.W.; Burhan, M.; Chun, W.; Jon, C.K.; Ja, M.K.; Ng, K.C. Approaches to energy efficiency in air conditioning: A comparative study on purge configurations for indirect evaporative cooling. Energy 2019, 168, 505–515. [Google Scholar] [CrossRef]
- Min, Y.; Chen, Y.; Yang, H. Numerical study on indirect evaporative coolers considering condensation: A thorough comparison between cross flow and counter flow. Int. J. Heat Mass Transf. 2019, 131, 472–486. [Google Scholar]
- Jia, L.; Liu, J.; Wang, C.; Cao, X.; Zhang, Z. Study of the thermal performance of a novel dew point evaporative cooler. Appl. Therm. Eng. 2019, 160, 114069. [Google Scholar] [CrossRef]
- Pandelidis, D.; Niemierka, E.; Pacak, A.; Jadwiszczak, P.; Cichoń, A.; Drąg, P.; Worek, W.; Cetin, S. Performance study of a novel dew point evaporative cooler in the climate of central Europe using building simulation tools. Build. Environ. 2020, 181, 107101. [Google Scholar]
- Wang, F.; Sun, T.; Huang, X.; Chen, Y.; Yang, H. Experimental research on a novel porous ceramic tube type indirect evaporative cooler. Appl. Therm. Eng. 2017, 125, 1191–1199. [Google Scholar] [CrossRef]
- Boukhanouf, R.; Amer, O.; Ibrahim, H.; Calautit, J. Design and performance analysis of a regenerative evaporative cooler for cooling of buildings in arid climates. Build. Environ. 2018, 142, 1–10. [Google Scholar] [CrossRef]
- Riffat, S.; Zhu, J. Mathematical model of indirect evaporative cooler using porous ceramic and heat pipe. Appl. Therm. Eng. 2004, 24, 457–470. [Google Scholar] [CrossRef]
- Park, J.-Y.; Kim, B.-J.; Yoon, S.-Y.; Byon, Y.-S.; Jeong, J.-W. Experimental analysis of dehumidification performance of an evaporative cooling-assisted internally cooled liquid desiccant dehumidifier. Appl. Energy 2019, 235, 177–185. [Google Scholar] [CrossRef]
- Moshari, S.; Heidarinejad, G. Analytical estimation of pressure drop in indirect evaporative coolers for power reduction. Energy Build. 2017, 150, 149–162. [Google Scholar] [CrossRef]
- Kabeel, A.; Bassuoni, M.; Abdelgaied, M. Experimental study of a novel integrated system of indirect evaporative cooler with internal baffles and evaporative condenser. Energy Convers. Manag. 2017, 138, 518–525. [Google Scholar]
- Kabeel, A.; Abdelgaied, M. Numerical and experimental investigation of a novel configuration of indirect evaporative cooler with internal baffles. Energy Convers. Manag. 2016, 126, 526–536. [Google Scholar] [CrossRef]
- Ali, M.; Ahmad, W.; Sheikh, N.A.; Ali, H.; Kousar, R.; Rashid, T.U. Performance enhancement of a cross flow dew point indirect evaporative cooler with circular finned channel geometry. J. Build. Eng. 2021, 35, 101980. [Google Scholar] [CrossRef]
- Zhao, X.; Liu, S.; Riffat, S. Comparative study of heat and mass exchanging materials for indirect evaporative cooling systems. Build. Environ. 2008, 43, 1902–1911. [Google Scholar] [CrossRef]
- Rashidi, S.; Kashefi, M.H.; Kim, K.C.; Samimi-Abianeh, O. Potentials of porous materials for energy management in heat exchangers–A comprehensive review. Appl. Energy 2019, 243, 206–232. [Google Scholar] [CrossRef]
- Boukhanouf, R.; Alharbi, A.; Ibrahim, H.G.; Amer, O.; Worall, M. Computer modelling and experimental investigation of building integrated sub-wet bulb temperature evaporative cooling system. Appl. Therm. Eng. 2017, 115, 201–211. [Google Scholar] [CrossRef]
- Lee, J.; Lee, D.-Y. Experimental study of a counter flow regenerative evaporative cooler with finned channels. Int. J. Heat Mass Transf. 2013, 65, 173–179. [Google Scholar] [CrossRef]
- Chen, Y.; Yang, H.; Luo, Y. Indirect evaporative cooler considering condensation from primary air: Model development and parameter analysis. Build. Environ. 2016, 95, 330–345. [Google Scholar] [CrossRef]
- Cui, X.; Liu, Y.; Liu, Y.; Jin, L.; Zhao, M.; Meng, X. Studying the performance of a liquid desiccant indirect evaporative cooling system. Energy Procedia 2019, 158, 5659–5665. [Google Scholar] [CrossRef]
- Cui, X.; Islam, M.; Mohan, B.; Chua, K. Theoretical analysis of a liquid desiccant based indirect evaporative cooling system. Energy 2016, 95, 303–312. [Google Scholar] [CrossRef]
- Sohani, A.; Sayyaadi, H.; Balyani, H.H.; Hoseinpoori, S. A novel approach using predictive models for performance analysis of desiccant enhanced evaporative cooling systems. Appl. Therm. Eng. 2016, 107, 227–252. [Google Scholar] [CrossRef]
- Heidari, A.; Roshandel, R.; Vakiloroaya, V. An innovative solar assisted desiccant-based evaporative cooling system for co-production of water and cooling in hot and humid climates. Energy Convers. Manag. 2019, 185, 396–409. [Google Scholar] [CrossRef]
- Pandelidis, D.; Anisimov, S.; Worek, W.M.; Drąg, P. Comparison of desiccant air conditioning systems with different indirect evaporative air coolers. Energy Convers. Manag. 2016, 117, 375–392. [Google Scholar] [CrossRef]
- Lee, S.-J.; Kim, H.-J.; Dong, H.-W.; Jeong, J.-W. Energy saving assessment of a desiccant-enhanced evaporative cooling system in variable air volume applications. Appl. Therm. Eng. 2017, 117, 94–108. [Google Scholar] [CrossRef]
- Zhang, F.; Yin, Y.; Zhang, X. Performance analysis of a novel liquid desiccant evaporative cooling fresh air conditioning system with solution recirculation. Build. Environ. 2017, 117, 218–229. [Google Scholar] [CrossRef]
- Xiao, L.; Yang, M.; Yuan, W.-Z.; Huang, S.-M. Performance characteristics of a novel internally-cooled plate membrane liquid desiccant air dehumidification system. Appl. Therm. Eng. 2020, 172, 115193. [Google Scholar] [CrossRef]
- Chen, Q.; Ja, M.K.; Burhan, M.; Akhtar, F.H.; Shahzad, M.W.; Ybyraiymkul, D.; Ng, K.C. A hybrid indirect evaporative cooling-mechanical vapor compression process for energy-efficient air conditioning. Energy Convers. Manag. 2021, 248, 114798. [Google Scholar] [CrossRef]
- Chen, Y.; Yang, H.; Luo, Y. Parameter sensitivity analysis and configuration optimization of indirect evaporative cooler (IEC) considering condensation. Appl. Energy 2017, 194, 440–453. [Google Scholar] [CrossRef]
- Chen, Y.; Luo, Y.; Yang, H. A simplified analytical model for indirect evaporative cooling considering condensation from fresh air: Development and application. Energy Build. 2015, 108, 387–400. [Google Scholar] [CrossRef]
- Zheng, B.; Guo, C.; Chen, T.; Shi, Q.; Lv, J.; You, Y. Development of an experimental validated model of cross-flow indirect evaporative cooler with condensation. Appl. Energy 2019, 252, 113438. [Google Scholar] [CrossRef]
- You, Y.; Wang, G.; Guo, C.; Jiang, H. Study on mass transfer time relaxation parameter of indirect evaporative cooler considering primary air condensation. Appl. Therm. Eng. 2020, 181, 115958. [Google Scholar] [CrossRef]
- Pandelidis, D.; Cichoń, A.; Pacak, A.; Anisimov, S.; Drąg, P. Counter-flow indirect evaporative cooler for heat recovery in the temperate climate. Energy 2018, 165, 877–894. [Google Scholar] [CrossRef]
- Chen, Y.; Yang, H. A statistical modeling approach on the performance prediction of indirect evaporative cooling energy recovery systems. Appl. Energy 2019, 255, 113832. [Google Scholar]
- Cui, X.; Chua, K.; Islam, M.; Ng, K. Performance evaluation of an indirect pre-cooling evaporative heat exchanger operating in hot and humid climate. Energy Convers. Manag. 2015, 102, 140–150. [Google Scholar] [CrossRef]
- Chen, Q.; Ja, M.K.; Burhan, M.; Shahzad, M.W.; Ybyraiymkul, D.; Zheng, H.; Ng, K.C. Experimental study of a sustainable cooling process hybridizing indirect evaporative cooling and mechanical vapor compression. Energy Rep. 2022, 8, 7945–7956. [Google Scholar] [CrossRef]
- Delfani, S.; Esmaeelian, J.; Pasdarshahri, H.; Karami, M. Energy saving potential of an indirect evaporative cooler as a pre-cooling unit for mechanical cooling systems in Iran. Energy Build. 2010, 42, 2169–2176. [Google Scholar] [CrossRef]
- Zanchini, E.; Naldi, C. Energy saving obtainable by applying a commercially available M-Cycle evaporative cooling system to the air conditioning of an office building in North Italy. Energy 2019, 179, 975–988. [Google Scholar] [CrossRef]
- Chen, Y.; Luo, Y.; Yang, H. Fresh air pre-cooling and energy recovery by using indirect evaporative cooling in hot and humid region–a case study in Hong Kong. Energy Procedia 2014, 61, 126–130. [Google Scholar] [CrossRef]
- Min, Y.; Chen, Y.; Shi, W.; Yang, H. Applicability of indirect evaporative cooler for energy recovery in hot and humid areas: Comparison with heat recovery wheel. Appl. Energy 2021, 287, 116607. [Google Scholar] [CrossRef]
- Duan, Z.; Zhao, X.; Liu, J.; Zhang, Q. Dynamic simulation of a hybrid dew point evaporative cooler and vapour compression refrigerated system for a building using EnergyPlus. J. Build. Eng. 2019, 21, 287–301. [Google Scholar] [CrossRef]
- Cui, X.; Sun, L.; Zhang, S.; Jin, L. On the study of a hybrid indirect evaporative pre-cooling system for various climates. Energies 2019, 12, 4419. [Google Scholar] [CrossRef]
- Sohani, A.; Sayyaadi, H.; Mohammadhosseini, N. Comparative study of the conventional types of heat and mass exchangers to achieve the best design of dew point evaporative coolers at diverse climatic conditions. Energy Convers. Manag. 2018, 158, 327–345. [Google Scholar] [CrossRef]
- Chen, Q.; Burhan, M.; Shahzad, M.W.; Ybyraiymkul, D.; Akhtar, F.H.; Ng, K.C. Simultaneous production of cooling and freshwater by an integrated indirect evaporative cooling and humidification-dehumidification desalination cycle. Energy Convers. Manag. 2020, 221, 113169. [Google Scholar] [CrossRef]
- Kabeel, A.; Abdelgaied, M.; Feddaoui, M. Hybrid system of an indirect evaporative air cooler and HDH desalination system assisted by solar energy for remote areas. Desalination 2018, 439, 162–167. [Google Scholar] [CrossRef]
- Jarimi, H.; Powell, R.; Riffat, S. Review of sustainable methods for atmospheric water harvesting. Int. J. Low-Carbon Technol. 2020, 15, 253–276. [Google Scholar] [CrossRef]
- Kandeal, A.; Joseph, A.; Elsharkawy, M.; Elkadeem, M.; Hamada, M.A.; Khalil, A.; Moustapha, M.E.; Sharshir, S.W. Research progress on recent technologies of water harvesting from atmospheric air: A detailed review. Sustain. Energy Technol. Assess. 2022, 52, 102000. [Google Scholar] [CrossRef]














| City | CDH, °C-h/Year | DGH, g-h/Year | Energy Saving Over MVC, % | Water Consumption, L/h | Water Collection, L/h |
|---|---|---|---|---|---|
| Riyadh | 92,248.4 | 432.57 | 40.52 | 8.57 | 0.18 |
| Hail | 71,265.4 | 6.84 | 37.57 | 6.33 | 0.00 |
| Qassim | 88,722.4 | 124.65 | 40.98 | 8.21 | 0.04 |
| Dhahran | 89,967.1 | 22,225.80 | 26.04 | 9.15 | 8.25 |
| Al-Jouf | 65,980.4 | 9.24 | 37.83 | 5.87 | 0.00 |
| Turaif | 48,481.6 | 86.82 | 33.44 | 3.94 | 0.01 |
| Tabuk | 62,562.6 | 155.29 | 36.12 | 5.36 | 0.03 |
| Mecca | 107,079.7 | 21,044.16 | 24.78 | 10.86 | 7.90 |
| Madinah | 101,092.6 | 995.84 | 40.15 | 9.53 | 0.25 |
| Abha | 17,674.9 | 815.62 | 7.55 | 0.38 | 0.01 |
| Jazan | 111,837.0 | 58,262.63 | 17.20 | 12.22 | 23.56 |
| Najran | 58,329.4 | 409.75 | 28.13 | 4.29 | 0.11 |
| Al-Bahah | 20,167.7 | 1113.43 | 7.87 | 0.51 | 0.04 |
Publisher’s Note: MDPI stays neutral with regard to jurisdictional claims in published maps and institutional affiliations. |
© 2022 by the authors. Licensee MDPI, Basel, Switzerland. This article is an open access article distributed under the terms and conditions of the Creative Commons Attribution (CC BY) license (https://creativecommons.org/licenses/by/4.0/).
Share and Cite
Chen, Q.; Burhan, M.; Ja, M.K.; Shahzad, M.W.; Ybyraiymkul, D.; Zheng, H.; Cui, X.; Ng, K.C. Hybrid Indirect Evaporative Cooling-Mechanical Vapor Compression System: A Mini-Review. Energies 2022, 15, 7810. https://doi.org/10.3390/en15207810
Chen Q, Burhan M, Ja MK, Shahzad MW, Ybyraiymkul D, Zheng H, Cui X, Ng KC. Hybrid Indirect Evaporative Cooling-Mechanical Vapor Compression System: A Mini-Review. Energies. 2022; 15(20):7810. https://doi.org/10.3390/en15207810
Chicago/Turabian StyleChen, Qian, Muhammad Burhan, M Kum Ja, Muhammad Wakil Shahzad, Doskhan Ybyraiymkul, Hongfei Zheng, Xin Cui, and Kim Choon Ng. 2022. "Hybrid Indirect Evaporative Cooling-Mechanical Vapor Compression System: A Mini-Review" Energies 15, no. 20: 7810. https://doi.org/10.3390/en15207810
APA StyleChen, Q., Burhan, M., Ja, M. K., Shahzad, M. W., Ybyraiymkul, D., Zheng, H., Cui, X., & Ng, K. C. (2022). Hybrid Indirect Evaporative Cooling-Mechanical Vapor Compression System: A Mini-Review. Energies, 15(20), 7810. https://doi.org/10.3390/en15207810

