Analysis and CFD Modeling of Thermal Collectors with a Tracker System
Abstract
:1. Introduction
2. Materials and Methods
2.1. Experimental Assembly of a Solar Thermal System
The Solar Position Analysis
- η—efficiency of solar collector [W];
- Qcoll—heat output;
- G—amount of solar radiation [W/m2];
- Acoll—reference surface of the collector [m2].
- Qcoll—thermal output of the collector [W];
- A—area of the collector [m2];
- η0—peak efficiency (conversion factor) [-] (Table 2);
- a1—heat transfer coefficient [Wm−2 K−1] (Table 2);
- a2—temperature-dependent heat transfer coefficient [Wm−2 K−2] (Table 2);
- Tmf—mean liquid temperature in the collector [°C];
- Ta—ambient temperature [°C];
- G—hemispherical solar radiation on the collector [Wm−2].
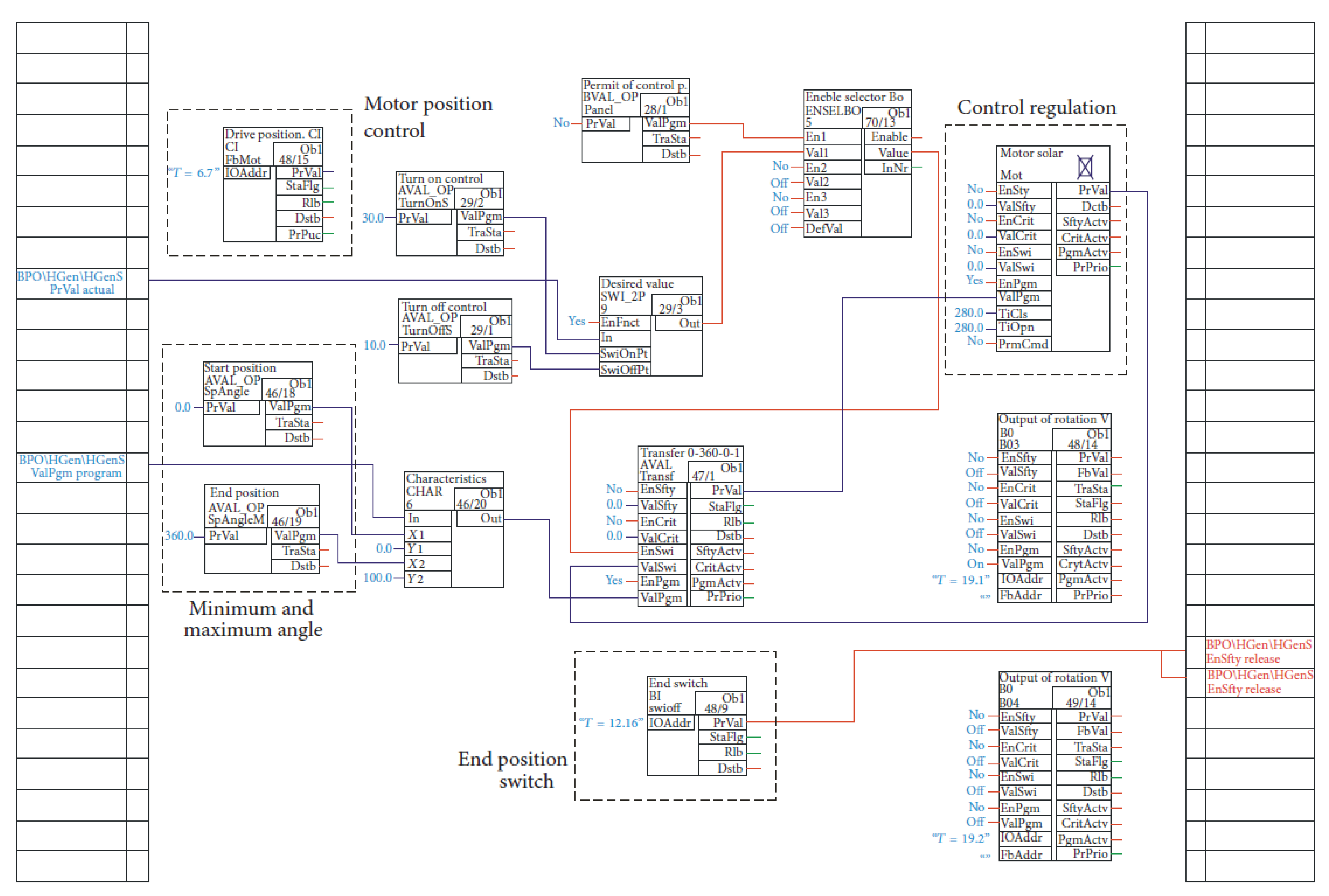
2.2. Rotation Control of the Thermal Tracker System
2.3. Measurement Conditions
- —average value of daily incident radiation Wm−2 day−1;
- T—tracker (rotation), S—static;
- average hourly value of daily incident radiation.
- ξr is the relative accuracy between the simulated values and the experimentally obtained temperature values,
- Ts represents the simulated values of the collector outlet temperature, and
- Te are the experimentally measured values of the collector outlet temperature.
2.4. Modeling of the Collector System in the Ansys Software
- p—static pressure;
- —the stress tensor; and
- a —gravitational forces and external forces.
- —molecular viscosity;
- I—unit tensor; and
- the term on the right is the volume dilation effect.
- Gk—represents the generation of turbulence kinetic energy due to the mean velocity gradients;
- Gb—is the generation of turbulence kinetic energy due to buoyancy;
- YM—represents the contribution of the fluctuating dilatation in compressible turbulence to the overall dissipation rate;
- C—is constant;
- σε, σk—are the turbulent Prandtl numbers; and
- S—is user-defined source terms.
- (1)
- the flow of liquid—working substance is uniform at a defined velocity without significant changes in the flow velocity,
- (2)
- the liquid is incompressible and has continuous properties,
- (3)
- heat losses to the environment are negligible—adiabatic process, the used collectors have a technical vacuum and therefore heat losses to the surroundings are negligible. The authors verified this fact before the experimental measurements by activating the circulating pump circulation even during the night and monitoring the temperature drop of the system. Based on the findings, the adiabatic state was chosen for the model due to the simplification of the model.
- (4)
- natural convection in a liquid—working substance is considered, and the influence of gravity is also considered.
3. Results
3.1. Results of Experimental Measurements
3.2. Verification of Numerical Simulation of Solar Thermal System
4. Conclusions
Author Contributions
Funding
Data Availability Statement
Conflicts of Interest
Nomenclature
| δ | solar declination |
| n | order of the day of the year |
| height of the sun above the horizon | |
| φ | latitude |
| τ | time angle |
| I0 | solar constant |
| ρ | reflectivity |
| S, N | world sides |
| G | global solar radiation |
| Gb | direct solar radiation |
| Gd | diffuse solar radiation |
| Gr | reflected solar radiation |
| θ | angle of incidence of solar radiation |
| θz | solar zenith angle |
| Gbn | normal irradiation (perpendicular to surface) |
| Gb | horizontal irradiance |
| Gbt | irradiation above the tilted surface |
| β | angle of the inclined plane |
| Gdt | irradiation on an inclined surface, due to diffuse radiation only |
| γ | plane azimuth angle |
| γs | solar azimuth angle |
| η | efficiency of solar collector |
| η0 | peak efficiency (conversion factor) |
| Qcoll | heat output |
| Acoll | reference surface of the collector |
| A | area of the collector |
| a1 | heat transfer coefficient |
| a2 | temperature-dependent heat transfer coefficient |
| Tmf | mean liquid temperature in the collector |
| Ta | ambient temperature |
| Gk | represents the generation of turbulence kinetic energy due to the mean velocity gradients |
| Gb | generation of turbulence kinetic energy due to buoyancy |
| YM | represents the contribution of the fluctuating dilatation in compressible turbulence to the overall dissipation rate |
| C | constant |
| σε, σk | turbulent Prandtl numbers |
| S | user-defined source terms |
| average hourly value of daily incident radiation | |
| average hourly value of daily incident radiation for the rotation condition | |
| average hourly value of daily incident radiation for static condition | |
| average daily value of incident radiation for the rotation condition | |
| average daily value of incident radiation for static condition | |
| minimum hourly intensity of global radiation | |
| maximum hourly intensity of global radiation | |
| average value of daily incident radiation | |
| hourly time interval for the ith hour | |
| average hourly outlet temperature of the collector | |
| minimum hourly outlet temperature of the collector | |
| maximum hourly outlet temperature of the collector | |
| average outlet temperature of the collector system with rotation | |
| average outlet temperature of the static collector system | |
| difference of average hourly outlet temperatures of the collector | |
| Ts | outlet temperature—simulation result |
| r | correlation coefficient |
| ξr | relative accuracy |
References
- Ssen, Z. Solar energy in progress and future research trends. Prog. Energy Combust. Sci. 2004, 30, 367–416. [Google Scholar] [CrossRef]
- Vine, E. Breaking down the silos: The integration of energy efficiency, renewable energy, demand response and climate change. Energy Effic. 2008, 1, 49–63. [Google Scholar] [CrossRef]
- Tagliafico, L.A.; Scarpa, F.; Rosa, D.M. Dynamic thermal models and CFD analysis for flat-plate thermal solar collectors—A review. Renew. Sustain. Energy Rev. 2014, 30, 526–537. [Google Scholar] [CrossRef]
- Halahyja, M.; Valášek, J. Solárna Energia a Jej Využitie; Alfa: Bratislava, Slovakia, 1985; pp. 1–290. [Google Scholar]
- Kalogirou, A.S.; Karellas, S.; Braimakis, K.; Stanciu, C.; Badescu, V. Exergy analysis of solar thermal collectors and processes. Prog. Energy Combust. Sci. 2016, 56, 106–137. [Google Scholar] [CrossRef]
- Moghadam, H.; Tabrizi, F.F.; Sharak, A.Z. Optimization of solar flat collector inclination. Desalination 2011, 265, 107–111. [Google Scholar] [CrossRef]
- Stanciu, C.; Stanciu, D. Optimum tilt angle for flat plate collectors all over the World—A declination dependence formula and comparisons of three solar radiation models. Energy Convers. Manag. 2014, 81, 133–143. [Google Scholar] [CrossRef]
- Benghanem, M. Optimization of tilt angle for solar panel: Case study for Madinah, Saudi Arabia. Appl. Energy 2011, 88, 1427–1433. [Google Scholar] [CrossRef]
- Jacovidesa, C.P.; Tymvios, F.; Assimakopoulos, V.; Kaltsounides, N. Comparative study of various correlations in estimating hourly diffuse fraction of global solar radiation. Renew. Energy 2006, 31, 2492–2504. [Google Scholar] [CrossRef]
- Cihelka, J. Sluneční Vytápěcí Systémy; SNTL: Praha, Czech Republic, 1984; pp. 1–206. [Google Scholar]
- Remmers, K.H. Velká Solární Zařízení; ERA: Brno, Czech Republic, 2007. [Google Scholar]
- Corny, I.; Fedak, M. Technical parameters of solar thermal collectors and their measurement. Technol. Syst. Oper. 2007, 7, 2–3. [Google Scholar]
- Martín, R.H.; Pérez-García, J.; García, A.; García-Soto, F.J.; López-Galiana, E. Simulation of an enhanced flat-plate solar liquid collector with wire-coil insert devices Solar Energy. Sol. Therm. Appl. 2011, 85, 455–469. [Google Scholar]
- Maia, C.B.; Ferreira, A.G.; Hanriot, S.M. Evaluation of a tracking flat-plate solar collector in Brazil. Appl. Therm. Eng. 2014, 73, 953–962. [Google Scholar] [CrossRef]
- Garg, H.P.; Gouri, D. Fundamentals and characteristics of solar radiation. Renew. Energy 1993, 3, 305–319. [Google Scholar] [CrossRef]
- Li, H.; Ma, W.; Wang, X.; Lian, Y. Estimating monthly average daily diffuse solar radiation with multiple predictors: A case study. Renew. Energy 2011, 36, 1944–1948. [Google Scholar] [CrossRef]
- Gopinathan, K.K.; Soler, A. Effect of sunshine and solar declination on the computation of monthly mean daily diffuse solar radiation. Renew. Energy 1996, 7, 89–93. [Google Scholar] [CrossRef]
- Muneer, T.; Younes, S.; Munawwar, S. Discourses on solar radiation modeling. Renew. Sustain. Energy Rev. 2007, 11, 551–602. [Google Scholar] [CrossRef]
- Mohammadi, K.; Shamshirband, S.; Anisi, M.H.; Alam, K.A.; Petković, D. Support vector regression based prediction of global solar radiation on a horizontal surface. Energy Convers. Manag. 2015, 91, 433–441. [Google Scholar] [CrossRef]
- Seidlitz, H.K.; Thiel, S.; Krins, A.; Mayer, H. Solar radiation at the Earth’s surface. Sun Prot. Man 2001, 36, 25–38. [Google Scholar]
- Wang, D.; Mo, Z.; Liu, Y.; Ren, Y.; Fan, J. Thermal performance analysis of large-scale flat plate solar collectors and regional applicability in China. Energy 2022, 238, 1219–1231. [Google Scholar] [CrossRef]
- Manuel, O.R.J.; Omar, J.S.; Antonio, Z.A.M.; Armando, E.O. Analysis of Flow and Heat Transfer in a Flat Solar Collector with Rectangular and Cylindrical Geometry Using CFD. Ing. Investig. Tecnol. 2013, 14, 553–561. [Google Scholar]
- Eismann, R.; Prasser, H.-M. Correction for the absorber edge effect in analytical models of flat plate solar collectors. Sol. Energy 2013, 95, 181–191. [Google Scholar] [CrossRef]
- Yehualashet, K.N.; Fatoba, O.; Asfaw, S.M. Experimental study and numerical analysis of thermal performance of corrugated plate solar collector. Mater. Today Proc. 2022, 62, 2849–2856. [Google Scholar] [CrossRef]
- Cruz-Peragon, F.; Palomar, J.; Casanova, P.; Dorado, M.; Manzano-Agugliaro, F. Characterization of solar flat plate collectors. Renew. Sustain. Energy Rev. 2012, 16, 1709–1720. [Google Scholar] [CrossRef]
- Karali, M.A.; Alharthi, M.A.; Refaey, H.A. Influence of using different tapered longitudinal section manifolds in a Z shaped flat plate solar collector on flow distribution uniformity. Case Stud. Therm. Eng. 2022, 33, 1019–1022. [Google Scholar] [CrossRef]
- Tan, A.S.T.; Janaun, J.; Tham, H.; Siambun, N.; Abdullah, A. Performance analysis of a solar heat collector through experimental and CFD investigation. Mater. Today Proc. 2022, 57, 1338–1344. [Google Scholar] [CrossRef]
- Georgiou, L.; Souliotis, M.; Papaefthimiou, S.; Fokaides, P.A. Numerical simulation data of building integrated solar thermal collectors under diverse conditions. Data Brief 2021, 39, 107470. [Google Scholar] [CrossRef]
- Thakur, A.; Kumar, S.; Kumar, P.; Kumar, S.; Bhardwaj, A. A review on the simulation/CFD based studies on the thermal augmentation of flat plate solar collectors. Mater. Today Proc. 2021, 46, 8578–8585. [Google Scholar] [CrossRef]
- Rimár, M.; Čorný, I.; Fedák, M.; Kuna, Š. Experimental Study on Energy Gain of the Solar Collector with Automatic Inclining System in Conditions of Central Europe During Low Solar Potential Periods. Appl. Mech. Mater. 2013, 415, 26–29. [Google Scholar] [CrossRef]
- Ibrahim, D. Optimum tilt angle for solar collectors used in Cyprus. Renew. Energy 1995, 6, 813–819. [Google Scholar] [CrossRef]
- Kacira, M.; Simsek, M.; Babur, Y.; Demirkol, S. Determining optimum tilt angles and orientations of photovoltaic panels in Sanliurfa, Turkey. Renew. Energy 2004, 29, 1265–1275. [Google Scholar] [CrossRef]
- Demain, C.; Journée, M.; Bertrand, C. Evaluation of different models to estimate the global solar radiation on inclined surfaces. Renew. Energy 2013, 50, 710–721. [Google Scholar] [CrossRef]
- Jafarkazemi, F.; Saadabadi, A.S. Optimum tilt angle and orientation of solar surfaces in Abu Dhabi, UAE. Renew. Energy 2013, 56, 44–49. [Google Scholar] [CrossRef]
- Hartley, E.L.; Martínez-Lozano, A.J.; Utrillas, P.M.; Tena, F.; Pedrós, R. The optimization of the angle of inclination of solar collector to maximize the incident solar radiation. Renew. Energy 1999, 17, 291–309. [Google Scholar] [CrossRef]
- Yadav, K.A.; Chandel, S.S. Tilt angle optimization to maximize incident solar radiation: A review. Renew. Sustain. Energy Rev. 2013, 23, 503–513. [Google Scholar] [CrossRef]
- Handoyo, A.E.; Ichsani, D.; Prabowo. The optimal tilt angle of a solar collector. Energy Procedia 2013, 32, 166–175. [Google Scholar] [CrossRef] [Green Version]
- Kamali, A.G.; Moradi, I.; Khalili, A. Estimating solar radiation on titled surfaces with various orientations: A study case in Karaj (Iran). Theor. Appl. Climatol. 2006, 84, 235–241. [Google Scholar] [CrossRef]
- Ahmad, J.M.; Tiwari, N.G. Optimization of Tilt Angle for Solar Collector to Receive Maximum Radiation. Open Renew. Energy J. 2009, 2, 19–24. [Google Scholar] [CrossRef]
- Günther, M. Chapter 2: Solar Radiation. In Advanced CSP Teaching Materials; DLR Materials Science: Kassel, Germany, 2011; pp. 1–88. [Google Scholar]
- Kalogirou, S.A. Solar Energy Engineering Processes and Systems; Elsevier: Amsterdam, The Netherlands, 2013; ISBN 978-0-12-374501-9. [Google Scholar]
- Garcia, B.F.; Mousaviraad, M.; Saraji, S. Verification and validation for microfluidic CFD simulations of Newtonian and non-Newtonian flows. Appl. Math. Model. 2022, 107, 557–573. [Google Scholar] [CrossRef]
- SunCalc. Suncalc Sun Position and Sunlight Phases Calculator. Available online: https://www.suncalc.org (accessed on 2 August 2022).
- Teplonosné Kvapaliny Agrimex. Available online: https://www.geotherm.sk/teplonosne-kvapaliny-agrimex/ (accessed on 1 June 2022).
- Czech Meteorological Company InMeteo. Available online: https://www.ventusky.com (accessed on 1 June 2022).
- He, W.; Hong, X.; Luo, B.; Chen, H.; Ji, J. CFD and comparative study on the dual-function solar collectors with and without tile-shaped covers in water heating mode. Renew. Energy 2016, 86, 1205–1214. [Google Scholar] [CrossRef]
- Yadav, A.S.; Agrawal, A.; Sharma, A.; Gupta, A. Revisiting the effect of ribs on performance of solar air heater using CFD approach. Mater. Today Proc. 2022, 63, 240–252. [Google Scholar] [CrossRef]
- Yadav, A.S.; Shrivastava, V.; Sharma, A.; Dwivedi, M.K. Numerical simulation and CFD-based correlations for artificially roughened solar air heater. Mater. Today Proc. 2021, 47, 2685–2693. [Google Scholar] [CrossRef]
- Mittal, G. An unsteady CFD modelling of a single slope solar still. Mater. Today Proc. 2021, 46, 10991–10995. [Google Scholar] [CrossRef]
- Tegenaw, P.D.; Gebrehiwot, M.G.; Vanierschot, M. On the comparison between computational fluid dynamics (CFD) and lumped capacitance modeling for the simulation of transient heat transfer in solar dryers. Sol. Energy 2019, 184, 417–425. [Google Scholar] [CrossRef]
- Nokhosteen, A.; Sobhansarbandi, S. Numerical modeling and experimental cross-validation of a solar thermal collector through an innovative hybrid CFD model. Renew. Energy 2021, 172, 918–928. [Google Scholar] [CrossRef]

























| Sensors | Amount | Accuracy |
|---|---|---|
| Thermometer Pt100 | 10 | Class B; ± (0.30 K + 0.005 × ) |
| Global radiation sensor FLA613GS | 1 | cos-error f2 < 3% |
| linearity < 1% | ||
| absolute error < 10% | ||
| Almemo 2490-1 | 1 | accuracy ±0.1% of measured value, ±0.1 of final values |
| Temperature drift ±0.01%/K | ||
| Supercal 531 | 1 | Class 2 according to EN 1434-1 |
| Thermometer Pt500 | 2 | Class B; ± (0.30 K + 0.005 × ) |
| Superstatic 440 | 1 | Class 3 according EN 1434-1 |
| = absolute value of temperature in °C | ||
| Collector Type | η0 [-] | a1 [Wm−2 K−1] | a2 [Wm−2 K−2] |
|---|---|---|---|
| Flat non-selective | 0.75 | 6.5 | 0.030 |
| Flat selective | 0.78 | 4.2 | 0.015 |
| Temperature °C | Density kg/m3 | Kin. Viscosity mm2/s | Heat Capacity kJ/kg.K | Thermal Conductivity W/mK | Prandtl Number |
|---|---|---|---|---|---|
| 0 | 1052 | 20.0 | 3.52 | 0.38 | 105 |
| 20 | 1038 | 5.0 | 3.61 | 0.38 | 50 |
| 40 | 1025 | 3.5 | 3.69 | 0.38 | 25 |
| 60 | 1010 | 2.0 | 3.76 | 0.38 | 15 |
| 80 | 992 | 1.1 | 3.81 | 0.38 | 10 |
Publisher’s Note: MDPI stays neutral with regard to jurisdictional claims in published maps and institutional affiliations. |
© 2022 by the authors. Licensee MDPI, Basel, Switzerland. This article is an open access article distributed under the terms and conditions of the Creative Commons Attribution (CC BY) license (https://creativecommons.org/licenses/by/4.0/).
Share and Cite
Rimar, M.; Fedak, M.; Kulikov, A.; Kulikova, O.; Lopusniak, M. Analysis and CFD Modeling of Thermal Collectors with a Tracker System. Energies 2022, 15, 6586. https://doi.org/10.3390/en15186586
Rimar M, Fedak M, Kulikov A, Kulikova O, Lopusniak M. Analysis and CFD Modeling of Thermal Collectors with a Tracker System. Energies. 2022; 15(18):6586. https://doi.org/10.3390/en15186586
Chicago/Turabian StyleRimar, Miroslav, Marcel Fedak, Andrii Kulikov, Olha Kulikova, and Martin Lopusniak. 2022. "Analysis and CFD Modeling of Thermal Collectors with a Tracker System" Energies 15, no. 18: 6586. https://doi.org/10.3390/en15186586
APA StyleRimar, M., Fedak, M., Kulikov, A., Kulikova, O., & Lopusniak, M. (2022). Analysis and CFD Modeling of Thermal Collectors with a Tracker System. Energies, 15(18), 6586. https://doi.org/10.3390/en15186586

