Design, Implementation, and Evaluation of an Output Prediction Model of the 10 MW Floating Offshore Wind Turbine for a Digital Twin
Abstract
:1. Introduction
2. Description and Modeling of a 10 MW FOWT
2.1. Description of a 10 MW FOWT
2.2. Design Parameters of a 10 MW FOWT
2.3. Effective Wind Speed and 6-Dof in the 10 MW FOWT
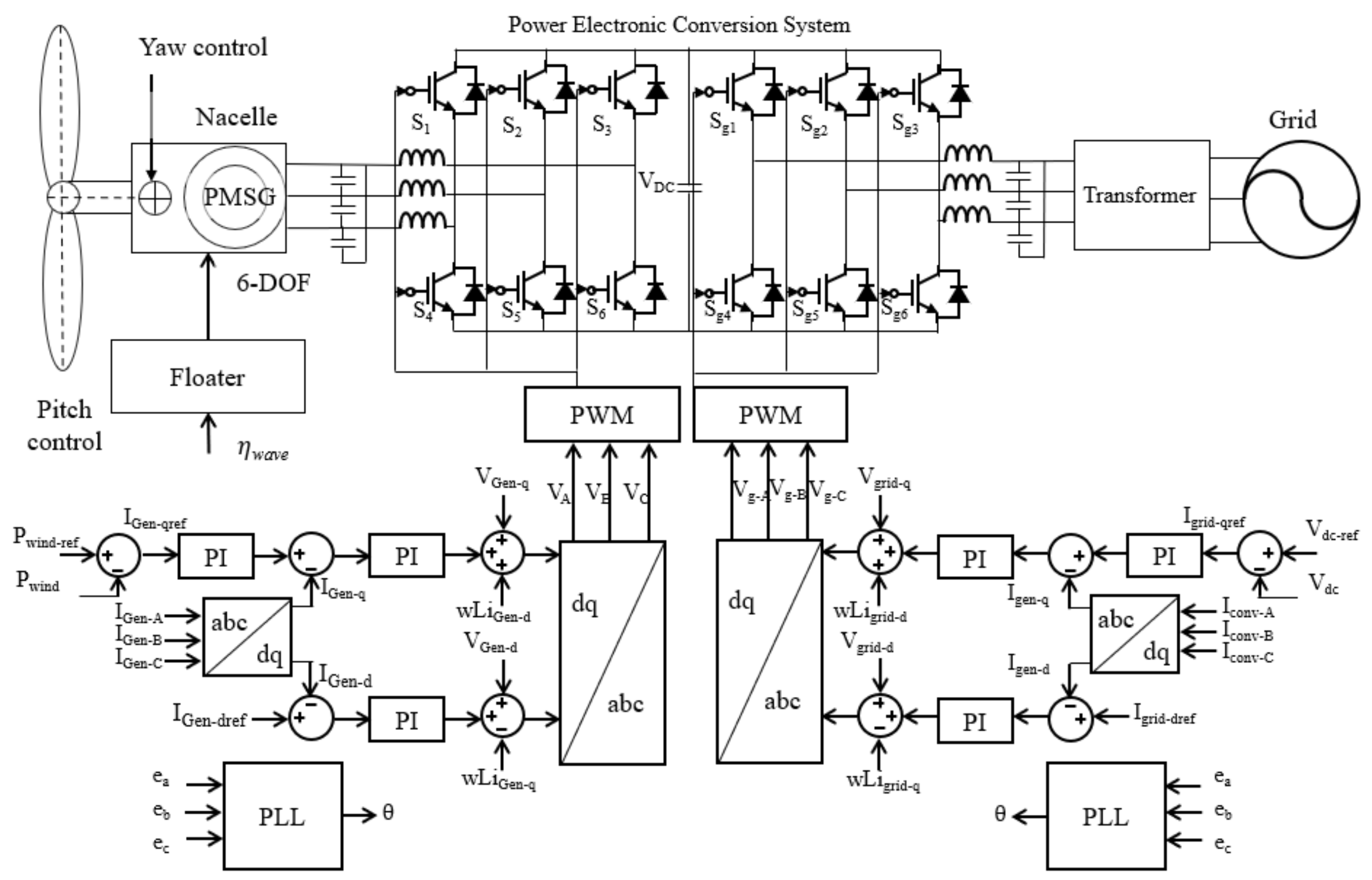
3. Development of a P-bOPM of a 10 MW FOWT
3.1. Configuration of the P-bOPM
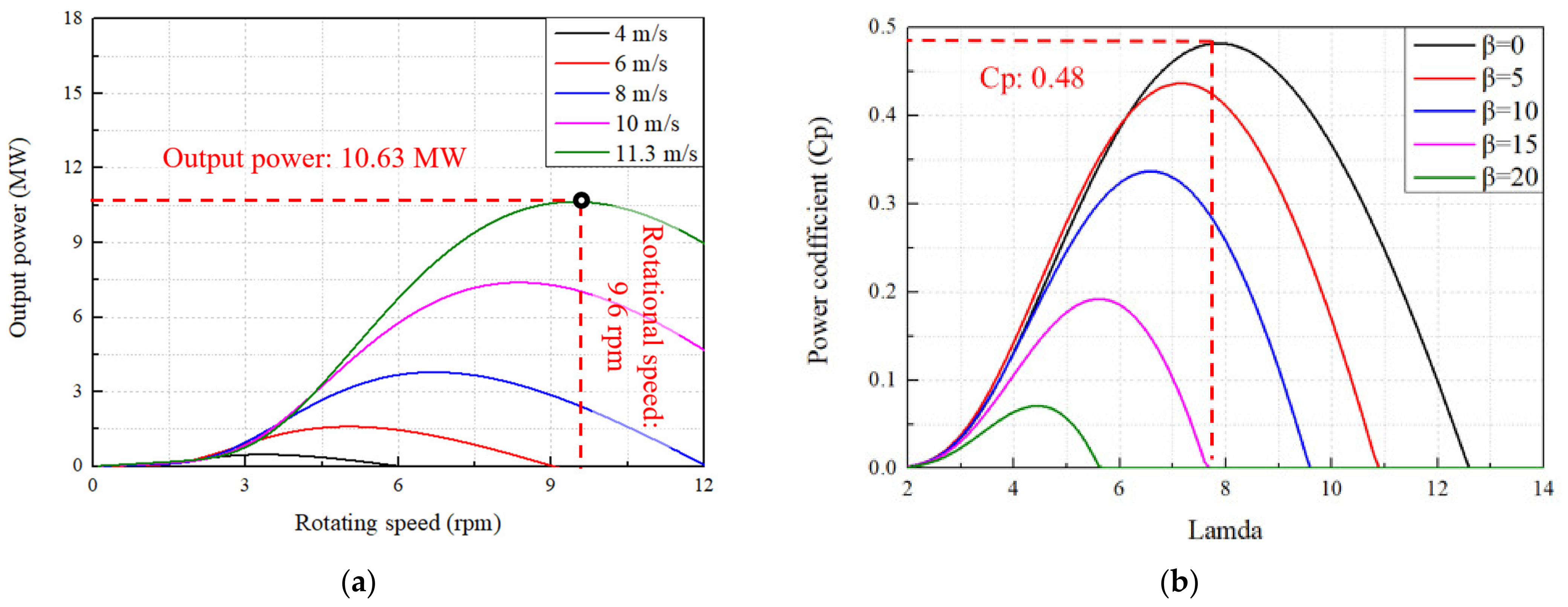
3.2. Design and Performance Verification of the ROM
3.3. Prediction of the 4-dof for the 10 MW FOWT Using the ROM System
4. Development of an Integrated Digital Twin System of the 10 MW FOWT
4.1. Integrated Digital Twin System of the 10 MW FOWT
4.2. Reduced Model Test of the 10 MW FOWT
4.3. Comparison of the Digital Twin System and the Reduced Model Test of the 10 MW FOWT
5. Conclusions
Author Contributions
Funding
Institutional Review Board Statement
Informed Consent Statement
Data Availability Statement
Conflicts of Interest
References
- IRENA. Query Tool, Renewable Electricity Capacity and Generation Statistics. 2018. Available online: https://www.irena.org/Statistics/View-Data-by-Topic/Capacity-and-Generation/Query-Tool (accessed on 23 September 2021).
- Rubanenko, O.; Miroshnyk, O.; Shevchenko, S.; Yanovych, V.; Danylchenko, D.; Rubanenko, O. Distribution of Wind Power Generation Dependently of Meteorological Factors. In Proceedings of the 2020 IEEE KhPI Week on Advanced Technology (KhPIWeek), Kharkiv, Ukraine, 5–10 October 2020; pp. 472–477. [Google Scholar]
- Kang, J.; Sun, L.; Soares, C.G. Fault Tree Analysis of floating offshore wind turbines. Renew. Energy 2019, 133, 1455–1467. [Google Scholar] [CrossRef]
- Ribrant, J.; Bertling, L.M. Survey of failures in wind power systems with focus on Swedish wind power plants during 1997–2005. IEEE Trans. Energy Convers. 2007, 22, 167–173. [Google Scholar]
- Gundebommu, L.; Hunko, I.; Rubanenko, O.; Kuchanskyy, V. Assessment of the Power Quality in Electric Networks with Wind Power Plants. In Proceedings of the 2020 IEEE 7th International Conference on Energy Smart Systems (ESS), Kyiv, Ukraine, 12–14 May 2020; pp. 190–194. [Google Scholar]
- Lund, P.D.; Lindgren, J.; Mikkola, J.; Salpakari, J. Review of energy system flexibility measures to enable high levels of variable renewable electricity. Renew. Sustain. Energy Rev. 2015, 45, 785–807. [Google Scholar]
- Denholm, P.; Hand, M. Grid flexibility and storage required to achieve very high penetration of variable renewable electricity. Energy Policy 2011, 39, 1817–1830. [Google Scholar]
- Zhou, E.; Cole, W.; Frew, B. Valuing variable renewable energy for peak demand requirements. Energy 2018, 165, 499–511. [Google Scholar] [CrossRef]
- Kim, J.H.; Kim, H.H.; Yoo, S.H. Social acceptance toward constructing a combined heat and power plant near people’s dwellings in South Korea. Energy 2022, 244, 123175. [Google Scholar]
- Nikander, A. Development and Testing of New Equipment for Faulty Phase Earthing by Applying RTDS. IEEE Trans. Power Deliv. 2017, 32, 1295–1302. [Google Scholar]
- Shao, H.; Cai, X.; Cao, Y.; Ma, T. Digital Mirroring System for DFIG Wind Turbine Generator with Parallel Converters. In Proceedings of the 2020 12th IEEE PES Asia-Pacific Power and Energy Engineering Conference (APPEEC), Nanjing, China, 20–23 September 2020; pp. 1–5. [Google Scholar]
- Pargmann, H.; Euhausen, D.; Faber, R. Applied Augmented Reality as an integration approach for ERP- and CAX-systems in manufacturing and operating processes for wind farms. In LNBIP Post-Proceedings of ERP Future Conference 2017; Springer Publishing: Innsbruck, Austria, 2017; in press. [Google Scholar]
- Rasheed, A.; San, O.; Kvamsdal, T. Digital Twin: Values, Challenges and Enablers From a Modeling Perspective. IEEE Access 2020, 8, 21980–22012. [Google Scholar] [CrossRef]
- Sivalingam, K.; Sepulveda, M.; Spring, M.; Davies, P. A Review and Methodology Development for Remaining Useful Life Prediction of Offshore Fixed and Floating Wind turbine Power Converter with Digital Twin Technology Perspective. In Proceedings of the 2018 2nd International Conference on Green Energy and Applications (ICGEA), Singapore, 24–26 March 2018; pp. 197–204. [Google Scholar] [CrossRef]
- Zeitouni, M.J.; Parvaresh, A.; Abrazeh, S.; Mohseni, S.-R.; Gheisarnejad, M.; Khooban, M.-H. Digital Twins-Assisted Design of Next-Generation Advanced Controllers for Power Systems and Electronics: Wind Turbine as a Case Study. Inventions 2020, 5, 19. [Google Scholar] [CrossRef]
- Wu, J.; Yang, Y.; Cheng, X.; Zuo, H.; Cheng, Z. The Development of Digital Twin Technology Review. In Proceedings of the 2020 Chinese Automation Congress (CAC), Shanghai, China, 6–8 November 2020; pp. 4901–4906. [Google Scholar] [CrossRef]
- Botín-Sanabria, D.M.; Mihaita, A.-S.; Peimbert-García, R.E.; Ramírez-Moreno, M.A.; Ramírez-Mendoza, R.A.; Lozoya-Santos, J.D.J. Digital Twin Technology Challenges and Applications: A Comprehensive Review. Remote Sens. 2022, 14, 1335. [Google Scholar] [CrossRef]
- VanDerHorn, E.; Mahadevan, S. Digital Twin: Generalization, characterization and implementation. Decis. Support Syst. 2021, 145, 113524. [Google Scholar] [CrossRef]
- Qi, Q.; Tao, F.; Hu, T.; Anwer, N.; Liu, A.; Wei, Y.; Wang, L.; Nee, A. Enabling technologies and tools for digital twin. J. Manuf. Syst. 2021, 58, 3–21. [Google Scholar] [CrossRef]
- Li, Z.; Shahidehpour, M.; Liu, X. Cyber-secure decentralized energy management for IoT-enabled active distribution networks. J. Mod. Power Syst. Clean Energy 2018, 6, 900–917. [Google Scholar] [CrossRef] [Green Version]
- Snijders, R.; Pileggi, P.; Broekhuijsen, J.; Verriet, J.; Wiering, M.; Kok, K. Machine Learning for Digital Twins to Predict Responsiveness of Cyber-Physical Energy Systems. In Proceedings of the 2020 8th Workshop on Modeling and Simulation of Cyber-Physical Energy Systems, Sydney, NSW, Australia, 21 April 2020; pp. 1–6. [Google Scholar] [CrossRef]
- Olatunji, O.O.; Adedeji, P.A.; Madushele, N.; Jen, T.-C. Overview of Digital Twin Technology in Wind Turbine Fault Diagnosis and Condition Monitoring. In Proceedings of the 2021 IEEE 12th International Conference on Mechanical and Intelligent Manufacturing Technologies (ICMIMT), Cape Town, South Africa, 13–15 May 2021; pp. 201–207. [Google Scholar] [CrossRef]
- Park, J.; Kim, C.; Dinh, M.-C.; Park, M. Design of a Condition Monitoring System for Wind Turbines. Energies 2022, 15, 464. [Google Scholar] [CrossRef]
- Fahim, M.; Sharma, V.; Cao, T.-V.; Canberk, B.; Duong, T.Q. Machine Learning-based Digital Twin for Predictive Modeling in Wind Turbines. IEEE Access 2022, 10, 14184–14194. [Google Scholar] [CrossRef]
- Rahman, S.M.; San, O.; Rasheed, A. A Hybrid Approach for Model Order Reduction of Barotropic Quasi-Geostrophic Turbulence. Fluids 2018, 3, 86. [Google Scholar] [CrossRef] [Green Version]
- Bortolotti, P.; Tarr’es, H.C.; Dykes, K.; Merz, K.; Sethuraman, L.; Verelst, D.; Zahle, F. IEA Wind TCP Task 37: Systems Engineering in Wind Energy-WP2.1 Reference Wind Turbines; Technical Report; NREL/TP-5000-73492; International Energy Agency (IEA): Paris, France, 2019. [Google Scholar]
- Jonkman, J. Definition of the Floating System for Phase IV of OC3 (No. NREL/TP-500-47535); National Renewable Energy Lab (NREL): Golden, CO, USA, 2010. [Google Scholar]
- Robertson, A.; Jonkman, J.; Masciola, M.; Goupee, A.; Coulling, A.; Luan, C. Definition of the Semisubmersible Floating System for Phase II of OC4; NREL Technical Report; NREL/TP-5000-60601; NREL: Golden, CO, USA, 2014. [Google Scholar]
- Available online: https://www.ansys.com/ko-kr/resource-center/webinar/reduced-order-models-roms-for-simulation-democratization-and-digital-twins (accessed on 21 August 2019).










| Items | Value |
|---|---|
| Rated power | 10.63 MW |
| Hub height | 119 m |
| Rotor diameter | 178.3 m |
| Number of blades | 3 ea |
| Single blade mass | 32.5 ton |
| Rotor mass | 198.0 ton |
| Nacelle mass | 414.0 ton |
| Tower mass | 559.0 ton |
| Items | Value |
|---|---|
| Rated power | 10.63 MW |
| Type of the generator | PMSG |
| Rated line-to-line voltage | 6.6 kV |
| Rated armature current | 930 A |
| Rotating speed at rated wind speed | 9.6 rpm |
| Rated torque | 10.57 MN·m |
| Number of poles | 250 |
| Cut-in wind speed | 5 m/s |
| Cut-out wind speed | 25 m/s |
| Rated wind speed | 11.3 m/s |
| Length of rotor blades | 89.1 m |
| Inertia | m2 |
| Rated frequency | 20 Hz |
| Stator winding resistance | 6.4 mΩ |
| d-axis stator inductance | 1.8 mH |
| q-axis stator inductance | 1.8 mH |
| Power coefficient | 0.48 |
| Optimal tip speed ratio | 7.92 |
| Average wind speed of the site of installation | 8.5 m/s |
| Constants of the Power Coefficient | C1 | C2 | C3 | C4 | C5 | C6 | C7 | C8 |
|---|---|---|---|---|---|---|---|---|
| 50% or more | 1.13 | 151 | 0.2 | 0.002 | 2.9 | 13.2 | 20.9 | −0.002 |
| Wind Speed | 11.4 m/s | 13 m/s | 15 m/s | 18 m/s | 21 m/s | 25 m/s |
|---|---|---|---|---|---|---|
| Pitch angle | 1.1° | 10.4° | 14.3° | 17.2° | 19.3° | 20.8° |
| Environment | Surge [m] | Heave [m] | |||
|---|---|---|---|---|---|
| Average Wind Speed [m/s] | Amplitude of Sea Surface [m] | Average Value | Range | Average Value | RANGE |
| 5 | 2.18 | 4.98 | −0.56~9.58 | −0.004 | −0.046~0.033 |
| 7 | 2.62 | 8.26 | −1.06~15.96 | −0.010 | −0.087~0.068 |
| 10 | 3.46 | 14.67 | −1.39~27.29 | −0.028 | −0.142~0.091 |
| 11.3 | 3.93 | 15.42 | −1.49~29.02 | −0.039 | −0.191~0.148 |
| 13 | 4.53 | 13.33 | −0.57~26.46 | −0.020 | −0.266~0.264 |
| 17 | 6.45 | 11.69 | 2.03~20.39 | −0.008 | −0.548~0.533 |
| 22 | 9.56 | 11.85 | −4.12~26.73 | 0.029 | −1.767~2.049 |
| 25 | 12.47 | 12.21 | −2.03~26.92 | 0.041 | −2.045~2.606 |
| Environment | Pitch [deg] | Yaw [deg] | |||
|---|---|---|---|---|---|
| Average Wind Speed [m/s] | Amplitude of Sea Surface [m] | Average Value | Range | Average Value | Range |
| 5 | 2.18 | 0.81 | 0.26~1.60 | −0.18 | −2.65~2.16 |
| 7 | 2.62 | 1.45 | 0.56~2.94 | −0.15 | −3.51~2.75 |
| 10 | 3.46 | 2.71 | 0.85~5.25 | 0.14 | −6.49~6.87 |
| 11.3 | 3.93 | 3.05 | 0.92~5.86 | 0.11 | −7.61~7.91 |
| 13 | 4.53 | 2.27 | -0.40~4.01 | −0.18 | −4.81~5.27 |
| 17 | 6.45 | 1.66 | -0.04~3.09 | −0.31 | −4.30~4.62 |
| 22 | 9.56 | 1.37 | -0.13~2.99 | −0.64 | −5.09~5.84 |
| 25 | 12.47 | 1.21 | -0.60~3.24 | −0.88 | −5.42~5.89 |
| Parameter | Full-Scale Model of the 10 MW FOWT (1:1) | Reduced Model of the 10 MW FOWT (1:35) |
|---|---|---|
| Model ratio | 1 | 35 |
| Water depth [m] | 150 | 4.286 |
| Draft [m] | 15.0 | 0.429 |
| Radius center to outer column [m] | 47.0 | 1.34 |
| Radius center bottom plate [m] | 9.6 | 0.27 |
| Displacement [ton] | 11,277.663 | 0.263 |
| GMT [m] | 19.25 | 0.55 |
| GML [m] | 19.25 | 0.55 |
| CoG (x,y,z) [m] based on free surface | (0, 0, 4.45) | (0, 0, 0.13) |
| Parameter | Reduced Model Test | Simulation | Error [%] |
|---|---|---|---|
| Surge natural period [s] | 15.429 | 16.109 | 4.2% |
| Heave natural period [s] | 2.787 | 2.806 | 0.7% |
| Pitch natural period [s] | 3.926 | 3.955 | 0.7% |
Publisher’s Note: MDPI stays neutral with regard to jurisdictional claims in published maps and institutional affiliations. |
© 2022 by the authors. Licensee MDPI, Basel, Switzerland. This article is an open access article distributed under the terms and conditions of the Creative Commons Attribution (CC BY) license (https://creativecommons.org/licenses/by/4.0/).
Share and Cite
Kim, C.; Dinh, M.-C.; Sung, H.-J.; Kim, K.-H.; Choi, J.-H.; Graber, L.; Yu, I.-K.; Park, M. Design, Implementation, and Evaluation of an Output Prediction Model of the 10 MW Floating Offshore Wind Turbine for a Digital Twin. Energies 2022, 15, 6329. https://doi.org/10.3390/en15176329
Kim C, Dinh M-C, Sung H-J, Kim K-H, Choi J-H, Graber L, Yu I-K, Park M. Design, Implementation, and Evaluation of an Output Prediction Model of the 10 MW Floating Offshore Wind Turbine for a Digital Twin. Energies. 2022; 15(17):6329. https://doi.org/10.3390/en15176329
Chicago/Turabian StyleKim, Changhyun, Minh-Chau Dinh, Hae-Jin Sung, Kyong-Hwan Kim, Jeong-Ho Choi, Lukas Graber, In-Keun Yu, and Minwon Park. 2022. "Design, Implementation, and Evaluation of an Output Prediction Model of the 10 MW Floating Offshore Wind Turbine for a Digital Twin" Energies 15, no. 17: 6329. https://doi.org/10.3390/en15176329
APA StyleKim, C., Dinh, M.-C., Sung, H.-J., Kim, K.-H., Choi, J.-H., Graber, L., Yu, I.-K., & Park, M. (2022). Design, Implementation, and Evaluation of an Output Prediction Model of the 10 MW Floating Offshore Wind Turbine for a Digital Twin. Energies, 15(17), 6329. https://doi.org/10.3390/en15176329

