New Class of Power Converter for Performing the Multiple Operations in a Single Converter: Universal Power Converter
Abstract
:1. Introduction
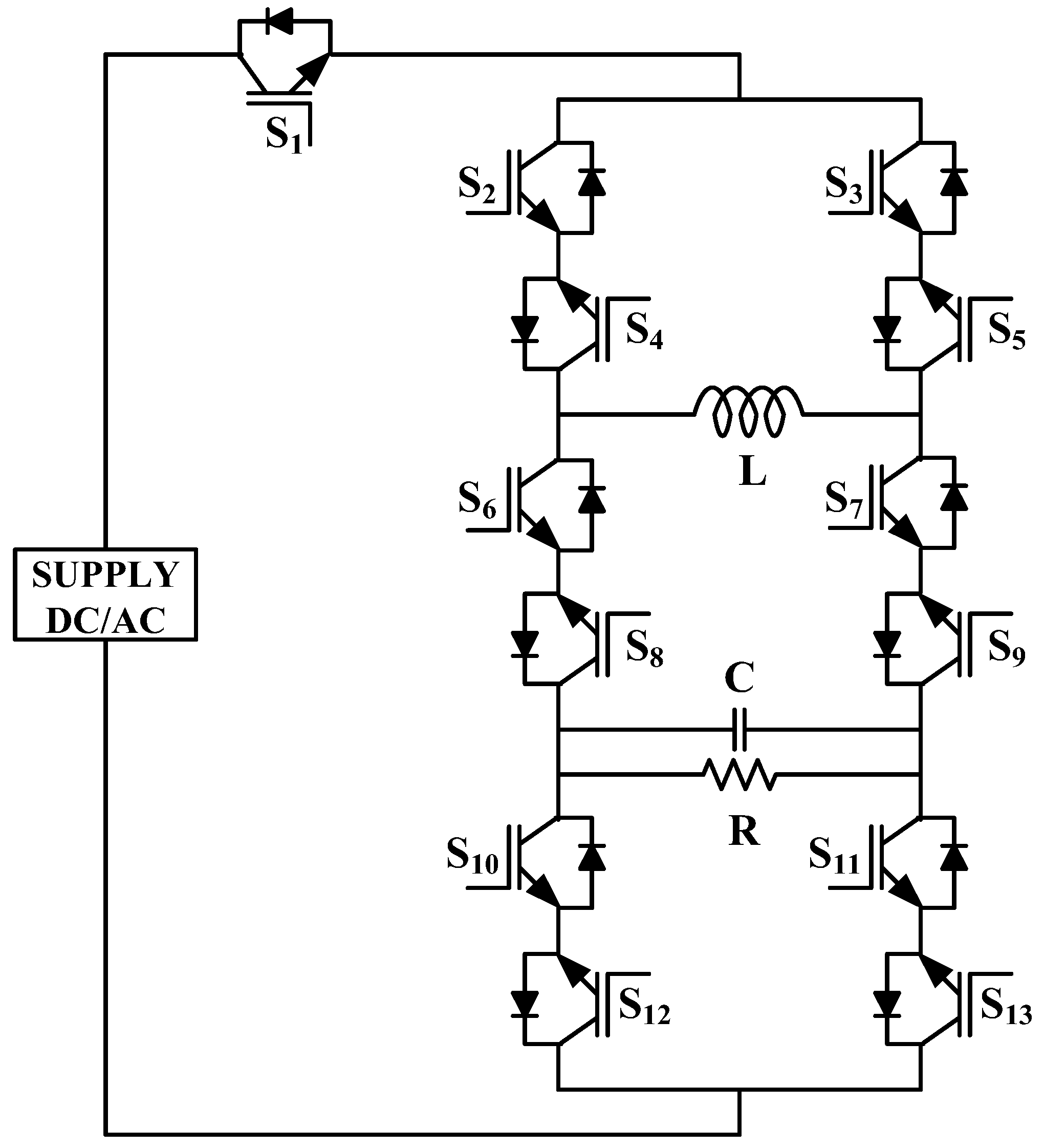
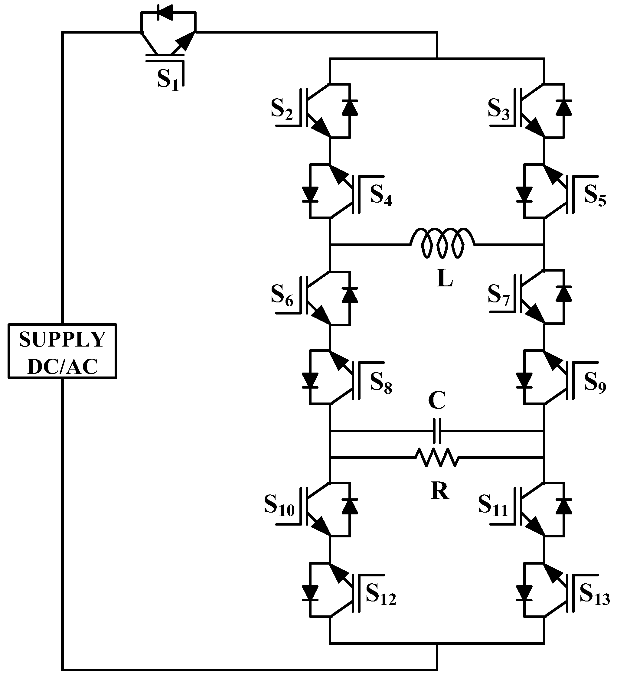
2. Proposed Universal-Power-Converter Configuration and Modes of Operation
- (1)
- The proposed configuration has a reduced number of components compared with the individual conventional converters combined to obtain different modes of voltage conversion.
- (2)
- It can perform the AC–DC, DC–DC, DC–AC, and AC–AC (cyclo-converter and ac voltage converter) operations with the single converter.
2.1. Various Circuit Configurations: DC–DC Converter Operation
2.1.1. DC–DC Converter (Buck Mode)
Switching State 1
Switching State 2
2.1.2. DC–DC Converter (Boost Mode)
Switching Mode 1
Switching Mode 2
2.1.3. DC–DC Converter (Buck–Boost Mode)
Switching Mode 1
Switching Mode 2
2.2. Various Circuit Configurations: DC–AC Conversion (Inverter Operation)
2.3. Various Circuit Configurations: AC–DC Conversion (Rectifier Operation)
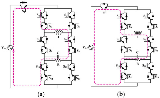
2.4. Various Circuit Configurations: AC–AC Conversion (AC Voltage Controller Operation)
2.5. Various Circuit Configurations: AC–AC Conversion (Cyclo-Converter Operation)
3. Parameter Design and Power Loss Analysis
3.1. Parameter Design Procedure
3.2. Power-Loss Analysis
3.3. Comparative Analysis
4. Results and Discussions
4.1. Simulation Results


4.2. Experimental Verification
5. Conclusions
Author Contributions
Funding
Institutional Review Board Statement
Informed Consent Statement
Data Availability Statement
Conflicts of Interest
References
- Zhang, H.; Dong, D.; Jing, M.; Liu, W.; Zheng, F.; Samiullah, M.D.; Atif, I.; Imtiaz, A.; Pandav Kira, M. Voltage Lift Switched Inductor Double Leg Converter with Extended Duty Ratio for DC Microgrid Application. IEEE Access 2021, 9, 85310–85325. [Google Scholar]
- Hsieh, Y.P.; Chen, J.F.; Liang, T.J.; Yang, L.S. Novel high step-up DC–DC converter with coupled-inductor and switched-capacitor techniques. IEEE Trans. Ind. Electron. 2017, 59, 998–1008. [Google Scholar] [CrossRef]
- Gupta, P.P.; Kishore, G.I.; Tripathi, R.K. Non-Isolated High Step Up in Voltage DC–DC Converter Topology for Renewable Applications. J. Circuits Syst. Comput. 2021, 3030, 1–27. [Google Scholar] [CrossRef]
- Banaei, M.R.; Bonab, H.A.F. A Novel Structure for Single Switch Non-Isolated Transformerless Buck-Boost DC-DC Converter. IEEE Trans. Ind. Electron. 2017, 64, 198–205. [Google Scholar] [CrossRef]
- Shen, H.; Zhang, B.; Qiu, D. Hybrid Z-Source Boost DC–DC Converters. IEEE Trans. Ind. Electron. 2017, 64, 310–319. [Google Scholar] [CrossRef]
- Jash, D.; Hitesh, C.; Tejas, B.; Mayuri, K.; Mohammad, S.S. Implementation of Universal Solar Charger for EV applications using a Cascaded Buck-Boost Converter. In Proceedings of the 2021 6th International Conference for Convergence in Technology (I2CT), Maharashtra, India, 2–4 April 2021; pp. 1–6. [Google Scholar]
- Mozaffari, H.; Niapour, S.A.K.; Mahshid, A. Extremely Sparse Parallel AC-Link Universal Power Converter. IEEE Trans. Power Electron. 2016, 52, 2456–2466. [Google Scholar] [CrossRef]
- Ehsan, A.; Amirabadi, M. An Input-Series Output-Parallel Modular Three-Phase AC-AC Capacitive-Link Universal Power Converter. IEEE Trans. Power Electron. 2021, 36, 13603–13620. [Google Scholar]
- Sathiyanathan, M.; Jaganathan, S.; Josephine, R.L. Design and Analysis of Universal Power Converter for Hybrid Solar and Thermoelectric Generators. J. Power Electron. 2019, 19, 220–233. [Google Scholar]
- Bor-Ren, L. Parallel Hybrid Converter with Wide Zero-Voltage Switching Range, Less Switches and Low Circulating Current Losses. In Proceedings of the International Conference on Applied System Innovation, Sapporo, Japan, 13–17 May 2017; pp. 1205–1208. [Google Scholar]
- Premkumar, M.; Sumithira, T.R. Design and Implementation of New Topology for Nonisolated DC–DC Microconverter with Effective Clamping Circuit. J. Circuits Syst. Comput. 2019, 28, 1950082–19500826. [Google Scholar] [CrossRef]
- Khan, M.A.A.; Chowdhury, M.A. Boost Hybrid Converter with Multiple Inductor Multiplier Cell. In Proceedings of the Third International Conference on Electrical Engineering and Information Communication Technology (ICEEICT), Dhaka, Bangladesh, 22–24 September 2016; pp. 1–6. [Google Scholar]
- Boris, A.; Yefim, B.; Adrian, I. Switched-Capacitor/Switched-Inductor Structures for Getting Transformerless Hybrid DC–DC PWM Converters. IEEE Trans. Circuits Syst. 2008, 55, 687–696. [Google Scholar]
- Milind, D.B.; Sanjay, S.D. A Buck-Boost topology-based hybrid converter for standalone nanogrid applications. In Proceedings of the Second International Conference on DC Microgrids (ICDCM), Nuremburg, Germany, 27–29 June 2017; pp. 502–506. [Google Scholar]
- Harfman-Todorovic, M.; Palma, L.P.; Enjeti, A. Hybrid DC-DC Converter for Fuel Cells Powered Laptop Computers. In Proceedings of the 37th Power Electronics Specialists Conference, Jeju, Korea, 18–22 June 2006; pp. 1–5. [Google Scholar]
- Dogga, S.; Surendar, V.; Ponnambalam, P.; Kumar, M.P. Boost Derived Hybrid Converter implementation using fuzzy controller. In Proceedings of the International Conference on Technological Advancements in Power and Energy (TAP Energy), Kollam, India, 24–26 June 2015; pp. 381–386. [Google Scholar]
- Vishwanatha, S.; Yogesh, V.H. Non-inverting buck-boost derived hybrid converter. In Proceedings of the International Conference on Emerging Trends in Electrical Electronics & Sustainable Energy Systems (ICETEESES), Sultanpur, India, 11–12 March 2016; pp. 234–240. [Google Scholar]
- Ajitha, T.; Thomas, A.J. Sepic derived hybrid converter with simultaneous AC and DC outputs. In Proceedings of the IEEE Annual India Conference (INDICON), Bangalore, India, 16–18 December 2016; pp. 1–6. [Google Scholar]
- Sarath, R.; Kanakasabapathy, P. Switched-Capacitor/ Switched-Inductor Cuk–Derived Hybrid Converter for Nanogrid Applications. In Proceedings of the International Conference on Computation of Power, Energy, Information and Communication, Chennai, India, 22–23 April 2015; pp. 430–434. [Google Scholar]
- Ray, O.; Mishra, S. Boost-derived hybrid converter with simultaneous DC and AC outputs. IEEE Trans. Ind. Appl. 2013, 50, 1082–1093. [Google Scholar] [CrossRef]
- Mahshid, A. A new class of universal power converters. In Proceedings of the 2015 IEEE Energy Conversion Congress and Exposition (ECCE), Montreal, QC, Canada, 29 October 2015; pp. 2596–2602. [Google Scholar]
- Kim, J.H.; Lee, I.O.; Moon, G.W. Analysis and Design of a Hybrid-Type Converter for Optimal Conversion Efficiency in Electric Vehicle Chargers. IEEE Trans. Ind. Electron. 2017, 64, 2789–2800. [Google Scholar] [CrossRef]
- Kim, Y.D.; Lee, I.O.; Cho, I.H.; Moon, G.W. Hybrid Dual Full-Bridge DC–DC Converter with Reduced Circulating Current, Output Filter, and Conduction Loss of Rectifier Stage for RF Power Generator Application. IEEE Trans. Power Electron. 2014, 29, 1069–1081. [Google Scholar]
- Zhang, J.; Zhao, C.; Zhao, S.; Wu, X. A Family of Single-Phase Hybrid Step-Down PFC Converters. IEEE Trans. Power Electron. 2017, 32, 5271–5781. [Google Scholar] [CrossRef]
- Dalla Vecchia, M.; Salvador, M.A.; Lazzarin, T.B. Hybrid Non-Isolated DC-DC Converters Derived from a Passive Switched-Capacitor Cell. IEEE Trans. Power Electron. 2017, 33, 3157–3168. [Google Scholar] [CrossRef]
- Krishnamurthy, H.K.; Ayyanar, R. Building Block Converter Module for Universal (AC-DC, DC-AC, DC-DC) Fully Modular Power Conversion Architecture. In Proceedings of the IEEE Power Electronics Specialists Conference, Orlando, FL, USA, 8 October 2007; pp. 483–489. [Google Scholar]
- Oleksandr, H.; Matiushkin, O.; Vinnikov, D.; Roncero-Clemente, C.; Kouro, S. Novel Concept of Solar Converter with Universal Applicability for DC and AC Microgrids. IEEE Trans. Ind. Electron. 2021, 69, 4329–4341. [Google Scholar]
- Alexander, W.C. Universal Power Converter. U.S. Patent 7,599,196, 6 October 2009. [Google Scholar]
- Marian, K.K. Pulse-Width Modulated DC–DC Power Converters, 1st ed.; John Wiley and Sons Inc.: Hoboken, NJ, USA, 2008. [Google Scholar]
- Sandeep, N.; Udaykumar, R. Operation and Control of a Nine-Level Modified ANPC Inverter Topology with Reduced Part Count for Grid-Connected Applications. IEEE Trans. Ind. Electron. 2018, 65, 4810–4818. [Google Scholar] [CrossRef]
















| Output Frequency | Mode of Operation during Input Supply | Output Pulse Polarity | Switches Conducting | |
|---|---|---|---|---|
| f/2 | Positive half cycle | Mode.1 | Positive | S1, S2, S7, and S10 |
| Negative half cycle | Mode.4 | Positive | S12, S9, and S4 | |
| Positive half cycle | Mode.3 | Negative | S1, S3, S6, and S11 | |
| Negative half cycle | Mode.2 | Negative | S13, S8, and S5 | |
| f/3 | Positive half cycle | Mode.1 | Positive | S1, S2, S7, and S10 |
| Negative half cycle | Mode.4 | Positive | S12, S9, and S4 | |
| Positive half cycle | Mode.1 | Positive | S1, S2, S7, and S10 | |
| Negative half cycle | Mode.2 | Negative | S13, S8, and S5 | |
| Positive half cycle | Mode.3 | Negative | S1, S3, S6, and S11 | |
| Negative half cycle | Mode.2 | Negative | S13, S8, and S5 | |
| f/4 | Positive half cycle | Mode.1 | Positive | S1, S2, S7, and S10 |
| Negative half cycle | Mode.4 | Positive | S12, S9, and S4 | |
| Positive half cycle | Mode.1 | Positive | S1, S2, S7, and S10 | |
| Negative half cycle | Mode.4 | Positive | S12, S9, and S4 | |
| Positive half cycle | Mode.3 | Negative | S1, S3, S6, and S11 | |
| Negative half cycle | Mode.2 | Negative | S13, S8, and S5 | |
| Positive half cycle | Mode.3 | Negative | S1, S3, S6, and S11 | |
| Negative half cycle | Mode.2 | Negative | S13, S8, and S5 | |
| Step-Up Output Frequency | Mode of Operation during Input Supply | Output Pulse Polarity | Mode of Operation | Switches Conducting | |
|---|---|---|---|---|---|
| 2 × f | Positive half cycle | P1 | Positive | Mode.1 | S1, S2, S7, and S10 |
| N1 | Negative | Mode.3 | S1, S3, S6, and S11 | ||
| P2 | Positive | Mode.1 | S1, S2, S7, and S10 | ||
| N2 | Negative | Mode.3 | S1, S3, S6, and S11 | ||
| Negative half cycle | P3 | Positive | Mode.4 | S12, S9, and S4 | |
| N3 | Negative | Mode.2 | S13, S8, and S5 | ||
| P4 | Positive | Mode.4 | S12, S9, and S4 | ||
| N4 | Negative | Mode.2 | S13, S8, and S5 | ||
| 3 × f | Positive half cycle | P1 | Positive | Mode.1 | S1, S2, S7, and S10 |
| N1 | Negative | Mode.3 | S1, S3, S6, and S11 | ||
| P2 | Positive | Mode.1 | S1, S2, S7, and S10 | ||
| N2 | Negative | Mode.3 | S1, S3, S6, and S11 | ||
| P3 | Positive | Mode.1 | S1, S2, S7, and S10 | ||
| N3 | Negative | Mode.3 | S1, S3, S6, and S11 | ||
| Negative half cycle | P4 | Positive | Mode.4 | S12, S9, and S4 | |
| N4 | Negative | Mode.2 | S13, S8, and S5 | ||
| P5 | Positive | Mode.4 | S12, S9, and S4 | ||
| N5 | Negative | Mode.2 | S13, S8, and S5 | ||
| P6 | Positive | Mode.4 | S12, S9, and S4 | ||
| N6 | Negative | Mode.2 | S13, S8, and S5 | ||
| Parameter | DC–DC Converter | Inverter | Rectifier | AC Voltage Controller | Cyclo-Converter |
|---|---|---|---|---|---|
| Input voltage (VDC) | 50 | 50 | 48 V | 48 V | 48 V |
| Output currents (I0) | 2 A | 2 A | 4.2 A | 4.2 A | 2 A |
| Output power (P0) | 60 W | 150 W | 150 W | 150 W | 150 W |
| Switching frequency (f) | 10 kHz | 10 kHz | 50 Hz | 50 Hz | 25 Hz |
| Inductor (L) | 3 mH | 10 mH | 3 mH | 3 mH | 3 mH |
| Capacitor I | 600 µF | 470 µF | 470 µF | 470 µF | 470 µF |
| Name of the Components | Ref. [9] | Ref. [17] | Ref. [18] | Ref. [20] | Ref. [25] | Proposed |
|---|---|---|---|---|---|---|
| Switches | 9 | 5 | 4 | 4 | 12 | 13 |
| Diodes | 0 | 2 | 1 | 1 | 0 | 0 |
| Inductors | 1 (coupled) | 1 | 4 | 3 | 2-(Inductors), 1-(Coupled) | 1 |
| Capacitors | 2 | 1 | 3 | 2 | 2 | 1 |
| Modes of Operation | DC–AC and DC–DC | DC–AC and DC–DC | DC–AC and DC–DC | DC–AC and DC–DC | DC–DC, DC–AC, and AC–DC | DC–DC, DC–AC, AC–DC, AC–AC, and cyclo-converter |
Publisher’s Note: MDPI stays neutral with regard to jurisdictional claims in published maps and institutional affiliations. |
© 2022 by the authors. Licensee MDPI, Basel, Switzerland. This article is an open access article distributed under the terms and conditions of the Creative Commons Attribution (CC BY) license (https://creativecommons.org/licenses/by/4.0/).
Share and Cite
Mudadla, D.; Potnuru, D.; Satish, R.; Abdelaziz, A.Y.; El-Shahat, A. New Class of Power Converter for Performing the Multiple Operations in a Single Converter: Universal Power Converter. Energies 2022, 15, 6293. https://doi.org/10.3390/en15176293
Mudadla D, Potnuru D, Satish R, Abdelaziz AY, El-Shahat A. New Class of Power Converter for Performing the Multiple Operations in a Single Converter: Universal Power Converter. Energies. 2022; 15(17):6293. https://doi.org/10.3390/en15176293
Chicago/Turabian StyleMudadla, Dhananjaya, Devendra Potnuru, Raavi Satish, Almoataz Y. Abdelaziz, and Adel El-Shahat. 2022. "New Class of Power Converter for Performing the Multiple Operations in a Single Converter: Universal Power Converter" Energies 15, no. 17: 6293. https://doi.org/10.3390/en15176293
APA StyleMudadla, D., Potnuru, D., Satish, R., Abdelaziz, A. Y., & El-Shahat, A. (2022). New Class of Power Converter for Performing the Multiple Operations in a Single Converter: Universal Power Converter. Energies, 15(17), 6293. https://doi.org/10.3390/en15176293

