Reliability Analysis of MV Electric Distribution Networks Including Distributed Generation and ICT Infrastructure
Abstract
:1. Introduction
2. Problem Statement
- SAIFI is the System Average Interruption Frequency Index, which provides the average number of interruptions, above 3 min, in the system that a customer experiences during the observation period, mostly in one year. The index is a dimensionless number and can be calculated as follows [52,53]:where Ni is the number of customers interrupted by i-th outage in the observation period and NT is the total number of customers in considered system.
- CAIFI (Customer Average Interruption Frequency Index)—total number of all interruptions, above 3 min, divided by the total number of consumers affected by an interruption in the analyzed system. CAIFI can be calculated as follows [53,54]:where CN is the total number of consumers, which experienced one or more outages.
- SAIDI is the System Average Interruption Duration Index, and it measures the total duration of an interruption, above 3 min, for the average customer during a given time period. It is normally calculated for the period of one year and presents customer minutes or hours of interruption. Mathematical representation of SAIDI is given in Equation (3) [52,53]:where ri is restoration time and failure duration in the case of consumers interrupted by i-th outage.
- CAIDI, the Customer Average Interruption Duration Index represents the average time required to restore service after an outage occurs, which indicates how long an average interruption, above 3 min, lasts. It measures the duration of time that the customer is de-energized per interruption. To calculate the index Equation (4) can be used [52,53]:
- ASUI (Average Service Unavailability Index)—the probability of having one or more loads interrupted, which can be calculated as follows [54]:
3. Reliability Models of Electric Distribution System Components
- Minimal cut-set,
- Zone branch,
- Fault tree,
- Discrete event simulation (Monte Carlo),
- Boolean algebra,
- Failure mode effects and criticality analysis (FMECA),
- Markov and semi-Markov models,
- Stochastic Petri nets.
3.1. Electrical Power Devices
- Exponential EXP (λ), λ > 0, λ—the rate parameter;
- Weibull WEI (λ, β), λ > 0, β > 0, λ—the scale parameter, β—the shape parameter;
- Gamma GAM (b, p), b > 0, p > 0, b—the rate (scale) parameter, p—the shape parameter;
- Normal NOR (μ, σ), μ ≥ 0, σ > 0, μ—the expected value, σ—the standard deviation;
- Pareto PAR (b, δ), b > 0, δ > 0, b—the scale parameter, δ—the shape parameter;
- Gumbel GUM (b0, t0), b0 > 0, t0 ≥ 0, b0—the scale parameter, t0—the location parameter;
- Log-normal LNOR (μ0, σ0), μ0 ≥ 0, σ0 > 0, μ0—the expected value of natural logarithm, σ0—the standard deviation of natural logarithm.
3.2. Distributed Generation Sources
- Sources based on conventional energy carriers, such as diesel oil, gas, biogas, etc.,
- Sources based on renewable energy carriers, such as wind, solar radiation, water, etc.
3.2.1. Conventional Energy Sources
- Engine-driven generators,
- Turbine-driven generators,
- Microturbines,
- Fuel cells.
- Two-state model—in case of continuous service; determined by the failure rate λ and the repair rate μ,
- Four-state model—in case of peak service; shown in Figure 1
3.2.2. Renewable Energy Sources
3.3. Information and Communication Devices
3.4. Interdependencies Modeling of Coupled Electric Power System and ICT Infrastructures
- Connection of an electric node with another electric node, which characterize typical power flow in the electric power grid;
- Connection of a communication node with another communication node that corresponds to a data flow;
- Connection of an electric node to a communication node that represents an electricity supply for the ICT infrastructure;
- Connection of a communication node to an electric node which is responsible for sending and requesting information to and from the power system component.
3.5. Tool for Reliability Analysis
- Automatic stand-by switching on (ASS),
- Fault clearance by using protection equipment,
- Automatic power restoration (APR) by opening separating switches (fault separation) and closing normally open switches.
4. Reliability Analysis of Electric Power Network
4.1. Assumptions and Limitations
4.2. Results of Test Calculations
4.3. Observations
- Looking at the reliability indices calculated for UDN and RDN one can certainly state that location and type of DG source does not directly affect the power supply reliability. The APR application in UDN definitely improves all the investigated reliability indices, i.e., SAIFI, CAIFI, SAIDI, CAIDI, EENS, ASAI, ASUI).
- Three considered variants of DG source location in AMDN have been compared. Looking at ASAI index, the highest value is for “AMDN_1” and the lowest one is for “AMDN_2”. There is also an impact of DG types on both the interruption frequency and interruption duration.
- An impact of DG type on reliability indices is also noticeable for DNMG. For all considered DNMG variants, the lowest ASAI value is observed in “Case_3” with WTPP and PVPP connected to a microgrid. Analyzing three variants of microgrid locations, the highest ASAI value is observed for “DNMG_1”. In addition, “DNMG_3” characterizes the lowest value of ASAI index.
- Both the interruption frequency (SAIFI, CAIFI) and interruption duration (SAIDI, CAIDI) for UDN are lower than for RDN.
- The interruption frequency (SAIFI, CAIFI) calculated for RDN is about tenfold higher than for AMDN with DG unit connected (except the variant AMDN_3 in which the ratio is about four). An interesting observation about interruption durations is made. The values of CAIDI index are almost comparable to one another, but the SAIDI for AMDN is over twelvefold lower than for RDN structure. This observation shows the strongly irregular distribution of the repair duration in the analyzed AMDN structure.
- DNMG with connected LV microgrids does not significantly improve the power supply reliability in comparison to UDN with APR.
5. Smart Grid Reliability Assessment
5.1. Model Structure
5.2. The Algorithm Used
5.3. Simulation Results
6. Conclusions
- Power supply continuity is higher when DG sources are based on conventional fuels (gas, diesel oil, etc.). The installation of renewable DG units (energy carriers that are hard to forecast) delivers worse results.
- Types of microsources in distribution networks with connected LV microgrids affect the reliability indices. This is noticeable in installed microsources based on energy carriers dependent on weather conditions.
- The location of DG sources in distribution systems also affects electrical service reliability. The most favorable reliability indices are obtained when the potential maximum number of energy consumers are double-feed (loop: transformer substation—DG unit). In case of aggregation of supplying sources at the one network busbar or terminal, worse reliability indices are observed.
- The appropriate level of DG power generation is a significant issue. The DG power available ensures peak loads are covered. The level of power generation is often limited by branch power capacity and maximum allowable voltage deviation. Active voltage regulation in power transformers can resolve voltage level problems.
Author Contributions
Funding
Informed Consent Statement
Data Availability Statement
Acknowledgments
Conflicts of Interest
Abbreviation
| AMDN | Active managed distribution network |
| APR | Automatic power restoration |
| AR | Automatic reclosing |
| ASAI | Average service availability index |
| ASUI | Average service unavailability index |
| ASS | Automatic stand-by switching on |
| AVR | Automatic voltage regulator |
| BES | Battery energy storage |
| BTPP | Biogas-turbine power plant |
| CAIDI | Customer average interruption duration index |
| CAIFI | Customer average interruption frequency index |
| DG | Distributed generation |
| DGU | Distributed generation unit |
| DNMG | Urban distribution network with connected microgrids |
| EDG | Engine-driven generator |
| EENS | Expected energy not supplied |
| EPS | Electric power system |
| ET | Electric traction substation |
| EXP | Exponential |
| FC | Fuel cell |
| FMECA | Failure mode effects and criticality analysis |
| GAM | Gamma |
| GT | Grounding transformer |
| GTPP | Gas-turbine power plant |
| GUM | Gumbel |
| HL | Hierarchical level |
| ICT | Information and communication technology |
| IEC | International Electrotechnical Commission |
| IP | Industrial park |
| IT | Information technology |
| LNOR | Log-normal |
| LTE | Long term evolution |
| LV | Low voltage |
| MG | Microgrid |
| MG(G) | Microgrid generation |
| MG(L) | Microgrid load |
| MT | Microturbine |
| MTBF | Mean time between failure |
| MTTR | Mean time to repair |
| MV | Medium voltage |
| MVUS | MV urban distribution substation |
| NOR | Normal |
| PAR | Pareto |
| PF | PowerFactory software |
| PFCB | PFC capacitor bank |
| PLC | Programmable logic controller |
| PMU | Phasor measurement unit |
| PS | Power system |
| PV | Photovoltaic |
| PVPP | Photovoltaic power plant |
| QoS | Quality of service |
| RDN | Rural distribution network |
| RES | Renewable energy source |
| RTU | Remote terminal unit |
| R&PU | Residential and public utility |
| SCADA | Supervisory control and data acquisition |
| SAIDI | System average interruption duration index |
| SAIFI | System average interruption frequency index |
| SG | Smart grid |
| SHPP | Small hydro power plant |
| TDG | Turbine-driven generator |
| TTF | Time to failure |
| TTR | Time to repair |
| UDN | Urban distribution network |
| WEI | Weibull |
| WTPP | Wind-turbine power plant |
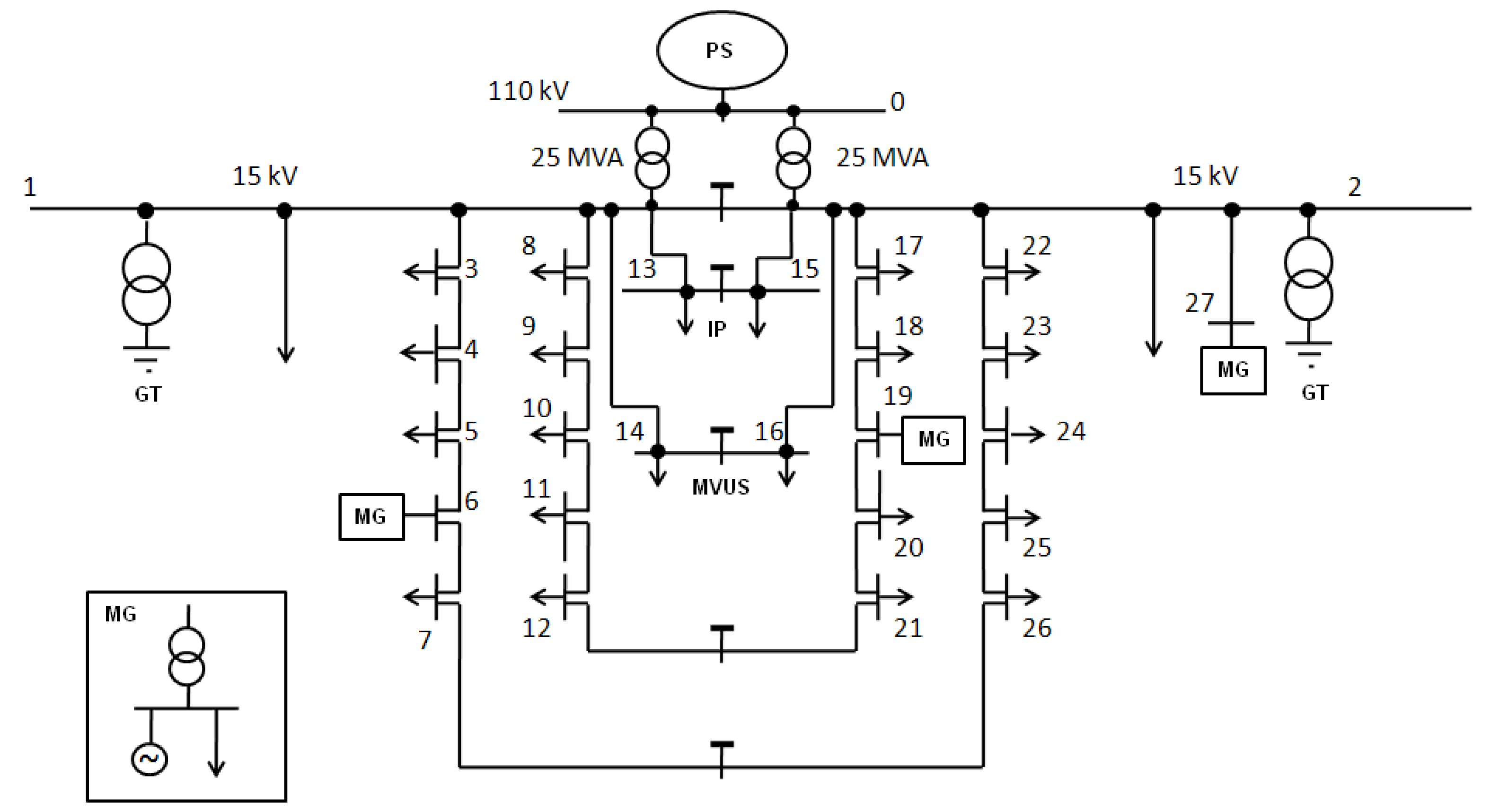
Appendix A. UDN Structure

| Node No. | PLOAD/PGEN [kW] | QLOAD [kvar] | Load/ DG Type | Node No. | PLOAD/PGEN [kW] | QLOAD [kvar] | Load/ DG Type |
|---|---|---|---|---|---|---|---|
| 1 | 5000 | 1500 | R&PU | 15 | 4700 | 1700 | R&PU |
| 2 | 5000 | 1500 | R&PU | 16 | 200 | - | MT |
| 3 | 1200 | - | GTPP | 16 | 1080 | 420 | IP |
| 4 | 510 | 185 | R&PU | 17 | 4650 | 1835 | R&PU |
| 5 | 530 | 210 | R&PU | 18 | 545 | 215 | R&PU |
| 5 | 30 | - | BES | 19 | 310 | 120 | R&PU |
| 5 | 51 | - | PVPP | 20 | 315 | 115 | R&PU |
| 6 | 305 | 120 | R&PU | 21 | 335 | 110 | R&PU |
| 7 | 300 | 110 | R&PU | 21 | 51 | - | PVPP |
| 8 | 530 | 210 | R&PU | 22 | 540 | 195 | ET |
| 9 | 320 | 115 | R&PU | 23 | 495 | 180 | R&PU |
| 10 | 540 | 210 | R&PU | 24 | 535 | 195 | R&PU |
| 11 | 495 | 180 | R&PU | 25 | 325 | 105 | R&PU |
| 12 | 340 | 110 | R&PU | 25 | 51 | - | PVPP |
| 12 | 51 | - | PVPP | 25 | 30 | - | BES |
| 13 | 300 | 120 | R&PU | 26 | 325 | 105 | R&PU |
| 14 | 1060 | 415 | IP | 27 | 540 | 195 | R&PU |
| 14 | 200 | - | MT | 28 | 1200 | - | GTPP |

| From Node No. | To Node No. | Line Type | Length [m] | From Node No. | To Node No. | Line Type | Length [m] |
|---|---|---|---|---|---|---|---|
| 1 | 3 | 3xXUHAKXS1 × 120 | 2000 | 1 | 15 | HAKnFty 3 × 240 | 3000 |
| 1 | 4 | 3xYHAKXS1 × 120 | 110 | 2 | 16 | HAKnFty 3 × 120 | 1600 |
| 4 | 5 | 3xYHAKXS1 × 120 | 250 | 2 | 17 | HAKnFty 3 × 240 | 3000 |
| 5 | 6 | 3xYHAKXS1 × 120 | 100 | 2 | 28 | 3xYHAKXS 1 × 120 | 190 |
| 6 | 7 | 3xYHAKXS1 × 120 | 130 | 18 | 19 | 3xYHAKXS 1 × 120 | 100 |
| 7 | 8 | 3xYHAKXS1 × 120 | 160 | 19 | 20 | 3xYHAKXS 1 × 120 | 110 |
| 8 | 27 | 3xYHAKXS1 × 120 | 170 | 20 | 21 | 3xYHAKXS 1 × 120 | 130 |
| 1 | 9 | 3xYHAKXS1 × 120 | 200 | 21 | 22 | 3xYHAKXS 1 × 120 | 80 |
| 9 | 10 | 3xYHAKXS1 × 120 | 120 | 2 | 23 | 3xYHAKXS 1 × 120 | 120 |
| 10 | 11 | 3xYHAKXS1 × 120 | 140 | 23 | 24 | 3xYHAKXS 1 × 120 | 200 |
| 11 | 12 | 3xYHAKXS1 × 120 | 170 | 24 | 25 | 3xYHAKXS 1 × 120 | 80 |
| 12 | 13 | 3xYHAKXS1 × 120 | 80 | 25 | 26 | 3xYHAKXS 1 × 120 | 140 |
| 13 | 22 | 3xYHAKXS1 × 120 | 140 | 26 | 27 | 3xYHAKXS 1 × 120 | 90 |
| 1 | 14 | HAKnFty 3 × 120 | 1600 | 2 | 28 | 3xXUHAKXS1 × 120 | 2500 |
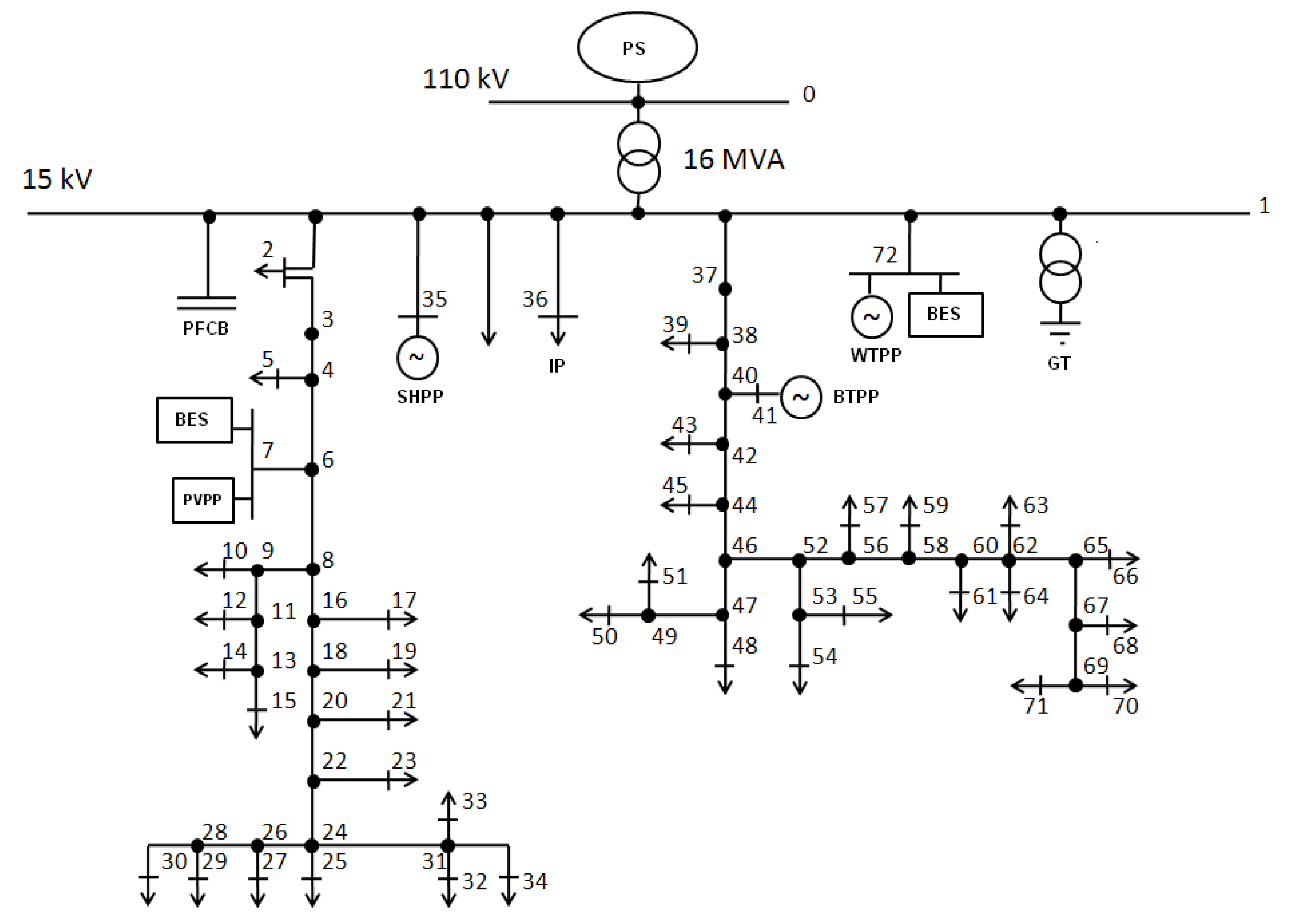
Appendix B. RDN Structure

| Node No. | PLOAD/PGEN [kW] | QLOAD [kvar] | Load/ DG Type | Node No. | PLOAD/PGEN [kW] | QLOAD [kvar] | Load/ DG type |
|---|---|---|---|---|---|---|---|
| 1 | 4000 | 1400 | R&PU | 36 | 1595 | 580 | IP |
| 2 | 565 | 185 | R&PU | 39 | 335 | 120 | R&PU |
| 5 | 210 | 75 | R&PU | 41 | 1200 | - | BTPP |
| 7 | 85 | 30 | R&PU | 43 | 135 | 50 | R&PU |
| 7 | 200 | - | PVPP | 45 | 140 | 45 | R&PU |
| 7 | 200 | - | BES | 48 | 75 | 30 | R&PU |
| 10 | 145 | 45 | R&PU | 50 | 135 | 50 | R&PU |
| 12 | 135 | 50 | R&PU | 51 | 200 | 75 | R&PU |
| 14 | 125 | 40 | R&PU | 54 | 190 | 75 | R&PU |
| 15 | 190 | 70 | R&PU | 55 | 210 | 75 | IP |
| 17 | 205 | 80 | R&PU | 57 | 135 | 50 | R&PU |
| 19 | 125 | 50 | R&PU | 59 | 75 | 30 | R&PU |
| 21 | 125 | 45 | IP | 61 | 210 | 75 | R&PU |
| 23 | 75 | 30 | R&PU | 63 | 215 | 75 | R&PU |
| 25 | 200 | 75 | R&PU | 64 | 140 | 45 | R&PU |
| 27 | 225 | 75 | R&PU | 66 | 200 | 70 | R&PU |
| 29 | 120 | 45 | R&PU | 68 | 125 | 50 | R&PU |
| 30 | 125 | 50 | R&PU | 70 | 140 | 45 | R&PU |
| 32 | 120 | 50 | R&PU | 71 | 85 | 30 | R&PU |
| 33 | 130 | 45 | R&PU | 72 | 2400 | - | WTPP |
| 34 | 90 | 30 | R&PU | 72 | 500 | - | BES |
| 35 | 2000 | - | SHPP | - | - | - | - |
| From Node No. | To Node No. | Line Type | Length [m] | From Node No. | To Node No. | Line Type | Length [m] |
|---|---|---|---|---|---|---|---|
| 1 | 2 | 3xYHAKXS 1 × 120 | 500 | 1 | 37 | 3xYHAKXS1 × 120 | 450 |
| 2 | 3 | 3xYHAKXS 1 × 120 | 150 | 37 | 38 | 70 AFL | 200 |
| 3 | 4 | 70 AFL | 160 | 38 | 39 | 50 AFL | 100 |
| 4 | 5 | 50 AFL | 130 | 38 | 40 | 70 AFL | 150 |
| 4 | 6 | 70 AFL | 200 | 40 | 41 | 70 AFL | 90 |
| 6 | 7 | 50 AFL | 50 | 40 | 42 | 70 AFL | 180 |
| 6 | 8 | 70 AFL | 120 | 42 | 43 | 50 AFL | 70 |
| 8 | 9 | 50 AFL | 310 | 42 | 44 | 70 AFL | 180 |
| 9 | 10 | 50 AFL | 60 | 44 | 45 | 50 AFL | 120 |
| 9 | 11 | 50 AFL | 210 | 44 | 46 | 70 AFL | 210 |
| 11 | 12 | 50 AFL | 80 | 46 | 47 | 50 AFL | 200 |
| 11 | 13 | 50 AFL | 160 | 47 | 48 | 50 AFL | 90 |
| 13 | 14 | 50 AFL | 50 | 47 | 49 | 50 AFL | 150 |
| 13 | 15 | 50 AFL | 120 | 49 | 50 | 50 AFL | 90 |
| 8 | 16 | 70 AFL | 160 | 49 | 51 | 50 AFL | 110 |
| 16 | 17 | 50 AFL | 100 | 46 | 52 | 70 AFL | 140 |
| 16 | 18 | 70 AFL | 180 | 52 | 53 | 50 AFL | 200 |
| 18 | 19 | 50 AFL | 90 | 53 | 54 | 50 AFL | 60 |
| 18 | 20 | 70 AFL | 210 | 53 | 55 | 50 AFL | 190 |
| 20 | 21 | 50 AFL | 160 | 52 | 56 | 70 AFL | 210 |
| 20 | 22 | 70 AFL | 130 | 56 | 57 | 50 AFL | 120 |
| 22 | 23 | 50 AFL | 110 | 56 | 58 | 70 AFL | 130 |
| 22 | 24 | 70 AFL | 120 | 58 | 59 | 50 AFL | 70 |
| 24 | 25 | 50 AFL | 140 | 58 | 60 | 70 AFL | 200 |
| 24 | 26 | 50 AFL | 180 | 60 | 61 | 50 AFL | 130 |
| 26 | 27 | 50 AFL | 160 | 60 | 62 | 70 AFL | 160 |
| 26 | 28 | 50 AFL | 150 | 62 | 63 | 50 AFL | 200 |
| 28 | 29 | 50 AFL | 70 | 62 | 64 | 50 AFL | 130 |
| 28 | 30 | 50 AFL | 290 | 62 | 65 | 50 AFL | 140 |
| 24 | 31 | 50 AFL | 200 | 65 | 66 | 50 AFL | 210 |
| 31 | 32 | 50 AFL | 120 | 65 | 67 | 50 AFL | 140 |
| 31 | 33 | 50 AFL | 60 | 67 | 68 | 50 AFL | 80 |
| 31 | 34 | 50 AFL | 300 | 67 | 69 | 50 AFL | 120 |
| 1 | 35 | 3xYHAKXS 1 × 120 | 4000 | 69 | 70 | 50 AFL | 90 |
| 1 | 36 | 3xYHAKXS 1 × 120 | 2500 | 69 | 71 | 50 AFL | 200 |
| 24 | 31 | 50 AFL | 200 | 1 | 72 | 3xYHAKXS1 × 120 | 3000 |
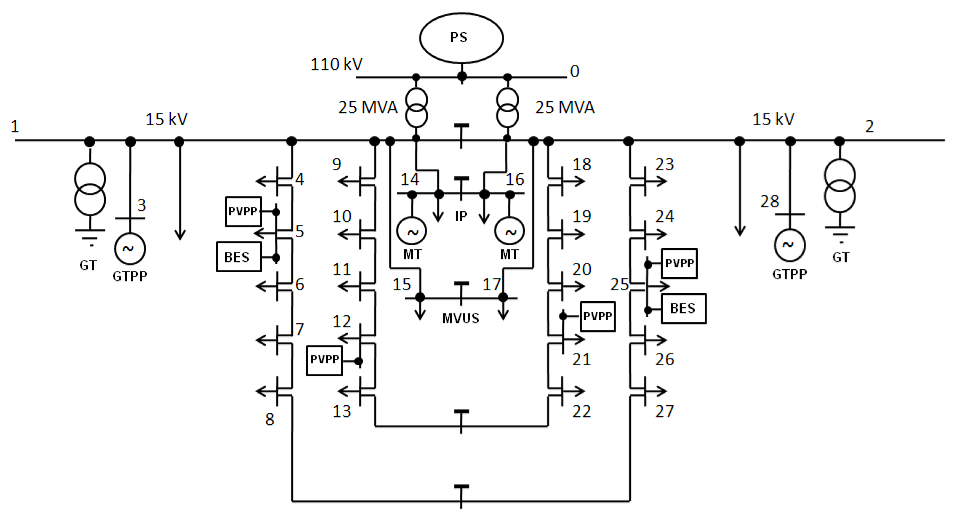
Appendix C. DNMG Structure

| Node No. | PLOAD/PGEN [kW] | QLOAD [kvar] | Load/ DG Type | Node No. | PLOAD/PGEN [kW] | QLOAD [kvar] | Load/ DG Type |
|---|---|---|---|---|---|---|---|
| 1 | 5000 | 1500 | R&PU | 16 | 4650 | 1835 | R&PU |
| 3 | 510 | 185 | R&PU | 17 | 545 | 215 | R&PU |
| 4 | 530 | 210 | R&PU | 18 | 310 | 120 | R&PU |
| 5 | 305 | 120 | R&PU | 19 | 580 | 145 | MG(L) |
| 6 | 580 | 145 | MG(L) | 19 | 200 | - | MG(G) |
| 6 | 200 | - | MG(G) | 20 | 335 | 110 | R&PU |
| 7 | 530 | 210 | R&PU | 21 | 540 | 195 | R&PU |
| 8 | 320 | 115 | R&PU | 22 | 495 | 180 | R&PU |
| 9 | 540 | 210 | R&PU | 23 | 535 | 195 | R&PU |
| 10 | 495 | 180 | R&PU | 24 | 325 | 105 | R&PU |
| 11 | 340 | 110 | R&PU | 25 | 325 | 105 | R&PU |
| 12 | 300 | 120 | R&PU | 26 | 540 | 195 | R&PU |
| 13 | 1060 | 415 | IP | 2 | 5000 | 1500 | R&PU |
| 14 | 4700 | 1700 | R&PU | 27 | 580 | 145 | MG(L) |
| 15 | 1080 | 420 | IP | 27 | 200 | - | MG(G) |
| From Node No. | To Node No. | Length [m] | From Node No. | To Node No. | Length [m] |
|---|---|---|---|---|---|
| 1 | 3 | 110 | 2 | 15 | 1600 |
| 3 | 4 | 250 | 2 | 16 | 3000 |
| 4 | 5 | 100 | 2 | 17 | 190 |
| 5 | 6 | 130 | 17 | 18 | 100 |
| 6 | 7 | 160 | 18 | 19 | 110 |
| 7 | 26 | 170 | 19 | 20 | 130 |
| 1 | 8 | 200 | 20 | 21 | 80 |
| 8 | 9 | 120 | 2 | 22 | 120 |
| 9 | 10 | 140 | 22 | 23 | 200 |
| 10 | 11 | 170 | 23 | 24 | 80 |
| 11 | 12 | 80 | 24 | 25 | 140 |
| 12 | 21 | 140 | 25 | 26 | 90 |
| 1 | 13 | 1600 | 2 | 27 | 2500 |
| 1 | 14 | 3000 |
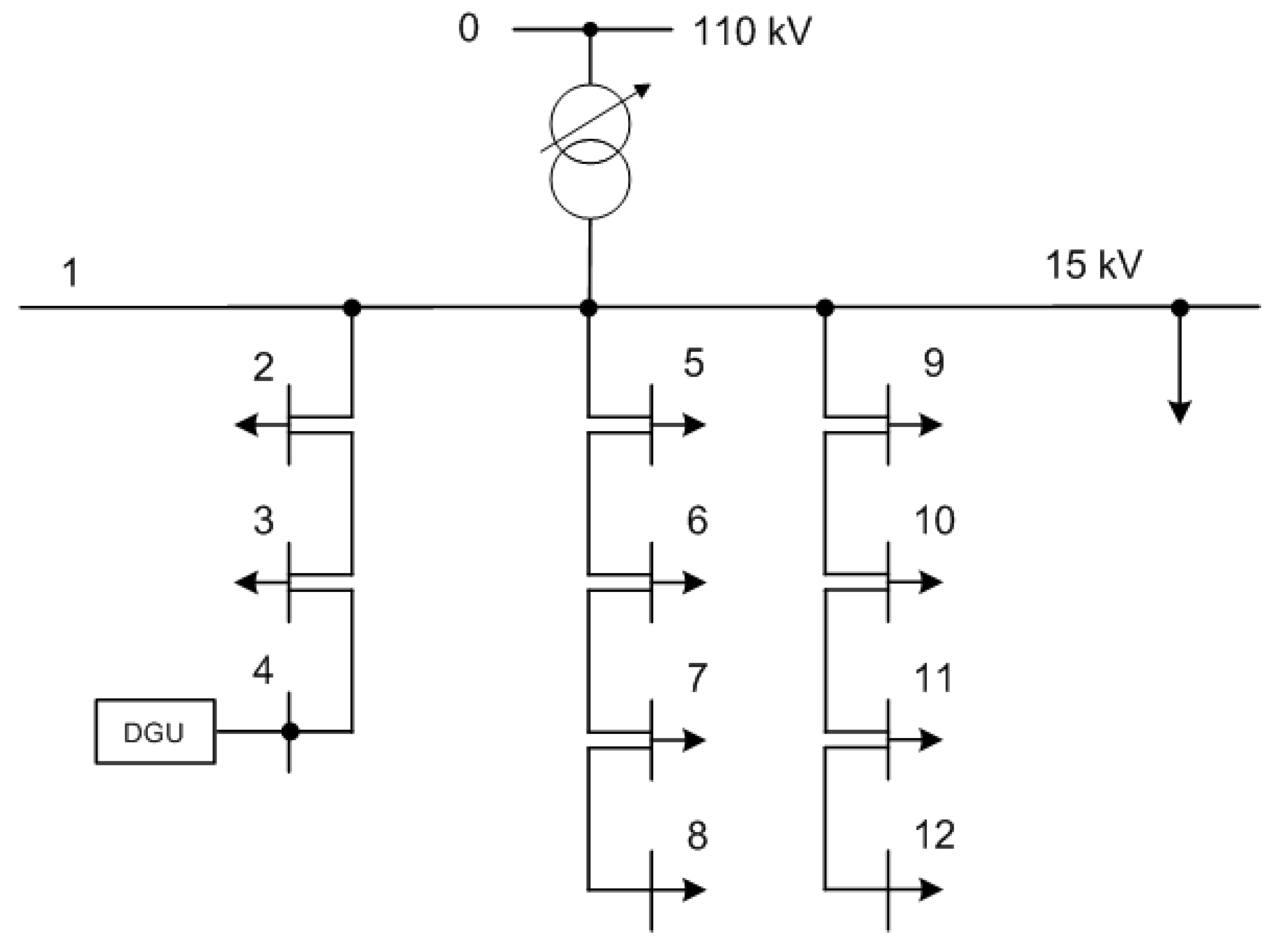
Appendix D. AMDN Structure

| Node No. | PLOAD/PGEN [kW] | QLOAD [kvar] | Load/ DG Type | Node No. | PLOAD/PGEN [kW] | QLOAD [kvar] | Load/ DG Type |
|---|---|---|---|---|---|---|---|
| 1 | 7000 | 2100 | R&PU | 8 | 400 | 130 | R&PU |
| 2 | 400 | 130 | R&PU | 9 | 450 | 150 | R&PU |
| 3 | 500 | 165 | R&PU | 10 | 550 | 165 | R&PU |
| 5 | 450 | 135 | R&PU | 11 | 1600 | 640 | IP |
| 6 | 2000 | 800 | IP | 12 | 400 | 120 | R&PU |
| 7 | 550 | 165 | R&PU |
| From Node No. | To Node No. | Length [m] | From Node No. | To Node No. | Length [m] |
|---|---|---|---|---|---|
| 1 | 2 | 500 | 7 | 8 | 140 |
| 2 | 3 | 150 | 1 | 9 | 300 |
| 3 | 4 | 250 | 9 | 10 | 140 |
| 1 | 5 | 400 | 10 | 11 | 180 |
| 5 | 6 | 150 | 11 | 12 | 120 |
Appendix E. Smart Grid Structure
References
- Chowdhury, A.; Koval, D. Power Distribution System Reliability. In Practical Methods and Applications; John Wiley & Sons, Inc. Publication: Hoboken, NJ, USA, 2009. [Google Scholar]
- Fotuhi-Firuzabad, M.; Rajabi-Ghahnavie, A. An Analytical Method to Consider DG Impacts on Distribution System Reliability. In Proceedings of the 2005 IEEE/PES Transmission & Distribution Conference & Exhibition: Asia and Pacific, Dalian, China, 18 August 2005. [Google Scholar]
- Bae, I.-S.; Kim, J.-O. Reliability Evaluation of Distributed Generation Based on Operation Mode. IEEE Trans. Power Syst. 2007, 22, 785–790. [Google Scholar] [CrossRef]
- Hlatshwayo, M.; Chowdhury, S.; Chowdhury, S.P.; Awodele, K.O. Reliability Enhancement of Radial Distribution Systems with DG Penetration. In Proceedings of the 45th International Universities Power Engineering Conference UPEC2010, Cardiff, UK, 31 August–3 September 2010. [Google Scholar]
- Atwa, Y.M.; El-Saadany, E.F. Reliability Evaluation for Distributed System with Renewable Distributed Generation During Islanded Mode of Operation. IEEE Trans. Power Syst. 2009, 24, 572–581. [Google Scholar] [CrossRef]
- Martinez-Velasco, J.A.; Guerra, G. Reliability Analysis of Distribution Systems with Photovoltaic Generation Using a Power Flow Simulator and a Parallel Monte Carlo Approach. Energies 2016, 9, 537. [Google Scholar] [CrossRef] [Green Version]
- Escalera, A.; Castronuovo, E.D.; Prodanović, M.; Roldán-Pérez, J. Reliability Assessment of Distribution Networks with Optimal Coordination of Distributed Generation, Energy Storage and Demand Management. Energies 2019, 12, 3202. [Google Scholar] [CrossRef] [Green Version]
- Kumar, S.; Sarita, K.; Vardhan, A.S.S.; Elavarasan, R.M.; Saket, R.K.; Das, N. Reliability Assessment of Wind-Solar PV Integrated Distribution System Using Electrical Loss Minimization Technique. Energies 2020, 13, 5631. [Google Scholar] [CrossRef]
- Ndawula, M.B.; Djokic, S.Z.; Hernando-Gil, I. Reliability Enhancement in Power Networks under Uncertainty from Distributed Energy Resources. Energies 2019, 12, 531. [Google Scholar] [CrossRef] [Green Version]
- Kebede, F.; Olivier, J.-C.; Bourguet, S.; Machmoum, M. Reliability Evaluation of Renewable Power Systems through Distribution Network Power Outage Modelling. Energies 2021, 14, 3225. [Google Scholar] [CrossRef]
- Verbo, P.; Järventausta, P.; Kiviko, K.; Pylvänäinen, J.; Partanen, J.; Lassila, J.; Honkapuro, S.; Kaipia, T. Applying Reliability Analysis in Evaluation of Life-Cycle Costs of Alternative Network Solutions. In Proceedings of the FPS 2005 International Conference on Future Power Systems, Amsterdam, The Netherlands, 16–18 November 2005; pp. 1–4. [Google Scholar]
- Conti, S.; Rizzo, S.A.; El-Saadany, E.F.; Essam, M.; Atwa, Y.M. Reliability Assessment of Distribution Systems Considering Telecontrolled Switches and Microgrids. IEEE Trans. Power Syst. 2014, 29, 598–607. [Google Scholar] [CrossRef]
- Paterakis, N.G.; Mazza, A.; Santos, S.F.; Erdinç, O.; Chicco, G.; Bakirtzis, A.G.; Catalão, J.P. Multi-Objective Reconfiguration of Radial Distribution Systems Using Reliability Indices. IEEE Trans. Power Syst. 2016, 31, 1048–1062. [Google Scholar] [CrossRef]
- Xu, N.Z.; Chung, C.Y. Reliability Evaluation of Distribution Systems Including Vehicle-to-Home and Vehicle-to-Grid. IEEE Trans. Power Syst. 2016, 31, 759–768. [Google Scholar] [CrossRef]
- Lombardi, P.; Hänsch, K.; Arendarski, B.; Komarnicki, P. Information and power terminals: A reliable microgrid infrastructure for use in disaster scenarios. Int. J. Crit. Infrastruct. Prot. 2017, 19, 49–58. [Google Scholar] [CrossRef]
- Alotaibi, I.; Abido, M.A.; Khalid, M.; Savkin, A.V. A Comprehensive Review of Recent Advances in Smart Grids: A Sustainable Future with Renewable Energy Resources. Energies 2020, 13, 6269. [Google Scholar] [CrossRef]
- Das, S.; Kankanala, P.; Pahwa, A. Outage Estimation in Electric Power Distribution Systems Using a Neural Network Ensemble. Energies 2021, 14, 4797. [Google Scholar] [CrossRef]
- Bae, I.-S.; Kim, J.-O. Reliability Evaluation of Customers in a Microgrid. IEEE Trans. Power Syst. 2008, 23, 1416–1422. [Google Scholar]
- Parol, M.; Rokicki, Ł.; Parol, R. Towards optimal operation control in rural low voltage microgrids. Bull. Pol. Ac Tech. 2019, 67, 799–812. [Google Scholar]
- Xu, X.; Mitra, J.; Wang, T.; Mu, L. Evaluation of Operational reliability of a Microgrid Using a Short-term Outage Model. IEEE Trans. Power Syst. 2014, 29, 2238–2247. [Google Scholar] [CrossRef]
- Worku, M.Y.; Hassan, M.A.; Abido, M.A. Real Time Energy Management and Control of Renewable Energy based Microgrid in Grid Connected and Island Modes. Energies 2019, 12, 276. [Google Scholar] [CrossRef] [Green Version]
- Costa, P.M.; Matos, M.A. Assessing the contribution of microgrids to the reliability of distribution networks. Electr. Power Syst. Res. 2009, 79, 382–389. [Google Scholar] [CrossRef]
- Conti, S.; Nicolosi, R.; Rizzo, S.A. An Analytical Formulation to Assess Distribution System Reliability in Presence of Conventional and Renewable Distributed Generators. In Proceedings of the CIGRE Symposium “The Electric Power System of the Future–Integrating Supergrids and Microgrids”, Bologna, Italy, 13–15 September 2011. [Google Scholar]
- Marcos, F.P.; Domingo, C.M.; San Román, T.G.; Arín, R.C. Location and Sizing of Micro-Grids to Improve Continuity of Supply in Radial Distribution Networks. Energies 2020, 13, 3495. [Google Scholar] [CrossRef]
- Bie, Z.; Zhang, P.; Li, G.; Hua, B.; Meehan, M.; Wang, X. Reliability Evaluation of Active Distribution Systems Including Microgrids. IEEE Trans. Power Syst. 2012, 27, 2342–2350. [Google Scholar] [CrossRef]
- López-Prado, J.L.; Vélez, J.I.; Garcia-Llinás, G.A. Reliability Evaluation in Distribution Networks with Microgrids: Review and Classification of the Literature. Energies 2020, 13, 6189. [Google Scholar] [CrossRef]
- Leite Andréa, P.; Borges Carmen, L.T.; Falcäo Djalma, M. Probabilistic Wind Farm Generation Model for Reliability Studies Applied to Brazilian Sites. IEEE Trans. Power Syst. 2006, 21, 1493–1501. [Google Scholar] [CrossRef]
- Artigao, E.; Martín-Martínez, S.; Honrubia-Escribano, A.; Gómez-Lázaro, E. Wind turbine reliability: A comprehensive review towards effective condition monitoring development. App. Energy 2018, 228, 1569–1583. [Google Scholar] [CrossRef]
- Borges Carmen, L.T.; Pinto Roberto, J. Small Hydro Power Plants Energy Availability Modeling for Generation Reliability Evaluation. IEEE Trans. Power Syst. 2008, 23, 1125–1135. [Google Scholar] [CrossRef]
- Ardito, L.; Procaccianti, G.; Menga, G.; Morisio, M. Smart Grid Technologies in Europe: An Overview. Energies 2013, 6, 251–281. [Google Scholar] [CrossRef] [Green Version]
- Celli, G.; Ghiani, E.; Pilo, F.; Soma, G. Impact of ICT on the Reliability of Active Distribution Networks. In Proceedings of the CIRED Workshop, Lisbon, Portugal, 29–30 May 2012. [Google Scholar]
- Girón, C.; Rodríguez, F.J.; Giménez de Urtasum, L.; Borroy, S. Assessing the contribution of automation to the electric distribution network reliability. Int. J. Electr. Power Energy Syst. 2018, 97, 120–126. [Google Scholar] [CrossRef]
- Sanchez, J.; Caire, R.; HadjSaid, N. ICT and Electric Power Systems Interdependencies Modeling. In Proceedings of the Internationaler ETG-Kongress in Berlin, Berlin, Germany, 5–6 November 2013. [Google Scholar]
- Sanchez, J.; Caire, R.; Hadjsaid, N. ICT and Power Distribution Modeling using Complex Networks. In Proceedings of the IEEE PES Powertech Conference, Grenoble, France, 16–20 June 2013. [Google Scholar]
- Smith, E.; Robinson, D.; Agalgaonkar, A. Cooperative Control of Microgrids: A Review of Theoretical Frameworks, Applications and Recent Developments. Energies 2021, 14, 8026. [Google Scholar] [CrossRef]
- Moslehi, K.; Kumar, R. A Reliability Perspective of the Smart Grid. IEEE Trans. Smart Grid 2010, 1, 57–64. [Google Scholar] [CrossRef]
- Pavon, W.; Inga, E.; Simani, S.; Nonato, M. A Review on Optimal Control for the Smart Grid Electrical Substation enhancing Transition Stability. Energies 2021, 14, 8451. [Google Scholar] [CrossRef]
- Zhang, Y.; Wang, L.; Xiang, Y.; Ten, C.-W. Power System Reliability Evaluation with SCADA Cybersecurity Considerations. IEEE Trans. Smart Grid 2015, 6, 1707–1721. [Google Scholar] [CrossRef]
- Chen, L.; Zhao, N.; Cheng, Z.; Gu, W. Reliability Evaluation of Cyber–Physical Power Systems Considering Supply- and Demand-Side Uncertainties. Energies 2022, 15, 118. [Google Scholar] [CrossRef]
- Liu, R.; Mustafa, H.M.; Nie, Z.; Srivastava, A.K. Reachability-Based False Data Injection Attacks and Defence Mechanisms for Cyberpower System. Energies 2022, 15, 1754. [Google Scholar] [CrossRef]
- Jewell, W.; Namboodiri, V.; Aravinthan, V.; Karimi, B.; Kezunovic, M.; Dong, Y. Communication Requirements and Integration Options for Smart Grid Deployment; Power Systems Engineering Research Center (PSERC): Tempe, AZ, USA, 2012. [Google Scholar]
- Güngör, V.; Sahin, D.; Kocak, T.; Ergüt, S.; Buccella, C.; Cecati, C.; Hancke, G. Smart Grid Technologies: Communication Technologies and Standards. IEEE Trans. Ind. Inform. 2011, 7, 529–539. [Google Scholar] [CrossRef] [Green Version]
- Molokomme, D.N.; Chabalala, C.S.; Bokoro, P.N. A Review of Cognitive Radio Smart Grid Communication Infrastructure Systems. Energies 2020, 13, 3245. [Google Scholar] [CrossRef]
- Powalko, M.; Rudion, K.; Komarnicki, P.; Blumschein, J. Observability of the distribution system. In Proceedings of the 20th International Conference and Exhibition on Electricity Distribution, CIRED 2009, Prague, Czech Republic, 8–11 June 2009. [Google Scholar]
- Hussain, S.S.; Aftab, M.A.; Ustun, T.S. Performance Analysis of IEC 61850 Messages in LTE Communication for Reactive Power Management in Microgrids. Energies 2020, 13, 6011. [Google Scholar] [CrossRef]
- VDE; DKE. The German Roadmap E-Energy/Smart Grids 2.0. Smart Grid Standardization Status, Trends and Prospects; VDE Association of Electrical Electronic & Information Technologie, DKE German Commission for Electrical, Electronic & Information Technologies of DIN and VDE, Eds.; English Version; H. Heenemann GmbH & Co.: Berlin, Germany, 2013. [Google Scholar]
- Bundesnetzagentur. Monitoringbericht 2019. Available online: https://www.bundesnetzagentur.de/SharedDocs/Mediathek/Monitoringberichte/Monitoringbericht_Energie2019.pdf?__blob=publicationFile&v=6 (accessed on 16 March 2022).
- CEER Benchmarking Report 6.1 on the Continuity of Electricity and Gas Supply. Ref: C18-EQS-86-03; Council of European Energy Regulators Asbl: Brussels, Belgium, 2018.
- Parol, M. Analysis of indexes concerning interruptions in delivery of electricity in distribution networks. Prz. Elektrotechniczny (Electr. Rev.) 2014, 90, 122–126. (In Polish) [Google Scholar]
- IEEE Std 493-2007; IEEE Recommended Practice for the Design of Reliable Industrial and Commercial Power Systems. IEEE: New York, NY, USA, 2007.
- DIgSILENT. DIgSILENT PowerFactory Manual; DIgSILENT GmbH: Gomaringen, Germany, 2017. [Google Scholar]
- IEEE Std 1366TM-2012 (Revision of IEEE 1366-2003); IEEE Guide for Electric Power Distribution Reliability Indices. IEEE: New York, NY, USA, 2012.
- Common T&D Reliability Indices. Available online: https://www.ewh.ieee.org/r6/san_francisco/pes/pes_pdf/Reliability_and_Artificial_Intelligence/Common_T&D_Reliability_Indices.pdf (accessed on 9 July 2022).
- Billinton, R.; Allan, R.N. Reliability Evolution of Power Systems, 2nd ed.; Springer: New York, NY, USA, 1996. [Google Scholar]
- Choi, S. Assessment of Reliability in the Distribution System of an Industrial Complex. J. Electr. Eng. Technol. 2007, 2, 201–207. [Google Scholar] [CrossRef]
- CIGRE. CIGRE. CIGRE Task Force 38-03-10. Power System Reliability Analysis. In Composite Power System Reliability Evaluation, Paris; CIGRE: Paris, France, 1992. [Google Scholar]
- Brown, R.E. Electric Power Distribution Reliability, 2nd ed.; CRC Press: Boca Raton, FL, USA, 2009. [Google Scholar]
- Paska, J. Reliability of Electric Power Systems; Publishing House of the Warsaw University of Technology: Warsaw, Poland, 2005. (In Polish) [Google Scholar]
- Stepien, J.C. Probabilistic reliability models of 15 kV cable lines. Prz. Elektrotechniczny (Electr. Rev.) 2005, 3, 245–249. (In Polish) [Google Scholar]
- Bargiel, J.; Goc, W.; Sowa, P.; Tejchman, B.; Paska, J. Reliability of Medium Voltage Power Networks. In Proceedings of the VI Scientific-Technical Conference Power Networks in Industry and Power Engineering, Szklarska Poreba, Poland, 10–12 September 2008; pp. 359–364. (In Polish). [Google Scholar]
- Bollen, M.H.J.; Sun, Y.; Ault, G.W. Reliability of distribution networks with DER including intentional islanding. In Proceedings of the FPS 2005 International Conference on Future Power Systems, Amsterdam, The Netherlands, 16–18 November 2005. [Google Scholar]
- Sayas, F.C.; Allan, R.N. Generation availability assessment of wind farms. IEEE Proc.-Gener Transm. Distrib 1996, 143, 507–518. [Google Scholar] [CrossRef]
- IEEE Task Force on Models for Peaking Service Units. A four State Model for Estimate Outage Risk for Units in Peaking Service. IEEE Trans. Power Appar. Syst. 1972, 91, 618–627. [Google Scholar]
- Smith, A.C.; Donovan, M.D.; Bartos, M.J. Reliability survey of 600 to 1800 kW diesel and gas-turbine generating units. IEEE Trans. Ind Appl. 1990, 26, 741–755. [Google Scholar] [CrossRef]
- Cha, S.T.; Jeon, D.H.; Bae, I.S.; Lee, I.R. Reliability Evaluation of Distribution System Connected Photovoltaic Generation Considering Weather Effects. In Proceedings of the International Conference on Probabilistic Methods Applied to Power Systems, Ames, IA, USA, 12–16 September 2004; pp. 451–456. [Google Scholar]
- Usman, A.; Shami, S. Evolution of Communication Technologies for Smart Grid Applications. Renew. Sust. Energ. Rev 2013, 19, 191–199. [Google Scholar] [CrossRef]
- Medhi, D.; Ramasamy, K. Network Routing: Algorithms, Protocols, and Architectures, 2nd ed.; Elsevier: Amsterdam, The Netherlands, 2018. [Google Scholar]
- Wei, M.; Chen, Z. Communication Systems and Study Method for Active Distribution Power Systems. In Proceedings of the 9th Nordic Electricity Distribution and Asset Management Conference, Aalborg, Denmark, 6–7 September 2010. [Google Scholar]
- Ali, M. Reliability of information and communication technology equipment in power system–study review. Nontechnical Res. Proj.–Masters Otto-Von-Guericke-Univ. Magdebg. 2014, 1–67. [Google Scholar] [CrossRef]
- Zhang, P.; Chan, K. Reliability Evaluation of Phasor Measurement Unit Using Monte Carlo Dynamic Fault Tree Method. IEEE Trans. Smart Grid 2012, 3, 1235–1243. [Google Scholar] [CrossRef]
- Dolezilekm, D.J. Choosing Between Communications Processors, RTUs, and PLCs as Substation Automation Controllers; Schweitzer Engineering Laboratories, Inc.: Pullman, WA, USA, 2000; White Paper. [Google Scholar]
- Momken, B. High Availability Solutions, Avaya Servers and Media Gateways. Avaya Aura™ Communication Manager (Avaya CM) Software; Avaya Inc.: Durham, NC, USA, 2010; Issue 6.0. [Google Scholar]
- Müller, S.; Georg, H.; Rehtanz, C.; Wietfeld, C. Hybrid Simulation of Power Systems and ICT for Real-Time Applications. In Proceedings of the Innovative Smart Grid Technologies Europe (ISGT Europe), 3rd IEEE PES, Berlin, Germany, 14–17 October 2012. [Google Scholar]
- Suslov, K.; Piskunova, V.; Gerasimov, D.; Ukolova, E.; Akhmetshin, A.; Lombardi, P.; Komarnicki, P. Development of the methodological basis of the simulation modelling of the multi-energy systems. In Proceedings of the International Scientific and Technical Conference Smart Energy Systems, E3S Web of Conferences, Kazan, Russia, 18–20 September 2019. [Google Scholar]
- Zio, E.; Sansavini, G. Modeling Interdependent Network Systems for Identifying Cascade-Safe Operating Margins. IEEE Trans. Reliab. 2011, 60, 94–101. [Google Scholar] [CrossRef] [Green Version]
- Rinaldi, S. Modeling and Simulating Critical Infrastructures and Their Interdependencies. In Proceedings of the 37th Hawaii International Conference on System Sciences, Big Island, HI, USA, 5–8 January 2004. [Google Scholar]
- Boccaletti, S.; Latora, V.; Moreno, Y.; Chavez, M.; Hwang, D.-U. Complex networks: Structure and dynamics. Phys. Rep. 2006, 424, 175–308. [Google Scholar] [CrossRef]
- Tranchita, C.; Hadjsaid, N.; Viziteu, M.; Rozel, B.; Caire, R. ICT and Powers Systems: An Integrated Approach. In Chapter 5: Securing Electricity Supply in the Cyber Age: Exploring the Risks of Information and Communication Technology in Tomorrow’s Electricity Infrastructure; Springer: New York, NY, USA, 2010. [Google Scholar]
- Casteren, J.; van Bollen, M.; Schmieg, M. Reliability assessment in electrical power systems: The Weibull-Markov stochastic model. IEEE Trans. Ind Appl. 2000, 36, 911–915. [Google Scholar] [CrossRef]
- Trojan, P. Reliability Assessment of Smart Grid. Master’s Thesis, Otto-von-Guericke-Universität Magdeburg, Magdeburg, Germany, August 2013. [Google Scholar]
- Trojan, P.; Arendarski, B.; Komarnicki, P. Reliability assessment of smart grid. In Proceedings of the Tagungsband Zum Power and Energy Student Summit 2014 in Stuttgart. Kongress PESS, Stuttgart, Germany, 23–28 January 2014; pp. 131–136. [Google Scholar]
- Godha, N.R.; Deshmukh, S.R.; Dagade, R.V. Time sequential Monte Carlo Simulation for Evaluation of Reliability Indices of Power Distribution System. In Proceedings of the 2012 IEEE Symposium on Computers and Informatics-ISCI 2012, Penang, Malaysia, 18–20 March 2012. [Google Scholar]
- Billinton, R.; Allan, R.N. Reliability Evaluation of Engineering Systems–Concepts and Techniques, 2nd ed.; Plenum Press: New York, NY, USA, 1992. [Google Scholar]
- Djapic, P.; Ramsay, C.; Pudjianto, D.; Strbac, G.; Mutale, J.; Jenkins, N.; Allan, R. Taking an Active Approach. IEEE Power Energy Mag. 2007, 5, 68–77. [Google Scholar] [CrossRef]
- Rudion, K.; Styczynski, Z.A.; Hatziargyriou, N.; Papathanasiou, S.; Strunz, K.; Ruhle, O.; Orths, A.; Rozel, B. Development of Benchmarks for Low and Medium Voltage Distribution Networks with High Penetration of Dispersed Generation. In Proceedings of the International Symposium “Modern Electric Power Systems–MEPS’06”, Wroclaw, Poland, 6–8 September 2006. [Google Scholar]





| Distribution System Component | Probability Distribution of Time to Failure | Probability Distribution of Time to Repair | ||||
|---|---|---|---|---|---|---|
| Type | Parameters | Type | Parameters | |||
| Overhead lines (100 km) | EXP | λ = 25.0 1/a | EXP | λ = 0.071 1/h | ||
| Underground cable with paper-insulation used in urban networks (100 km) | WEI | λ = 12.0 1/a | β = 2.24 | EXP | λ = 0.69 1/h | |
| Underground cables with polythene-insulation used in urban networks (100 km) | WEI | λ = 12.0 1/a | β = 1.85 | EXP | λ = 0.72 1/h | |
| Underground cables with paper-insulation used in rural networks (100 km) | WEI | λ = 13.0 1/a | β = 2.33 | EXP | λ = 0.30 1/h | |
| Underground cables with polythene-insulation used in rural networks (100 km) | WEI | λ = 7.2 1/a | β = 1.20 | EXP | λ = 0.30 1/h | |
| 110 kV/MV transformers | EXP | λ = 0.06 1/a | EXP | λ = 0.08 1/h | ||
| Circuit-breakers | EXP | λ = 0.132 1/a | NOR | μ = 5.5 h | σ = 1.0 h | |
| Disconnectors | EXP | λ = 0.0055 1/a | EXP | λ = 0.115 1/h | ||
| Busbars in MV switchgear (bay) | EXP | Λ = 0.003 1/a | EXP | λ = 0.10 1/h | ||
| Current transformers | EXP | Λ = 0.009 1/a | EXP | λ = 0.047 1/h | ||
| Parameter | Continuous Service | Peak Load Service | ||
|---|---|---|---|---|
| EDG | TDG | EDG | TDG | |
| λ [1/a] | 4.30 | 4.50 | 0.90 | 0.30 |
| μ [1/h] | 0.15 | 0.14 | 0.26 | 0.009 |
| (1 − PS) [-] | - | - | 0.912 | 0.912 |
| ν [1/a] | 1.33 | 1.33 | 1.33 | 1.33 |
| ρ [1/a] | 4.0 | 4.0 | 4.0 | 4.0 |
| Parameter | MT | FC |
|---|---|---|
| λ [1/a] | 0.40 | 0.80 |
| μ [1/h] | 0.013 | 0.05 |
| (1 − PS) [-] | 0.961 | 0.976 |
| ν [1/a] | 1.33 | 1.33 |
| ρ [1/a] | 4.0 | 4.0 |
| Fraction of DG Rated Apparent Power | |||||
|---|---|---|---|---|---|
| 0% | 60% | 100% | 0% | 0% | |
| FROM\TO | U.1 | U.2 | U.3 | U.4 | D |
| U.1 | 0 | 200 1/a | 0 | 0 | 4 1/a |
| U.2 | 20 1/a | 0 | 400 1/a | 0 | 4 1/a |
| U.3 | 0 | 300 1/a | 0 | 10 1/a | 4 1/a |
| U.4 | 0 | 0 | 500 1/a | 0 | 24 1/a |
| D | 90 1/a | 90 1/a | 90 1/a | 24 1/a | 0 |
| Fraction of DG Rated Apparent Power | ||||||
|---|---|---|---|---|---|---|
| 38% | 54% | 66% | 80% | 100% | 0% | |
| FROM\TO | U.1 | U.2 | U.3 | U.4 | U.5 | D |
| U.1 | 0 | 11.9 1/a | 0 | 0 | 0 | 1.8 1/a |
| U.2 | 1.7 1/a | 0 | 9.4 1/a | 0 | 0 | 1.8 1/a |
| U.3 | 0 | 4.4 1/a | 0 | 5.2 1/a | 0 | 1.8 1/a |
| U.4 | 0 | 0 | 27.2 1/a | 0 | 3.6 1/a | 1.8 1/a |
| U.5 | 0 | 0 | 0 | 27.7 1/a | 0 | 1.8 1/a |
| D | 88.2 1/a | 88.2 1/a | 88.2 1/a | 88.2 1/a | 88.2 1/a | 0 |
| Fraction of DG Rated Apparent Power | ||||
|---|---|---|---|---|
| 100% | 20% | 0% | 0% | |
| FROM\TO | U.1 | U.2 | U.3 | D |
| U.1 | 0 | 1250 1/a | 0 | 0.1 1/a |
| U.2 | 2250 1/a | 0 | 2250 1/a | 0.1 1/a |
| U.3 | 0 | 1250 1/a | 0 | 0.1 1/a |
| D | 146 1/a | 146 1/a | 146 1/a | 0 |
| ICT Devices | Protocols | Data Type | Function | DOD Model | Layers | OSI Layers |
|---|---|---|---|---|---|---|
| Gateway RTU | HTTP, FTP, Telnet, SMB, SMTP, SNMP, DNS, DHCP, NFS | User Data | Provides services directly to the user applications; identifies communication participant; dedicates quality of service; verify user authentication and privacy and determines adequate resources availability | Process/Application | Application layers | 7 Application |
| Gateway | HTTP, FTP, Telnet, SMTP, AFP, TDI | Encoded User Data | Performs data translations with encoding, formatting, compression and encryption services; provides a common interface for user applications | 6 Presentation | ||
| Gateway | TCP, UDP, SPX, NetBEUI | Sessions | Establishes, maintains and terminates connections between applications; enable two applications to communicate over a network by opening a session and synchronizing the participating hosts | 5 Session | ||
| Gateway RTU | IP, IPX, NWLink, NetBEUI | Datagram/Segments | Provides reliable data transfer between hosts including flow control, segmentation, multiplexing, error control, transmission confirmation; maintains quality of service functions | Host to host | Data flow layers | 4 Transport |
| Gateway Router Relay device | IP, IPX, NWLink, NetBEUI | Datagram/Packets | Establishes, controls and terminates network connections; structures and manages multi-node networks including traffic control, addressing, routing, switching, forwarding, error handling and packet sequencing; translates logical network address into physical machine address | Internet | 3 Network | |
| Gateway Router RTU | IEEE802.2, LLC, Ethernet, FDDI, Token Ring, IEEE802.11, (WLAN, WiFi), PPP, DLC | Frames | Performs data transfer between nodes connected by a physical layer; divided into two sublayers: Media Access Control (MAC) layer provides data access and transmission, Logical Link Control (LLC) layer controls frames synchronization and error checking | Network Access | 2 Data link | |
| Gateway Router Modem RTU, PMU | IEEE802, IEEE802.2, ISO 2110, Ethernet, FDDI Token Ring | Bits | Defines physical specifications of connection, communication medium, transmission mode, connection protocol; controls transmission and reception of data bit streams over the physical medium | 1 Physical |
| Type | Modell | MTBF (yr) | MTTR (h) | A | U |
|---|---|---|---|---|---|
| PMU | Simulation | 1.46350 | 23.1168 | 0.99820 | 0.0018 |
| RTU | Calculation | 11.0000 | 4.2000 | 0.99952 | 0.00048 |
| PLC | Calculation | 17.000 | 2.8000 | 0.99968 | 0.00032 |
| Gateway | G650 Media | 16.0009 | 8.4100 | 0.99994 | 0.00006 |
| Router | Cisco 2811 | 34.2466 | 1.0000 | 0.99999 | 0.00001 |
| Variants: UDN_1, UDN_2, UDN_3, ASS—Busbars 1–2, 14–16, 15–17 | |
|---|---|
| Index | Case_1, Case_2, Case_3 |
| SAIFI [1/a] | 0.731679 |
| CAIFI [1/a] | 0.731679 |
| SAIDI [h] | 2.684 |
| CAIDI [h] | 3.668 |
| ASAI [-] | 0.9996936566 |
| ASUI [-] | 0.0003063434 |
| EENS [MWh/a] | 42.363 |
| Variants: UDN_1, UDN_2, UDN_3, ASS and APR—all busbars and terminals | |
| SAIFI [1/a] | 0.380772 |
| CAIFI [1/a] | 0.380772 |
| SAIDI [h] | 1.603 |
| CAIDI [h] | 2.191 |
| ASAI [-] | 0.9998169754 |
| ASUI [-] | 0.0001830246 |
| EENS [MWh/a] | 25.449 |
| Variants: RDN_1, RDN_2, RDN_3 | |
|---|---|
| Index | Case_1, Case_2, Case_3 |
| SAIFI [1/a] | 0.806104 |
| CAIFI [1/a] | 0.806104 |
| SAIDI [h] | 8.306 |
| CAIDI [h] | 10.304 |
| ASAI [-] | 0.9990518242 |
| ASUI [-] | 0.0009481758 |
| EENS [MWh/a] | 72.132 |
| Variant: DNMG_1 | |||
|---|---|---|---|
| Index | Case_1 | Case_2 | Case_3 |
| SAIFI [1/a] | 0.352252 | 0.352234 | 0.352209 |
| CAIFI [1/a] | 0.354118 | 0.354100 | 0.354075 |
| SAIDI [h] | 2.183 | 2.293 | 8.046 |
| CAIDI [h] | 6.197 | 6.509 | 22.844 |
| ASAI [-] | 0.9997507987 | 0.9997382643 | 0.9990815262 |
| ASUI [-] | 0.0002492013 | 0.0002617357 | 0.0009184738 |
| EENS [MWh/a] | 33.829 | 35.533 | 124.821 |
| Variant: DNMG_2 | |||
| Index | Case_1 | Case_2 | Case_3 |
| SAIFI [1/a] | 0.346583 | 0.346587 | 0.346654 |
| CAIFI [1/a] | 0.348419 | 0.348423 | 0.348490 |
| SAIDI [h] | 2.393 | 2.472 | 8.992 |
| CAIDI [h] | 6.904 | 7.133 | 25.938 |
| ASAI [-] | 0.9997268479 | 0.9997177990 | 0.9989735626 |
| ASUI [-] | 0.0002731521 | 0.0002822010 | 0.0010264374 |
| EENS [MWh/a] | 37.077 | 38.306 | 139.453 |
| Variant: DNMG_3 | |||
| Index | Case_1 | Case_2 | Case_3 |
| SAIFI [1/a] | 0.358422 | 0.358436 | 0.358511 |
| CAIFI [1/a] | 0.360315 | 0.360330 | 0.360405 |
| SAIDI [h] | 2.474 | 2.558 | 9.438 |
| CAIDI [h] | 6.903 | 7.136 | 26.324 |
| ASAI [-] | 0.9997175397 | 0.9997079937 | 0.9989226588 |
| ASUI [-] | 0.0002824603 | 0.0002920063 | 0.0010773412 |
| EENS [MWh/a] | 38.492 | 39.795 | 147.018 |
| Variant: AMDN_1 | |||||
|---|---|---|---|---|---|
| Index | Case_1 | Case_2 | Case_3 | Case_4 | Case_5 |
| SAIFI [1/a] | 0.087041 | 0.081571 | 0.074728 | 0.074746 | 0.076239 |
| CAIFI [1/a] | 0.087041 | 0.081571 | 0.074728 | 0.074746 | 0.076239 |
| SAIDI [h] | 0.661 | 0.661 | 0.661 | 0.661 | 0.661 |
| CAIDI [h] | 7.593 | 8.103 | 8.845 | 8.842 | 8.669 |
| ASAI [-] | 0.9999245511 | 0.9999245511 | 0.9999245511 | 0.9999245511 | 0.9999245511 |
| ASUI [-] | 0.0000754489 | 0.0000754489 | 0.0000754489 | 0.0000754489 | 0.0000754489 |
| EENS [MWh/a] | 9.037 | 9.037 | 9.037 | 9.037 | 9.037 |
| Variant: AMDN_2 | |||||
| Index | Case_1 | Case_2 | Case_3 | Case_4 | Case_5 |
| SAIFI [1/a] | 0.081363 | 0.080969 | 0.080475 | 0.080476 | 0.079877 |
| CAIFI [1/a] | 0.081363 | 0.080969 | 0.080475 | 0.080476 | 0.079877 |
| SAIDI [h] | 0.715 | 0.715 | 0.715 | 0.715 | 0.715 |
| CAIDI [h] | 8.788 | 8.831 | 8.885 | 8.885 | 8.952 |
| ASAI [-] | 0.9999183769 | 0.9999183769 | 0.9999183769 | 0.9999183769 | 0.9999183769 |
| ASUI [-] | 0.0000816231 | 0.0000816231 | 0.0000816231 | 0.0000816231 | 0.0000816231 |
| EENS [MWh/a] | 9.376 | 9.376 | 9.376 | 9.376 | 9.376 |
| Variant: AMDN_3 | |||||
| Index | Case_1 | Case_2 | Case_3 | Case_4 | Case_5 |
| SAIFI [1/a] | 0.073720 | 0.076901 | 0.080882 | 0.080871 | 0.080003 |
| CAIFI [1/a] | 0.213266 | 0.222469 | 0.233984 | 0.233954 | 0.231441 |
| SAIDI [h] | 0.700 | 0.700 | 0.700 | 0.700 | 0.700 |
| CAIDI [h] | 9.498 | 9.105 | 8.657 | 8.658 | 8.752 |
| ASAI [-] | 0.9999200708 | 0.9999200708 | 0.9999200708 | 0.9999200708 | 0.9999200708 |
| ASUI [-] | 0.0000799292 | 0.0000799292 | 0.0000799292 | 0.0000799292 | 0.0000799292 |
| EENS [MWh/a] | 9.283 | 9.283 | 9.283 | 9.283 | 9.283 |
| Components | Failure Rate (λ) | Mean Time to Repair (MTTR) [h] | MTTRSG with com. Network [h] |
|---|---|---|---|
| Distribution lines | 0.8 | 50 | 40 |
| Transformers | 0.1 | 100 | 80 |
| Network Structure | SAIDI [h/yr] | SAIFI [fail./yr] | CAIDI [h/fail.] | EENS [MWh/yr] | ASAI [%] |
|---|---|---|---|---|---|
| Without communication | 9.352 | 0.105 | 38.101 | 0.094 | 99.893 |
| With communication | 7.482 | 0.104 | 30.608 | 0.075 | 99.915 |
Publisher’s Note: MDPI stays neutral with regard to jurisdictional claims in published maps and institutional affiliations. |
© 2022 by the authors. Licensee MDPI, Basel, Switzerland. This article is an open access article distributed under the terms and conditions of the Creative Commons Attribution (CC BY) license (https://creativecommons.org/licenses/by/4.0/).
Share and Cite
Parol, M.; Wasilewski, J.; Wojtowicz, T.; Arendarski, B.; Komarnicki, P. Reliability Analysis of MV Electric Distribution Networks Including Distributed Generation and ICT Infrastructure. Energies 2022, 15, 5311. https://doi.org/10.3390/en15145311
Parol M, Wasilewski J, Wojtowicz T, Arendarski B, Komarnicki P. Reliability Analysis of MV Electric Distribution Networks Including Distributed Generation and ICT Infrastructure. Energies. 2022; 15(14):5311. https://doi.org/10.3390/en15145311
Chicago/Turabian StyleParol, Miroslaw, Jacek Wasilewski, Tomasz Wojtowicz, Bartlomiej Arendarski, and Przemyslaw Komarnicki. 2022. "Reliability Analysis of MV Electric Distribution Networks Including Distributed Generation and ICT Infrastructure" Energies 15, no. 14: 5311. https://doi.org/10.3390/en15145311
APA StyleParol, M., Wasilewski, J., Wojtowicz, T., Arendarski, B., & Komarnicki, P. (2022). Reliability Analysis of MV Electric Distribution Networks Including Distributed Generation and ICT Infrastructure. Energies, 15(14), 5311. https://doi.org/10.3390/en15145311
