New Cell Balancing Technique Using SIMO Two-Switch Flyback Converter with Multi Cells
Abstract
:1. Introduction
2. Power Converter for Battery Charging
2.1. Battery Model
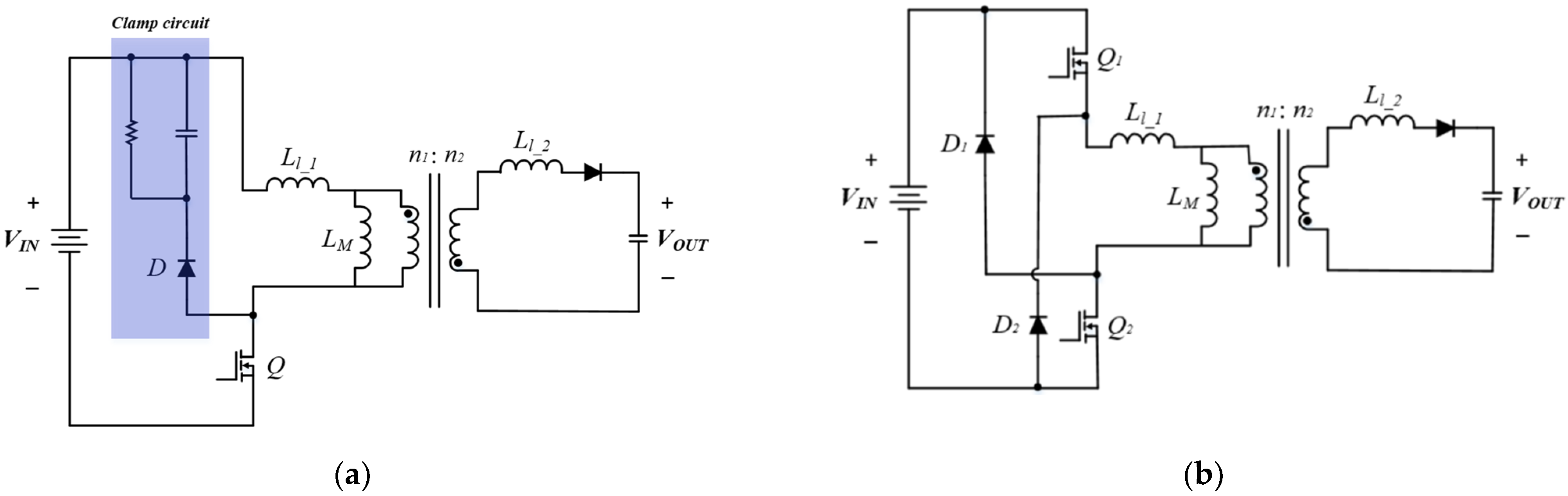
2.2. Flyback Converter for Cell Balancing
2.3. Cell Balancing Control
3. Simulation and Experimental Verification
4. Conclusions
Author Contributions
Funding
Institutional Review Board Statement
Informed Consent Statement
Conflicts of Interest
References
- Yusof, M.S.; Toha, S.; Kamisan, N.; Hashim, N.; Abdullah, M.A. Battery cell balancing optimisation for battery management system. In IOP Conference Series: Materials Science and Engineering; IOP Publishing: Bristol, UK, 2017; p. 012021. [Google Scholar]
- Deng, J.; Bae, C.; Denlinger, A.; Miller, T. Electric vehicles batteries: Requirements and challenges. Joule 2020, 4, 511–515. [Google Scholar] [CrossRef]
- Eyer, J.; Corey, G. Energy storage for the electricity grid: Benefits and market potential assessment guide. Sandia Natl. Lab. 2010, 20, 5. [Google Scholar]
- Na, J.K.; Na, K.S.; Lee, H.J.; Ko, Y.S.; Won, C.Y. Power conversion system control method for hybrid ESS. In Proceedings of the 2014 IEEE Conference and Expo Transportation Electrification Asia-Pacific (ITEC Asia-Pacific), Beijing, China, 31 August–3 September 2014; pp. 1–5. [Google Scholar]
- Ogunniyi, E.O.; Pienaar, H.C.V.Z. Overview of battery energy storage system advancement for renewable (photovoltaic) energy applications. In Proceedings of the 2017 International Conference on the Domestic Use of Energy (DUE), Cape Town, South Africa, 4–5 April 2017; pp. 233–239. [Google Scholar]
- Yang, Y.; Yao, M.; Wang, Q. Research on dynamic impedance characteristics of hybrid vehicle battery. In Proceedings of the 2014 IEEE International Conference on Industrial Technology (ICIT), Busan, Korea, 26 February–1 March 2014; pp. 810–815. [Google Scholar]
- Hassan, M.; Jawad, M.; Saleem, N.; Raza, A.; Zaidi, K.; Rafiq, N. Solar Power Assisted Passive and Active Cell Balancing System: A Comprehensive Analysis. In Proceedings of the 2021 International Conference on Frontiers of Information Technology (FIT), Islamabad, Pakistan, 13–14 December 2021; pp. 224–229. [Google Scholar]
- Ouyang, Q.; Han, W.; Zou, C.; Xu, G.; Wang, Z. Cell balancing control for lithium-ion battery packs: A hierarchical optimal approach. IEEE Trans. Ind. Inform. 2019, 16, 5065–5075. [Google Scholar] [CrossRef]
- Shah, S.; Murali, M.; Gandhi, P. A practical approach of active cell balancing in a battery management system. In Proceedings of the 2018 IEEE International Conference on Power Electronics, Drives and Energy Systems (PEDES), Chennai, India, 18–21 December 2018; pp. 1–6. [Google Scholar]
- Omariba, Z.B.; Zhang, L.; Sun, D. Review of battery cell balancing methodologies for optimizing battery pack performance in electric vehicles. IEEE Access 2019, 7, 129335–129352. [Google Scholar] [CrossRef]
- Kim, M.-Y.; Kim, J.-W.; Kim, C.-H.; Cho, S.-Y.; Moon, G.-W. Automatic charge equalization circuit based on regulated voltage source for series connected lithium-ion batteries. In Proceedings of the 8th International Conference on Power Electronics-ECCE Asia, Jeju, Korea, 30 May–3 June 2011; pp. 2248–2255. [Google Scholar]
- Pei, Z.; Zhao, X.; Yuan, H.; Peng, Z.; Wu, L. An equivalent circuit model for lithium battery of electric vehicle considering self-healing characteristic. J. Control. Sci. Eng. 2018, 2018, 5179758. [Google Scholar] [CrossRef] [Green Version]
- Khanal, A.; Timilsina, A.; Paudyal, B.; Ghimire, S. Comparative Analysis of Cell Balancing Topologies in Battery Management Systems. In Proceedings of the IOE Graduate Conference, Lisbon, Portugal, 19–21 June 2019; pp. 845–851. [Google Scholar]
- Jeong, E.; Yang, C.; Han, S.; Kim, H. Battery Cell Balancing with Hybrid Architecture of Serial and Parallel Charging. KEPCO J. Electr. Power Energy 2016, 2, 609–613. [Google Scholar]
- Hemavathi, S. Overview of cell balancing methods for Li-ion battery technology. Energy Storage 2020, 203, 1–12. [Google Scholar]
- Daowd, M.; Omar, N.; Bossche, P.V.D.; Van Mierlo, J. Passive and active battery balancing comparison based on MATLAB simulation. In Proceedings of the 2011 IEEE Vehicle Power and Propulsion Conference, Chicago, IL, USA, 6–9 September 2011; pp. 1–7. [Google Scholar]
- Di Rienzo, R.; Zeni, M.; Baronti, F.; Roncella, R.; Saletti, R. Passive balancing algorithm for charge equalization of series connected battery cells. In Proceedings of the 2020 2nd IEEE International Conference on Industrial Electronics for Sustainable Energy Systems (IESES), Cagliari, Italy, 1–3 September 2020; pp. 73–79. [Google Scholar]
- Shukla, A.P.; Patel, R.A. Battery Management System by Passive Cell Balancing for Electric vehicle. In Proceedings of the 2022 2nd International Conference on Power Electronics & IoT Applications in Renewable Energy and Its Control (PARC), Mathura, India, 21–22 January 2022; pp. 1–6. [Google Scholar]
- Chandrakala, K.M.V. Active Cell Balancing Technique for Improved Charge Equalization in Lithium-Ion Battery Stack. In Proceedings of the 2021 4th International Conference on Recent Developments in Control, Automation & Power Engineering (RDCAPE), Noida, India, 7–8 October 2021; pp. 160–164. [Google Scholar]
- Banerjee, D.; Giri, A.; Saha, S.S. Active Cell Balancing of Li-Ion Batteries for Electric Vehicles. In Proceedings of the 2nd International Conference on Non-Conventional Energy: Nanotechnology & Nanomaterials for Energy & Environment (ICNNEE), Kolyani, India, 18–19 October 2019. [Google Scholar]
- Qays, M.O.; Buswig, Y.; Hossain, M.L.; Rahman, M.M.; Abu-Siada, A. Active cell balancing control strategy for parallelly connected LiFePO 4 batteries. CSEE J. Power Energy Syst. 2020, 7, 86–92. [Google Scholar]
- Leksono, E.; Haq, I.N.; Juliastuti, E.; Fahran, L.G.Z.; Nabhan, F.M. Development of Active Cell to Cell Battery Balancing System for Electric Vehicle Applications. In Proceedings of the 2019 6th International Conference on Electric Vehicular Technology (ICEVT), Bali, Indonesia, 18–21 November 2019; pp. 4–10. [Google Scholar]
- Du, G.; Zhang, G.; Yu, S.S.; Iu, H.H.; Lin, W.; Le, W.; Zhang, Y. An any-unit-to-any-unit method for hybrid-structured voltage equalizer in series-connected battery/super-capacitor strings. Int. J. Circuit Theory Appl. 2022, 50, 2016–2034. [Google Scholar] [CrossRef]
- Murthy-Bellur, D.; Kazimierczuk, M.K. Two-switch flyback-forward PWM DC-DC converter with reduced switch voltage stress. In Proceedings of the 2010 IEEE International Symposium on Circuits and Systems, Paris, France, 30 May–2 June 2010; pp. 3705–3708. [Google Scholar]
- Song, S.-G.; Park, S.-M.; Park, S.-J. New battery balancing circuit using magnetic flux sharing. J. Power Electron. 2014, 14, 194–201. [Google Scholar] [CrossRef] [Green Version]



















| Parameter | Values (Unit) |
|---|---|
| Initial voltage values of cell 1 | 2.7 V |
| Initial voltage values of cell 2 | 2.76 V |
| Initial voltage values of cell 3 | 3 V |
| Initial voltage values of cell 4 | 3.8 V |
| Capacitance | 7.5 F |
| Duty ratio | 0.42 |
| Switching frequency | 10 kHz |
Publisher’s Note: MDPI stays neutral with regard to jurisdictional claims in published maps and institutional affiliations. |
© 2022 by the authors. Licensee MDPI, Basel, Switzerland. This article is an open access article distributed under the terms and conditions of the Creative Commons Attribution (CC BY) license (https://creativecommons.org/licenses/by/4.0/).
Share and Cite
Kim, U.-J.; Park, S.-J. New Cell Balancing Technique Using SIMO Two-Switch Flyback Converter with Multi Cells. Energies 2022, 15, 4806. https://doi.org/10.3390/en15134806
Kim U-J, Park S-J. New Cell Balancing Technique Using SIMO Two-Switch Flyback Converter with Multi Cells. Energies. 2022; 15(13):4806. https://doi.org/10.3390/en15134806
Chicago/Turabian StyleKim, Ui-Jin, and Sung-Jun Park. 2022. "New Cell Balancing Technique Using SIMO Two-Switch Flyback Converter with Multi Cells" Energies 15, no. 13: 4806. https://doi.org/10.3390/en15134806
APA StyleKim, U.-J., & Park, S.-J. (2022). New Cell Balancing Technique Using SIMO Two-Switch Flyback Converter with Multi Cells. Energies, 15(13), 4806. https://doi.org/10.3390/en15134806

