A Literature Review of the Control Challenges of Distributed Energy Resources Based on Microgrids (MGs): Past, Present and Future
Abstract
:1. Introduction
- Traditional sources, which consist of rotating units in which the connection interface to the network consists of electric machines;
- Resources that inject power into the network by power electronic devices.
- Decentralization of the generation system and transmission to consumption centers using small-scale generation units with more appropriate technical conditions, which generally depends on the level of penetration in the network;
- On-site load energy supply reduces transmission and distribution losses, leads to capacity liberalization and reduces transmission capacity in the development planning phase.
2. Distributed Energy Resources in Microgrids
- Fossil fuel-based generators;
- Renewable energy-based generators.
2.1. Wind Turbines
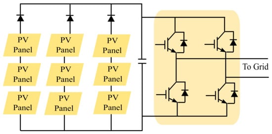
2.2. Photovoltaic (PV) Generation Units
2.3. Microturbines
2.4. Fuel Cells
2.5. Diesel Generators
2.6. Batteries
2.7. Challenges and Limitations of Distributed Generation Resources
- Reverse power flow: Connecting distributed generation sources to the distribution network can cause power flow in the reverse direction, which causes faults in the detection of protection systems;
- Reactive power: Many types of distributed generation sources use asynchronous generators that cannot inject reactive power into the grid;
- System frequency: Deviation from the nominal frequency of the system occurs with an imbalance between production and consumption. Increasing distributed generation resources affect system frequency and complicate the control process;
- Voltage levels: Distributed generation sources change the voltage level of feeders due to changes in the direction of the load distribution.
- Protection: The structure of most distribution networks is radial. This causes the load to be distributed unilaterally and the corresponding protection systems to be designed accordingly;
- Harmonic injection into the grid by distributed generation sources that are connected to the grid by an inverter. Short-circuit faults increase with respect to the location of distributed generation sources;
3. Hierarchical Control of Microgrid
3.1. Microgrid Primary Control
3.2. Microgrid Secondary Control
3.3. Microgrid Tertiary Control
4. Power Sharing Theory
Control Strategies for Power Sharing
5. Control Approaches Based on MPC
- It is equipped with a feedback system that enables it to cope with uncertainty and disturbances;
- It may take into account prediction for both consumption and production;
- Its basic principles are based on the futuristic behavior of the system that rely on the demand and production of renewable energy;
- The multivariate structure of the predictive controller can manage the performance of microgrid units in a coordinated manner since coordination between diverse sources of renewable energy or energy storage systems in a microgrid is particularly challenging;
- When a disconnection or failure of one of the generation units occurs in a microgrid, the predictive controller can adapt to the current situation and provide safe operation for the entire system.
5.1. MPC-Based Primary Control
5.2. MPC-Based Secondary Control
6. Fault Tolerant of Microgrids
7. Challenges and Future Perspectives
- Improving connection cost estimates can develop an integrated planning model for energy resources to make photovoltaic system equipment installation more efficient;
- Estimating and predicting more accurate, robust economic distribution of distributed generation resources can help reduce the risk of recovering potential future costs due to uncertainty in the future development of distributed generation resources.
8. Conclusions
Author Contributions
Funding
Institutional Review Board Statement
Informed Consent Statement
Conflicts of Interest
References
- Mozina, C.J. Impact of green power distributed generation. IEEE Ind. Appl. Mag. 2010, 16, 55–62. [Google Scholar] [CrossRef]
- Wang, C.; Nehrir, M.H. Analytical approaches for optimal placement of distributed generation sources in power systems. IEEE Trans. Power Syst. 2004, 19, 2068–2076. [Google Scholar] [CrossRef]
- Ochoa, L.F.; Padilha-Feltrin, A.; Harrison, G.P. Evaluating distributed generation impacts with a multiobjective index. IEEE Trans. Power Deliv. 2006, 21, 1452–1458. [Google Scholar] [CrossRef] [Green Version]
- Ochoa, L.F.; Padilha-Feltrin, A.; Harrison, G.P. Evaluating distributed time-varying generation through a multiobjective index. IEEE Trans. Power Deliv. 2008, 23, 1132–1138. [Google Scholar] [CrossRef] [Green Version]
- Abu-Mouti, F.S.; El-Hawary, M. Optimal distributed generation allocation and sizing in distribution systems via artificial bee colony algorithm. IEEE Trans. Power Deliv. 2011, 26, 2090–2101. [Google Scholar] [CrossRef]
- Dent, C.J.; Ochoa, L.F.; Harrison, G.P. Network distributed generation capacity analysis using OPF with voltage step constraints. IEEE Trans. Power Syst. 2009, 25, 296–304. [Google Scholar] [CrossRef] [Green Version]
- Atwa, Y.; El-Saadany, E.; Salama, M.; Seethapathy, R. Optimal renewable resources mix for distribution system energy loss minimization. IEEE Trans. Power Syst. 2009, 25, 360–370. [Google Scholar] [CrossRef]
- Celli, G.; Mocci, S.; Pilo, F.; Soma, G.G. A multi-objective approach for the optimal distributed generation allocation with environmental constraints. In Proceedings of the 10th International Conference on Probablistic Methods Applied to Power Systems, Rincon, PR, USA, 25–29 May 2008; pp. 1–8. [Google Scholar]
- Haddad, R.J.; Guha, B.; Kalaani, Y.; El-Shahat, A. Smart distributed generation systems using artificial neural network-based event classification. IEEE Power Energy Technol. Syst. J. 2018, 5, 18–26. [Google Scholar] [CrossRef]
- Krishan, O.; Suhag, S. An updated review of energy storage systems: Classification and applications in distributed generation power systems incorporating renewable energy resources. Int. J. Energy Res. 2019, 43, 6171–6210. [Google Scholar] [CrossRef]
- Bahramara, S.; Mazza, A.; Chicco, G.; Shafie-khah, M.; Catalão, J.P. Comprehensive review on the decision-making frameworks referring to the distribution network operation problem in the presence of distributed energy resources and microgrids. Int. J. Electr. Power Energy Syst. 2020, 115, 105466. [Google Scholar] [CrossRef]
- Sarangi, S.; Sahu, B.K.; Rout, P.K. Distributed generation hybrid AC/DC microgrid protection: A critical review on issues, strategies, and future directions. Int. J. Energy Res. 2020, 44, 3347–3364. [Google Scholar] [CrossRef]
- Bajaj, M.; Singh, A.K. An analytic hierarchy process-based novel approach for benchmarking the power quality performance of grid-integrated renewable energy systems. Electr. Eng. 2020, 102, 1153–1173. [Google Scholar] [CrossRef]
- Razmjoo, A.; Kaigutha, L.G.; Rad, M.V.; Marzband, M.; Davarpanah, A.; Denai, M. A Technical analysis investigating energy sustainability utilizing reliable renewable energy sources to reduce CO2 emissions in a high potential area. Renew. Energy 2021, 164, 46–57. [Google Scholar] [CrossRef]
- Guerrero, J.; Gebbran, D.; Mhanna, S.; Chapman, A.C.; Verbič, G. Towards a transactive energy system for integration of distributed energy resources: Home energy management, distributed optimal power flow, and peer-to-peer energy trading. Renew. Sustain. Energy Rev. 2020, 132, 110000. [Google Scholar] [CrossRef]
- Liu, Z.; Guo, J.; Wu, D.; Fan, G.; Zhang, S.; Yang, X.; Ge, H. Two-phase collaborative optimization and operation strategy for a new distributed energy system that combines multi-energy storage for a nearly zero energy community. Energy Convers. Manag. 2021, 230, 113800. [Google Scholar] [CrossRef]
- Rayudua, K. Design of Controller for Transition of Grid Connected Microgrid to Island Mode. Turk. J. Comput. Math. Educ. (TURCOMAT) 2021, 12, 845–854. [Google Scholar]
- Zhao, W.; Xu, M.; Ning, N.; Kang, Y.; Cai, Z. A Microgrid Capacity Optimization Method Considering Carbon Emission Cost. In Proceedings of the 2020 IEEE Sustainable Power and Energy Conference (iSPEC), Chengdu, China, 23–25 November 2020; pp. 2219–2224. [Google Scholar]
- Shahgholian, G. A brief review on microgrids: Operation, applications, modeling, and control. Int. Trans. Electr. Energy Syst. 2021, 31, e12885. [Google Scholar] [CrossRef]
- Sarangi, S.; Sahu, B.K.; Rout, P.K. A comprehensive review of distribution generation integrated DC microgrid protection: Issues, strategies, and future direction. Int. J. Energy Res. 2021, 45, 5006–5031. [Google Scholar] [CrossRef]
- Ghenai, C.; Bettayeb, M. Modelling and performance analysis of a stand-alone hybrid solar PV/Fuel Cell/Diesel Generator power system for university building. Energy 2019, 171, 180–189. [Google Scholar] [CrossRef]
- Abdmouleh, Z.; Gastli, A.; Ben-Brahim, L.; Haouari, M.; Al-Emadi, N.A. Review of optimization techniques applied for the integration of distributed generation from renewable energy sources. Renew. Energy 2017, 113, 266–280. [Google Scholar] [CrossRef]
- Hossain, E.; Tür, M.R.; Padmanaban, S.; Ay, S.; Khan, I. Analysis and mitigation of power quality issues in distributed generation systems using custom power devices. IEEE Access 2018, 6, 16816–16833. [Google Scholar] [CrossRef]
- Twaha, S.; Ramli, M.A. A review of optimization approaches for hybrid distributed energy generation systems: Off-grid and grid-connected systems. Sustain. Cities Soc. 2018, 41, 320–331. [Google Scholar] [CrossRef]
- Adnani, K.; Vaez-Zadeh, S.; Jabbarnejad, A. Flexible active/reactive power ripple control of grid-connected voltage source converters under unbalance conditions. In Proceedings of the 2020 IEEE 29th International Symposium on Industrial Electronics (ISIE), Delft, The Netherlands, 17–19 June 2020; pp. 1022–1027. [Google Scholar]
- Das, C.K.; Bass, O.; Kothapalli, G.; Mahmoud, T.S.; Habibi, D. Overview of energy storage systems in distribution networks: Placement, sizing, operation, and power quality. Renew. Sustain. Energy Rev. 2018, 91, 1205–1230. [Google Scholar] [CrossRef]
- Krishan, O.; Suhag, S. Power management control strategy for hybrid energy storage system in a grid-independent hybrid renewable energy system: A hardware-in-loop real-time verification. IET Renew. Power Gener. 2020, 14, 454–465. [Google Scholar] [CrossRef]
- Igwemezie, V.; Mehmanparast, A.; Kolios, A. Current trend in offshore wind energy sector and material requirements for fatigue resistance improvement in large wind turbine support structures—A review. Renew. Sustain. Energy Rev. 2019, 101, 181–196. [Google Scholar] [CrossRef] [Green Version]
- Ranjbaran, P.; Yousefi, H.; Gharehpetian, G.; Astaraei, F.R. A review on floating photovoltaic (FPV) power generation units. Renew. Sustain. Energy Rev. 2019, 110, 332–347. [Google Scholar] [CrossRef]
- Lee, J.; Shepley, M.M. Benefits of solar photovoltaic systems for low-income families in social housing of Korea: Renewable energy applications as solutions to energy poverty. J. Build. Eng. 2020, 28, 101016. [Google Scholar] [CrossRef]
- Fershalov, A.Y.; Fershalov, Y.Y.; Fershalov, M.Y. Principles of designing gas microturbine stages. Energy 2021, 218, 119488. [Google Scholar] [CrossRef]
- Fathy, A.; Ferahtia, S.; Rezk, H.; Yousri, D.; Abdelkareem, M.A.; Olabi, A. Optimal adaptive fuzzy management strategy for fuel cell-based DC microgrid. Energy 2022, 247, 123447. [Google Scholar] [CrossRef]
- Alzahrani, A.M.; Zohdy, M.; Yan, B. An overview of optimization approaches for operation of hybrid distributed energy systems with photovoltaic and diesel turbine generator. Electr. Power Syst. Res. 2021, 191, 106877. [Google Scholar] [CrossRef]
- Al-Salloomee, A.G.S.; Khosroabadi, S.; Albukariat, A.A.A. Study of power management of standalone DC microgrids with battery supercapacitor hybrid energy storage system. Int. J. Electr. Comput. Eng. 2022, 12, 114–121. [Google Scholar] [CrossRef]
- Brahmendra Kumar, G.; Palanisamy, K. Review of energy storage system for microgrid. In Microgrid Technologies; Wiley: Hoboken, NJ, USA, 2021; pp. 57–90. [Google Scholar]
- Sandhya, K.; Chatterjee, K. A review on the state of the art of proliferating abilities of distributed generation deployment for achieving resilient distribution system. J. Clean. Prod. 2021, 287, 125023. [Google Scholar] [CrossRef]
- Deshmukh, A.N.; Chandrakar, V.K. Power quality issues and their mitigation techniques in grid tied Solar Photovoltaic Systems—A review. In Proceedings of the 2021 International Conference on Computer Communication and Informatics (ICCCI), Coimbatore, India, 27–29 January 2021; pp. 1–6. [Google Scholar]
- Dsouza, K.; Halbe, S.; Thomas, M.; Baran, M.; Chowdhury, B.; Schwarz, P.; Proudlove, A. The challenges of valuing distributed generation. In Proceedings of the 2020 IEEE Power & Energy Society Innovative Smart Grid Technologies Conference (ISGT), Washington, DC, USA, 17–20 February 2020; pp. 1–5. [Google Scholar]
- Mohammed, A.A.A.; Ahamed, A.M.M.M.; Kenish, S.S.E.M.E.; Mansour, M.A.O.A.; Superviser, S.E.M. Design and Integration of Distributed Generation Systems to Dongola Distribution Grid. Ph.D. Thesis, Sudan University of Science & Technology, Khartoum, Sudan, 2020. [Google Scholar]
- Yamashita, D.Y.; Vechiu, I.; Gaubert, J.P. A review of hierarchical control for building microgrids. Renew. Sustain. Energy Rev. 2020, 118, 109523. [Google Scholar] [CrossRef]
- Feng, X.; Shekhar, A.; Yang, F.; Hebner, R.E.; Bauer, P. Comparison of hierarchical control and distributed control for microgrid. Electr. Power Compon. Syst. 2017, 45, 1043–1056. [Google Scholar] [CrossRef]
- Rokrok, E.; Shafie-Khah, M.; Catalão, J.P. Review of primary voltage and frequency control methods for inverter-based islanded microgrids with distributed generation. Renew. Sustain. Energy Rev. 2018, 82, 3225–3235. [Google Scholar] [CrossRef]
- Bendib, A.; Kherbachi, A.; Kara, K.; Chouder, A. Droop controller based primary control scheme for parallel-connected single-phase inverters in islanded AC microgrid. In Proceedings of the 2017 5th International Conference on Electrical Engineering-Boumerdes (ICEE-B), Boumerdes, Algeria, 29–31 October 2017; pp. 1–6. [Google Scholar]
- Unamuno, E.; Barrena, J.A. Equivalence of primary control strategies for AC and DC microgrids. Energies 2017, 10, 91. [Google Scholar] [CrossRef] [Green Version]
- Fusero, M.; Tuckey, A.; Rosini, A.; Serra, P.; Procopio, R.; Bonfiglio, A. A comprehensive inverter-BESS primary control for AC microgrids. Energies 2019, 12, 3810. [Google Scholar] [CrossRef] [Green Version]
- Alfergani, A.; Alfaitori, K.A.; Khalil, A.; Buaossa, N. Control strategies in AC microgrid: A brief review. In Proceedings of the 2018 9th International Renewable Energy Congress (IREC), Hammamet, Tunisia, 20–22 March 2018; pp. 1–6. [Google Scholar]
- Khodabakhsh, J.; Moschopoulos, G. Primary Frequency Control in Islanded Microgrids Using Solid-State Transformers as Virtual Synchronous Machines. In Proceedings of the 2020 IEEE Energy Conversion Congress and Exposition (ECCE), Detroit, MI, USA, 11–15 October 2020; pp. 5380–5385. [Google Scholar]
- Datta, U.; Kalam, A.; Shi, J.; Li, J. Electric vehicle charging station for providing primary frequency control in microgrid. In Proceedings of the 2019 14th IEEE Conference on Industrial Electronics and Applications (ICIEA), Xi’an, China, 19–21 June 2019; pp. 2440–2444. [Google Scholar]
- Kariminejad, N.; Taher, S.A.; Shahidehpour, M.; Khateri, K. A hierarchical governor/turbine and electric vehicles optimal control framework for primary frequency support in power systems. IEEE Trans. Smart Grid 2017, 9, 6702–6712. [Google Scholar] [CrossRef]
- Hu, J.; Duan, J.; Ma, H.; Chow, M.Y. Distributed adaptive droop control for optimal power dispatch in DC microgrid. IEEE Trans. Ind. Electron. 2017, 65, 778–789. [Google Scholar] [CrossRef]
- Dragičević, T.; Lu, X.; Vasquez, J.C.; Guerrero, J.M. DC microgrids—Part II: A review of power architectures, applications, and standardization issues. IEEE Trans. Power Electron. 2015, 31, 3528–3549. [Google Scholar] [CrossRef] [Green Version]
- Krismanto, A.U.; Mithulananthan, N.; Lomi, A. Dynamic droop control in microgrid for stability enhancement considering RES variation. In Proceedings of the 2017 IEEE PES Innovative Smart Grid Technologies Conference Europe (ISGT-Europe), Turin, Italy, 26–29 September 2017; pp. 1–6. [Google Scholar]
- Morales-Paredes, H.K.; Bonaldo, J.P.; Pomilio, J.A. Centralized control center implementation for synergistic operation of distributed multifunctional single-phase grid-tie inverters in a microgrid. IEEE Trans. Ind. Electron. 2018, 65, 8018–8029. [Google Scholar] [CrossRef] [Green Version]
- Guo, Z.; Jiang, H.; Zheng, Y.; Li, S. Distributed model predictive control for efficient operation of islanded microgrid. In Proceedings of the 2017 Chinese Automation Congress (CAC), Jinan, China, 20–22 October 2017; pp. 6253–6258. [Google Scholar]
- Khayat, Y.; Shafiee, Q.; Heydari, R.; Naderi, M.; Dragičević, T.; Simpson-Porco, J.W.; Dörfler, F.; Fathi, M.; Blaabjerg, F.; Guerrero, J.M.; et al. On the secondary control architectures of AC microgrids: An overview. IEEE Trans. Power Electron. 2019, 35, 6482–6500. [Google Scholar] [CrossRef]
- Tayab, U.B.; Roslan, M.A.B.; Hwai, L.J.; Kashif, M. A review of droop control techniques for microgrid. Renew. Sustain. Energy Rev. 2017, 76, 717–727. [Google Scholar] [CrossRef]
- Liu, B.; Wu, T.; Liu, Z.; Liu, J. A small-AC-signal injection-based decentralized secondary frequency control for droop-controlled islanded microgrids. IEEE Trans. Power Electron. 2020, 35, 11634–11651. [Google Scholar] [CrossRef]
- Han, Y.; Zhang, K.; Li, H.; Coelho, E.A.A.; Guerrero, J.M. MAS-based distributed coordinated control and optimization in microgrid and microgrid clusters: A comprehensive overview. IEEE Trans. Power Electron. 2017, 33, 6488–6508. [Google Scholar] [CrossRef] [Green Version]
- Bharath, K.; Krishnan, M.M.; Kanakasabapathy, P. A review on DC microgrid control techniques, applications and trends. Int. J. Renew. Energy Res. 2019, 9, 1328–1338. [Google Scholar]
- Deng, S.; Chen, L.; Zheng, T.; Guo, Y.; Mei, S. Distributed Secondary Frequency Control for Microgrids Under Weak Communication Conditions. In Proceedings of the 2020 IEEE Power & Energy Society General Meeting (PESGM), Montreal, QC, Canada, 2–6 August 2020; pp. 1–5. [Google Scholar]
- Hong, Y.; Xie, J.; Fang, F. Distributed Secondary Control of Islanded Microgrids for Fast Convergence Considering Arbitrary Sampling. Processes 2021, 9, 971. [Google Scholar] [CrossRef]
- Pan, R.; Sun, P. Wireless fundamental frequency-based variable mode power sharing strategy for autonomous microgrid. Electr. Eng. 2022, 104, 1473–1486. [Google Scholar] [CrossRef]
- Qureshi, T.; Alvi, R. Review on secondary and tertiary control structures for Microgrid. Int. J. Comput. Sci. Eng. 2018, 6, 251–255. [Google Scholar] [CrossRef]
- Hirsch, A.; Parag, Y.; Guerrero, J. Microgrids: A review of technologies, key drivers, and outstanding issues. Renew. Sustain. Energy Rev. 2018, 90, 402–411. [Google Scholar] [CrossRef]
- Chen, Y.; Guerrero, J.M.; Shuai, Z.; Chen, Z.; Zhou, L.; Luo, A. Fast reactive power sharing, circulating current and resonance suppression for parallel inverters using resistive-capacitive output impedance. IEEE Trans. Power Electron. 2015, 31, 5524–5537. [Google Scholar] [CrossRef] [Green Version]
- Li, Z.; Wang, P.; Chu, Z.; Zhu, H.; Sun, Z.; Li, Y. A three-phase 10 kVAC-750 VDC power electronic transformer for smart distribution grid. In Proceedings of the 2013 15th European Conference on Power Electronics and Applications (EPE), Lille, France, 2–6 September 2013; pp. 1–9. [Google Scholar]
- Mohamed, Y.A.R.I.; Zeineldin, H.H.; Salama, M.; Seethapathy, R. Seamless formation and robust control of distributed generation microgrids via direct voltage control and optimized dynamic power sharing. IEEE Trans. Power Electron. 2011, 27, 1283–1294. [Google Scholar] [CrossRef]
- Mohamed, Y.A.R.I.; El-Saadany, E.F. Adaptive decentralized droop controller to preserve power sharing stability of paralleled inverters in distributed generation microgrids. IEEE Trans. Power Electron. 2008, 23, 2806–2816. [Google Scholar] [CrossRef]
- Mohamed, Y.A.R.I.; Radwan, A.A. Hierarchical control system for robust microgrid operation and seamless mode transfer in active distribution systems. IEEE Trans. Smart Grid 2011, 2, 352–362. [Google Scholar] [CrossRef]
- Blaabjerg, F.; Teodorescu, R.; Liserre, M.; Timbus, A.V. Overview of control and grid synchronization for distributed power generation systems. IEEE Trans. Ind. Electron. 2006, 53, 1398–1409. [Google Scholar] [CrossRef] [Green Version]
- Abhishek, A.; Ranjan, A.; Devassy, S.; Verma, B.K.; Ram, S.K.; Dhakar, A.K. Review of hierarchical control strategies for DC microgrid. IET Renew. Power Gener. 2020, 14, 1631–1640. [Google Scholar] [CrossRef]
- Eltawil, M.A.; Zhao, Z. Grid-connected photovoltaic power systems: Technical and potential problems—A review. Renew. Sustain. Energy Rev. 2010, 14, 112–129. [Google Scholar] [CrossRef]
- Yu, X.; Khambadkone, A.M.; Wang, H.; Terence, S.T.S. Control of parallel-connected power converters for low-voltage microgrid—Part I: A hybrid control architecture. IEEE Trans. Power Electron. 2010, 25, 2962–2970. [Google Scholar] [CrossRef]
- Sao, C.K.; Lehn, P.W. Control and power management of converter fed microgrids. IEEE Trans. Power Syst. 2008, 23, 1088–1098. [Google Scholar] [CrossRef]
- Tuladhar, A.; Jin, H.; Unger, T.; Mauch, K. Parallel operation of single phase inverter modules with no control interconnections. In Proceedings of the APEC 97-Applied Power Electronics Conference, Atlanta, GA, USA, 23–27 February 1997; Volume 1, pp. 94–100. [Google Scholar]
- Vasquez, J.C.; Guerrero, J.M.; Luna, A.; Rodríguez, P.; Teodorescu, R. Adaptive droop control applied to voltage-source inverters operating in grid-connected and islanded modes. IEEE Trans. Ind. Electron. 2009, 56, 4088–4096. [Google Scholar] [CrossRef]
- Guerrero, J.M.; Matas, J.; De Vicuna, L.G.D.V.; Castilla, M.; Miret, J. Wireless-control strategy for parallel operation of distributed-generation inverters. IEEE Trans. Ind. Electron. 2006, 53, 1461–1470. [Google Scholar] [CrossRef]
- Guerrero, J.M.; Vasquez, J.C.; Matas, J.; Castilla, M.; de Vicuña, L.G. Control strategy for flexible microgrid based on parallel line-interactive UPS systems. IEEE Trans. Ind. Electron. 2008, 56, 726–736. [Google Scholar] [CrossRef]
- Chen, J.; Wang, L.; Diao, L.; Du, H.; Liu, Z. Distributed auxiliary inverter of urban rail train—Load sharing control strategy under complicated operation condition. IEEE Trans. Power Electron. 2015, 31, 2518–2529. [Google Scholar] [CrossRef]
- Shafiee, Q.; Guerrero, J.M.; Vasquez, J.C. Distributed secondary control for islanded microgrids—A novel approach. IEEE Trans. Power Electron. 2013, 29, 1018–1031. [Google Scholar] [CrossRef] [Green Version]
- Zhong, Q.C. Robust droop controller for accurate proportional load sharing among inverters operated in parallel. IEEE Trans. Ind. Electron. 2011, 60, 1281–1290. [Google Scholar] [CrossRef]
- Nutkani, I.U.; Loh, P.C.; Wang, P.; Blaabjerg, F. Autonomous droop scheme with reduced generation cost. IEEE Trans. Ind. Electron. 2014, 61, 6803–6811. [Google Scholar] [CrossRef]
- Nutkani, I.U.; Loh, P.C.; Blaabjerg, F. Droop scheme with consideration of operating costs. IEEE Trans. Power Electron. 2013, 29, 1047–1052. [Google Scholar] [CrossRef]
- Nutkani, I.U.; Loh, P.C.; Wang, P.; Blaabjerg, F. Cost-prioritized droop schemes for autonomous AC microgrids. IEEE Trans. Power Electron. 2014, 30, 1109–1119. [Google Scholar] [CrossRef]
- Micallef, A. Review of the current challenges and methods to mitigate power quality issues in single-phase microgrids. IET Gener. Transm. Distrib. 2019, 13, 2044–2054. [Google Scholar] [CrossRef]
- Zhang, J.; Shu, J.; Ning, J.; Huang, L.; Wang, H. Enhanced proportional power sharing strategy based on adaptive virtual impedance in low-voltage networked microgrid. IET Gener. Transm. Distrib. 2018, 12, 2566–2576. [Google Scholar] [CrossRef]
- Dou, C.; Zhang, Z.; Yue, D.; Song, M. Improved droop control based on virtual impedance and virtual power source in low-voltage microgrid. IET Gener. Transm. Distrib. 2017, 11, 1046–1054. [Google Scholar] [CrossRef]
- Liu, B.; Liu, Z.; Liu, J.; An, R.; Zheng, H.; Shi, Y. An adaptive virtual impedance control scheme based on small-AC-signal injection for unbalanced and harmonic power sharing in islanded microgrids. IEEE Trans. Power Electron. 2019, 34, 12333–12355. [Google Scholar] [CrossRef]
- Keddar, M.; Doumbia, M.; Belmokhtar, K.; Della Krachai, M. A new energy management strategy of an autonomous microgrid based on virtual impedance in multilevel droop controlled inverters. In Proceedings of the 2019 International Conference on Advanced Electrical Engineering (ICAEE), Algiers, Algeria, 19–21 November 2019; pp. 1–7. [Google Scholar]
- Mesbah, A. Stochastic model predictive control: An overview and perspectives for future research. IEEE Control Syst. Mag. 2016, 36, 30–44. [Google Scholar]
- Kouro, S.; Cortés, P.; Vargas, R.; Ammann, U.; Rodríguez, J. Model predictive control—A simple and powerful method to control power converters. IEEE Trans. Ind. Electron. 2008, 56, 1826–1838. [Google Scholar] [CrossRef]
- Rodriguez, J.; Kazmierkowski, M.P.; Espinoza, J.R.; Zanchetta, P.; Abu-Rub, H.; Young, H.A.; Rojas, C.A. State of the art of finite control set model predictive control in power electronics. IEEE Trans. Ind. Inform. 2012, 9, 1003–1016. [Google Scholar] [CrossRef]
- Michalík, J.; Peroutka, Z.; Šmídl, V. Finite control set MPC of active current-source rectifier with full state space model. In Proceedings of the IECON 2015-41st Annual Conference of the IEEE Industrial Electronics Society, Yokohama, Japan, 9–12 November 2015; pp. 004121–004126. [Google Scholar]
- Rodriguez, J.; Pontt, J.; Silva, C.A.; Correa, P.; Lezana, P.; Cortés, P.; Ammann, U. Predictive current control of a voltage source inverter. IEEE Trans. Ind. Electron. 2007, 54, 495–503. [Google Scholar] [CrossRef]
- Karamanakos, P.; Stolze, P.; Kennel, R.M.; Manias, S.; du Toit Mouton, H. Variable switching point predictive torque control of induction machines. IEEE J. Emerg. Sel. Top. Power Electron. 2014, 2, 285–295. [Google Scholar] [CrossRef]
- Babqi, A.J.; Etemadi, A.H. MPC-based microgrid control with supplementary fault current limitation and smooth transition mechanisms. IET Gener. Transm. Distrib. 2017, 11, 2164–2172. [Google Scholar] [CrossRef]
- Sun, D.; Wang, X. Low-complexity model predictive direct power control for DFIG under both balanced and unbalanced grid conditions. IEEE Trans. Ind. Electron. 2016, 63, 5186–5196. [Google Scholar] [CrossRef]
- Qin, S.J.; Badgwell, T.A. A survey of industrial model predictive control technology. Control Eng. Pract. 2003, 11, 733–764. [Google Scholar] [CrossRef]
- Vazquez, S.; Rodriguez, J.; Rivera, M.; Franquelo, L.G.; Norambuena, M. Model predictive control for power converters and drives: Advances and trends. IEEE Trans. Ind. Electron. 2016, 64, 935–947. [Google Scholar] [CrossRef] [Green Version]
- Karamanakos, P.; Geyer, T.; Kennel, R. Reformulation of the long-horizon direct model predictive control problem to reduce the computational effort. In Proceedings of the 2014 IEEE Energy Conversion Congress and Exposition (ECCE), Pittsburgh, PA, USA, 14–18 September 2014; pp. 3512–3519. [Google Scholar]
- Bella, S.; Houari, A.; Djerioui, A.; Chouder, A.; Machmoum, M.; Benkhoris, M.F.; Ghedamsi, K. Robust Model Predictive Control (MPC) for large-scale PV plant based on paralleled three-phase inverters. Sol. Energy 2020, 202, 409–419. [Google Scholar] [CrossRef]
- Xiao, S.; Shadmand, M.B.; Balog, R.S. Model predictive control of multi-string PV systems with battery back-up in a community dc microgrid. In Proceedings of the 2017 IEEE Applied Power Electronics Conference and Exposition (APEC), Tampa, FL, USA, 26–30 March 2017; pp. 1284–1290. [Google Scholar]
- Sarkar, S.K.; Badal, F.R.; Das, S.K.; Miao, Y. Discrete time model predictive controller design for voltage control of an islanded microgrid. In Proceedings of the 2017 3rd International Conference on Electrical Information and Communication Technology (EICT), Khulna, Bangladesh, 7–9 December 2017; pp. 1–6. [Google Scholar]
- Sadabadi, M.S.; Shafiee, Q.; Karimi, A. Plug-and-play robust voltage control of DC microgrids. IEEE Trans. Smart Grid 2017, 9, 6886–6896. [Google Scholar] [CrossRef] [Green Version]
- Wu, X.; Shen, C.; Iravani, R. A distributed, cooperative frequency and voltage control for microgrids. IEEE Trans. Smart Grid 2016, 9, 2764–2776. [Google Scholar] [CrossRef]
- Zheng, C.; Dragičević, T.; Blaabjerg, F. Model predictive control-based virtual inertia emulator for an islanded alternating current microgrid. IEEE Trans. Ind. Electron. 2020, 68, 7167–7177. [Google Scholar] [CrossRef]
- Yang, Q.; Zhou, J.; Chen, X.; Wen, J. Distributed MPC-Based Secondary Control for Energy Storage Systems in a DC Microgrid. IEEE Trans. Power Syst. 2021, 36, 5633–5644. [Google Scholar] [CrossRef]
- Morattab, A.; Akhrif, O.; Saad, M. Decentralised coordinated secondary voltage control of multi-area power grids using model predictive control. IET Gener. Transm. Distrib. 2017, 11, 4546–4555. [Google Scholar] [CrossRef]
- Farzin, H.; Fotuhi-Firuzabad, M.; Moeini-Aghtaie, M. Role of outage management strategy in reliability performance of multi-microgrid distribution systems. IEEE Trans. Power Syst. 2017, 33, 2359–2369. [Google Scholar] [CrossRef]
- Sandelic, M.; Peyghami, S.; Sangwongwanich, A.; Blaabjerg, F. Reliability aspects in microgrid design and planning: Status and power electronics-induced challenges. Renew. Sustain. Energy Rev. 2022, 159, 112127. [Google Scholar] [CrossRef]
- Muhtadi, A.; Pandit, D.; Nguyen, N.; Mitra, J. Distributed energy resources based microgrid: Review of architecture, control, and reliability. IEEE Trans. Ind. Appl. 2021, 57, 2223–2235. [Google Scholar] [CrossRef]
- Polimeni, S.; Meraldi, L.; Moretti, L.; Leva, S.; Manzolini, G. Development and experimental validation of hierarchical energy management system based on stochastic model predictive control for Off-grid Microgrids. Adv. Appl. Energy 2021, 2, 100028. [Google Scholar] [CrossRef]
- Tarragona, J.; Pisello, A.L.; Fernández, C.; de Gracia, A.; Cabeza, L.F. Systematic review on model predictive control strategies applied to active thermal energy storage systems. Renew. Sustain. Energy Rev. 2021, 149, 111385. [Google Scholar] [CrossRef]
- Cai, S.; Xie, Y.; Wu, Q.; Xiang, Z. Robust MPC-based microgrid scheduling for resilience enhancement of distribution system. Int. J. Electr. Power Energy Syst. 2020, 121, 106068. [Google Scholar] [CrossRef]
- Prodan, I.; Zio, E. A model predictive control framework for reliable microgrid energy management. Int. J. Electr. Power Energy Syst. 2014, 61, 399–409. [Google Scholar] [CrossRef]
- Xie, L.; Ilic, M.D. Model predictive economic/environmental dispatch of power systems with intermittent resources. In Proceedings of the 2009 IEEE Power & Energy Society General Meeting, Calgary, AB, Canada, 26–30 July 2009; pp. 1–6. [Google Scholar]
- Mariam, L.; Basu, M.; Conlon, M.F. Microgrid: Architecture, policy and future trends. Renew. Sustain. Energy Rev. 2016, 64, 477–489. [Google Scholar] [CrossRef]
- Horowitz, K.A.; Peterson, Z.; Coddington, M.H.; Ding, F.; Sigrin, B.O.; Saleem, D.; Baldwin, S.E.; Lydic, B.; Stanfield, S.C.; Enbar, N.; et al. An Overview of Distributed Energy Resource (DER) Interconnection: Current Practices and Emerging Solutions; National Renewable Energy Laboratory (NREL): Golden, CO, USA, 2019.





| Control Structure | Control Approach | Advantages | Disadvantages | Application | Ref |
|---|---|---|---|---|---|
| Primary Control | Adaptive droop control | Reduction of rotational current between parallel inverters | Resistances between converter terminals must be specified | DC/DC converter | [50] |
| Conventional droop | Simple and easy to implement, quick response | Unsuitable power sharing and stability | DC system | [51] | |
| Dynamic droop control | Suitable power sharing and stability | Slow response, complex to implement | AC system | [52] | |
| Secondary Control | Centralized control | System controllability | Occurs in the current sharing bus, the output voltage will drop | Cluster of MGs | [53] |
| Distributed control | Suitable for short transmission lines, accurate load sharing | Unsuitable for long transmission lines, security | DC/DC converter | [54] |
| Parameters | Sensitivity to Load Fluctuations | The Complexity of Control | Objective of Control | Control Strategy |
|---|---|---|---|---|
| Grid-Connected Mode | Low sensitivity due to better performance as a fixed source | Easy | PQ | P-Q Control |
| Island Mode | High sensitivity to load fluctuation due to low inertia | Complex | VF | V-F Control |
| Line Impedance Type | Line Impedance Angle | Power Equation | Droop Equation |
|---|---|---|---|
| L | |||
| RL | |||
| R | |||
| RC | |||
| C |
| Methods | Challenges | Ref. |
|---|---|---|
| Under an inductive/resistive feeder impedance condition | 1. Sensitivity to communication delays. 2. Failure of recovery of frequency drop in the presence of complex control loop. | [69,70,71,72,73,74,75,76,77,78] |
| Under an unknown impedance condition | 1. No proportional active power sharing. 2. Not considering total cost of generation. | [79,80,81] |
| Proportional active power sharing strategies | 1. Sensitivity to communication delays. 2. Not suitable for complex MG. | [82,83,84] |
| Strategy | Cost Function | Ref |
|---|---|---|
| FCS-MPC | [93] | |
| CSC-AFE | [94] | |
| VSC-AFE | [95] | |
| Motor drive | [96] | |
| MPDPC | [97] |
| Microgrid Based on MPC | |
|---|---|
| Predictive model | Dynamic of converters and RLC circuits, topology features, forecast, dynamic of DGs, ESSs, local demand |
| Control scheme | Centralized Decentralized Distributed/hierarchical |
| Objectives in cost function | Converter outputs: voltage, current, active power reactive power, circulating currents, Compensation of frequency and voltage |
| Control parameters | Voltage, frequency, active/reactive power |
| Solving algorithm | Exhaustive search (FCS-MPC, CCS-MPC) Specific toolbox and solver |
| Control Type | Advantages | Ref |
|---|---|---|
| DMPC | It has the benefits of MPC. Compatibility of constraints and good optimization performance. Flexibility distribution framework. There is also fault tolerance, connection and execution in the network. | [102] |
| MPC | Ensures maximum output power from the PV system. The controller increases the speed of the control loop. Increases error prediction and correction before the switching signal is applied to DC/DC converters. | [103] |
| MPC | Has the ability to predict the future behavior of the system. The proposed technique is able to cope with the limitations that often occur in practice. The predictive controller uses current system measurement, current system dynamics, target process variables and future event calculations that are rarely considered in other control techniques. This control uses the proposed cost function, which ensures high tracking performance of the microgrid system. | [104] |
| Droop | Frequency return under optimal active power control. The voltage restoration and power sharing reactive simultaneously. Select a critical path for voltage restoration or accurate reactive power sharing with AC side voltage limitation. | [105] |
| Droop | The voltage controller is fully centralized at the initial level and no digital communication is required. The design method is scalable. The controller ensures the stability of the overall microgrid system. The stable performance of the microgrid system is in accordance with IEEE standards. The controller provides control power according to load changes and microgrid structure. | [106] |
| Top-Down | Bottom-Up | |||
|---|---|---|---|---|
| Time Series | Econometric | Bass Diffusion | ||
| Prospective | Simple, easy to estimate and validate | High familiarity and use in other domains | Easy to specify | Modeling unique attributes of consumers |
| Consequence | Lack of expression of technical restrictions | Prediction aggregate adoption than feeder level is better | Sensitive to transient market effects | Requires computational investment resources |
Publisher’s Note: MDPI stays neutral with regard to jurisdictional claims in published maps and institutional affiliations. |
© 2022 by the authors. Licensee MDPI, Basel, Switzerland. This article is an open access article distributed under the terms and conditions of the Creative Commons Attribution (CC BY) license (https://creativecommons.org/licenses/by/4.0/).
Share and Cite
Razmi, D.; Lu, T. A Literature Review of the Control Challenges of Distributed Energy Resources Based on Microgrids (MGs): Past, Present and Future. Energies 2022, 15, 4676. https://doi.org/10.3390/en15134676
Razmi D, Lu T. A Literature Review of the Control Challenges of Distributed Energy Resources Based on Microgrids (MGs): Past, Present and Future. Energies. 2022; 15(13):4676. https://doi.org/10.3390/en15134676
Chicago/Turabian StyleRazmi, Darioush, and Tianguang Lu. 2022. "A Literature Review of the Control Challenges of Distributed Energy Resources Based on Microgrids (MGs): Past, Present and Future" Energies 15, no. 13: 4676. https://doi.org/10.3390/en15134676
APA StyleRazmi, D., & Lu, T. (2022). A Literature Review of the Control Challenges of Distributed Energy Resources Based on Microgrids (MGs): Past, Present and Future. Energies, 15(13), 4676. https://doi.org/10.3390/en15134676

