A VSG-Based Coordinated DC Voltage Control for VSC-HVDC to Participate in Frequency Regulation
Abstract
1. Introduction
- A coordinated control strategy is proposed to improve the response speed and capability in frequency regulation by adjusting DC voltage both at the sending and the receiving end.
- A method to design the transmitted power reference for frequency regulation by analyzing the process of traditional power system frequency regulation.
- An optimization model is built to derive the DC voltage reference for transmitted power adjustment.
- The small-signal model of the system is established to investigate the system dynamics and to select the tuning control parameters.
2. Problem Formulation
2.1. VSC-HVDC Control in Frequency Regulation
2.2. Advantages of Coordinated DC Voltage Control
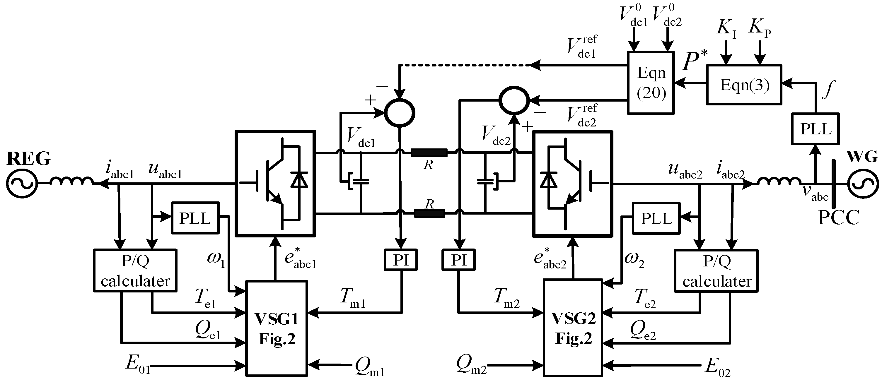
3. Control Strategy Design
3.1. VSG-Based DC Voltage Control Scheme
3.2. Optimization of DC Voltage References
4. Small Signal Model and Parameters Tuning
4.1. Small Signal Model
4.2. Parameters Tuning
5. Simulation Results
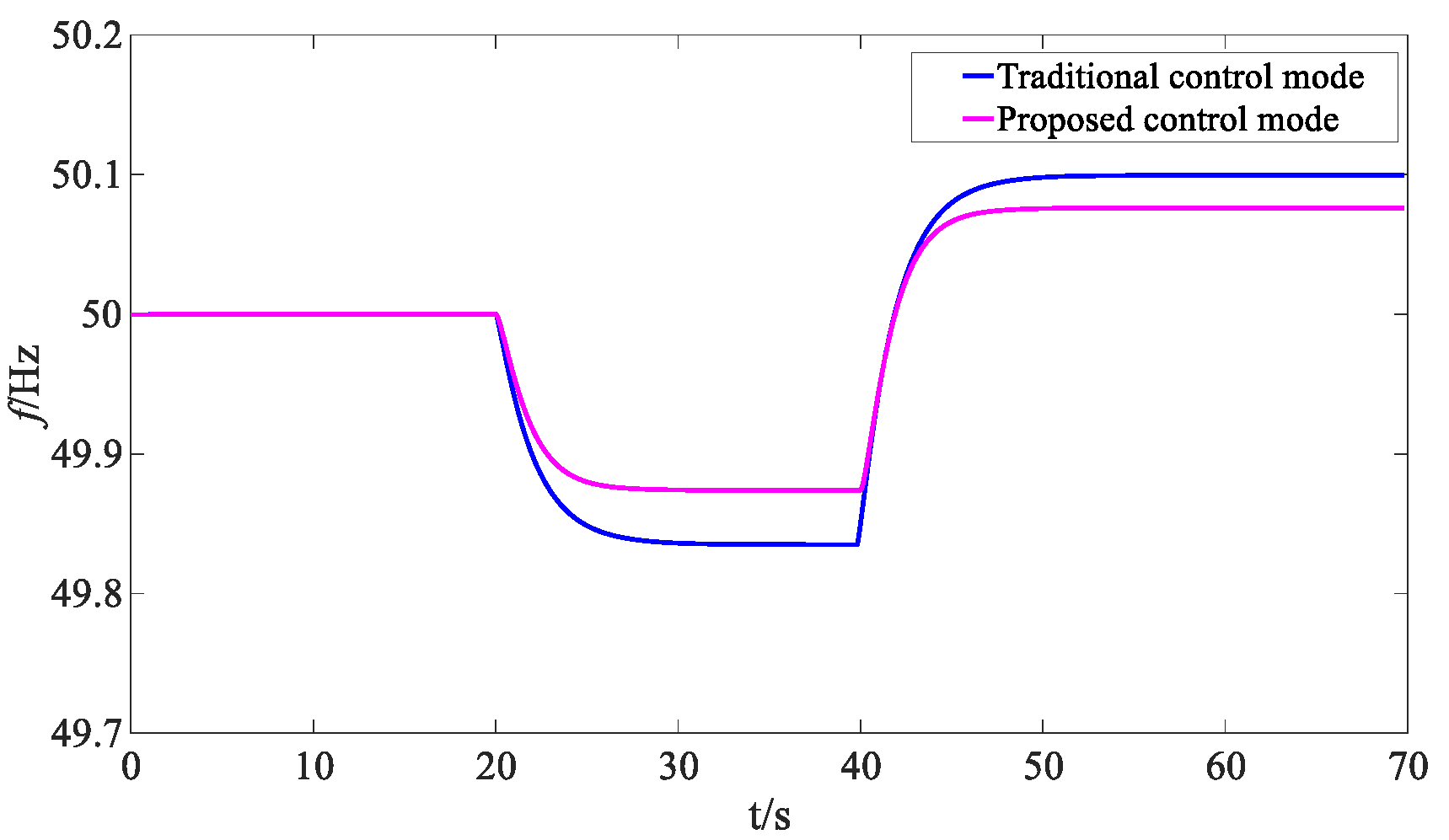
5.1. Sudden Load Changes
5.2. Short Circuit Faults
6. Conclusions
Author Contributions
Funding
Institutional Review Board Statement
Informed Consent Statement
Data Availability Statement
Conflicts of Interest
References
- Tan, Z.; Chen, K.; Ju, L.; Liu, P.; Zhang, C. Issues and solutions of China’s generation resource utilization based on sustainable development. J. Mod. Power Syst. Clean Energy 2016, 4, 147–160. [Google Scholar] [CrossRef]
- Flourentzou, N.; Agelidis, V.G.; Demetriades, G.D. VSC-Based HVDC Power Transmission Systems: An Overview. IEEE Trans. Power Electron. 2009, 24, 592–602. [Google Scholar] [CrossRef]
- Zhan, P.; Li, C.; Wen, J.; Hua, Y.; Yao, M.; Li, N. Research on hybrid multi-terminal high-voltage DC technology for offshore wind farm integration. J. Mod. Power Syst. Clean Energy 2013, 1, 34–41. [Google Scholar] [CrossRef][Green Version]
- Egea-Alvarez, A.; Bianchi, F.; Junyent-Ferre, A.; Gross, G.; Gomis-Bellmunt, O. Voltage Control of Multiterminal VSC-HVDC Transmission Systems for Offshore Wind Power Plants: Design and Implementation in a Scaled Platform. IEEE Trans. Ind. Electron. 2013, 60, 2381–2391. [Google Scholar] [CrossRef]
- Zhang, Z.-S.; Sun, Y.-Z.; Lin, J.; Li, G.-J. Coordinated frequency regulation by doubly fed induction generator-based wind power plants. IET Renew. Power Gener. 2012, 6, 38. [Google Scholar] [CrossRef]
- Mauricio, J.M.; Marano, A.; Gómez-Expósito, A.; Martinez Ramos, J.L. Frequency regulation contribution through varia-ble-speed wind energy conversion systems. IEEE Trans. Power Syst. 2009, 24, 173–180. [Google Scholar] [CrossRef]
- Roncero-Sánchez, P.; Torres, A.P.; Vázquez, J.; López-Alcolea, F.; Molina-Martínez, E.; Garcia-Torres, F. Multiterminal HVDC System with Power Quality Enhancement. Energies 2021, 14, 1306. [Google Scholar] [CrossRef]
- Liu, H.; Chen, Z. Contribution of VSC-HVDC to Frequency Regulation of Power Systems with Offshore Wind Generation. IEEE Trans. Energy Convers. 2015, 30, 918–926. [Google Scholar] [CrossRef]
- Fuchs, A.; Imhof, M.; Demiray, T.; Morari, M. Stabilization of Large Power Systems Using VSC–HVDC and Model Predictive Control. IEEE Trans. Power Deliv. 2013, 29, 480–488. [Google Scholar] [CrossRef]
- Sanz, I.M.; Chaudhuri, B.; Strbac, G. Inertial Response from Offshore Wind Farms Connected Through DC Grids. IEEE Trans. Power Syst. 2014, 30, 1518–1527. [Google Scholar] [CrossRef]
- Zhu, J.; Booth, C.D.; Adam, G.P.; Roscoe, A.J.; Bright, C.G. Inertia Emulation Control Strategy for VSC-HVDC Transmission Systems. IEEE Trans. Power Syst. 2013, 28, 1277–1287. [Google Scholar] [CrossRef]
- Junyent-Ferre, A.; Pipelzadeh, Y.; Green, T.C. Blending HVDC-Link Energy Storage and Offshore Wind Turbine Inertia for Fast Frequency Response. IEEE Trans. Sustain. Energy 2015, 6, 1059–1066. [Google Scholar] [CrossRef]
- Phulpin, Y. Communication-Free Inertia and Frequency Control for Wind Generators Connected by an HVDC-Link. IEEE Trans. Power Syst. 2012, 27, 1136–1137. [Google Scholar] [CrossRef]
- Stojković, J.; Lekić, A.; Stefanov, P. Adaptive Control of HVDC Links for Frequency Stability Enhancement in Low-Inertia Systems. Energies 2020, 13, 6162. [Google Scholar] [CrossRef]
- Nanou, S.I.; Papathanassiou, S.A. Grid Code Compatibility of VSC-HVDC Connected Offshore Wind Turbines Employing Power Synchronization Control. IEEE Trans. Power Syst. 2016, 31, 5042–5050. [Google Scholar] [CrossRef]
- Zhong, Q.-C.; Weiss, G. Synchronverters: Inverters That Mimic Synchronous Generators. IEEE Trans. Ind. Electron. 2011, 58, 1259–1267. [Google Scholar] [CrossRef]
- Wu, H.; Ruan, X.; Yang, D.; Chen, X.; Zhao, W.; Zhong, Q.C. Small-signal modeling and parameters design for virtual syn-chronous generators. IEEE Trans. Ind. Electon. 2016, 63, 4292–4303. [Google Scholar] [CrossRef]
- Guan, M.; Pan, W.; Zhang, J.; Hao, Q.; Zhang, Z. Synchronous generator emulation control strategy for voltage source con-verter (VSC) stations. IEEE Trans. Power Syst. 2015, 30, 3093–3101. [Google Scholar] [CrossRef]
- Aouini, R.; Marinescu, B.; Ben Kilani, K.; Elleuch, M. Synchronverter-Based Emulation and Control of HVDC Transmission. IEEE Trans. Power Syst. 2016, 31, 278–286. [Google Scholar] [CrossRef]
- Kundur, P. Power System Stability and Control; McGraw Hill: New York, NY, USA, 1994. [Google Scholar]
- Han, M.; Nguyen, P.; Yan, W. Inter-harmonics in multi-terminal VSC-based HVDC systems. J. Mod. Power Syst. Clean Energy 2016, 4, 282–291. [Google Scholar] [CrossRef]
- MathWorks MATLAB Simulink SimPowerSystems Blockset. Available online: http://www.mathworks.com/ (accessed on 7 January 2021).













| Parameter | SG1 | SG2 |
|---|---|---|
| Apparent Power | 400 MVA | 300 MVA |
| Rated voltage | 380 kV | 380 kV |
| Rated frequency | 50 Hz | 50 Hz |
| Inertial impedance | 6 Ω, 0.2 H | 5 Ω, 0.2 H |
| Inertia | 9 s | 7 s |
| Damping factor | 285 pu | 257 pu |
| Parameter | Value |
|---|---|
| Rated apparent Power | 400 MW |
| Nominal DC voltage | 300 kV |
| Nominal AC voltage | 220 kV |
| DC capacitance | 3.3 mF |
| Cable length | 100 km |
| Cable resistance | 0.05 Ω/km |
| Parameter | Value |
|---|---|
| Virtual inertia J | 1200 kg·m2 |
| damping factor D | 3.4 × 105 N·m·s/rad |
| ki | 1300 |
| kp | 95 |
Publisher’s Note: MDPI stays neutral with regard to jurisdictional claims in published maps and institutional affiliations. |
© 2021 by the authors. Licensee MDPI, Basel, Switzerland. This article is an open access article distributed under the terms and conditions of the Creative Commons Attribution (CC BY) license (https://creativecommons.org/licenses/by/4.0/).
Share and Cite
Zheng, T.; Chen, L.; Guo, Y.; Wei, W.; Zhou, B.; Sun, X. A VSG-Based Coordinated DC Voltage Control for VSC-HVDC to Participate in Frequency Regulation. Energies 2021, 14, 2712. https://doi.org/10.3390/en14092712
Zheng T, Chen L, Guo Y, Wei W, Zhou B, Sun X. A VSG-Based Coordinated DC Voltage Control for VSC-HVDC to Participate in Frequency Regulation. Energies. 2021; 14(9):2712. https://doi.org/10.3390/en14092712
Chicago/Turabian StyleZheng, Tianwen, Laijun Chen, Yan Guo, Wei Wei, Bo Zhou, and Xinwei Sun. 2021. "A VSG-Based Coordinated DC Voltage Control for VSC-HVDC to Participate in Frequency Regulation" Energies 14, no. 9: 2712. https://doi.org/10.3390/en14092712
APA StyleZheng, T., Chen, L., Guo, Y., Wei, W., Zhou, B., & Sun, X. (2021). A VSG-Based Coordinated DC Voltage Control for VSC-HVDC to Participate in Frequency Regulation. Energies, 14(9), 2712. https://doi.org/10.3390/en14092712
