Next Article in Journal
Vitalization Strategies for the Building Energy Management System (BEMS) Industry Ecosystem Based on AHP Analysis
Previous Article in Journal
Grid Services and Stress Reduction with a Flywheel in the Rotor of a Wind Turbine
 
 
Font Type:
Arial Georgia Verdana
Font Size:
Aa Aa Aa
Line Spacing:
Column Width:
Background:
Article

Techno-Economic Assessment of Coal-Fired Power Unit Decarbonization Retrofit with KP-FHR Small Modular Reactors

1
Department of Power Engineering and Turbomachinery, Silesian University of Technology, 44-100 Gliwice, Poland
2
Faculty of Energy and Fuels, AGH University of Science and Technology, 30-059 Krakow, Poland
3
Kairos Power LLC, Alameda, CA 94501, USA
4
Qvist Consulting Limited, London UB1 3EP, UK
5
Tauron Wytwarzanie S.A., 43-603 Jaworzno, Poland
*
Author to whom correspondence should be addressed.
Energies 2021, 14(9), 2557; https://doi.org/10.3390/en14092557
Submission received: 18 March 2021 / Revised: 25 April 2021 / Accepted: 26 April 2021 / Published: 29 April 2021
(This article belongs to the Section B4: Nuclear Energy)

Abstract

The near and mid-term future of the existing Polish coal-fired power fleet is uncertain. The longer-term operation of unabated coal power is incompatible with climate policy and is economically challenging because of the increasing price of CO2 emission allowances in the EU. The results of the techno-economic analysis presented in this paper indicate that the retrofit of existing coal-fired units, by means of replacing coal-fired boilers with small modular reactors, may be an interesting option for the Polish energy sector. It has been shown that the retrofit can reduce the costs in relation to greenfield investments by as much as 35%. This analysis focuses on the repowering of a 460 MW supercritical coal-fired unit based on the Łagisza power plant design with high temperature small modular nuclear reactors based on the 320 MWth unit design by Kairos Power. The technical analyses did not show any major difficulties in integrating. The economic analyses show that the proposed retrofits can be economically justified, and, in this respect, they are more advantageous than greenfield investments. For the base economic scenario, the difference in NPV (Net Present Value) is more favorable for the retrofit by 556.9 M€ and the discounted payback period for this pathway is 10 years.

1. Introduction

Policymakers of many countries, even those that have taken a more passive approach toward decarbonization, have started to define the dates by which their countries will completely abandon coal as an energy source. In the specific case of Poland, there is no such target defined yet, but the government has started to take decisive steps towards decarbonization and to ending the reliance on coal. On 25 September 2020, after consultations with miners’ unions, it was decided that the last coal mine in Poland will close by 2049. Such developments raise many questions regarding the direction of the energy transformation of this large economy, where coal has been determining the dynamics of economic development for many decades. Exploring viable techno-economic solutions that meet the above policy objective is key to achieving its goals and mission. One family of possible decarbonization options is the “retrofit decarbonization” of existing coal power plants. Retrofit decarbonization is an umbrella term that includes adding carbon capture, fuel conversion, and the replacement of coal boilers with new low-carbon energy sources, in each case re-using as much of the existing equipment as economically practicable while eliminating emissions [1].
In this paper, we study the retrofit decarbonization of coal units using a low-carbon heat source to an existing brownfield coal site. It is proposed that an advanced small modular reactor (SMR), the Kairos Power Fluoride-salt-cooled High-temperature Reactor (KP-FHR, currently under development by Kairos Power in the USA) will replace the coal furnace and boiler of a Polish coal fired power unit (the 460 MW unit at Łagisza power plant). In the literature, there is no detailed analysis assessing the feasibility of such a conversion and the associated range of issues (economic effectiveness, local capacity potential, construction possibilities, matching the parameters of integrated systems). The motivation for carrying out the analyses, the results of which are presented in this paper, is the potential possibility of the significant decarbonization of centralized energy production in Poland, while maintaining a high degree of use of the infrastructure of large coal-fired units, which have been put into operation in in large numbers in Poland in the last dozen years. The need to look for options for decarbonizing this type of systems results from the increasing costs of electricity production, which is a direct result of the increasing price of greenhouse gas emission allowances [1]. The positive environmental impact of proposed retrofit, besides the elimination of greenhouse gasses emissions, are associated with other pollutants emissions (PM, NOx, and SO2) exclusion. This is of great importance to countries like Poland, which struggle with a low quality of air. Although the centralized power plants are equipped with advanced flue gas treatments plants which reduce pollution significantly (up to 99.5%), removing the remainder of these emissions still constitutes an important positive environmental impact.
The Section 1 of this paper provides the background of the Polish coal power sector, the available retrofit options of coal units, and a brief overview of SMRs and the selected KP-FHR. The Section 2 provides the technical, performance estimation, and economic assessment methodology. The Section 3 provides the results of the techno-economic analysis. Finally, the summary and concluding remarks are provided in the Section 4 .

1.1. Coal Power Sector in Poland

Poland is one of the world’s most coal-dependent economies. The energy obtained by burning lignite and hard coal accounts for about 75% of the annual electricity production, and the installed capacity in coal-fired units accounts for 67% of the total capacity of all generation sources [2]. Renewable energy sources (RES) investments have been increasing in the last decade; at the end of August 2020, wind farms in Poland had an installed capacity of 6039 MW, while the installed capacity of PV installations was 2261 MW [3]. Despite this increasing investment in RES, energy security in Poland is still provided by coal-fired units [4]. The currently installed capacity of coal power in Poland is 31.5 GW out of a total installed capacity of all sources of 46.8 GW. The Polish power system is facing a major investment challenge, which results from the considerable age of many currently operating power generation units. It is estimated that almost half (48.5%) of the installed capacity in coal-fired units over 50 MW is over 20 years old. Among these units, the majority are “200 MW-class” and “360 MW-class units”, with an installed capacity of 12,300 MW and 5776 MW, respectively, at the end of 2019. Many of these low efficiency generating units are over 40 years of age. Due to the low energy performance and high maintenance costs, many of these units are scheduled to be decommissioned in the coming years. The need for investments, due to the increasing environmental requirements and the increasing costs of CO2 emissions, contribute to the rapid decrease of their competitiveness. However, for the moment, these units must be kept at the disposal of the national energy system operator, due to the lack of the implementation of new reliable generation sources in the energy sector. Among the coal-fired units commissioned in the last decade, large units with supercritical parameters dominate (a total of 6083 MW of installed capacity). All the Polish supercritical units in operation are summarized in Table 1. Only three of these units have capacity lower than 560 MW, i.e., the level of installed capacity in the two largest subcritical hard coal units, i.e., units B9 and B10 at the Kozienice power plant, commissioned in 1978 and 1979, respectively.
The supercritical units listed in Table 1 are characterized by high efficiency, ranging from 41.0% to 45.9%, and directly translating into lower CO2 emission rates compared to subcritical units. Despite the fact that this somewhat mitigates the impact of the increasing prices of greenhouse gas emission allowances, even at the current allowance price, the imposed CO2-costs are already comparable to the most important cost in the cash flow structure—the cost of fuel. The increase in cost forces a significant increase in electricity prices, which in turn reduces the competitiveness of the entire economy.
It can be expected that the two coal-fired units launched in 2020, a 910 MW unit in Jaworzno and a 496 MW unit in Turów, were the last investments in the coal-based power generation sector in Poland. The total installed capacity in supercritical coal-fired units in Poland constitutes approximately 13% of the total installed capacity in the system. Keeping these sources at the disposal of the national energy system operator for the next several decades may be a key element in providing energy security to the power system during its transformation.

1.2. Options for Decarbonizing Polish Supercritical Coal-Fired Power Units

It can be assumed that regardless of the condition of the Polish economy and the technical status of coal-fired units, their unabated operation in the current state will not be possible in the next decades. This is determined to a large degree by the EU’s commitments formulated by international agreements. According to the Paris Agreement, the goal for the European Union is to achieve climate neutrality by 2050, signifying an economy with net-zero greenhouse gas emissions. The overall goal of the agreement is to keep the global temperature rise well below 2 °C and aim to keep it at 1.5 °C [5]. In addition to implementing RES, the European Commission specifies the idea of a circular economy as an effective method of carbon abatement, promoting clean mobility, developing smart network infrastructure, reaping the full benefits of bioeconomy and creating essential carbon sinks. A technology that can potentially enable the continued use of fossil fuels in the energy sector is carbon capture and storage.
Based on global experience, it can be assumed that the expected lifetime of supercritical coal-fired units may be from 35 to over 50 years [6,7,8,9]. This means that the decommissioning of the newest coal-fired units in Poland could take place even after 2070, i.e., more than 20 years after the planned achievement of climate neutrality. For this to happen, however, the amount of CO2 emitted by these units must be limited. For this purpose, it is necessary to implement appropriate modernization programs, which could generally run in the following directions [1]:
  • integrating coal-fired units with Carbon Capture and Storage (CCS) installations;
  • replacing coal boilers with bio-energy based boilers (and possibly additional integration with CCS installations, which may lead to obtaining negative CO2 emissions by the units [10]);
  • retrofitting coal boilers with a nuclear reactor or nuclear reactors system, or, potentially high-temperature deep-drill geothermal heat sources.
The factors that determine the most suitable pathway for the modernization and decarbonization of supercritical units are mainly: (i) access to the technologies and fuels, (ii) social acceptance of the technological solutions, (iii) the amount of investment expenditure incurred for modernization, and (iv) the environmental policy determining the costs incurred for greenhouse gas emissions. In this paper, the analysis covers the case of retrofit and replacing a coal boiler with a system of nuclear reactors. This direction is of particular importance as there is significant progress worldwide in the development of this technology and strong local policy support in Poland. Advanced reactors (generation IV) enable obtaining high steam parameters, corresponding with the highest parameters that are currently used in supercritical coal-fired power units. Retrofit Decarbonization by repowering coal plants with advanced nuclear reactors appears to align well with scientific evidence and political targets within the European Union both in regard to reducing emissions of greenhouse gases as well as the aspect of a “just transition”, since the idea allows for a large share of existing local power plant jobs to be retained. In terms of general sustainability, a 2021 Science for Policy report by the Joint Research Centre (JRC), the European Commission’s science and knowledge service, concluded that nuclear is no more harmful to human health or to the environment than any other energy technology considered to be sustainable, such as wind or solar power [11].

1.3. Development of SMR Technology

Three basic structural elements can be identified in the structure of nuclear power units: a nuclear island (NI), a turbine island (TI) including a steam turbine, electricity generator, condenser, pumps, and heat exchangers, and the balance of plant equipment (BOP). TI and BOP are elements that also occur in the structure of coal-fired power units. Moreover, the machines and equipment identified in these groups do not have to differ from each other in the case of both technologies, although some differences do occur, e.g., resulting from safety requirements for the operation of nuclear power plants. The level of similarity of these elements determines the possibility of carrying out a nuclear retrofit for a coal-fired unit and the amount of investment required for this purpose.
Currently, out of 441 nuclear units in operation globally, there are 424 water-cooled reactor units [12]. The technology in which water is the heat carrier in the primary circuit of a nuclear reactor requires the use of relatively low temperatures and high pressures. Regardless of the reactor technology used, the temperature of the steam feeding the steam turbine does not exceed 290 °C, and the pressure does not exceed 7.5 MPa. The use of such parameters within a steam turbine requires different designs as compared to steam turbines used in supercritical coal-fired units. The higher specific volume of the steam supplying the turbine requires the use of much larger outlet cross-sections in order to obtain similar capacity. The operational safety criterion requires the use of indirect dryers on the expansion line to obtain the appropriate quality of steam directed to the condenser. Thus, the retrofit of coal-fired units, and replacement of the coal boiler with a nuclear reactor or a system of reactors, requires deep changes in the design of the steam turbine cycle, including the need to eliminate some of the blade stages. These changes would result in a significant decrease in the efficiency of the steam turbine assembly and a significant associated retrofit cost. The SMRs that are closest to commercialization, for example from NuScale [13,14] (commercialization planned before 2030) or GE-Hitachi (BWRX-300—commercialization planned for 2027 or 2028) are also water-cooled designs. Although these reactors can be heat sources for small systems, the temperatures of the coolant obtained at the reactor outlet do not exceed 300 °C, which makes them less attractive in terms of decarbonization of supercritical units.
The expected commercial implementation of new generation nuclear reactors provides the opportunity for more favorable adaptations of the steam turbine units of the currently operating coal-fired units, and thus their decarbonization. The most promising from the perspective of coal plant repowering are the SMRs under development where the primary coolant instead is a gas, a liquid metal or salt. In the case of these high-temperature reactors, the steam turbine working medium can be heated to a temperature of up to 600 °C. The steam of the steam turbine cycle can receive heat directly from the reactor’s primary coolant or from secondary coolant in the intermediate heat transport system, or from a thermal storage system separating the heat source and the coal plant steam cycle. Taking into account the wide range of thermal capacities of the planned reactors, it seems that the SMR technology may contribute not only to the area of electricity production, but also in the district heating systems and in the chemical industry sector [15,16]. Many countries are currently working on the development of high-temperature SMRs. Among the currently developed reactors, the following can be mentioned: HTR-PM (country: China, cooling medium: gas, thermal power: 250 MW, expected first operation: 2021), Kairos Power KP-FHR (USA, salt, 320 MW, 2030 or earlier), Terrestrial iMSR (Canada, salt, 400 MW, late 2020s), ThorCon (USA, salt, 557 MW, late 2020s or early 2030s), X-Energy (USA, gas, 200 MW, by 2027), Seaborg (Denmark, salt, 250 MW, 2027), USNC (USA/Canada, gas, 15 MW, mid 2020s), U-Battery (gas, 10 MW, 2028), Moltex SSR-W/U/Th (salt, 330 MW, early 2030s), Terrapower MCFR (salt, 600–2500 MW, early 2030s), SINAP TMSR-LF150 (China, salt, 357 MW, 2030). In a broader scope, the maturity of the SMR technology and aspects related to the licensing of reactors were discussed by Qvist et al. [1].

1.4. Kairos Power KP-FHR

The analysis presented in this paper used the Kairos Power Fluoride-salt-cooled High-temperature Reactor (KP-FHR), developed by the US-based company Kairos Power, as a baseline design. The KP-FHR is a Generation IV advanced nuclear reactor design, utilizing a novel fuel and coolant combination relative to current commercial LWRs. The primary coolant FLiBe, is a eutectic salt mixture of LiF and BeF2, has a boiling point of 1430 °C, allowing for high temperature operation at low pressure. FLiBe also has a similar volumetric heat capacity to water. Low pressure operation and high volumetric heat capacity enable the use of thinner-wall, lighter, and more compact components, in turn reducing physical footprint and cost. Additionally, FLiBe has excellent chemical solubility with major fission products, acting as a barrier to radiological release. The KP-FHR uses tristructural isotropic (TRISO) high-assay low-enrichment uranium (HALEU) fuel in pebble form for a continuously recirculating bed. TRISO fuel has excellent fission retention capabilities to above 1600 °C and therefore acts as another safety feature in the defense-in-depth design of the KP-FHR. The reactor design also utilizes passive safety features, requiring little to no operator intervention in case of a transient in order to remove decay heat.
In the case of retrofit aimed at replacing the coal boiler with a system of SMRs, the use of a steam generator is required. The technology assumes the use of two closed loops for heat transfer from the reactors to the steam turbine cycle through the steam generator:
  • a primary heat transport system where FLiBe salt (LiF/BeF2) is used as heat carrier;
  • an intermediate heat transport system where solar salt (NaNO3/KNO3) is used as a heat carrier.
In the primary heat transport system, hot FLiBe is pumped by the pump at the outlet of the reactor. FLiBe is then circulated through an intermediate heat exchanger, transferring heat to solar salt, which in turn is pumped and circulated through the steam generator. Here, solar salt transfers heat to hot feedwater from the feedwater heater train. The steam generator is not part of the reactor module and is an element that requires design for the specific steam turbine unit being retrofitted.
A more detailed description of technology is presented by Blandford at al. [17,18]. A list of basic parameters for the technology is shown in Table 2.
The selection of the KP-FHR reactor to carry out the retrofit analyzes of the coal-fired power unit, which in turn was adopted for the analyses based on the technical criteria listed in Section 2.1.1, took place after considering the possibility of meeting the following criteria:
  • the possibility of matching the thermal power of the reactor or reactors system and the heat demand of the steam turbine unit,
  • the possibility of obtaining the live steam and reheated steam temperatures required by the steam turbine unit.
As shown by the results of the analyses presented in Section 2.2.2, the system of three KP-FHR reactors perfectly meets the mentioned criteria. The authors also analyzed other cases of Polish coal-fired units in the context of the possibility of carrying out SMR retrofits, for which, based on the analyses performed, such reactors as HTR-PM and ThorCon were selected as reference. Selected conclusions from the analyses can be found in Qvist et al. [1].

2. Methods

2.1. Case Study Selection

The analyses conducted as part of the study were aimed at assessing the technical feasibility of carrying out a nuclear retrofit for a selected coal unit working with supercritical parameters. As part of the study, economic analyses were also carried out, in order to compare the economic trade-off between the continued operation of the coal-fired units to the newly retrofitted ones.
The starting point for the formulated analyses was the selection of a reference coal-fired unit from among all supercritical units currently operating in Poland (see Table 1). It was assumed that the selected reference unit would be retrofitted by replacing the coal-fired boiler with the system of reference KP-FHRs, described in Section 1.4.

2.1.1. Criteria for the Reference Coal-Fired Power Unit Selection

The basic technical criteria taken into account when selecting the coal-fired units for nuclear retrofit are:
  • TC1: technical condition of the coal-fired unit and expected remaining lifetime;
  • TC2: the operating parameters of the feedwater and steam in the coal-fired unit (at the inlet and at the outlet of the boiler) matching the operating parameters of the nuclear reactor, replacing the coal boiler;
  • TC3: the thermal efficiency of the steam turbine unit, which determines the efficiency of primary energy conversion;
  • TC4: the thermal power capacity of the coal boiler which determines the number of reactor units required for the nuclear retrofit;
  • TC5: the physical arrangement of the power plant, deciding on the construction schedule and the possibility of carrying out and completing the reactor construction and retrofit process in parallel with continuous operation of the coal-fired unit.
Considering the above technical criteria, the supercritical units currently operating in Poland seems to be the most advantageous for potential retrofit with KP-FHR units. First of all, they are characterized by a short total operation time, and thus a long expected remaining lifetime (TC1). Even the oldest supercritical unit, which was commissioned in 2008, will be of a moderate age in 2030, when commercialization of the first advanced SMRs is expected. As mentioned before, the parameters of steam generated within boilers included in supercritical coal-fired units are similar to the parameters that can be obtained by steam within steam generators integrated with nuclear reactors (TC2). Nevertheless, it should be noted that the retrofit of the newest units, starting with the B11 unit in Kozienice, may be difficult, or may require the change of live and reheated steam temperatures that exceed the design temperatures that can be achieved by SMR systems. Taking into account the temperature level of the solar salt at the outlet of the Kairos KP-FHR reference reactor, it should be assumed (see Table 2) that if a system of such reactors is used, it is possible to properly design a steam generator that will enable the production of steam with optimal parameters for steam turbines of supercritical units commissioned in Poland between 2008 and 2011. Thus, it should be concluded that the TC2 criterion limits the number of units that can be retrofitted to three units. The TC2 criterion is better met by subcritical coal-fired units, for which steam temperatures generally do not exceed 540 °C. Considering the TC3 criterion, each of the supercritical units is characterized by high efficiency in relation to the efficiency of the coal units currently operating in Poland. Among the units positively verified by the TC2 criterion, the B10 unit operating at the Łagisza power plant is characterized by the highest efficiency. This unit should also be positively assessed, similarly to the B9 unit operating at the Pątnów power plant, using the TC4 criteria. These units are characterized by the lowest heat demand among all the supercritical blocks considered. In the case of these units, the thermal capacity requires the use and coupling of three KP-FHR units. In the case of unit B14 at the Bełchatów power plant, with a capacity of 858 MW, there would be a need to use as many as six reference reactors. In practice, the use of a smaller number of reactors with a thermal power that best matches to the needs of the steam turbine unit will reduce initial investment costs and complexity. The last criterion, TC5, concerns the ability of the area surrounding the supercritical unit to accommodate the required construction, installation, and retrofit work. It is also important to enable the parallel operation of the supercritical coal-fired units during development and construction work of the nuclear reactor system, until the final integration of the steam turbine cycle with the reactors system is carried out, to reduce the opportunity cost of the retrofit. In close proximity to the newest supercritical units, there is high potential for carrying out such construction works, resulting from the “CCS (Carbon Capture and Storage) ready” design requirement of these blocks. This requirement provisions for space for the possible future development of a carbon dioxide separation and compression system. In addition, for both the 460 MW unit (at Łagisza) and the 474 MW unit (at Pątnów), it can be assumed that a suitable site in 2030 will be available due to the need to decommission the subcritical units currently operating at these power plants in close proximity to supercritical units.
The analyses were aimed at determining the technical possibilities and economic profitability of replacing steam boilers in the structures of coal-fired units with a nuclear reactor or a system of nuclear reactors. The reference coal-fired unit used for the above analyses was the 460 MW unit-10 of the Łagisza Power Plant. The 460 MW power unit is the smallest supercritical generation unit currently operating within the Polish power system.

2.1.2. Reference Coal-Fired Power Unit

The 460 MW power unit (Unit No 10) operating at the Łagisza power plant, owned by the Tauron Polska Energia SA Group, was commissioned in 2009. Łagisza Power Plant is located in Będzin, in the Śląskie Voivodeship, in southern Poland. Tauron Polska Energia SA is the second biggest company in terms of energy production in Poland. Tauron owns many power plants, mainly located in southern Poland. The 460 MW power unit was the world’s first supercritical unit with a Circulating Fluidized Bed (CFB) boiler. The gross unit efficiency is 45%, while net efficiency is 42.8%, making it one of the most advanced and efficient power generation units in Poland. Its specific CO2 emissions are about 830 kg/MWh. The boiler was designed and built by the Foster Wheeler company. The boiler is fed with hard coal as its basic fuel, with additional fuel in the form of coal sludge. The boiler is a sensitive element and is a major factor in the unit’s availability. For its first few years of operation, the unit suffered outages due to problems resulting from intense erosion of boiler components. Improvements introduced in recent years have significantly increased the unit’s availability. The steam turbine was provided by Alstom Power. According to current plans, the unit is to operate until at least 2046 [19].

2.2. Modeling and Design

2.2.1. Model of Reference Coal-Fired Unit

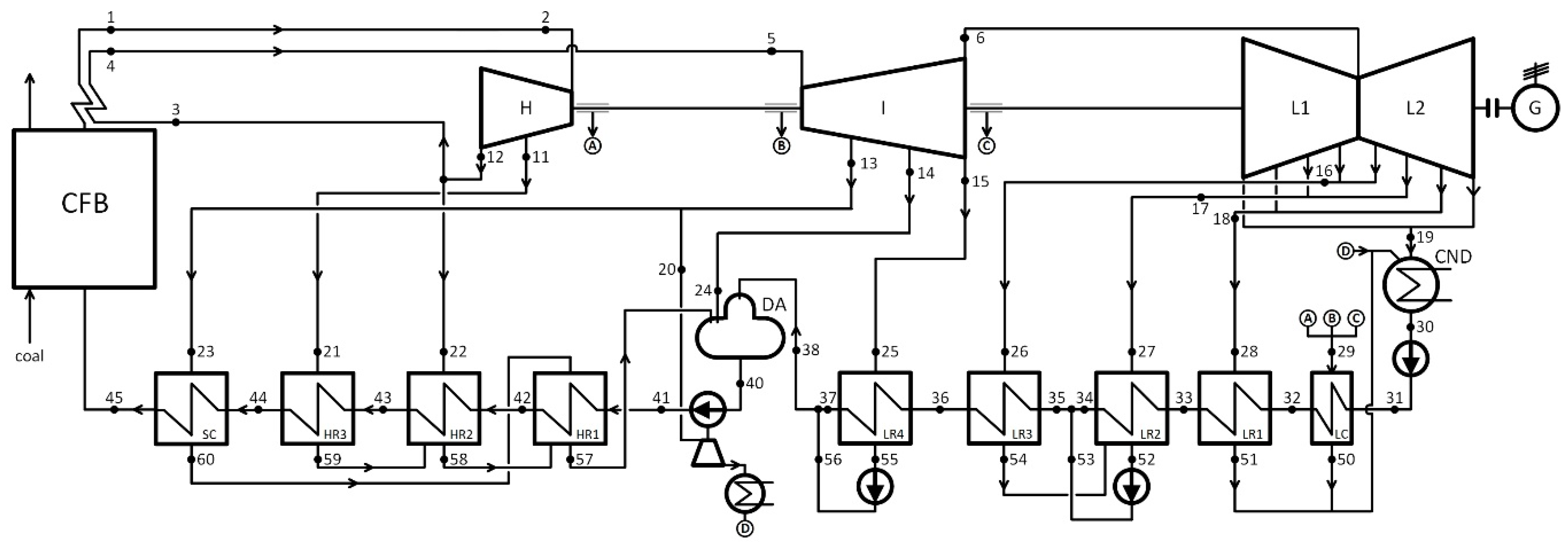
The model of the power unit is based on the use of mass and energy balance equations for individual components of the steam-water cycle and the steam expansion line computational algorithm in subsequent stages of the steam turbine. The model was developed in Engineering Equation Solver software [20] and it makes use of the IAPWS-IF97 steam tables. The flow diagram of the power unit is shown in Figure 1. The CFB boiler is equipped with a steam reheater. The steam turbine is a three-pressure machine, consisting of a high-pressure (HP), intermediate-pressure (IP), and double-exhaust symmetric low-pressure (LP) sections. The low-pressure turbine has four extraction ports for low pressure feedwater heating. Preheat condensate takes place in the leaks cooler (LC). The low-pressure regenerative feedwater heaters (FWH) LR1, LR2 and LR3 are supplied with steam taken from the extraction ports of the LP section of the steam turbine. The LR4 FWH is supplied with steam taken from a bleed port located between the IP section (I) and LP sections (L1, L2) of the steam turbine. After the heat transfer in the diaphragm heat exchangers, the condensate is directed to the deaerator, which is fed with steam taken from the extraction ports of the IP steam turbine. The HP regeneration consists of three regenerative heat exchangers and a steam cooler (SC). The HR3 FWH is supplied with steam taken from the extraction port of the HP section of steam turbine. The HR2 FWH is supplied with steam taken from a bleed port located between a HP section and reheater. The HR1 FWH is supplied with steam taken from an extraction port of the IP section steam turbine, after its initial cooling in the steam cooler. The feedwater train includes feedwater and condensate pumps.
A thermodynamic model of the power unit was developed to analyze the retrofit and replacement of the boiler with a system of nuclear reactors. Among the most important parameters are the live steam parameters, the temperature and pressure at the inlet of the steam turbine, 560 °C and 27.5 MPa, respectively. The reheated steam parameters at inlet of the steam turbine are 580 °C and 4.95 MPa. Other assumptions which serve as inputs to the balance calculations are thermodynamic parameters at characteristic points of thermal cycle, as well as the specific differences and increments in temperature, pressure drop and efficiency of steam cycle components. All these assumptions determine the design conditions for the Łagisza 460 MW unit and are summarized in Table 3. The adopted values were obtained from power unit operator.
The model validation was based on the use of three quantities: gross power capacity, net power capacity, and gross efficiency. Table 4 compares values obtained from the power unit operator and model results for the above parameters. Differences between gross power capacity and gross efficiency values are not significant. Respective relative differences (model error) are equal to less than 0.087% and slightly more than 0.311%. The model error in determining the net power is equal to 0.107%. The model is deemed to sufficiently accurate in reflecting the performance characteristics of the unit at nominal load.
The analyses regarding the Łagisza 460 MW unit retrofit were focused on replacing the CFB boiler with KP-FHR nuclear reactors. Based on the results of calculations carried out using the power plant model, it was determined that the CFB and RH thermal powers are 957.1 MW and 83.9 MW, respectively.

2.2.2. Steam Cycle Integration

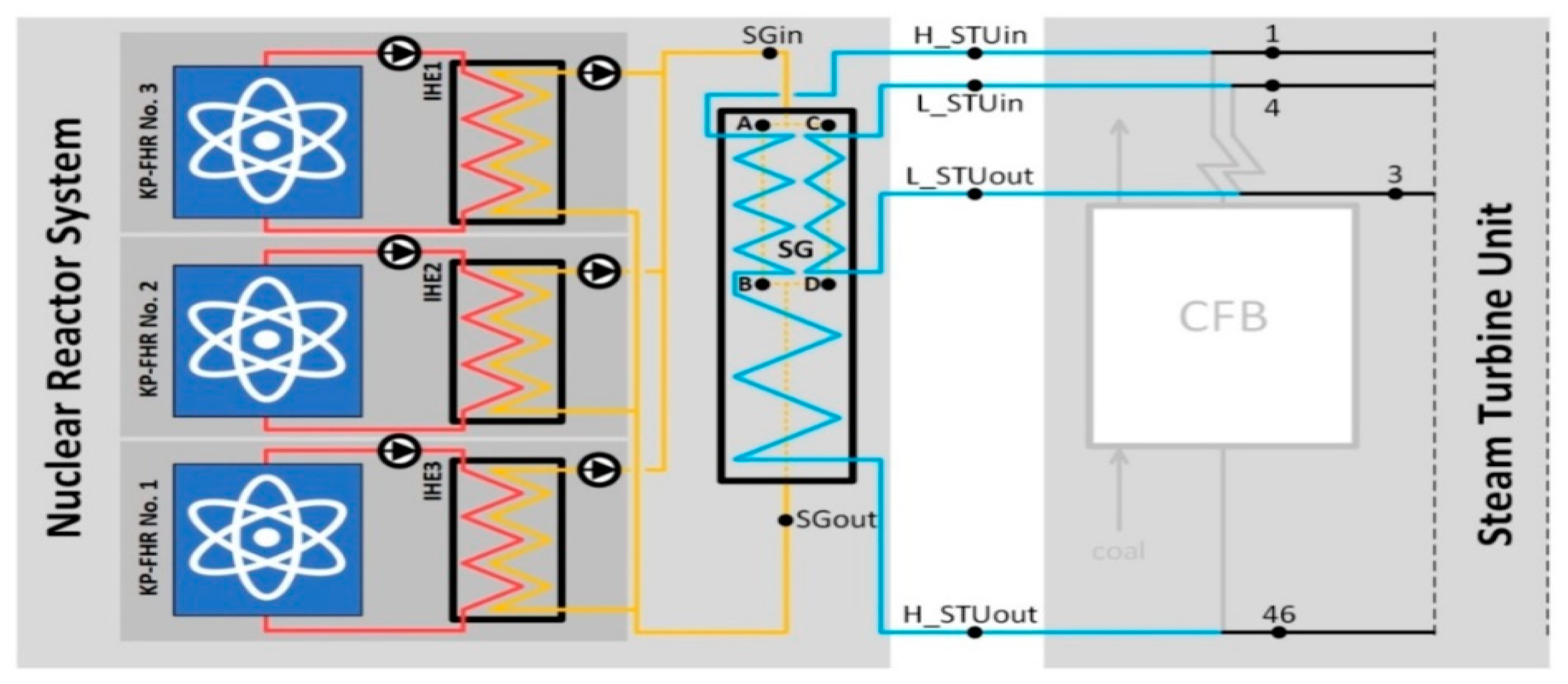
Figure 2 shows the proposed integration of the steam turbine unit (STU) of the Łagisza 460 MW power unit with a system of three KP-FHR units. It has been assumed that one steam generator (SG) is used in the system for the purposes of heat transfer from the three reactors. Solar-salt receives heat from FLiBe within three intermediate heat exchangers (IHE), that are an integral part of the reactor modules. It was assumed that in the high-temperature part of the steam generator, two heat exchangers, i.e., the superheater and reheater, are installed in parallel on the solar-salt stream. Division of the whole stream into two streams feeding these two parallel exchangers is carried out so that the salt temperatures in the two streams leaving the individual exchangers are the same (tB = tD). It was also assumed that the steam generator efficiency is 99%. Further, each reactor is assumed to deliver a thermal power of 319.8 MW. The above two assumptions result in a steam generator thermal power of 949.8 MW, which is 7.3 MW lower than the thermal power of the CFB boiler (957.1 MW). This implies that the integration of the 460 MW steam turbine unit with the proposed configuration of three reactors is feasible in terms of matching the nuclear system production potential with the thermal needs of the steam turbine unit.
According to the data shown in the Table 2 it was assumed that the reactor system works with the following solar-salt parameters:
mSGin = 3 × 2080 kg/s = 6240 kg/s,
tNRout = 600 °C,
tNRin = 500 °C.
Additionally, it was assumed that the pressure losses occurring within the steam generator on the primary- and secondary-side fluids are analogous to the CFB boiler, which is a replaced element in the system. In fact, it can be assumed that the pressure loss on the working medium side will be reduced due to the significant reduction in the heat exchange surface are a required for heat transfer to the water and steam, due to the improved heat transfer characteristics of the solar salt relative to flue gas. The reduction of the heat exchange surface area will be most pronounced within the water heater. If the reactors are to be operated with nominal power, then a decrease in the steam turbine unit capacity is necessary. To adjust the load of the steam turbine unit to the production potential of reactors operating at nominal load, a slight correction on the steam cycle side is required. Such an adjustment can be made with a slight decrease in the capacity of the feed water pump. The consequence of this procedure are slight changes in the operating characteristics of the steam turbine cycle. In the analysis it was assumed that the steam turbine operates with sliding pressure. Such small changes in the steam turbine load range do not require the use of a steam turbine throttle valve.

2.3. Economic Assessment

2.3.1. Assessment Indicators

An assessment of economic effectiveness for investment in the retrofit of the power unit (retrofit pathway—RET), in accordance with the above technical assumptions, was carried out. The RET case was compared to a case without an investment path, i.e., for the continued operation of the power plant as a coal unit (reference pathway—REF) and a Greenfield type investment (Greenfield pathway—GF) based on economic indicators.
The economic analysis was carried out assuming that the analyzed retrofitted unit equipped with SMRs operates in a regulated electricity market, with loan guarantees, and with regulated prices, similar to the coal-fired unit, which was the reference unit in the scope of economic analyses.
The economic assessment of the RET case was based on the evaluation and difference between the Net Present Value (NPV) of alternate cases. Additionally, the Discount Payback Period (DPP) was determined in the analysis.
In general, the NPV can be calculated as:
N P V = τ = 1 n N C F τ ( 1 + r ) τ T C I C ,
where n is the plant lifetime, NCFτ is the nominal cash flow in year τ and TCIC is the total capital investment cost over the construction time (including the financial costs).
The nominal cash flow can be calculated as:
N C F τ = O M C τ + D E C τ
where OMCτ are the operations and maintenance costs in year τ, DECτ are the decommissioning costs in year τ. Thus, for the retrofit of the existing plant, in order to assess the value for all investors, the ΔNPV can be calculated as:
Δ N P V = τ = 1 n ( N C F RET , τ N C F REF , τ ) ( 1 + r ) τ T C I C RET ,
where subscript RET refers to retrofitted power unit and REF to reference coal power unit.
The DPP for the retrofit can be assessed from:
Δ N P V = 0 = τ = 1 DPP ( N C F RET , τ N C F REF , τ ) ( 1 + r ) τ T C I C RET .

2.3.2. Assumptions

Conducting the above analysis with the use of defined assessment indicators required making assumptions relating to the economic factors of RET and REF. This section presents the assumptions adopted for the analysis. All base assumptions correspond to predicted values for 2031, which is considered the first year of operation of the unit after the investment process.
Lifetime
The construction time, annual operation time, and total operation time (TOT) from commissioning to decommissioning are the quantities that significantly determine the economic efficiency of investments in the energy sector. SMR technology allows for a significant reduction in the construction time of nuclear power plants, which may be a factor that significantly reduces the investment risk, and thus also encourages potential investors [21]. The expected construction time for the first-of-a-kind SMRs is 4 years. It is estimated that ultimately the construction time can be reduced to 2 years. According to entities currently working on the development of SMRs, including Kairos Power, the first units could be put into service in the early 2030s. This would mean that investment procedures should start toward the end of the current decade. According to some SMR suppliers, the annual working time of SMRs may exceed 8000 hours. These high-capacity factors, exceeding 95% [21], is the result of minimized time required for refueling and planned maintenance. For the purposes of the analyses, a base capacity factor of 90% was assumed. The total operational lifetime of nuclear units can exceed 60 years [22], with several US reactors already licensed for 80 years of operation and discussions regarding 100 years of operation in progress. For the purposes of the analyses, a working time of 30 years was assumed specifically as a base for the purposes of the NPV comparison calculation, which is performed at 30 years for both continued operation of the existing coal plant as well as the other analyzed options (retrofit with SMR and greenfield SMR).
Capital Costs
The total capital investment cost (TCIC) is the sum of the overnight capital cost (OCC) and interests during construction (IDC). The expected SMR unit OCC (uOCC) is broadly discussed by Mignacca et al. [21], with values varying from around 2000 US$/kWe to 7000 US$/kWe for greenfield (GF) new power plants. This topic was also addressed by Qvist et al. [1]. The value of 3500 €/kWe was taken as the base value for the uOCCGF. The analyses were carried out with a wider range of uOCC values (from 2000 to 5000 €/kWe). The assumed level of 5000 €/kWe can be expected for FOAK (first-of-a-kind) investments. The main subject of interest in the analysis is the investment concerning the retrofit of the supercritical power unit, consisting of replacing the boiler island with a system of nuclear reactors. When estimating the amount of OCC for the retrofit of the unit, it should be noted that a large part of the structure of the existing power unit, including the steam turbine, feedwater heat exchangers, generator, condenser cooling system and grid connection, will be part of the nuclear unit. It leads to very significant cost savings compared to greenfield power plants. Figure 3 shows the overnight capital cost breakdown, and the potential cost savings introduced by retrofitting relative to a greenfield SMR project. The value of 32% was taken as the base value for retrofit saving (RS) in overnight capital costs. For the purposes of economic analysis for the RET case, the total investment was calculated using the following Equation (8):
T C I C R E T = O C C G F ( 1 R S ) + I D C R E T .
The IDC were calculated based on [23]:
I D C R E T = N 2 [ O C C G F ( 1 R S ) N ( 1 + r l ) N 1 O C C G F ( 1 R S ) N ] ,
where N is the number of years of construction and r l is the interest rate on the construction loan.
Operation and Maintenance (O&M) Costs
Operation and maintenance costs ( O M C ) calculated in the analyses can be divided into variable costs ( V O M C , dependent on electricity production) and fixed costs ( F O M C , dependent on installed capacity). Variable costs are mainly associated with refueling and setting aside funds for spent fuel handling and plant decommissioning. The assumptions were obtained from the literature [23,24,25,26,27,28]. The base values adopted for fuel costs and spent fuel costs, respectively, were 7 and 5 €/MWh. The spent fuel and decommissioning cost values are based on the Swedish system of nuclear decommissioning and spent fuel management financing, the fees of which are currently (in 2020) between 3.2 and 6.2 €/MWh [28]. Fixed costs were assumed to be 100,000 €/MW/y.
Fuel costs for coal-fired power unit was assumed at the level of 3.2 €/GJ. For a coal-fired unit, a significant cost in cash flow is the cost related to the requirement to purchase allowances for the emitted carbon dioxide. A base value of 30 €/ton-CO2 was assumed. For the reference coal fired power unit the fixed operation and maintenance costs were assumed as 40,000 €/MW/y [29], and the non-fuel and non-emission variable operation and maintenance cost was assumed to be 3 €/MWh. In the coal-fired power unit, the boiler island is responsible for 60% of operation and maintenance costs (fixed and variable). The remainder of these costs are for the operation and maintenance of the turbine island. The above shown levels of fixed O&M costs and non-fuel and non-emission variable O&M costs for coal-fired relate to the greenfield investment case. These costs, due to the higher age of the boiler island and the turbine island, were increased by 25% in the analyzed period of operation for RET and REF investments.
The OMC were calculated using the equation:
O M C = F O M C + V O M C ,
for reference coal- fired power unit:
F O M C R E F = [ u F O M C ( B I ) R E F + u F O M C ( T I ) R E F ] ( N e l , g ) R E F ,
V O M C R E F = [ ( C e a · e C O 2 + C c o a l ) · ( E ˙ c o a l ) R E F + ( u V O M C ( n n B I ) R E F + u V O M C ( n n T I ) R E F ) ( N e l , n ) R E F ] C F R E F · 8760 ,
and for retrofit investment pathway:
F O M C R E T = [ u F O M C ( N I ) R E T + u F O M C ( T I ) R E T ] ( N e l , g ) R E T .
V O M C RET = [ u V O M C ( R C ) + u V O M C ( S F C ) + ( u V O M C ( n n T I ) RET ) ( N el , n ) RET ] C F RET · 8760 .
All assumptions are presented in Table 5.
As part of economic analyses, a sensitivity analysis of the ΔNPV to a change in the basic indicators determining the economic environment of the compared energy systems was also conducted. The indicators that were changed as part of the sensitivity analysis and the ranges of values for which the studies were conducted are summarized in Table 6.

3. Results

3.1. Technical and Energy Performance Assessment Results

Table 7 displays the solar salt and steam turbine unit (STU) working medium parameters for the steam generator. The main results of the analysis are presented in Table 8.
In the case of the analyzed integrated system, there are very favorable conditions for coupling the KP-FHR with the STU. This is primarily due to the similar thermal power demand of the STU and the thermal power of the nuclear reactor system. In addition, the temperature levels of the STU working medium, required by two integrated subsystems, are beneficial for planning and designing a steam generator that is an element integrating these subsystems. The coupling, although requiring a slight reduction in the capacity of the STU, does not contribute to the degradation of the performance characteristics.
Before making a decision to invest in retrofitting, a very important issue is the assessment of the physical footprint provided for the reactors, as well as the assessment of the possibility of carrying out the required construction works without interfering with the heat cycle of the supercritical unit during construction, which could force its shutdown. The change from coal to nuclear fuel can be expected to significantly increase the amount of electricity obtained from the site, due to the lower marginal power production costs and the higher capacity factors of nuclear units as compared to coal plants [1]. Nuclear reactors do not require a larger building footprint than a coal-fired boiler for the same power rating. The main challenge for retrofitting a coal-fired unit may be to organize the required space for the construction site. For a large nuclear power plant, a minimum of ~0.3 km2 of area is required for organization of working and storage areas for the contractors [30]. Construction sites for coal-fired units are most often located at future coal storage sites. In the case of the investment in question, during the installation of nuclear reactors and their auxiliary infrastructure, the coal-fired unit will be operated, therefore, the coal storage facility will be required during this period. However, in the reference case of retrofitting the unit at the Łagisza power plant, the potential for the organization of the construction site is present in the areas where 120 MW generating units were located of which the last two are to be decommissioned within the next few years. The approximate footprint of new reactor building, as well as the available construction area site at Łagisza power plant is shown in Figure 4.
Another important aspect that should always be taken into account when planning investments in nuclear units is the seismic hazard. Poland is one of the safer regions in Europe in this respect. Seismic activity may potentially only result from nearby mining activities. However, such a threat may occur mainly in the vicinity of large lignite mines, such as Bełchatów [31].

3.2. Economic Assessment Results

The results of the analyses obtained for the base assumptions are shown in Figure 5. The results indicate the economic benefit of investment for nuclear decarbonization of the coal-fired unit, which is important regardless of the chosen investment pathway. Due to the savings resulting from taking over part of the production infrastructure from the coal-fired unit, the retrofit case is the most advantageous investment pathway. The continued operation of the 460 MW unit without changing its primary energy source will result in a loss of €169.3 M for the base assumptions made. The greenfield investment in a nuclear power unit will allow for an NPV of €648.6 M (ΔNPV = 817.9 M€). An NPV value of €1205.5 M (ΔNPV = €1374.8 M) was obtained for the retrofit pathway with the base retrofit saving value (32%). The NPV value may be higher by 4.16% for a higher retrofit savings (35%) or lower by 5.55% for lower retrofit savings (28%).
The price of electricity is a significant determinant of the economic effectiveness of investments in the energy sector. In the case coal combustion-based power plants, an additional cost adder is the price of greenhouse gas emission allowances. A comparison of potential investment pathways using the NPV index, taking into account the electricity price and the price of emission allowances, for different investment TOT, is shown in Figure 6. At a low electricity price (50 €/MWh), positive NPV values were obtained only for the RET investment pathway, and only for the TOT of 40, 50 and 60 years. For the base electricity price (75 €/MWh), positive values for the NPV index were obtained for the RET and GF pathways for TOT of 20 years and more, and for the REF pathway for all analyzed TOTs, but under the condition that the emission allowance price remains low. At the higher electricity price, the most profitable pathway is the RET pathway with operating periods of 20 years or more.
Figure 7 and Figure 8 show the results of the sensitivity analysis of the ΔNPV index to the change of base assumptions (Xbase) for the GF and RET pathways, respectively. For individual quantities determining the investment environment, the values were changed within the ranges defined in Table 6. Taking the ΔNPV index as the evaluation criterion, it should be stated that the most important parameters are the price of emission allowances and the price of coal. The value of the unit overnight capital cost adopted for analyses also has a large impact, but due to the identified savings in the case of the RET pathway, the impact of changing this quantity is lower in this case. Despite the significant impact of the electricity price on the NPV index, this quantity remains insignificant when assessing investment pathways by using the ΔNPV index. Among the O&M costs, the most important component is the fixed O&M costs for the nuclear island. The components of variable O&M costs related to nuclear fuel are also important.
For the RET pathway, the discounted payback period for the base assumptions is 10 years. For the GF path, the DPP is longer and amounts to 17 years. As shown in Figure 9, the DPP significantly depends on the prices of greenhouse gas emission allowances. The adoption of the allowance price at the level of 25 €/tCO2, instead of the nominal price of 50 €/tCO2, results in obtaining a DPP of 19 years for retrofit investments and a DPP of 35 years for greenfield investments. Increasing the price of allowances to 75 €/tCO2 results in a reduction of the DPP to 6 years for retrofit and 10 years for greenfield investments. Table 9 shows an additional impact on the DPP based on the assumed electricity price and coal prices. While DPP index is slightly influenced by the price of electricity, the price of coal has a much more pronounced impact. The results show that the low price of allowances and the low price of coal may lead to a situation in which the required payback period may exceed even 60 years.
Based on the presented results of the analyses, it can be concluded that the price of emission allowances, the price of coal, and the investment cost are the most important parameters in determining whether decarbonizing coal units by nuclear reactors are a viable investment option. Figure 10 and Figure 11 depict the isolines of values for the ΔNPV index as a function of the emission allowance price and the coal price for the GF and RET pathways, respectively. The corresponding charts display three different values of the uOCC index. The yellow colour marks the areas represented by these allowance prices and coal prices for which the ΔNPV > 0 condition occurs, justifying nuclear decarbonization.
In the case of a high value for the uOCCGF index (5000 €/kW), the GF pathway results in a slightly positive ΔNPV index value using base assumptions. Due to the possibility of lower coal prices and emission allowance prices, which could result in a negative value of the assessment index, this investment variant is deemed to be a risky option.

4. Discussion and Summary

Polish coal-fired power plant capacities range between 120 MWel to 1075 MWel. From at least two technical points of view, the retrofit of existing coal-fired units with SMRs is most suitable for small units in the range of 120 MWel to 200 MWel. Firstly, the existing coal boilers can be replaced with just one or two reactor modules of typical advanced SMR thermal power output (150–500 MWth). Secondly, the potentially replaced coal boilers are rather outdated, have low efficiency and high unit emissions of harmful substances and CO2. However, most of these units are planned to be decommissioned in the next few years, mainly due to the industrial emission standards defined in BAT (Best Available Technology) reference documents [32,33]. Thus, taking into account the above factors and the time needed to deploy the SMRs for commercial deployment, it might be concluded that the potential for retrofit of these smaller and older units is rather small and will depend on a case-by-case analysis.
Over the last two decades in Poland, aging power plant assets and increasing maintenance and renovation costs incentivized the construction of new coal-fired power units. Those investments were oriented to maintain the reliability of the centralized energy system, by means of adding new large units with supercritical steam parameters with capacities ranging between 460 MW and 1075 MW, replacing already decommissioned plants. Increasing pressure to adapt climate change mitigation actions, combined with other factors such the increased price of coal and increased share of non-dispatchable renewable energy sources in the energy system, renders the future of these units in question as well. One of the potential solutions might be their retrofit with SMRs, in some instances requiring the coupling of up to six SMRs. At the stage of designing of the reactors, great care should be taken when choosing and adapting the operating parameters of the primary and secondary reactor circuits. The restrictions imposed in this area, is dictated mainly by the safety criterion and result in the need to use specific parameters for the primary circuit. Of course, this also affects the parameters of the heat carriers ultimately transferring heat to the steam turbine unit cycle, which is to be integrated. This fact may cause a mismatch mainly in the use of nuclear reactors for their integration with supercritical steam turbine units.
Systems with the use of steam generators with significant physical separation from the construction and safety case of the reactor modules (KP-FHR, MSR-ThorCon, Terrapower Natrium etc.) are flexible in terms of integration with existing steam turbine units at specific operating parameters. These heat exchangers (being part of the steam generator) can be designed taking into account the specific requirements of the steam turbine unit. An additional advantage of this is the ability to include within the steam generator an additional heat exchanger that allows the reception of excess heat in relation to the needs of the existing steam turbine unit. This heat can be used for industrial heat supply. Although the parameters used for the KP-FHR reference reactor under consideration proved to be sufficient to obtain steam at the temperature level that is required by the analyzed Łagisza 460 MW reference unit, they would be insufficient for integration with supercritical power units operating in Opole power plant (603 °C, 611 °C), or with a supercritical power unit being commissioning in Jaworzno (600 °C, 610 °C). Due to the large number of supercritical power units working in the world, where the steam parameters exceed 600 °C, it seems reasonable to direct the design of small modular reactors towards obtaining temperatures for the coolant medium at the reactor-side of the steam generator above 600 °C. It is important to note that maintaining this temperature for SMRs is based on the use of widely commercially available materials to maintain reasonable component costs. At the integration planning stage, an important challenge will be the development of an optimal steam generator design.
An argument for starting a serious discussion on the legitimacy of investments aimed at carrying out SMR retrofits of coal units is the unquestionable chance of achieving a significant reduction of CO2 in the energy sector. In 2019 the CO2 emission in Poland reached 309 Mt overall and 151 Mt in energy sector [34]. The results of the analyzes indicate that the retrofit of the reference unit with a capacity of 460 MW may allow for an annual CO2 emission reduction of about 2.1 Mt, which, in relation to the reported CO2 emissions in Poland, means a relative emission reduction of 0.7% in relation to the overall emission and 1.4% in relation to emissions in the energy sector. Potentially, carrying out retrofits of all supercritical units operating in Poland could lead to annual emission reductions: 9.7% in relation to the total emission and 19.9% in relation to the emissions in the energy sector. Based on the obtained economic assessment results it can be concluded that retrofit of existing coal-fired units with SMRs can be economically justified, in comparison with the continuous operation of the reference plants. The economic performance of such retrofits depends on several factors, some of them associated with the technical side of integration and operation (e.g., share of potential savings resulting from utilization of existing infrastructure or capacity factor) and others with costs of construction, operation and maintenance of nuclear plant, as well as costs of coal and CO2 emission allowances for the referenced coal-fired units. For the base scenario, the discount payback time of the investigated retrofit option, compared with continuous operation of coal-fired units, is 10 years. The respective calculated discount payback time for a greenfield investment is 17 years. The nuclear retrofit of coal-fired unit may be advantageous due to the possibility of significantly extending the lifetime of the unit, since the coal boiler, which often is the lifetime-limiting component in a coal unit, is removed. In addition, carrying out a retrofit may reduce the dynamics of technical degradation, and thus the risk of failure of the turbine island itself, due to the reduced time with operation at variable load, which is currently widely practiced in the case of coal-fired units. Taking into account the standard long lifetime of a nuclear island, it should be expected that with proper operation, including servicing of the power unit, its lifetime after retrofitting can be up to 60 years.
Detailed studies of the Polish energy system with SMRs should be conducted to provide the level of acceptable costs for such projects, in comparison with alternatives like variable renewables with long-duration storage, or coal and natural gas-fired units with CCS installations.
The recommendations for the decarbonization of the Polish power plant assets through retrofit with SMRs from technical and economic perspective can be summarized into following points:
  • Technical dialog with SMRs vendors, engineering companies active in energy sector and power plant operators should be started as soon as possible to assess the detailed technical feasibility of retrofits at preselected locations.
  • The decisions regarding the retrofit should be made within this decade, due to the aging of the assets and planned decommissioning.
Although beyond the scope of this paper, other important factors such as public acceptance, spent fuel handling, infrastructure security, and technology transfer should also be considered [35]. It should be noted that retrofit of the existing fleet with SMRs should not replace the planned first nuclear power plants but would rather be complementary in terms of development and role in energy system. Taking into account the expected increase in electricity consumption in Poland (for example due to transport electrification), planned decommissioning of coal-fired assets and climate change mitigation actions, both Gen III+ and SMR nuclear plants could find a place in the future decarbonized Polish energy mix. Another important issue is environmental protection, where in the case of SMR nuclear plants, the environmental impact assessment procedures need to be followed to comprehensively assess the impacts. Such studies should engage members of the public, which also include the transboundary impacts. They will also be determined on a case-by-case basis [36], but at the current state they are beyond the scope of the paper.

Author Contributions

Conceptualization, Ł.B.; methodology, Ł.B., P.G., C.A. and S.Q.; software, Ł.B. and P.G.; writing—original draft preparation, Ł.B.; writing—review and editing, P.G., C.A., S.Q. and J.Z.; validation, Ł.B.; investigation, Ł.B., P.G., and S.Q., visualization, Ł.B. and S.Q., resources, C.A., J.Z. All authors have read and agreed to the published version of the manuscript.

Funding

The publication was supported by the SUT Rector’s grant. Silesian University of Technology, project no. 08/050/RGJ21/0233. This research was funded by the Quadrature Climate Foundation, the Rodel Foundation and the Environmental Defense Fund Europe.

Data Availability Statement

Data presented in this study relating to the status of Polish coal units are available in summarized form on request from the corresponding author. This data is not publicly available due to its proprietary nature. Other data presented in this study are available on request from the corresponding author.

Acknowledgments

We would like to acknowledge the valuable contributions from, and discussions with, Baroness Bryony Worthington of the Quadrature Climate Foundation and Lou Martinez Sancho, Per Peterson, Peter Hastings, Darrell Gardner, Brian Song, Melissa McMorrow, and Sean King at Kairos Power.

Conflicts of Interest

The authors declare no conflict of interest. The funders had no role in the design of the study; in the collection, analyses, or interpretation of data; in the writing of the manuscript, or in the decision to publish the results. The authors who represent commercial companies did not participate in conducting economic analysis and did not participate in formulating conclusions from the analyzes. Charalampos Andreades (Kairos Power LCC) was responsible for providing data and verifying assumptions about the nuclear reactor system. He participated in discussions on the estimation of possible retrofit savings resulting from the usage of a part of the infrastructure of the coal-fired unit. Co-author was not involved in the work aimed at determining the economic effectiveness of the retrofit. Janusz Zdeb (Tauron Wytwarzanie S.A.) was responsible for providing data and verifying assumptions about the reference coal-fired power plant (460 MW Łagisza unit). He participated in discussions on the process modelling assumptions and reference plants validation of energy performance indicators. Co-author was not involved in the work aimed at determining the economic effectiveness of the retrofit. The results of economic analyses were obtained on the basis of thoroughly conducted studies and modelling, based on the use of the methodology and assumptions presented in the paper.

Appendix A

For determination of thermal power of reference reactor, characteristic parameters of solar salt have been used. For this purpose, a respective equation has been used:
Q ˙ SMR = m ˙ solar   salt t solar   salt ,   in t solar   salt ,   out c p ( t ) d t ,
The following relationship was used to determine specific heat capacity [37]:
c p ( t ) = 1443 + 0.172 t ,   J / kgK ,
The value calculated using the relation was 319.8 MW. This value was adopted as the reference for the SMR reactor module.

References

  1. Qvist, S.; Gładysz, P.; Bartela, Ł.; Sowiżdżał, A. Retrofit decarbonization of coal power plants—A case study for Poland. Energies 2021, 14, 120. [Google Scholar] [CrossRef]
  2. PSE. Summary of Quantitative Data on the Functioning of the RB IN 2019. Available online: https://www.pse.pl/dane-systemowe/funkcjonowanie-rb/raporty-roczne-z-funkcjonowania-rb-za-rok/raporty-za-rok-2019 (accessed on 5 April 2021).
  3. Installed Power. Report of Polish Energy Regulatory Office. Available online: https://www.ure.gov.pl/pl/oze/potencjal-krajowy-oze/5753,Moc-zainstalowana-MW.html (accessed on 5 April 2021).
  4. Bartela, Ł.; Milewski, J. Directions for improving the flexibility of coal-fired units in an era of increasing potential of renewable energy sources. In Power Engineering. Advences and Challenges, Part A: Thermal, Hydro and Nuclear Power; Badescu, V., Lazaroiu, G.C., Barelli., L., Eds.; CRC Press, Taylor and Francis Group: Boca Raton, FL, USA, 2018; pp. 29–44. [Google Scholar]
  5. Intergovernmental Panel on Climate Change. Global Warming of 1.5 °C. An IPCC Special Report on the Impacts of Global Warming of 1.5 °C above Pre-Industrial Levels; IPCC: Geneva, Switzerland, 2018. [Google Scholar]
  6. Gosgortekhnadzor of Russia. Model Guidelines for Inspection of Metal and Prolongation of the Service Life of Main Components of Boilers, Turbines, and Piping Systems of Thermal Power Stations; Gosgortekhnadzor: Moscow, Russia, 2003. [Google Scholar]
  7. Aminov, R.Z.; Shkret, A.F.; Garievskii, M.V. Estimation of lifespan and economy parameters of steam-turbine power units in thermal power plants using varying regimes. Therm. Eng. 2016, 63, 551–557. [Google Scholar] [CrossRef]
  8. Krieg, T. Substations in the Power System of the Future; CIGRE Study Committee B3-Substations, ELECRAMA: Bangalore, India, 2014. [Google Scholar]
  9. Rusin, A.; Bieniek, M. Maintenance planning of power plant elements based on avoided risk value. Energy 2017, 134, 672–680. [Google Scholar] [CrossRef]
  10. Schakel, W.; Meerman, H.; Talaei, A.; Ramírez, A.; Faaij, A. Comparative life cycle assessment of biomass co-firing plants with carbon capture and storage. Appl. Energy 2014, 131, 441–467. [Google Scholar] [CrossRef]
  11. European Commission Joint Research Centre (JRC). Technical Assessment of NUCLEAR Energy with Respect to the ‘Do No Significant Harm’ Criteria of Regulation (EU) 2020/852 (‘Taxonomy Regulation’); JRC: Ispra, Italy, 2020. [Google Scholar]
  12. International Atomic Energy Agency. Power Reactor Information System (PRIS); IAEA: Vienna, Austria, 2020. [Google Scholar]
  13. NuScale Power, LLC. Methodology for Establishing the Technical Basis for Plume Exposure Emergency Planning Zones at NuScale Small Modular Reactor Plant Sites; Revision 1, TR-0915- 17772; NuScale: Tigerd, OR, USA, 2018. [Google Scholar]
  14. A Cost Competitive Nuclear Power Solution. Available online: https://www.nuscalepower.com/benefits/cost-competitive (accessed on 5 April 2021).
  15. McDonald, C.F. Power conversion system considerations for a high efficiency small modular nuclear gas turbine combined cycle power plant concept (NGTCC). Appl. Therm. Eng. 2014, 73, 80–101. [Google Scholar] [CrossRef]
  16. Xu, C.; Li, Y.; Jin, M.; Kong, F.; Gao, S.; Zhou, T.; Bai, Y. Preliminary design and analysis on the cogeneration system for Small Modular Lead-cooled Fast Reactor. Appl. Therm. Eng. 2020, 174, 115302. [Google Scholar] [CrossRef]
  17. Blandford, E.; Brumback, K.; Fick, L.; Gerardi, C.; Haugh, B.; Hillstrom, E.; Johnson, K.; Peterson, P.F.; Rubio, F.; Sarikurt, F.S.; et al. Kairos power thermal hydraulics research and development. Nucl. Eng. Des. 2020, 364, 110636. [Google Scholar] [CrossRef]
  18. Blandford, E. Commercializing the FHR: From IRP to Kairos Power. Kairos Power. 2018. Available online: http://www.crmp.gatech.edu/wp-content/uploads/2019/01/0900-Ed-Blandford-Commercializing-the-FHR-From-IRP-to-Kairos-Power.pdf (accessed on 5 April 2021).
  19. Wiatros-Motyka, M. The Łagisza Power Plant: The World’s First Supercritical CFB. Cornerstone 2016, 4, 57–60. [Google Scholar]
  20. F-Chart Software LLC. Engineering Equation Solver (EES) Professional, Version 11. Available online: http://fchartsoftware.com/ees/ (accessed on 20 April 2021).
  21. Mignacca, B.; Locatelli, G. Economics and finance of Small Modular Reactors: A systematic review and research agenda. Renew. Sustain. Energy Rev. 2020, 118, 109519. [Google Scholar] [CrossRef]
  22. Nuclear Regulatory Commission. NRC Issues Subsequent Renewed Licenses for Turkey Point Reactors; US NRC: Rockville, MD, USA, 2019.
  23. Boldon, L.; Sabharwall, P.; Painter, C.; Liu, L. An overview of small modular reactors: Status of global development, potential design advantages, and methods for economic assessment. Int. J. Energy Environ. Econ. 2014, 22, 437–459. [Google Scholar]
  24. Ingersoll, E.; Gogan, K.; Herter, J.; Foss, A. The ETI Nuclear Cost Drivers Project Full Technical Report; Energy Systems Catapult: Birmingham, UK, 3 September 2020. [Google Scholar]
  25. Hampe, J.; Madlener, R. Economic feasibility of high-temperature reactors for industrial cogeneration: An investor’s perspective. J. Nucl. Sci. Technol. 2016, 53, 1–19. [Google Scholar] [CrossRef]
  26. Scully Capital Services Inc. Business Case for Small Modular Reactors; Report on Findings to the U.S. Department of Energy Office of Nuclear Energy: Washington, DC, USA, 2014.
  27. Pannier, C.; Skoda, R. Comparison of Small Modular Reactor and Large Nuclear Reactor fuel cost. Energy Power Eng. 2014, 6. [Google Scholar] [CrossRef]
  28. Swedish Nuclear Waste Fund, Annual Report 2020. Available online: http://www.karnavfallsfonden.se/download/18.5903daa61784af90c4619b3c/1616593059594/Annual%20report%202020.pdf (accessed on 20 April 2021).
  29. Parsons Brinckerhoff. Quantitative Analysis and Initial Business Case—Establishing Anuclear Power Plant and Systems in South Australia; WSP: Quebec City, QC, Canada, 2016. [Google Scholar]
  30. Central Electricity Generating Board. Station Planning and Design: Incorporating Modern Power System Practice; British Electricity International: London, UK, 1993. [Google Scholar]
  31. Gibowicz, S.J.; Droste, Z. The Belchatow, Poland, Earthquakes of 1979 and 1980 induced by surface mining. Eng. Geol. 1981, 17, 257–271. [Google Scholar] [CrossRef]
  32. Lacomte, T.; de la Fuente, J.F.F.; Neuwahl, F.; Canova, M.; Pinasseau, A.; Jankov, I.; Thomas, B.; Serge, R. Best Available Techniques (BAT) reference document for large combustion plants. Industrial Emissions Directive 2010/75/EU (Integrated Pollution Prevention and Control). JRC Sci. Policy Rep. 2017, 12, 851–861. [Google Scholar] [CrossRef]
  33. Bachmann, T.M.; van der Kamp, J. Environmental cost-benefit analysis and the EU (European Union) Industrial Emissions Directive: Exploring the societal efficiency of a DeNOx retrofit at a coal-fired power plant. Energy 2014, 68, 125–139. [Google Scholar] [CrossRef]
  34. Data & Statistics—IEA. Available online: https://www.iea.org/data-and-statistics?country=POLAND&fuel=CO2emissions&indicator=CO2emissionsbyenergysource (accessed on 5 April 2021).
  35. Hong, S.; Bradshaw, C.J.A.; Brook, B.W. Global zero-carbon energy pathways using viable mixes of nuclear and renewables. Appl. Energy 2015, 143, 451–459. [Google Scholar] [CrossRef]
  36. Nuclear Energy Agency. Small Modular Reactors: Challenges and Opportunities. Nuclear Technology Development and Economics; Nuclear Energy Agency: Warsaw, Poland, 2021. [Google Scholar]
  37. Sandia National Labs. Solar Power Tower Design Basis Document; Sandia National Labs: Albuquerque, NM, USA, 2001.
Figure 1. Simplified diagram of the Łagisza 460 MW unit.
Figure 1. Simplified diagram of the Łagisza 460 MW unit.
Energies 14 02557 g001
Figure 2. Integration diagram of KP-FHR system with the reference steam turbine unit.
Figure 2. Integration diagram of KP-FHR system with the reference steam turbine unit.
Energies 14 02557 g002
Figure 3. Overnight capital cost breakdown of an advanced SMR.
Figure 3. Overnight capital cost breakdown of an advanced SMR.
Energies 14 02557 g003
Figure 4. Łagisza unit B10 retrofit with 3xKP-FHR footprint comparison, while unit remains in operation [1].
Figure 4. Łagisza unit B10 retrofit with 3xKP-FHR footprint comparison, while unit remains in operation [1].
Energies 14 02557 g004
Figure 5. NPV for base assumptions for three investment pathways (retrofit investment pathway for three different values of retrofit savings).
Figure 5. NPV for base assumptions for three investment pathways (retrofit investment pathway for three different values of retrofit savings).
Energies 14 02557 g005
Figure 6. NPV for selected electricity prices, emission allowance prices and different total operation times for the analyzed investment pathways.
Figure 6. NPV for selected electricity prices, emission allowance prices and different total operation times for the analyzed investment pathways.
Energies 14 02557 g006
Figure 7. The results of the ΔNPV sensitivity analysis to changes in the main parameters determining the investment environment for the GF investment pathway.
Figure 7. The results of the ΔNPV sensitivity analysis to changes in the main parameters determining the investment environment for the GF investment pathway.
Energies 14 02557 g007
Figure 8. The results of the ΔNPV sensitivity analysis to changes in the main parameters determining the investment environment for the RET investment pathway.
Figure 8. The results of the ΔNPV sensitivity analysis to changes in the main parameters determining the investment environment for the RET investment pathway.
Energies 14 02557 g008
Figure 9. ΔNPV as a function of project lifetime for the GF and RET investment pathways.
Figure 9. ΔNPV as a function of project lifetime for the GF and RET investment pathways.
Energies 14 02557 g009
Figure 10. ΔNPV as a function of price of emission allowance and price of coal for three values of unit overnight capital costs for GF investment pathway.
Figure 10. ΔNPV as a function of price of emission allowance and price of coal for three values of unit overnight capital costs for GF investment pathway.
Energies 14 02557 g010
Figure 11. ΔNPV as a function of price of emission allowance and price of coal for three values of unit overnight capital costs for RET investment pathway.
Figure 11. ΔNPV as a function of price of emission allowance and price of coal for three values of unit overnight capital costs for RET investment pathway.
Energies 14 02557 g011
Table 1. Polish supercritical coal-fired power units [1].
Table 1. Polish supercritical coal-fired power units [1].
UnitCapacity, MWNet Efficiency, %Live/Reheated Steam Temp., °C/°CDate of CommissioningFuel
Pątnów 2 B947441.0544/5682.2008Lignite coal
Łagisza B1046042.8560/5806.2009Hard coal
Bełchatów B1485842.0554/58210.2011Lignite coal
Kozienice 2 B11107545.6603/62112.2017Hard coal
Opole B590545.6600/6105.2019Hard coal
Opole B690545.6600/61110.2019Hard coal
Jaworzno 2 B791045.9600/62011.2020 (planned)Hard coal
Turów B1149643.0565/60011.2020 (planned)Lignite coal
Table 2. Main parameters of KP-FHR.
Table 2. Main parameters of KP-FHR.
ParametersValue
Total thermal power, MW320 *
Auxiliary power, MW3
LiF/BeF2:
Flow rate, kg/s1200–1400
Pressure, MPa<0.2
Temperature, °C650/550
NaNO3/KNO3 (solar salt):
Flow rate, kg/s2080
Temperature (in/out), kg/s500/600
* see Appendix A.
Table 3. Assumed operating parameters for the development of the Łagisza 460 MW unit model.
Table 3. Assumed operating parameters for the development of the Łagisza 460 MW unit model.
ParameterValueUnit
Live steam flow361kg/s
Live steam temperature (at CFB outlet/at ST inlet)563/560°C/°C
Reheated steam temperature (at CFB outlet/at ST inlet)583/580°C/°C
Live steam pressure (at ST inlet)27.50MPa
Reheated steam pressure (at ST inlet)4.95MPa
Deaerator operating pressure1.15MPa
Condenser operating pressure0.005MPa
Feed water temperature290°C
Internal efficiency of HP ST stage—points 2–1289%
Internal efficiency of IP ST stage groups—points 5–1592%
Internal efficiency of LP ST stage groups—points 6–1890%
Internal efficiency of LP ST stage groups—points 18–1985%
Pressure drop of working medium in steam boiler11%
Pressure drop of steam in reheater6%
Pressure drop in live steam pipes1%
Pressure drop in reheated steam pipes1%
Pressure drop in pipes of steam fed to FWHs and steam coolers1%
Pressure drop of water in FWHs
and steam cooler
1%
Pressure drop of hot medium in FWHs
and steam cooler
1%
Specific flow fraction of steam leaks0.5%
Temperature increase in LP FHWs (LR1-LR4)30K
Terminal temperature differences for all FWHs3K
Temperature increase in steam cooler5K
Subcooling of the condensate leaving the HP FWHs10K
CFB thermal efficiency94.0%
Generator efficiency98.8%
Mechanical losses (0.1% of reference gross power capacity)0.46MW
Internal efficiency of pumps85.0%
Efficiency of FWHs and steam coolers99.5%
Boiler island auxiliary power12.60MW
Other auxiliary power (1.5% of reference gross power capacity)6.9MW
Table 4. Basic characteristic quantities of the Łagisza 460 MW unit.
Table 4. Basic characteristic quantities of the Łagisza 460 MW unit.
ParameterReferencesModelModel Error
Gross power capacity460.0 MW459.60 MW0.087%
Net power capacity439.0 MW439.47 MW0.107%
Chemical energy flux-1018.2 MW-
Boiler heat output-957.1 MW-
Unit fuel consumption per net production-8340.8 kJ/kWh-
Gross efficiency45.00%45.14%0.311%
Net efficiency42.80%43.16%-
Steam cycle thermal efficiency-48.02%-
Steam turbine cycle auxiliary power (only the pumps auxiliary powers are included)-0.64 MW-
Auxiliary power of boiler island12.60 MW12.60 MW-
Other auxiliary power-6.89 MW-
Auxiliary power index-4.38%-
Table 5. Base economic parameter assumptions.
Table 5. Base economic parameter assumptions.
ParameterSymbolInvestment PathwayReferences
GF
(Nuclear Greenfield)
RET
(Nuclear Retrofit)
REF
(W/O Investment)
Lifetime
Construction time, yearsCT44-[24]
Capacity factor, 12%CF909070[25], *
Total operation time assumed for the NPV analysis, yearsTOT303030
Capital costs
Unit overnight capital cost (GF investment type), €/kWuOCCGF35003500-[24]
Retrofit savings, %RS-32-[1]
Interest rates on construction loan, % r l 55-[24]
Variable O&M costs
Refuelling costs, €/MWhuVOMC (RC)77-[26,27]
Spent nuclear fuel costs, €/MWhuVOMC (SFC)55-[28,29]
Coal price, €/GJ C coal --3.2*
Electricity price, €/MWh C el 757575*
CO2 emission allowance price ( C ea ), €/tCO2 C ea --50*
Non-fuel and non-emission costs for boiler island, €/MWhuVOMC (nnBI)--2.25*
Non-fuel and non-emission costs for turbine island, €/MWhuVOMC (nnTI)1.201.501.50*
Fixed O&M costs, €/MW/yuFOMC100,000104,00050,000[24], *
Boiler island, €/MW/yuFOMC (BI)--30,000*
Turbine island, €/MW/yuFOMC (TI)16,00020,00020,000*
Nuclear Island, €/MW/yuFOMC (NI)84,00084,000-[24]
Others
Discount rate, % r 666*
Annual inflation rate, % 222
Tax rate, % 191919
*—based on experience and recommendations of authors.
Table 6. Indicators selected for the sensitivity analysis and ranges of variable values.
Table 6. Indicators selected for the sensitivity analysis and ranges of variable values.
Parameter Range of Values *
Low Value High Value
Unit overnight capital cost (GF investment type), €/kW2000 (0.571)5000 (1.429)
Coal price, €/GJ1.6 (0.5)6.4 (2.0)
Electricity price, €/MWh50 (0.667)100 (1.333)
CO2 emission allowance price, €/tCO225 (0.5)75 (1.5)
Fixed O&M costs for boiler island, €/MW/y15,000 (0.5)45,000 (1.5)
Fixed O&M costs for turbine island, €/MW/yGF:8000 (0.5)
RET:10,000 (0.5)
GF:24,000 (1.5)
RET:30,000 (1.5)
Fixed O&M costs for nuclear island, €/MW/y42,000 (0.5)126,000 (1.5)
Variable O&M costs for retrofit case (refuelling), €/MWh3.5(0.5)10.5(1.5)
Variable O&M costs for retrofit case (spent fuel), €/MWh2.5 (0.5)7.5 (1.5)
Variable O&M costs for boiler island (non-fuel and non-emission), €/MWh1.125 (0.5)3.375 (1.5)
Variable O&M costs for turbine island (non-fuel and non-emission), €/MWhGF:0.6 (0.5)
RET:0.75 (0.5)
GF:1.8 (1.5)
RET:2.25 (1.5)
Construction time, years2 (0.5)6 (1.5)
Project lifetime, years20 (0.667)60 (2.0)
Capacity factor for retrofit case, %80(0.889)95 (1.056)
Capacity factor for reference case, %50 (0.714)95 (1.357)
* absolute and relative (X/Xbase, in brackets) values.
Table 7. Salt and steam/water parameters in SG for system 3xKP-FHR and 1xSTU (Reference 460 MW unit).
Table 7. Salt and steam/water parameters in SG for system 3xKP-FHR and 1xSTU (Reference 460 MW unit).
REFRETRelative Change, %
SaltSGinm, kg/s-6240.0-
t, °C-600.0-
Am, kg/s-3955.2-
t, °C-600.0-
Bm, kg/s-3955.2-
t, °C-540.5-
Cm, kg/s-2284.8-
t, °C-600.0-
Dm, kg/s-2284.8-
t, °C-540.5-
SGoutm, kg/s-6240.0-
t, °C-500.0-
Steam/WaterH_STUinm, kg/s361.0358.00.8
t, °C290.0290.00.0
p, kPa31,212.030,952.60.8
H_STUoutm, kg/s361.0358.00.8
t, °C563.0563.00.0
p, kPa27,778.027,547.80.8
L_STUinm, kg/s309.0306.60.8
t, °C311.6311.80.1
p, kPa5319.05278.50.8
L_STUoutm, kg/s309.0306.60.8
t, °C583.0583.00.0
p, kPa5000.04961.80.8
Table 8. Main results of analysis for system 3xKP-FHR and 1xSTU (reference 460 MW unit) before and after retrofit.
Table 8. Main results of analysis for system 3xKP-FHR and 1xSTU (reference 460 MW unit) before and after retrofit.
REFRET
Gross powerNelg, MW459.60456.06
Net powerNeln, MW439.47439.58
Auxiliary power of STUNaux_STU, MW0.640.64
Auxiliary power of boiler islandNaux_BI, MW12.60-
Other auxiliary powerNaux_Ot, MW6.896.84
Auxiliary power of NRNaux_NR, MW-9.00
Gross thermal efficiency of STUηt_STU, %48.0248.02
Thermal power of HHECFB/HHESGQHHE, MW747.95742.62
Thermal power of LHECFB/LHESGQLHE, MW209.16207.07
Table 9. Discount payback period for different electricity and coal prices for two investment pathways.
Table 9. Discount payback period for different electricity and coal prices for two investment pathways.
Pathway of Investment
GFRET
Cea, €/tCO2Cea, €/tCO2
255075255075
Cel, €/MWh50331481884
7535171019106
10033171219118
Ccoal, €/GJ1.6>60269411514
3.235171019106
6.41386853
Publisher’s Note: MDPI stays neutral with regard to jurisdictional claims in published maps and institutional affiliations.

Share and Cite

MDPI and ACS Style

Bartela, Ł.; Gładysz, P.; Andreades, C.; Qvist, S.; Zdeb, J. Techno-Economic Assessment of Coal-Fired Power Unit Decarbonization Retrofit with KP-FHR Small Modular Reactors. Energies 2021, 14, 2557. https://doi.org/10.3390/en14092557

AMA Style

Bartela Ł, Gładysz P, Andreades C, Qvist S, Zdeb J. Techno-Economic Assessment of Coal-Fired Power Unit Decarbonization Retrofit with KP-FHR Small Modular Reactors. Energies. 2021; 14(9):2557. https://doi.org/10.3390/en14092557

Chicago/Turabian Style

Bartela, Łukasz, Paweł Gładysz, Charalampos Andreades, Staffan Qvist, and Janusz Zdeb. 2021. "Techno-Economic Assessment of Coal-Fired Power Unit Decarbonization Retrofit with KP-FHR Small Modular Reactors" Energies 14, no. 9: 2557. https://doi.org/10.3390/en14092557

APA Style

Bartela, Ł., Gładysz, P., Andreades, C., Qvist, S., & Zdeb, J. (2021). Techno-Economic Assessment of Coal-Fired Power Unit Decarbonization Retrofit with KP-FHR Small Modular Reactors. Energies, 14(9), 2557. https://doi.org/10.3390/en14092557

Note that from the first issue of 2016, this journal uses article numbers instead of page numbers. See further details here.

Article Metrics

Back to TopTop