Application of Fractional-Order Calculus to Improve the Mathematical Model of a Two-Mass System with a Long Shaft
Abstract
1. Introduction
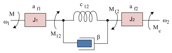
2. Model of a Two-Mass System with Concentrated Parameters
3. Analysis of the Two-Mass System Model
4. Synthesis of the Control System
5. Conclusions
Author Contributions
Funding
Institutional Review Board Statement
Informed Consent Statement
Data Availability Statement
Conflicts of Interest
Nomenclature
| parameters and variables | |
| A | matrix of the system |
| af1 | external viscous friction factor of first mass |
| af2 | external viscous friction factor of second mass |
| B1 | vector of control influence of the first mass |
| B2 | vector of control influence of the second mass |
| C | a vector that determines the generalized coordinate |
| c12 | shaft stiffness factor |
| D | the damping constant |
| F | tension force |
| G | modulus of elasticity of the second type (shear modulus) |
| J1 | moment of inertia of first mass |
| J2 | moment of inertia of second mass |
| JEM | inertial link of the first point of shaft |
| JN | inertial link of the end of shaft |
| Jp | polar moment of inertia of the shaft |
| K | coefficient of elasticity |
| kM | the perturbation control factor |
| L | shaft length |
| M1 | torque of first mass |
| M2 | torque of second mass |
| M | electromagnetic torque of the motor |
| Mc | load moment |
| M12 | elastic moment |
| r1 | first roller radius |
| r2 | second roller radius |
| ω1 | angular velocity of the first mass |
| ω2 | angular velocity of the second mass |
| Δx | discrete of spatial derivative |
| α | parameter in Caputo–Fabrizio representation |
| β | coefficient of inertial viscous friction |
| φ | shaft rotation angle |
| ρ | density of the shaft material |
| ξ | coefficient of internal viscous friction |
| ρs | relative degree of the system |
| Indices | |
| j | number of the shaft section |
| N | the number of discretization nodes |
References
- Matsuse, K.; Matsuhashi, D. New technical trends on adjustable speed AC motor drives. Chin. J. Electr. Eng. 2017, 3, 1–9. [Google Scholar]
- Xu, D.; Wang, B.; Zhang, G.; Wang, G.; Yu, Y. A review of sensorless control methods for AC motor drives. Chin. Acad. Sci. Trans. Electr. Mach. Syst. 2018, 2, 104–115. [Google Scholar] [CrossRef]
- Padilla-Garcia, E.A.; Rodriguez-Angeles, A.; ReséNdiz, J.R.; Cruz-Villar, C.A. Concurrent Optimization for Selection and Control of AC Servomotors on the Powertrain of Industrial Robots. IEEE Access 2018, 6, 27923–27938. [Google Scholar] [CrossRef]
- Yu, W.; Huang, Z.; Zhong, C.; Liu, J.; Yuan, Z. Method of Suppressing Torsional Vibration Noise of Automobile Drive-train System Based on Discrete Wavelet. J. Intell. Fuzzy Syst. 2020, 38, 7585–7594. [Google Scholar] [CrossRef]
- Ramírez, G.A.; Valenzuela, M.A.; Pittman, S.; Lorenz, R.D. Modeling and Evaluation of Paper Machine Coater Sections Part 1: 1-Coater Section and Tension Setpoints. IEEE Trans. Ind. Appl. 2019, 55, 2144–2154. [Google Scholar] [CrossRef]
- Arya, P.P.; Chakrabarty, S. A Robust Internal Model-Based Fractional Order Controller for Fractional Order Plus Time Delay Processes. IEEE Control Syst. Lett. 2020, 4, 862–867. [Google Scholar] [CrossRef]
- Yaghooti, B.; Hosseinzadeh, M.; Sinopoli, B. Constrained Control of Semilinear Fractional-Order Systems: Application in Drug Delivery Systems. In Proceedings of the 2020 IEEE Conference on Control Technology and Applications (CCTA), Montreal, QC, Canada, 24–26 August 2020; pp. 833–838. [Google Scholar]
- Yumuk, E.; Güzelkaya, M.; Eksin, I. Optimal fractional-order controller design using direct synthesis method. IET Control Theory Appl. 2020, 14, 2960–2967. [Google Scholar] [CrossRef]
- Wang, Y.; Liu, H.; Liu, H.; Zhao, J. Dynamic analysis and system identification of a synchronous belt mechanism driven by PMSM. In Proceedings of the 2017 3rd IEEE International Conference on Control Science and Systems Engineering (ICCSSE), Beijing, China, 17–19 August 2017; pp. 364–368. [Google Scholar]
- Szabat, K.; Orlowska-Kowalska, T. Adaptive Control of the Electrical Drives with the Elastic Coupling using Kalman Filter. In Adaptive Control; You, K., Ed.; In Tech: Shanghai, China, 2009; pp. 205–226. [Google Scholar]
- Szolc, T.; Konowrocki, R.; Pisarski, D.; Pochanke, A. Influence of Various Control Strategies on Transient Torsional Vibrations of Rotor-Machines Driven by Asynchronous Motors. In International Conference on Rotor Dynamics; Springer: Cham, Switzerland, 2018; Volume 63, pp. 205–220. [Google Scholar]
- Ma, C.; Cao, J.; Qiao, Y. Polynomial-Method-Based Design of Low-Order Controllers for Two-Mass Systems. IEEE Trans. Ind. Electron. 2013, 60, 969–978. [Google Scholar] [CrossRef]
- Lee, D.; Lee, J.H.; Ahn, J. Mechanical vibration reduction control of two-mass permanent magnet synchronous motor using adaptive notch filter with fast Fourier transform analysis. IET Electr. Power Appl. 2012, 6, 455–461. [Google Scholar] [CrossRef]
- Saarakkala, S.E.; Hinkkanen, M. State-Space Speed Control of Two-Mass Mechanical Systems: Analytical Tuning and Experimental Evaluation. IEEE Trans. Ind. Appl. 2014, 50, 3428–3437. [Google Scholar] [CrossRef]
- Cui, J.; Ye, J.; Chu, Z. IP Controller Design for Uncertain Two-Mass Torsional System Using Time Frequency Analysis. Shock Vib. 2018, 1–10. [Google Scholar] [CrossRef]
- Li, W.; Hori, Y. Vibration Suppression Using Single Neuron-Based PI Fuzzy Controller and Fractional-Order Disturbance Observer. IEEE Trans. Ind. Electron. 2007, 54, 117–126. [Google Scholar] [CrossRef]
- Szabat, K.; Orlowska-Kowalska, T. Vibration suppression in a two-mass drive system using PI speed controller and additional feedbacks—Comparative study. IEEE Trans. Ind. Electron. 2007, 54, 1193–1206. [Google Scholar] [CrossRef]
- Nevaranta, N.; Parkkinen, J.; Lindh, T.; Niemela, M.; Pyrhonen, O.; Pyrhonen, J. Online Identification of a Two-Mass System in Frequency Domain using a Kalman Filter. Model. Identif. Control 2016, 37, 133–147. [Google Scholar] [CrossRef][Green Version]
- Łuczak, D.; Zawirski, K. Parametric identification of multi-mass mechanical systems in electrical drives using nonlinear least squares method. In Proceedings of the IECON 2015—41st Annual Conference of the IEEE Industrial Electronics Society, Yokohama, Japan, 9–12 November 2015; pp. 4046–4051. [Google Scholar]
- Saarakkala, S.; Hinkkanen, M. Identification of Two-Mass Mechanical Systems Using Torque Excitation: Design and Experimental Evaluation. IEEE Trans. Ind. Appl. 2015, 51, 4180–4189. [Google Scholar] [CrossRef]
- Ortega, R.; Loria, A.; Nicklasson, P.J.; Sira-Ramirez, H. Passivity-Beast Control of Euler-Lagrange Systems: Mechanical, Electrical and Electromechanical Applications; Springer: London, UK, 1998; p. 543. [Google Scholar]
- Lukasik, Z.; Czaban, A.; Szafraniec, A. Mathematical model of asynchronous pump drive with distributed mechanical parameters. Prz. Elektrotech. 2018, 94, 155–159. [Google Scholar] [CrossRef]
- Popenda, A.; Lis, M.; Nowak, M.; Blecharz, K. Mathematical modeling of transient states in a drive system with a long elastic element. Energies 2020, 13, 1181. [Google Scholar] [CrossRef]
- Chaban, A. Hamilton-Ostrogradski Principle in Electromechanical Systems; Soroki: Lviv, Ukraine, 2015; p. 488. [Google Scholar]
- Chaban, A.; Lis, M.; Szafraniec, A.; Jedynak, R. Application of Genetic Algorithm Elements to Modelling of Rotation Processes in Motion Transmission Including a Long Shaft. Energies 2021, 14, 115. [Google Scholar]
- Xu, S.; Sun, G.; Cheng, Z. Fractional order modeling and residual vibration suppression for flexible two-mass system. In Proceedings of the 29th Chinese Control and Decision Conference (CCDC), Chongqing, China, 28–30 May 2017; pp. 3658–3664. [Google Scholar]
- Losada, J.; Nieto, J.J. Properties of a new fractional derivative without singular kernel. Prog. Fract. Differ. Appl. 2015, 1, 87–92. [Google Scholar]
- Lozynskyy, A.; Lozynskyy, O.; Kasha, L.; Holovach, I. Analysis of Fractional Derivatives and Integrals Application with Caputo-Fabrizio Operator In Electromechanical Systems. In Proceedings of the 2020 IEEE 21st International Conference on Computational Problems of Electrical Engineering (CPEE), Online Conference, Poland, 16–19 September 2020; pp. 1–4. [Google Scholar]
- Mboro Nchama, G.A.; Mecıas, A.L.; Richard, M.R. The Caputo-Fabrizio Fractional Integral to Generate Some New Inequalities. Inf. Sci. Lett. 2019, 8, 73–80. [Google Scholar]
- Vinnicombe, G. Frequency domain uncertainty and the graph topology. IEEE Trans. Autom. Control 1993, 38, 1371–1383. [Google Scholar] [CrossRef]
- Lozynskyy, A.; Marushchak, Y.; Lozynskyy, O.; Kasha, L. Synthesis of Combine Feedback Control of Electromechanical System by Feedback Linearization Method. In Proceedings of the 2020 IEEE Problems of Automated Electrodrive, Theory and Practice (PAEP), Kremenchuk, Ukraine, 21–25 September 2020; pp. 1–6. [Google Scholar]












Publisher’s Note: MDPI stays neutral with regard to jurisdictional claims in published maps and institutional affiliations. |
© 2021 by the authors. Licensee MDPI, Basel, Switzerland. This article is an open access article distributed under the terms and conditions of the Creative Commons Attribution (CC BY) license (http://creativecommons.org/licenses/by/4.0/).
Share and Cite
Lozynskyy, A.; Chaban, A.; Perzyński, T.; Szafraniec, A.; Kasha, L. Application of Fractional-Order Calculus to Improve the Mathematical Model of a Two-Mass System with a Long Shaft. Energies 2021, 14, 1854. https://doi.org/10.3390/en14071854
Lozynskyy A, Chaban A, Perzyński T, Szafraniec A, Kasha L. Application of Fractional-Order Calculus to Improve the Mathematical Model of a Two-Mass System with a Long Shaft. Energies. 2021; 14(7):1854. https://doi.org/10.3390/en14071854
Chicago/Turabian StyleLozynskyy, Andriy, Andriy Chaban, Tomasz Perzyński, Andrzej Szafraniec, and Lidiia Kasha. 2021. "Application of Fractional-Order Calculus to Improve the Mathematical Model of a Two-Mass System with a Long Shaft" Energies 14, no. 7: 1854. https://doi.org/10.3390/en14071854
APA StyleLozynskyy, A., Chaban, A., Perzyński, T., Szafraniec, A., & Kasha, L. (2021). Application of Fractional-Order Calculus to Improve the Mathematical Model of a Two-Mass System with a Long Shaft. Energies, 14(7), 1854. https://doi.org/10.3390/en14071854

