Collective Losses of Low Power Cage Induction Motors—A New Approach
Abstract
1. Introduction
- use of motor equivalent circuit parameters,
- study of influence of slip on motor efficiency,
- measurement of current and voltage in stator winding,
- measurement of rotational speed and torque,
- analysis of no-load or load motor parameters,
- calculation of air gap torque—AGT method,
- efficiency optimizations techniques.
- A control system should operate in-situ, that is, without additional intervention in drive design.
- A control system should not require additional preliminary motor testing, e.g., no-load test, or inductance measurement.
- Determination of mechanical losses and stray load losses should not require additional measurements.
- The above assumptions are adopted for estimation of IM losses and are intended to simplify implementation procedures of control systems to new and existing electric drives with any control techniques.
- Collective losses are defined on the basis of a Sankey diagram,
- Explaining variables necessary for a multiple regression model are determined on the basis of relative collective losses,
- Hellwig’s method is adapted to eliminate those explaining variables that have less significant impact on the estimated collective loss function—the estimated model is simplified,
- Coefficients, components of the predicted variable, are determined.
2. Collective Losses—Definition
- a.
- Accurate analysis of the individual losses is not the main goal.
- b.
- We assume “a priori” that an estimation characteristic of collective losses can be produced.
- c.
- The excess eddy-current losses are ignored. Finally, core losses Pcor consist of stator and rotor hysteresis losses Physs, Physr and stator and rotor eddy-current losses Peddys, Peddyr. Analysis of collective losses in this paper is a new approach, therefore, simplification of this method is important. If the errors are not acceptable, a new assumption is intoduced.
- d.
- The insulation losses Pins are omitted as they are negligible for 2.2 kW motors.
- e.
- Stator and rotor stray load losses Pstrs, Pstrr and stator and rotor stray no-load losses Pstr0s, Pstr0r are presented independently. This is connected with a broad range of load torque variations as defined by affinity laws for pumps and fans.
- f.
- The motor is supplied with a sine wave and has a variable frequency voltage source.
- g.
- The following relationship is realized by the voltage source: .
- The rotor hysteresis losses Physr are ignored because: . Such an assumption is correct for pump and fan load torque that reduces in line with the squared rotational speed in accordance with affinity laws.
- The rotor eddy-current losses Peddyr are omitted because: .
- The rotor stray load losses Pstr0r are ignored. They include rotor current Ir, which is difficult to measure. However, Ir is strongly correlated with the stator current Is.
- Linearity of the magnetic circuit is assumed.
- Magnetic flux densities Bzs and Bzr of the stator and rotor teeth are considered proportional to supply voltage Us and to the rotational speed n.
- A heating power Pheat component which defines temperature increment of the motor ΔT is added, representing effect of heat on Pcoll.
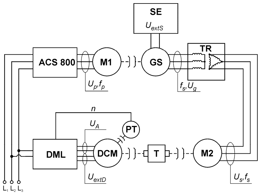
3. Test Stand
- Phase currents were measured with E3N current probes. Their accuracy was δI = 0.03. A probe signal was converted into digital signal by a 16-bit converter in a NI-USB 6361 measurement card.
- Differential probes MTX9030-Z served to measure inter-phase voltages. The voltage measurements had a relative error of δU = 0.03 and signal damping 1/200. The probe output signal was sent to the analogue input of NI-USB 6361 16-bit measurement card.
- Rotational speed and motor torque were measured with MT-20 and MT-10 load cells with the accuracy 0.2% of the measurement range.
- MPS41 XX METROL mains parameter metre measured electric quantities supplied to the motor. The device analyzes the mains parameters with a satisfactory accuracy. The measurement errors are: current measurement error δI = ±0.5%, voltages measurement δU = ±0.5%, active power measurement δP = ±1%.
4. Adapting Hellwig’s Method
5. Statistical Model of Collective Losses
- the explaining variables Xk in the predicted variable Y should have coefficients of correlation νk > 0.2—the method of eliminating quasi-constant variables,
- the coefficients of correlation between the explaining variables Xk, and the explained variable Y should tend towards one,
- the coefficients of correlation between the explaining variables Xk should tend towards one zero,
- the degree of matching of the predicted variable Y to results of real measurements should be maximum possible, which is expressed as maximization of the determination coefficient R2.
- Testing significance of the model’s coefficients with Student’s t-test.
- Testing of the model’s matching to empirical data:
- calculation of the determination coefficient,
- calculation of the convergence coefficient,
- calculation of the random variability coefficient.
- Verification of the random structure’s properties:
- testing randomness of a random component with the runs test,
- testing normalcy of a random component’s distribution,
- testing homogeneity of a random component’s variance with White’s test.
- a.
- The model is linear or can be reduced to a linear form,
- b.
- A linear dependence holds between no interpretative variables,
- c.
- The number of measurements serving to estimate factors exceeds the number of factors estimated in this manner,
- d.
- The expected value of a random component equals zero E(ε) = 0.
6. Simulation and Testing Analyses
7. Conclusions
- No load test is required.
- IEEE 112 standard or other test methods are not used to determine stray load losses,
- A torque metre does not need to be mounted on the motor shaft—the method is non-intrusive.
- Any control system of electric drive can be used—V/f, DTC, FOC, VVC, or others,
- The estimated characteristic of the collective losses includes a minimum of explaining variables—Hellwig’s optimization.
- The estimated characteristic of the collective losses addresses both new motors and motors after years of service.
- The estimated characteristic of the collective losses addresses motors of various efficiency classes.
- Collective losses are computed for broad ranges of frequency (10–60) Hz and torque (0.1–1.1) TN variations.
- Collective loss calculation requires only measurement of supply voltage, motor current, and frequency.
Author Contributions
Funding
Institutional Review Board Statement
Informed Consent Statement
Data Availability Statement
Conflicts of Interest
Nomenclature
| f | frequency (Hz) |
| fN | rated frequency (Hz) |
| Is | current of stator winding (A) |
| IN | rated current (A) |
| n | rotational speed (rpm) |
| P | power (kW) |
| PN | rated power (kW) |
| Us | voltage across stator winding (V) |
| P1 | input motor power (kW) |
| P2 | output motor power (kW) |
| PΨ | electromagnetic power (kW) |
| Pjs | stator Joule loss (kW) |
| Pjr | rotor Joule loss (kW) |
| Pcoll | collective losses (kW) |
| PcollN | rated collective losses (kW) |
| Pcorr | rotor core losses (kW) |
| Pcors | stator core losses (kW) |
| Pstrr | rotor stray load losses (kW) |
| Pstrs | stator stray load losses (kW) |
| Pstr0 | stray no-load losses (kW) |
| Pm | mechanical losses (kW) |
| Pins | insulation losses (kW) |
| s | slip |
| TN | rated motor torque (Nm) |
| TL | load torque (Nm) |
| TLN | rated load torque (Nm) |
| Us | voltage across stator winding (V) |
| η | motor efficiency |
| relative collective losses | |
| relative frequency of motor supply voltage | |
| relative rotational speed | |
| relative current of stator winding | |
| relative voltage across stator winding | |
| relative load torque |
References
- Bidstrup, N.; Hunnekuhl, G.; Heinrich, H.; Andersen, T. Classification of Circulators; Europump: Brussels, Belgium, 2003. [Google Scholar]
- Szychta, L.; Figura, R. Analysis of efficiency characteristics of squirrel-cage induction motor for pump applications. In Proceedings of the 2012 XXth International Conference on Electrical Machines, Marseille, France, 2–5 September 2012; Institute of Electrical and Electronics Engineers (IEEE): Piscataway, NJ, USA, 2012; pp. 73–78. [Google Scholar]
- Salomon, C.P.; Sant’Ana, W.C.; Lambert-Torres, G.; Da Silva, L.E.B.; Bonaldi, E.L.; Oliveira, L.E.D.L.D.; Da Silva, L.B. Comparison among Methods for Induction Motor Low-Intrusive Efficiency Evaluation Including a New AGT Approach with a Modified Stator Resistance. Energies 2018, 11, 691. [Google Scholar] [CrossRef]
- Parasiliti, F.; Bertoldi, P. Energy Efficiency in Motor Driven Systems; Springer: Berlin/Heidelberg, Germany, 2003. [Google Scholar]
- Razali, R. Improving squirrel cage induction motor efficiency: Technical review. Int. J. Phys. Sci. 2012, 7, 1129–1140. [Google Scholar] [CrossRef]
- Agamloh, E.B. A Comparison of direct and indirect measurement of induction motor efficiency. In Proceedings of the 2009 IEEE International Electric Machines and Drives Conference, Miami, FL, USA, 3–6 May 2009; Institute of Electrical and Electronics Engineers (IEEE): Piscataway, NJ, USA, 2009; pp. 36–42. [Google Scholar]
- Hsu, J.; Kueck, J.; Olszewski, M.; Casada, D.; Otaduy, P.; Tolbert, L. Comparison of induction motor field efficiency evaluation methods. IEEE Trans. Ind. Appl. 1998, 34, 117–125. [Google Scholar] [CrossRef]
- Cleland, J.; McCormick, V.; Turner, M. Design of an efficiency optimization controller for inverter-fed AC induction motors. In Proceedings of the IAS ’95. Conference Record of the 1995 IEEE Industry Applications Conference Thirtieth IAS Annual Meeting, Orlando, FL, USA, 8–12 October 1995; Institute of Electrical and Electronics Engineers (IEEE): Piscataway, NJ, USA, 2002; Volume 1, pp. 16–21. [Google Scholar]
- Kirschen, D.S.; Novotny, D.W.; Lipo, T.A. On-Line Efficiency Optimization of a Variable Frequency Induction Motor Drive. IEEE Trans. Ind. Appl. 1985, IA-21, 610–616. [Google Scholar] [CrossRef]
- Qu, Z.; Ranta, M.; Hinkkanen, M.; Luomi, J. Loss-Minimizing Flux Level Control of Induction Motor Drives. IEEE Trans. Ind. Appl. 2012, 48, 952–961. [Google Scholar] [CrossRef]
- Waheedabeevi, M.; Sukeshkumar, A.; Nair, N.S. New online loss- minimization-based control of scalar and vector-controlled induction motor drives. In Proceedings of the 2012 IEEE International Conference on Power Electronics, Drives and Energy Systems (PEDES), Bengaluru, India, 16–19 December 2012; Institute of Electrical and Electronics Engineers (IEEE): Piscataway, NJ, USA, 2012; pp. 1–7. [Google Scholar]
- Bojoi, R.; Li, Z.; Odhano, S.A.; Griva, G.; Tenconi, A.; Bojoi, I.R. Unified direct-flux vector control of induction motor drives with maximum torque per ampere operation. IEEE Energy Convers. Congr. Expo. 2013, 3888–3895. [Google Scholar] [CrossRef]
- Wasynczuk, O.; Sudhoff, S.; Corzine, K.; Tichenor, J.; Krause, P.; Hansen, I.; Taylor, L. A maximum torque per ampere control strategy for induction motor drives. IEEE Trans. Energy Convers. 1998, 13, 163–169. [Google Scholar] [CrossRef]
- Cacciato, M.; Consoli, A.; Scarcella, G.; Scelba, G.; Testa, A. Efficiency optimization techniques via constant optimal slip control of induction motor drives. In Proceedings of the International Symposium on Power Electronics, Electrical Drives, Automation and Motion, Taormina, Italy, 23–26 May 2006; Institute of Electrical and Electronics Engineers (IEEE): Piscataway, NJ, USA, 2006; pp. 33–38. [Google Scholar]
- Khoury, M.G. Energy Efficiency Improvement of a Squirrel-Cage Induction Motor through the Control Strategy. Ph.D. Thesis, Institut Polytechnique de Toulouse, Toulouse, France, 2018. [Google Scholar]
- Bertotti, G. General properties of power losses in soft ferromagnetic materials. IEEE Trans. Magn. 1988, 24, 621–630. [Google Scholar] [CrossRef]
- Figura, R. Nonintrusive Method of Estimating Efficiency of Squirrel-Cage Induction Motor. Ph.D. Thesis, Technical University of Radom, Radom, Poland, 2012. [Google Scholar]
- Lu, B.; Habetler, T.G.; Harley, R.G. A Nonintrusive and In-Service Motor-Efficiency Estimation Method Using Air-Gap Torque with Considerations of Condition Monitoring. IEEE Trans. Ind. Appl. 2008, 44, 1666–1674. [Google Scholar] [CrossRef]
- Lu, B.; Habetler, T.G.; Harley, R.G. A Nonintrusive Efficiency Estimation Method for In-Service Motor Testing using a Modified Induction Motor Equivalent Circuit. In Proceedings of the 37th IEEE Power Electronics Specialists Conference, Jeju, Korea, 18–22 June 2006; Institute of Electrical and Electronics Engineers (IEEE): Piscataway, NJ, USA, 2006; pp. 1–6. [Google Scholar]
- Da Silva, L.E.B.; Cortez, A.D.; Salomon, C.P.; Santana, W.C.; Lambert-Torres, G.; Bonaldi, E.L.; Oliveira, L.E.D.L.D.; Da Silva, J.G.B. Differential Evolution based Air-Gap Torque method approach for induction motor efficiency estimation. In Proceedings of the 2015 18th International Conference on Intelligent System Application to Power Systems (ISAP), Porto, Portugal, 11–16 September 2015; Institute of Electrical and Electronics Engineers (IEEE): Piscataway, NJ, USA, 2015; pp. 1–6. [Google Scholar]
- Karnavas, Y.; Vacharides, C.; Karlis, A. On the development of an on-site induction motor efficiency estimator framework. MedPower 2014, 73–76. [Google Scholar] [CrossRef]
- Pillay, P.; Levin, V.; Otaduy, P.; Kueck, J. In-situ induction motor efficiency determination using the genetic algorithm. IEEE Trans. Energy Convers. 1998, 13, 326–333. [Google Scholar] [CrossRef]
- Li, Y.; Liu, M.; Lau, J.; Zhang, B. A novel method to determine the motor efficiency under variable speed operations and partial load conditions. Appl. Energy 2015, 144, 234–240. [Google Scholar] [CrossRef]
- Bigdeli, M.; Azizian, D.; Rahimpour, E. An Improved Big Bang-Big Crunch Algorithm for Estimating Three-Phase Induction Motors Efficiency. J. Oper. Autom. Power Eng. 2016, 4, 83–92. [Google Scholar]
- Chen, C.; Yu, H.; Gong, F.; Wu, H. Induction Motor Adaptive Backstepping Control and Efficiency Optimization Based on Load Observer. Energies 2020, 13, 3712. [Google Scholar] [CrossRef]
- Guru, B.S.; Hiziroglu, H.R. Electric Machinery and Transformers, 3rd ed.; Oxford University Press: Oxford, UK, 2001. [Google Scholar]
- Stermecki, A.; Biro, O.; Preis, K.; Rainer, S.; Krischan, K.; Ofner, G. Calculation of load-dependent equivalent circuit parameters of squirrel cage induction motors using time-harmonic FEM. In Proceedings of the 18th International Conference on Electrical Machines, Vilamoura, Portugal, 6–9 September 2008; Institute of Electrical and Electronics Engineers (IEEE): Piscataway, NJ, USA, 2008; Volume 29, pp. 1–6. [Google Scholar]
- Aminu, M.; Barendse, P.; Khan, A. A Simplified Equivalent Circuit Method for Induction Machine Nonintrusive Field Efficiency Estimation. IEEE Trans. Ind. Electron. 2019, 67, 7301–7311. [Google Scholar] [CrossRef]
- Wang, G.; Park, S.-W. Improved Estimation of Induction Motor Circuit Parameters with Published Motor Performance Data. In Proceedings of the 2014 Sixth Annual IEEE Green Technologies Conference, Corpus Christi, TX, USA, 3–4 April 2014; Institute of Electrical and Electronics Engineers (IEEE): Piscataway, NJ, USA, 2014; pp. 25–28. [Google Scholar]
- Boglietti, A.; Cavagnino, A.; Ionel, D.M.; Popescu, M.; Staton, D.A.; Vaschetto, S. A General Model to Predict the Iron Losses in PWM Inverter-Fed Induction Motors. IEEE Trans. Ind. Appl. 2010, 46, 1882–1890. [Google Scholar] [CrossRef]
- Boglietti, A.; Bojoi, R.; Cavagnino, A.; Vaschetto, S.; Bojoi, I.R. Influence of the sinusoidal supply frequency on the induction motor stray load losses. In Proceedings of the IECON 2012—38th Annual Conference on IEEE Industrial Electronics Society, Montreal, QC, Canada, 25–28 October 2012; Institute of Electrical and Electronics Engineers (IEEE): Piscataway, NJ, USA, 2012; pp. 1847–1851. [Google Scholar]
- Boglietti, A.; Cavagnino, A.; Lazzari, M. Fast Method for the Iron Loss Prediction in Inverter-Fed Induction Motors. IEEE Trans. Ind. Appl. 2010, 46, 806–811. [Google Scholar] [CrossRef]
- Wang, K.; Huai, R.; Yu, Z.; Zhang, X.; Li, F.; Zhang, L. Comparison Study of Induction Motor Models Considering Iron Loss for Electric Drives. Energies 2019, 12, 503. [Google Scholar] [CrossRef]
- Rengifo, J.; Albanez, E.; Benzaquen, J.; Bueno, A.; Aller, J.M. Full-Load Range In-Situ Efficiency Estimation Method for Induction Motors Using Only A Direct Start-Up. In Proceedings of the 2018 XIII International Conference on Electrical Machines (ICEM), Alexandroupoli, Greece, 3–6 September 2018; Institute of Electrical and Electronics Engineers (IEEE): Piscataway, NJ, USA, 2018; pp. 1213–1219. [Google Scholar]
- British Standard. Adjustable Speed Electrical Power Drive Systems Part 9-2: Ecodesign for Power Drive Systems, Motor Starters, Power Electron-ICS and Their Driven Applications—Energy Efficiency Indicators for Power Drive Systems and Motor Starters; IEC61800-9-2; British Standard: London, UK, 2017. [Google Scholar]
- Kueck, J.D. Assessment of Methods for Estimating Motor Efficiency and Load under Field Conditions; ORNL/TM-13165; Oak Ridge National Laboratory: Oak Ridge, TN, USA, 1996.
- Kueck, J.D.; Gray, J.R.; Driver, R.C.; Hsu, J. Assessment of Available Methods for Evaluating in Service Motor Efficiency; Oak Ridge National Laboratory: Oak Ridge, TN, USA, 1996. [Google Scholar]
- Ontario Hydro. In-Plant Electric Motor Loading and Efficiency Techniques; TSDD-90-043; Ontario Hydro: Toronto, ON, Canada, 1990. [Google Scholar]
- Tiainen, R.; Sarkimaki, V.; Ahola, J.; Lindh, T.; Niemelä, M. Current measurement-based detection of load torque changes in a variable speed VSI induction motor drive to support motor diagnostics. In Proceedings of the 2007 European Conference on Power Electronics and Applications, Aalborg, Denmark, 2–5 September 2007; Institute of Electrical and Electronics Engineers (IEEE): Piscataway, NJ, USA, 2007; pp. 1–10. [Google Scholar]
- McCoy, G.A.; Douglas, J.G. Energy Management for Motor Driven System; U.S. DOE: Washington, DC, USA, 2000.
- Chapman, S.J. Electric Machinery Fundamentals; McGraw Hill: New York, NY, USA, 2012. [Google Scholar]
- Krause, P.C. Analysis of Electric Machinery; McGraw Hill: Singapore, 1986. [Google Scholar]
- Jordan, H.E. Energy Efficient Electric Motors and their Applications; VAN Nostrand Reinhold, Co.: New York, NY, USA, 1983. [Google Scholar]
- Gieras, J.F. Electrical Machines—Fundamentals at Electromechanical Energy Conversion; CRC Press: Boca Raton, FL, USA, 2016. [Google Scholar]
- Szychta, L.; Figura, R.; Kwiecień, R. Application of a Thyristor Drive Assembly DML to Testing of Mechanical Characteristics of Asynchronous Motors, 12TH International Conference Computer Systems Aided Science, Industry and Transport; TransComp: Zakopane, Poland, 1–4 December 2008. [Google Scholar]
- Hyndman, R.J.; Athanasopoulos, G. Forecasting: Principles and Practice; OText: Melbourne, Australia, 2018. [Google Scholar]
- Hellwig, Z. Linear Regression and Its Applications to Economics; Pergamon Press: Oxford, UK, 1963. [Google Scholar]
- Miller, A. Subset Selection in Regression; CRC Press: Boca Raton, FL, USA, 2002. [Google Scholar]
- Osinska, M. Ekonometria Współczesna; Dom Organizatora: Toruń, Poland, 2007. [Google Scholar]
- Sowinski, J. The Impact of the Selection of Exogenous Variables in the ANFIS Model on the Results of the Daily Load Forecast in the Power Company. Energies 2021, 14, 345. [Google Scholar] [CrossRef]
- Borkowski, B.; Dudek, H.; Szczęsny, W. Econometrics. Selected Problems; PWN: Warsaw, Poland, 2003. [Google Scholar]
- Nowak, E. An Outline of Econometric Methods; PWN: Warsaw, Poland, 1998. [Google Scholar]






| Method | No Load Test | Stray Load Loss | Rotational Speed or Torque Determination | High Intrusive | Low Intrusive | No-Intrusive | Efficiency Calculation Accuracy |
|---|---|---|---|---|---|---|---|
| Measurement of rotational speed | No | No | Yes | Yes | - | - | High |
| Slip method | No | No | Yes | Yes | - | - | Low |
| Equivalent circuit diagram | Yes | IEEE 112 | No | - | Yes | - | Low |
| Current and voltage measurement | No | No | No | - | - | Yes | Low |
| AGT | Yes | IEEE 112 | No | - | Yes | - | High |
| No load current method | Yes | No | No | - | Yes | - | Low |
| Artificial intelligence | Yes | IEEE 112 | No | - | Yes | - | High |
| Load observer | Yes | IEEE 112 | No | - | Yes | - | High |
| Optimizations techniques | Yes | No | Yes | - | Yes | - | High |
| No | PN | UN | IN | nN | cosφ | ηN | R2 |
|---|---|---|---|---|---|---|---|
| 1 | 2.2 | 400 | 4.8 | 1425 | 0.8 | 0.82 | 0.97 |
| 2 | 1.5 | 380 | 3.7 | 1420 | 0.8 | 0.77 | 0.95 |
| 3 | 2.2 | 400 | 5 | 2870 | 0.77 | 0.83 | 0.97 |
| 4 | 1.1 | 400 | 2.7 | 1415 | 0.8 | 0.74 | 0.8 |
| 5 | 1.5 | 400 | 4.2 | 900 | 0.82 | 0.63 | 0.89 |
| 6 | 0.75 | 400 | 1.88 | 1395 | 0.8 | 0.72 | 0.7 |
| 7 | 1.1 | 380 | 2.6 | 2870 | 0.84 | 0.77 | 0.7 |
| 8 | 1.5 | 400 | 3.2 | 2835 | 0.83 | 0.82 | 0.7 |
Publisher’s Note: MDPI stays neutral with regard to jurisdictional claims in published maps and institutional affiliations. |
© 2021 by the authors. Licensee MDPI, Basel, Switzerland. This article is an open access article distributed under the terms and conditions of the Creative Commons Attribution (CC BY) license (http://creativecommons.org/licenses/by/4.0/).
Share and Cite
Szychta, E.; Szychta, L. Collective Losses of Low Power Cage Induction Motors—A New Approach. Energies 2021, 14, 1749. https://doi.org/10.3390/en14061749
Szychta E, Szychta L. Collective Losses of Low Power Cage Induction Motors—A New Approach. Energies. 2021; 14(6):1749. https://doi.org/10.3390/en14061749
Chicago/Turabian StyleSzychta, Elzbieta, and Leszek Szychta. 2021. "Collective Losses of Low Power Cage Induction Motors—A New Approach" Energies 14, no. 6: 1749. https://doi.org/10.3390/en14061749
APA StyleSzychta, E., & Szychta, L. (2021). Collective Losses of Low Power Cage Induction Motors—A New Approach. Energies, 14(6), 1749. https://doi.org/10.3390/en14061749

