An Efficiency Analysis of 27 Level Single-Phase Asymmetric Inverter without Regeneration †
Abstract
:1. Introduction
2. Methodology
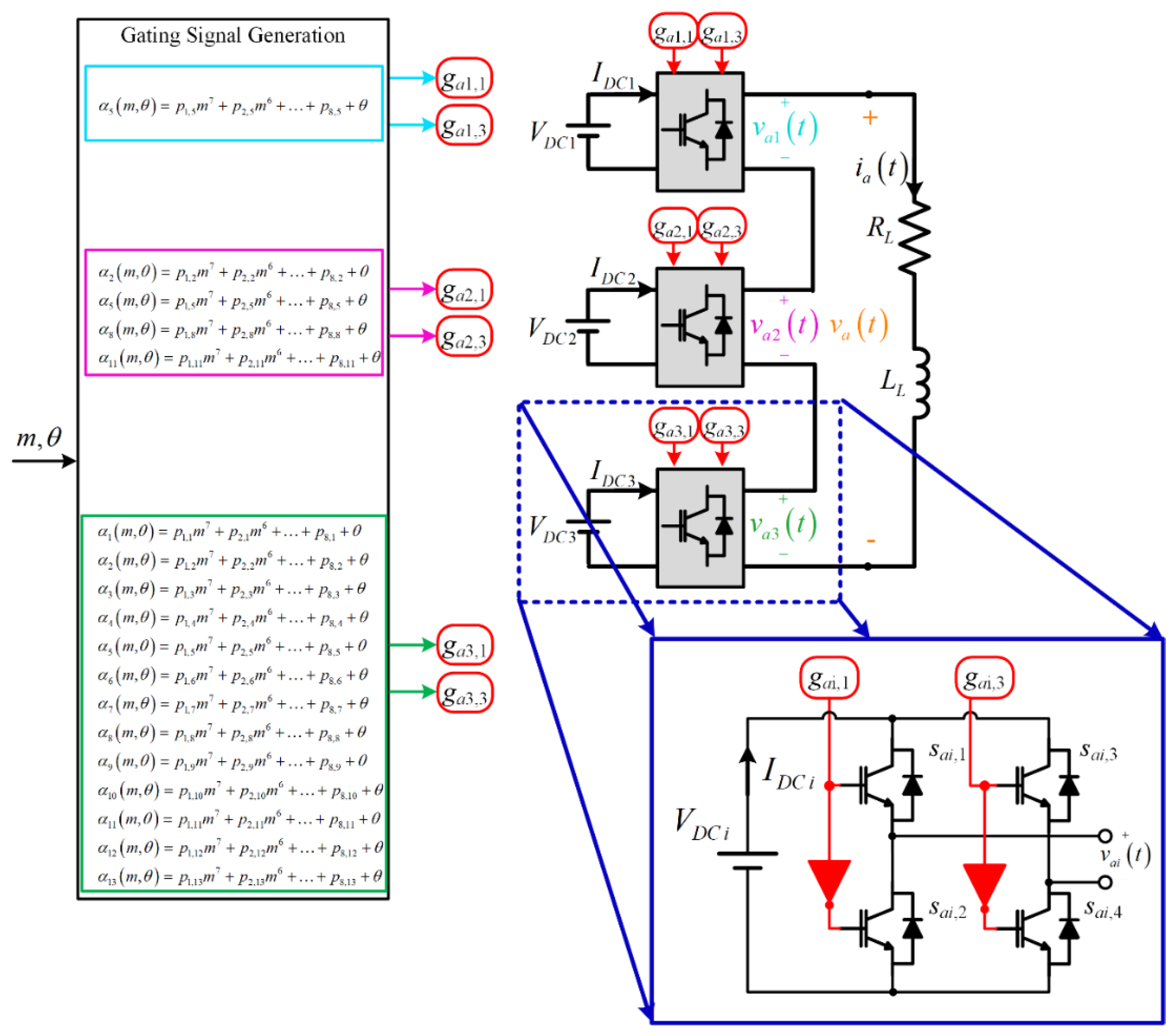
3. Topology
4. Semiconductors Losses
4.1. Switching Losses
4.2. Conduction Losses
5. Switching Frequency
6. Simulated Results
6.1. Steady-State Analysis
6.2. Analysis before Disturbances
7. Experimental Results
8. Conclusions
Author Contributions
Funding
Institutional Review Board Statement
Informed Consent Statement
Data Availability Statement
Acknowledgments
Conflicts of Interest
References
- Akagi, H. Multilevel Converters: Fundamental Circuits and Systems. Proc. IEEE 2017, 105, 2048–2065. [Google Scholar] [CrossRef]
- Wu, B.; Narimani, M. Voltage Source Inverter Fed Drives. In High-Power Converters and AC Drives, 2nd ed.; Wiley-IEEE Press: Piscataway, NJ, USA, 2017; pp. 287–308. [Google Scholar]
- Leon, J.I.; Vazquez, S.; Franquelo, L.G. Multilevel Converters: Control and Modulation Techniques for Their Operation and Industrial Applications. Proc. IEEE 2017, 105, 2066–2081. [Google Scholar] [CrossRef]
- Nabae, A.; Takahashi, I.; Akagi, H. A new Neutral-Point-Clamped PWM Inverter. IEEE Trans. Ind. Appl. 1981, 1A-17, 518–523. [Google Scholar] [CrossRef]
- Lai, J.S.; Peng, F.Z. Multilevel converters-A new breed of power converters. IEEE Trans. Ind. Appl. 1996, 32, 509–517. [Google Scholar]
- Hammond, P. A new approach to enhance power quality for medium voltage AC drives. IEEE Trans. Ind. Appl. 1997, 33, 202–208. [Google Scholar] [CrossRef]
- Abu-Rub, H.; Bayhan, S.; Moinoddin, S.; Malinowski, M.; Guzinski, J. Medium-Voltage Drives: Challenges and existing technology. IEEE Power Electron. Mag. 2016, 3, 29–41. [Google Scholar] [CrossRef]
- Mueller, O.M.; Park, J.N. Quasi-linear IGBT inverter topologies. In Proceedings of the IEEE Applied Power Electronics Conference and Exposition—ASPEC’94, Orlando, FL, USA, 13–17 February 1994; IEEE: Piscataway, NJ, USA, 1994; pp. 253–259. [Google Scholar]
- Vasu, R.; Chattopadhyay, S.K.; Chakraborty, C. Asymmetric Cascaded H-Bridge Multilevel Inverter with Single DC Source per Phase. IEEE Trans. Ind. Electron. 2020, 67, 5398–5409. [Google Scholar] [CrossRef]
- Manoharan, M.S.; Ahmed, A.; Park, J.-H. An Improved Model Predictive Controller for 27-Level Asymmetric Cascaded Inverter Applicable in High-Power PV Grid-Connected Systems. IEEE J. Emerg. Sel. Top. Power Electron. 2020, 8, 4395–4405. [Google Scholar] [CrossRef]
- Manoharan, M.S.; Ahmed, A.; Park, J. A PV Power Conditioning System Using Nonregenerative Single-Sourced Trinary Asymmetric Multilevel Inverter with Hybrid Control Scheme and Reduced Leakage Current. IEEE Trans. Power Electron. 2017, 32, 7602–7614. [Google Scholar] [CrossRef]
- Perez, R.J.; Beristain, J.J.A.; Hernández, L.J.H.; Urquijo, R.F.R. Hybrid Modulation Strategy for Asymmetrical Cascade H-Bridge Multilevel Inverters. IEEE Lat. Am. Trans. 2018, 16, 1623–1630. [Google Scholar]
- Ahmed, A.; Manoharan, M.S.; Park, J. An Efficient Single-Sourced Asymmetrical Cascaded Multilevel Inverter with Reduced Leakage Current Suitable for Single-Stage PV Systems. IEEE Trans. Energy Convers. 2019, 34, 211–220. [Google Scholar] [CrossRef]
- Perez, M.; Rodriguez, J.; Pontt, J.; Kouro, S. Power Distribution in Hybrid Multi-cell Converter with Nearest Level Modulation. In Proceedings of the IEEE International Symposium on Industrial Electronics, Vigo, Spain, 4–7 June 2007; IEEE: Piscataway, NJ, USA, 2007; pp. 736–741. [Google Scholar]
- Busarello, T.D.C.; Reuter, A.L.d.M.; Péres, A.; Simões, M.G. Understanding the Staircase Modulation Strategy and Its Application in Both Isolated and Grid-Connected Asymmetric Cascaded H-Bridge Multilevel Inverters. IEEE Trans. Ind. Appl. 2019, 55, 5371–5382. [Google Scholar] [CrossRef]
- Flores, P.; Dixon, J.; Ortuzar, M.; Carmi, R.; Barriuso, P.; Moran, L. Static Var Compensator and Active Power Filter With Power Injection Capability, Using 27-Level Inverters and Photovoltaic Cells. IEEE Trans. Ind. Electron. 2009, 56, 130–138. [Google Scholar] [CrossRef]
- Dixon, J.; Pereda, J.; Castillo, C.; Bosch, S. Asymmetrical Multilevel Inverter for Traction Drives Using Only One DC Supply. IEEE Trans. Veh. Tech. 2010, 59, 3736–3743. [Google Scholar] [CrossRef]
- Dixon, J.; Breton, A.A.; Rios, F.E.; Rodriguez, J.; Pontt, J.; Perez, M.A. High-Power Machine Drive, Using Nonredundant 27-Level Inverters and Active Front End Rectifiers. IEEE Trans. Power Electron. 2007, 22, 2527–2533. [Google Scholar] [CrossRef]
- Pereda, J.; Dixon, J. High-Frequency Link: A Solution for Using Only One DC Source in Asymmetric Cascaded Multilevel Inverters. IEEE Trans. Ind. Electro. 2011, 58, 3884–3892. [Google Scholar] [CrossRef]
- Rotella, M.; Peñailillo, G.; Pereda, J.; Dixon, J. PWM Method to Eliminate Power Sources in a Nonredundant 27-Level Inverter for Machine Drive Applications. IEEE Trans. Ind. Electron. 2009, 56, 194–201. [Google Scholar] [CrossRef]
- Espinosa, E.; Espinoza, J.R.; Melin, P.; Ramírez, R.; Villarroel, F.; Muñoz, J.; Moran, L. A New Modulation Method for a 13-Level Asymmetric Inverter towards Minimum THD. IEEE Trans. Ind. Appl. 2014, 50, 1924–1933. [Google Scholar] [CrossRef]
- Lu, S.; Mariéthoz, S.; Corzine, K.A. Asymmetrical Cascade Multilevel Converters with Noninteger or Dynamically Changing DC Voltage Ratios: Concepts and Modulation Techniques. IEEE Trans. Ind. Electron. 2010, 57, 2411–2418. [Google Scholar]
- Espinosa, E.; Espinoza, J.; Ramirez, R.; Rohten, J.; Villarroel, F.; Melin, P.; Guzman, J. A new modulation technique for 15-level asymmetric inverter operating with minimum THD. In Proceedings of the IECON 2013—39th Annual Conference of the IEEE Industrial Electronics Society, Vienna, Austria, 10–13 November 2013; IEEE: Piscataway, NJ, USA, 2013; pp. 6164–6169. [Google Scholar]
- Espinosa, E.; Espinoza, J.; Villarroel, F.; Muñoz, J.; Melin, P.; Ramirez, R. A novel modulation technique for asymmetric multi-cell inverters of 27-level without regeneration. In Proceedings of the IECON 2012—38th Annual Conference on IEEE Industrial Electronics Society, Montreal, QC, Canada, 25–28 October 2012; IEEE: Piscataway, NJ, USA, 2012; pp. 123–128. [Google Scholar]
- Saif, A.M.; Buccella, C.; Patel, V.; Tinari, M.; Cecati, C. Design and Cost Analysis for STATCOM in Low and Medium Voltage Systems. In Proceedings of the IECON 2018—44th Annual Conference of the IEEE Industrial Electronics Society, Washington, DC, USA, 21–23 October 2018; IEEE: Piscataway, NJ, USA, 2018; pp. 3938–3943. [Google Scholar]
- Espinosa, E.; Espinoza, J.; Rohten, J.; Ramirez, R.; Reyes, M.; Muñoz, J.; Melin, P. An efficiency comparison between a 18 pulses diode rectifier and a multi-cell AFE rectifier operating with FCS—MPC. In Proceedings of the IECON 2014—40th Annual Conference of the IEEE Industrial Electronics Society, Dallas, TX, USA, 29 October–1 November 2014; IEEE: Piscataway, NJ, USA, 2014; pp. 1214–1220. [Google Scholar]
- Rajapakse, A.D.; Gole, A.M.; Wilson, P.L. Electromagnetic transients simulation models for accurate representation of switching losses and thermal performance in power electronic systems. IEEE Trans. Power Deliv. 2005, 20, 319–327. [Google Scholar]
- Schonberger, J.; Feix, G. Modelling turn-off losses in power diodes. In Proceedings of the 11th Workshop on Control and Modeling for Power Electronics, Zurich, Switzerland, 17–20 August 2008; IEEE: Piscataway, NJ, USA, 2008; pp. 1–6. [Google Scholar]
- Wiechmann, E.P.; Aqueveque, P.; Burgos, R.; Rodriguez, J. On the Efficiency of Voltage Source and Current Source Inverters for High-Power Drives. IEEE Trans. Ind. Electron. 2008, 55, 1771–1782. [Google Scholar] [CrossRef]
- Power Electronics SOFTWARE Simulation PSIM 2020A. Available online: https://powersimtech.com/ (accessed on 16 February 2021).
- Datasheet IRG4BC20UDPbF. Insulated Gate Bipolar Transistor with Ultrafast Soft Recovery Diode, International Rectifier. Available online: http://www.irf.com/product-info/datasheets/data/irg4bc20udpbf.pdf (accessed on 16 February 2021).
- Kuoro, S.; Lezana, P.; Angulo, M.; Rodriguez, J. Multicarrier PWM with DC-Link Ripple Feedforward Compensation for Multilevel Inverters. IEEE Trans. Power Electron. 2008, 23, 52–59. [Google Scholar] [CrossRef]
- Sarmiento, H.G.; Estrada, E. A Voltage Sag Study in an Industry with Adjustable Speed Drives. IEEE Ind. Magaz. Appl. 1996, 2, 16–19. [Google Scholar] [CrossRef]













| m | VDC1 | VDC2 | VDC3 | va,1 | va1,1 | va2,1 | va3,1 | ia,1 | va,rms | ia,rms | RL | LL |
|---|---|---|---|---|---|---|---|---|---|---|---|---|
| 1.0 | 900[V] | 300[V] | 100[V] | 1318[V] | 1077[V] | 206.9[V] | 34.75[V] | 9.265[A] | 1319[V] | 9.268[A] | 114.1[Ω] | 27.23[mH] |
| 0.7 | 923.1[V] | 923.1[V] | 0.000[V] | 0.000[V] | 6.484[A] | 924.4[V] | 6.484[A] |
| m | α1 | α2 | α3 | α4 | α5 | α6 | α7 | α8 | α9 | α10 | α11 | α12 | α13 |
|---|---|---|---|---|---|---|---|---|---|---|---|---|---|
| 1.0 | 2.13° | 6.48° | 10.9° | 15.2° | 19.9° | 24.8° | 29.6° | 34.7° | 40.2° | 46.1° | 52.7° | 60.6° | 71.1° |
| 0.7 | 3.00° | 8.92° | 15.4° | 21.7° | 36.3° | 36.3° | 44.1° | 51.4° | 65.3° | 90.0° | 90.0° | 90.0° | 90.0° |
| m | VDC1 | VDC2 | VDC3 | va,1 | va1,1 | va2,1 | va3,1 | ia,1 | va,rms | ia,rms | RL | LL |
|---|---|---|---|---|---|---|---|---|---|---|---|---|
| 1.0 | 90[V] | 30[V] | 10[V] | 132.1[V] | 109.1[V] | 20.58[V] | 6.769[V] | 1.750[A] | 132.1[V] | 1.792[A] | 58[Ω] | 138[mH] |
| 0.7 | 92.88[V] | 93.33[V] | 1.476[V] | 1.223[V] | 1.279[A] | 93.07[V] | 1.285[A] |
Publisher’s Note: MDPI stays neutral with regard to jurisdictional claims in published maps and institutional affiliations. |
© 2021 by the authors. Licensee MDPI, Basel, Switzerland. This article is an open access article distributed under the terms and conditions of the Creative Commons Attribution (CC BY) license (http://creativecommons.org/licenses/by/4.0/).
Share and Cite
Espinosa, E.; Melín, P.; Baier, C.; Espinoza, J.; Garcés, H. An Efficiency Analysis of 27 Level Single-Phase Asymmetric Inverter without Regeneration. Energies 2021, 14, 1459. https://doi.org/10.3390/en14051459
Espinosa E, Melín P, Baier C, Espinoza J, Garcés H. An Efficiency Analysis of 27 Level Single-Phase Asymmetric Inverter without Regeneration. Energies. 2021; 14(5):1459. https://doi.org/10.3390/en14051459
Chicago/Turabian StyleEspinosa, Eduardo, Pedro Melín, Carlos Baier, José Espinoza, and Hugo Garcés. 2021. "An Efficiency Analysis of 27 Level Single-Phase Asymmetric Inverter without Regeneration" Energies 14, no. 5: 1459. https://doi.org/10.3390/en14051459
APA StyleEspinosa, E., Melín, P., Baier, C., Espinoza, J., & Garcés, H. (2021). An Efficiency Analysis of 27 Level Single-Phase Asymmetric Inverter without Regeneration. Energies, 14(5), 1459. https://doi.org/10.3390/en14051459
