Analysis of the Influence of the Insulation Parameters of Medium Voltage Electrical Networks and of the Petersen Coil on the Single-Phase-to-Ground Fault Current
Abstract
1. Introduction
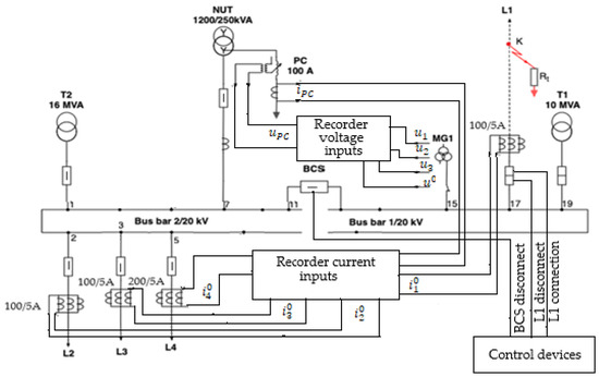
- T1 and T2 power transformers with apparent powers 10 MVA and 16 MVA, respectively, and voltages of 110/20 kV. Transformer T1 is not connected to bus bar 1 (this results from Figure 1), so it does not influence the fault;
- NUT utility transformer of 20/0.4 kV having the connection of the primary winding in a zig-zag, and which is used to achieve the artificial neutral. The nominal apparent power is 1200/250 kVA (NUT has different apparent powers for the primary and secondary winding, because the 20 kV winding of the transformer is also used to create the null point of the 20 kV grid, to which the Petersen coil is connected, and the apparent power of the primary winding is higher than of the secondary winding. This solution is used in most 110/20 kV substations in Romania.);
- UT—utility transformer, at 20/0.4 kV with an apparent power of 250 kVA;
- L1—the 20 kV line on which the single-phase fault occurs, having practically zero capacitive current, with the fault being caused in the line cell, and the line separator open;
- L2—the 20 kV line whose capacitive current is 6.9 A and is out of phase before the zero-sequence voltage by 75° (1.31 radians);
- L3—the 20 kV line whose capacitive current is 20.5 A and is out of phase before the zero-sequence voltage by 88° (1.54 radians);
- L4—the 20 kV line whose capacitive current is 21.1 A, and is out of phase before the zero-sequence voltage by 86° (1.5 radians);
- Rt—the resistance at the fault location;
- BCS—the bus coupler switch;
- MG1—the measuring group of bus bar system 1;
- MG2—the measuring group of bus bar system 2.
2. The Mathematical Model for the Analysis of a Single-Phase-to-Ground Fault
3. Computing of Single-Phase-to-Ground Fault Current
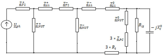
- —the electromotive forces of Thévenin equivalent generators, of the plus sequence and of the network of 20 kV as seen from the place of fault (the phase voltage of the faulty phase before causing the fault);
- —the plus-sequence impedance of the transformer T2 in Figure 1;
- —the minus-sequence impedance of the transformer T2 in Figure 1;
- —the plus-sequence impedance from the substation bars to the fault location of the fault line (L1 in Figure 1);
- —the minus-sequence impedance from the substation bars to the fault location of the fault line (L1 in Figure 1);
- —the zero-sequence impedance from the substation bars to the fault location of the fault line (L1 in Figure 1);
- —the plus-sequence impedance of the own service transformer used to achieve the artificial neutral of the 20 kV network (transformer NUT in Figure 1);
- —the minus-sequence impedance of the own service transformer used to achieve the artificial neutral of the 20 kV network (transformer NUT in Figure 1);
- —the zero-sequence impedance of the own service transformer used to achieve the artificial neutral of the 20 kV network (transformer NUT in Figure 1);
- —the impedance of the Petersen coil;
- —the zero-sequence capacitive reactance of the electrical network with voltage 20 kV;
- —the equivalent electrical resistance corresponding to active power losses in the insulation of the electrical network with a voltage of 20 kV;
- —the resistance at the fault location.
4. Experimental Results
- —the zero-sequence current (fault current) of the line L1 on which the fault occurred;
- —the zero-sequence currents of the non-fault lines;
- —the current through the Petersen coil;
- —the phase voltages of the medium voltage bars in the transformer substation;
- —the zero-sequence voltage of the medium voltage bars in the transformer substation;
- —the Petersen coil voltage.
5. Discussion
6. Conclusions
Author Contributions
Funding
Institutional Review Board Statement
Informed Consent Statement
Data Availability Statement
Conflicts of Interest
References
- Gao, Y.; Lin, X.; Liu, P.; Bo, Z. A generalized morphological transform based faulty feeder selector suitable for the non-effectively grounded power systems. In Proceedings of the 2007 IEEE Power Engineering Society General Meeting, Tampa, FL, USA, 24–28 June 2007; pp. 1924–1929. [Google Scholar]
- Li, J.; Wang, G.; Zeng, D.; Li, H. High-impedance ground faulted line-section location method for a resonant grounding system based on the zero-sequence current’s declining periodic component. Int. J. Electr. Power Energy Syst. 2020, 119, 105910. [Google Scholar] [CrossRef]
- Toader, D.; Ruset, P.; Hategan, I.; Deaconu, I.; Pinte, N. Selective detection of simple and double grounding with in the medium voltage electrical networks with compensated null. In Proceedings of the 2009 IEEE Bucharest PowerTech, Bucharest, Romania, 28 June–3 July 2009; pp. 1–9. [Google Scholar]
- Fan, B.; Yao, G.; Wang, W.; Yang, X.; Ma, H.; Yu, K.; Zhuo, C.; Zeng, X. Faulty phase recognition method based on phase-to-ground voltages variation for neutral ungrounded distribution networks. Electr. Power Syst. Res. 2021, 190, 106848. [Google Scholar] [CrossRef]
- Li, Z.; Ye, Y.; Ma, X.; Lin, X.; Xu, F.; Wang, C.; Ni, X.; Ding, C. Single-phase-to-ground fault section location in fexible resonant grounding distribution networks using soft open points. Int. J. Electr. Power Energy Syst. 2020, 122, 106198. [Google Scholar] [CrossRef]
- Liu, Z.; Deng, C. Single-phase ground fault line selection method in active distribution networks based on high-voltage inverter injected signals. DYNA 2019, 94, 1–7. [Google Scholar] [CrossRef]
- Guo, Z.; Yao, J.; Yang, S.; Zhang, H.; Mao, T.; Duong, T. A new method for non-unit protection of power transmission lines based on fault resistance and fault angle reduction. Int. J. Electr. Power Energy Syst. 2014, 55, 760–769. [Google Scholar] [CrossRef]
- Ukrainicev, A.; Nagy, V.; Nagy, I.; Sarry, S.; Chmihaloy, G. Analysis of the functioning of the earth fault protection with active influence on electrical grid. In Proceedings of the 9th International Scientific Symposium on Electrical Power Engineering, Stara Lesna, Slovakia, 12–14 September 2017; pp. 418–421. [Google Scholar]
- Pang, Z.; Du, J.; Jiang, F.; He, L.; Li, Y.L.; Qin, L.; Li, Y. A fault section location method based on energy remainder of generalized S- transform for single-phase ground fault of distribution networks. In Proceedings of the 2018 IEEE 3rd Advanced Information Technology, Electronic and Automation Control Conference (IAEAC 2018), Chongqing, China, 12–14 October 2018; pp. 1511–1515. [Google Scholar]
- Meng, J.; Wang, W.; Tang, X.; Xu, X.Y. Zero-sequence voltage trajectory analysis for unbalanced distribution networks on single-line-to-ground fault condition. Electr. Power Syst. Res. 2018, 161, 17–25. [Google Scholar] [CrossRef]
- Tang, T.; Huang, C.; Li, Z.X.; Yuan, X.G. Identifying faulty feeder for single-phase high impedance fault in resonant grounding distribution System. Energies 2019, 12, 598. [Google Scholar] [CrossRef]
- Zeng, X.J.; Li, K.K.; Chan, W.L.; Yin, X.G. Novel techniques for earth faul feeder detection on negative sequence current in industry power systems. In Proceedings of the Conference Record of the 2001 IEEE Industry Applications Conference. 36th IAS Annual Meeting (Cat. No.01CH37248), Chicago, IL, USA, 30 September–4 October 2001; Volume 1–4, pp. 1831–1837. [Google Scholar]
- Tang, T.; Huang, C.; Hua, L.; Zhu, J.R.; Zhang, Z.D. Single-phase high-impedance fault protection for low-resistance grounded distribution network. IET Gener. Transm. Distrib. 2018, 12, 2462–2470. [Google Scholar] [CrossRef]
- Abdel-Akher, M.; Nor, K.M. Fault analysis of multiphase distribution systems using symmetrical components. IEEE Trans. Power Deliv. 2010, 25, 2931–2939. [Google Scholar] [CrossRef]
- Shi, F.F.; Cong, W. Methodology to differentiate type of single-phase line break fault in 10 kV ungrounded distribution networks. In Proceedings of the 2014 IEEE PES Asia-Pacific Power and Energy Engineering Conference (APPEEC), Hong Kong, China, 7–10 December 2014. [Google Scholar]
- Liu, Q.; Fan, C.J.; Tai, N.L.; Shang, J. A new decupling method for asymmetry-parameter quadripole-circuit lines on same tower. IEEJ Trans. Electr. Electron. Eng. 2016, 11, 23–29. [Google Scholar] [CrossRef]
- Kalyuzhny, A.; Kushnir, G. Analysis of current unbalance in transmission systems with short lines. IEEE Trans. Power Deliv. 2007, 22, 1040–1048. [Google Scholar] [CrossRef]
- Bellan, D.; Furga, G.S. Modified sequence circuits for asymmetrical three-phase loads. In Proceedings of the 2014 6th IEEE Power India International Conference (PIICON), Delhi, India, 5–7 December 2014. [Google Scholar]
- Hel, Y.S.; Yang, Y.B.; Zhong, K.; Wang, D. An improved three-phase power method for distribution network. In Proceedings of the International Conference on Electrical and Control Engineering (ICEE 2015), Boumerdes, Algeria, 13–15 December 2015; pp. 112–116. [Google Scholar]
- Toader, D.; Blaj, C.; Ruset, P.; Hategan, I.; Pinte, N.; Arvinti, B. Device for automatic control of the Petersen coil. In Soft Computing Applications; Springer: Berlin/Heidelberg, Germany, 2016; pp. 1121–1137. [Google Scholar]
- Yu, K.; Liu, Z.L.; Zeng, X.J.; Li, J.Z.; Yang, L. A novel full compensation method for the ground fault current of resonant grounded systems. Electr. Eng. 2021. [Google Scholar] [CrossRef]
- Wang, P.; Chen, B.C.; Tian, C.H.; Sun, B.; Zhou, M.; Yuan, J.X. A novel neutral electromagnetic hybrid flexible grounding method in distribution networks. IEEE Trans. Power Deliv. 2017, 32, 1350–1358. [Google Scholar]
- Buta, A. Neutral grounding of electrical networks. In Electric Power Systems. Electric Networks; Eremia, M., Ed.; Romania Academy: Bucharest, Romania, 2006; pp. 327–334. [Google Scholar]
- Gomez-Exposito, A.; Conejo, A.; Canizaris, C. Symmetrical Components Electric Energy Systems. In Analysis and Operation, 2nd ed.; CRC Press Taylor & Francisc Grup: Boca Raton, FL, USA, 2018; pp. 421–471. [Google Scholar]
- El-Hawary, M.E. Chapter VIII Fault on Electric Energy Systems. In Electrical Power Systems: Design and Analysis; IEEE Press Power Systems Engineering Series; John Wiley & Sons Inc.: New York, NY, USA, 1995; pp. 474–507. [Google Scholar]









| Name of Electrical Equipment | [Ω] | [Ω] | [Ω] |
|---|---|---|---|
| T2 (Y0/∆) | 0.18 + j3.1 | 0.18 + j3.1 | |
| NPT(Z0/Y0) | 2.91 + j752 | 2.91 + j752 | 2.78 + j8.34 |
| 20 kV lines [Ω/km] | 0.52 + j0.9 | 0.52 + j0.9 | 0.57 + j2.7 |
| Petersen coil | j254.9 | j254.9 | j764.7 |
| 20 kV Line | Capacitive Current | (Riz) [Ω] | Xc0 [Ω] | ||
|---|---|---|---|---|---|
| Active [A] | Reactive [A] | ||||
| L2 | 75° | 1.79 | 6.66 | 20,997 | 5643 |
| L3 | 88° | 0.72 | 20.5 | 52,202 | 1833 |
| L4 | 86° | 1.47 | 21.05 | 25,568 | 1786 |
| Total | 85.3° | 3.98 | 48.21 | 9444 | 779.6 |
| Order Number | [°] | Capacitive Current | Riz [Ω] | Xc0 [Ω] | |
|---|---|---|---|---|---|
| Active [A] | Reactive [A] | ||||
| 1 | 86° | 3.37 | 48.26 | 11,153 | 778.8 |
| 2 | 87° | 2.53 | 48.31 | 14,857 | 778.1 |
| 3 | 88° | 1.67 | 48.34 | 22,507 | 777.6 |
| 4 | 89° | 0.84 | 48.36 | 44,747 | 777.2 |
| 5 | 90° | 0 | 48.37 | 777.1 | |
| Order Number | |||
|---|---|---|---|
| 1 | 90 | 0 | 276.6 |
| 2 | 89 | 4.83 | 276.5 |
| 3 | 88 | 9.65 | 276.4 |
| 4 | 87 | 14.48 | 276.2 |
| 5 | 86 | 19.29 | 275.9 |
| 6 | 85 | 24.1 | 275.5 |
| 7 | 84 | 28.91 | 275.1 |
| 8 | 83 | 33.71 | 274.5 |
| Order Number | Ifc [A] | |||||
|---|---|---|---|---|---|---|
| Rt = 8 Ω | Rt = 100 Ω | Rt = 268 Ω | Rt = 575 Ω | Rt = 1100 Ω | ||
| 1 | 90 | 5.32 | 4.95 | 4.93 | 4.48 | 3.86 |
| 2 | 89 | 5.94 | 5.50 | 5.43 | 4.87 | 4.12 |
| 3 | 88 | 6.61 | 6.08 | 5.96 | 5.27 | 4.38 |
| 4 | 87 | 7.31 | 6.69 | 6.49 | 5.67 | 4.64 |
| 5 | 86 | 8.03 | 7.39 | 7.04 | 6.07 | 4.89 |
| 6 | 85 | 8.77 | 7.94 | 7.58 | 6.46 | 5.13 |
| 7 | 84 | 9.52 | 8.57 | 8.11 | 6.76 | 5.36 |
| 8 | 83° | 10.27 | 9.20 | 8.64 | 7.21 | 5.58 |
| Order Number | Ifc [A] | |||||
|---|---|---|---|---|---|---|
| Rt = 8 Ω | Rt = 100 Ω | Rt = 268 Ω | Rt = 575 Ω | Rt = 1100 Ω | ||
| 1 | 90 | 4.86 | 4.82 | 4.60 | 4.23 | 3.69 |
| 2 | 89 | 5.46 | 5.36 | 5.07 | 4.60 | 3.93 |
| 3 | 88 | 6.11 | 5.95 | 5.57 | 4.98 | 4.19 |
| 4 | 87 | 6.79 | 6.56 | 6.09 | 5.37 | 4.45 |
| 5 | 86 | 7.50 | 7.19 | 6.62 | 5.76 | 4.70 |
| 6 | 85 | 8.23 | 7.83 | 7.15 | 6.15 | 4.94 |
| 7 | 84 | 8.97 | 8.48 | 7.68 | 6.53 | 5.17 |
| 8 | 83° | 9.73 | 9.13 | 8.20 | 6.89 | 5.39 |
| Order Number | Ifc [A] | |||||
|---|---|---|---|---|---|---|
| Rt = 8 Ω | Rt = 100 Ω | Rt = 268 Ω | Rt = 575 Ω | Rt = 1100 Ω | ||
| 1 | 90 | 4.30 | 4.32 | 4.17 | 3.90 | 3.47 |
| 2 | 89 | 4.83 | 4.81 | 4.59 | 4.22 | 3.69 |
| 3 | 88 | 5.43 | 5.35 | 5.07 | 4.60 | 3.94 |
| 4 | 87 | 6.09 | 5.94 | 5.57 | 4.98 | 4.20 |
| 5 | 86 | 6.77 | 6.56 | 6.09 | 5.38 | 4.46 |
| 6 | 85 | 7.49 | 7.19 | 6.62 | 5.77 | 4.71 |
| 7 | 84 | 8.22 | 7.83 | 7.15 | 6.16 | 4.95 |
| 8 | 83° | 8.96 | 8.48 | 7.68 | 6.53 | 5.18 |
| Order Number | Ifc [A] | |||||
|---|---|---|---|---|---|---|
| Rt = 8 Ω | Rt = 100 Ω | Rt = 268 Ω | Rt = 575 Ω | Rt = 1100 Ω | ||
| 1 | 90 | 3.97 | 3.92 | 3.82 | 3.63 | 3.31 |
| 2 | 89 | 4.39 | 4.30 | 4.15 | 3.89 | 3.47 |
| 3 | 88 | 4.91 | 4.79 | 4.56 | 4.22 | 3.69 |
| 4 | 87 | 5.50 | 5.34 | 5.06 | 4.59 | 3.94 |
| 5 | 86 | 6.14 | 5.92 | 5.56 | 4.98 | 4.20 |
| 6 | 85 | 6.81 | 6.54 | 6.08 | 5.37 | 4.46 |
| 7 | 84 | 7.51 | 7.17 | 6.61 | 5.77 | 4.71 |
| 8 | 83° | 8.23 | 7.71 | 7.14 | 6.15 | 4.95 |
| Order Number | Ifc [A] | |||||
|---|---|---|---|---|---|---|
| Rt = 8 Ω | Rt = 100 Ω | Rt = 268 Ω | Rt = 575 Ω | Rt = 1100 Ω | ||
| 1 | 90 | 3.67 | 3.66 | 3.60 | 3.49 | 3.26 |
| 2 | 89 | 3.97 | 3.92 | 3.82 | 3.64 | 3.32 |
| 3 | 88 | 4.40 | 4.32 | 4.17 | 3.90 | 3.49 |
| 4 | 87 | 4.92 | 4.80 | 4.59 | 4.24 | 3.71 |
| 5 | 86 | 5.51 | 5.35 | 5.07 | 4.61 | 3.96 |
| 6 | 85 | 6.15 | 5.93 | 5.57 | 4.99 | 4.21 |
| 7 | 84 | 6.82 | 6.55 | 6.10 | 5.39 | 4.47 |
| 8 | 83° | 7.52 | 7.18 | 6.62 | 5.78 | 4.72 |
| Order Number | Ifc [A] | |||||
|---|---|---|---|---|---|---|
| Rt = 8 Ω | Rt = 100 Ω | Rt = 268 Ω | Rt = 575 Ω | Rt = 1100 Ω | ||
| 1 | 90 | 3.37 | 3.23 | 3.39 | 3.34 | 3.23 |
| 2 | 89 | 3.51 | 3.34 | 3.47 | 3.36 | 3.16 |
| 3 | 88 | 3.83 | 3.62 | 3.72 | 3.55 | 3.25 |
| 4 | 87 | 4.28 | 4.03 | 4.10 | 3.85 | 3.45 |
| 5 | 86 | 4.83 | 4.53 | 4.56 | 4.21 | 3.70 |
| 6 | 85 | 5.46 | 5.08 | 5.07 | 4.62 | 3.97 |
| 7 | 84 | 6.12 | 5.67 | 5.61 | 5.03 | 4.25 |
| 8 | 83° | 6.82 | 6.29 | 6.17 | 5.46 | 4.53 |
| Rt [Ω] | [A] | [A] | ||||||||
|---|---|---|---|---|---|---|---|---|---|---|
| 8 | 7.8 | 7.0 | 20.5 | 21.1 | 45.3 | 63 | 21,700 | 21,700 | 12,619 | 12,530 |
| 100 | 7.2 | 6.9 | 20.3 | 20.9 | 44.9 | 725 | 21,800 | 21,300 | 12,507 | 12,419 |
| 268 | 6.9 | 6.5 | 19.1 | 19.7 | 42.2 | 1850 | 21,900 | 21,900 | 11,758 | 11,675 |
| 575 | 6.1 | 6.3 | 18.4 | 18.9 | 40.7 | 3520 | 21,900 | 19,500 | 11,338 | 11,258 |
| 1100 | 5.1 | 5.6 | 16.3 | 18.6 | 36.3 | 5610 | 15,500 | 21,700 | 10,112 | 10,041 |
| Order Number | Ɛ% | |||||
|---|---|---|---|---|---|---|
| Rt = 8 Ω | Rt = 100 Ω | Rt = 268 Ω | Rt = 575 Ω | Rt = 1100 Ω | ||
| 1 | 90 | 31.8 | 31.3 | 28.6 | 26.6 | 24.3 |
| 2 | 89 | 23.8 | 23.6 | 21.3 | 20.2 | 19.2 |
| 3 | 88 | 15.3 | 15.6 | 13.6 | 13.6 | 14.1 |
| 4 | 87 | 6.3 | 4.17 | 5.94 | 7.05 | 9.02 |
| 5 | 86 | −2.95 | −2.64 | −2.02 | 0.50 | 4.12 |
| 6 | 85 | −12.4 | −10.3 | −9.86 | −5.90 | −0.59 |
| 7 | 84 | −22.1 | −19.0 | −17.5 | −10.8 | −5.10 |
| 8 | 83° | −31.7 | −27.8 | −25.2 | −18.2 | −9.41 |
| Order Number | Ɛ% | |||||
|---|---|---|---|---|---|---|
| Rt = 8 Ω | Rt = 100 Ω | Rt = 268 Ω | Rt = 575 Ω | Rt = 1100 Ω | ||
| 1 | 90 | 56.8 | 55.1 | 50.9 | 45.2 | 36.7 |
| 2 | 89 | 55.0 | 53.6 | 49.7 | 44.9 | 38.0 |
| 3 | 88 | 50.9 | 49.7 | 46.1 | 41.8 | 36.3 |
| 4 | 87 | 45.1 | 44.0 | 40.6 | 36.9 | 32.4 |
| 5 | 86 | 38.1 | 37.1 | 33.9 | 31.0 | 27.5 |
| 6 | 85 | 30.0 | 29.4 | 26.5 | 24.3 | 22.2 |
| 7 | 84 | 21.5 | 21.3 | 18.7 | 17.5 | 16.7 |
| 8 | 83° | 12.6 | 12.6 | 10.6 | 10.5 | 11.2 |
Publisher’s Note: MDPI stays neutral with regard to jurisdictional claims in published maps and institutional affiliations. |
© 2021 by the authors. Licensee MDPI, Basel, Switzerland. This article is an open access article distributed under the terms and conditions of the Creative Commons Attribution (CC BY) license (http://creativecommons.org/licenses/by/4.0/).
Share and Cite
Toader, D.; Greconici, M.; Vesa, D.; Vintan, M.; Solea, C. Analysis of the Influence of the Insulation Parameters of Medium Voltage Electrical Networks and of the Petersen Coil on the Single-Phase-to-Ground Fault Current. Energies 2021, 14, 1330. https://doi.org/10.3390/en14051330
Toader D, Greconici M, Vesa D, Vintan M, Solea C. Analysis of the Influence of the Insulation Parameters of Medium Voltage Electrical Networks and of the Petersen Coil on the Single-Phase-to-Ground Fault Current. Energies. 2021; 14(5):1330. https://doi.org/10.3390/en14051330
Chicago/Turabian StyleToader, Dumitru, Marian Greconici, Daniela Vesa, Maria Vintan, and Claudiu Solea. 2021. "Analysis of the Influence of the Insulation Parameters of Medium Voltage Electrical Networks and of the Petersen Coil on the Single-Phase-to-Ground Fault Current" Energies 14, no. 5: 1330. https://doi.org/10.3390/en14051330
APA StyleToader, D., Greconici, M., Vesa, D., Vintan, M., & Solea, C. (2021). Analysis of the Influence of the Insulation Parameters of Medium Voltage Electrical Networks and of the Petersen Coil on the Single-Phase-to-Ground Fault Current. Energies, 14(5), 1330. https://doi.org/10.3390/en14051330

