Controllable-Dual Bridge Fault Current Limiter for Interconnection Micro-Grids
Abstract
1. Introduction
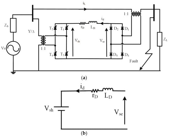
2. Proposed SDBFCL
3. Analysis of the CDBFCL Performance
3.1. Normal Operating Condition
3.2. Fault Operating Condition
3.3. CDBFCL Control System
4. Simulation Results
5. Experimental Results
6. Conclusions
Author Contributions
Funding
Data Availability Statement
Conflicts of Interest
References
- Liu, X.; Wang, P.; Loh, P.C. A hybrid AC/DC microgrid and its coordination control. IEEE Trans. Smart Grid. 2011, 2, 278–286. [Google Scholar]
- Mirsaeidi, S.; Dong, X.; Shi, S.; Tzelepis, D. Challenges, advances and future directions in protection of hybrid AC/DC microgrids. IET Renew. Power Gener. 2017, 11, 1495–1502. [Google Scholar] [CrossRef]
- Kim, M.S.; Kim, W.; Kim, J.O. Determining the location of superconducting fault current limiter considering distribution reliability. IET Gener. Transm. Distrib. 2012, 6, 240–247. [Google Scholar]
- Heidary, A.; Radmanesh, H.; Rouzbehi, K.; Gharehpetian, G.B. Inductive fault current limiters: A review. Electr. Power Syst. Res. 2020, 187, 106499. [Google Scholar] [CrossRef]
- Chen, X.; Liang, Y.; Wang, G.; Li, H. Parameter optimization design method for a fast-switch-based fault current limiter and circuit breaker. Int. J. Electr. Power Energy Syst. 2019, 114, 105377. [Google Scholar] [CrossRef]
- Firouzi, M.; Aslani, S.; Gharehpetian, G.B.; Jalilvand, A. Effect of superconducting fault current limiters on successful interruption of circuit breakers. In Proceedings of the International Conference on Renewable Energies and Power Quality (ICREPQ 2012), Santiago de Compostela, Spain, 28–30 March 2012. [Google Scholar]
- Gilvanejad, M.; Gharehpetian, G.B. A survey on fault current limiters: Development and technical aspects. Int. J. Electr. Power Energy Syst. 2020, 118, 105729. [Google Scholar]
- Kozak, J.; Majka, M. Comparisons of Inductive and Resistive Superconducting. IEEE Trans. Appl. Supercond. 2013, 23, 227–232. [Google Scholar] [CrossRef]
- Zheng, F.; Deng, C.; Chen, L.; Li, S.; Liu, Y. Transient Performance Improvement of Microgrid by a Resistive Superconducting Fault Current Limiter. IEEE Trans. Appl. Supercond. 2015, 25, 5602305. [Google Scholar]
- Shafaghatian, N.; Heidary, A.; Radmanesh, H.; Rouzbehi, K. Micrograms Interconnection to Upstream AC Grid Using a Dual-function Fault Current Limiter and Power Flow Controller: Principle and Test Results. IET Energy. Syst. Integr. 2019, 1, 269–275. [Google Scholar] [CrossRef]
- Firouzi, M.; Nasiri, M.; Mobayen, S.; Gharehpetian, G.B. Sliding Mode Controller-Based BFCL for Fault Ride-Through Performance Enhancement of DFIG-Based Wind Turbines. Complexity 2020, 2020, 1–12. [Google Scholar] [CrossRef]
- Chen, L.; He, H.; Chen, H.; Wang, L.; Zhu, L.; Shu, Z.; Tang, F.; Yang, J. Study of a Modified Flux-Coupling-Type SFCL for Efficient Fault Ride-Through in a PMSG Wind Turbine Under Different Types of Faults. Can. J. Electr. Comput. Eng. 2017, 40, 189–200. [Google Scholar]
- Firouzi, M.; Gharehpetian, G.B. LVRT Performance Enhancement of DFIG-Based Wind Farms by Capacitive Bridge-Type Fault Current Limiter. IEEE Trans. Energy. Convers. 2018, 9, 1118–1125. [Google Scholar] [CrossRef]
- Rezaee, M.; Harley, R.G. Resonance-Based Fault Current Limiters: Theory, Applications, and Assessment. IEEE Trans. Ind. Appl. 2018, 54, 3066–3076. [Google Scholar] [CrossRef]
- Moghimian, M.; Radmehr, M.; Firouzi, M. Series Resonance Fault Current Limiter (SRFCL) with MOV for LVRT Enhancement in DFIG-Based Wind Farms. Electr. Power Compon. Syst. 2020, 47, 1814–1825. [Google Scholar] [CrossRef]
- Ghanbari, T.; Farjah, E.; Naseri, F. Power quality improvement of radial feeders using an efficient method. Electr. Power Syst. Res. 2018, 163, 140–153. [Google Scholar] [CrossRef]
- Rashid, G.; Ali, M.H. Fault ride through capability improvement of DFIG based wind farm by fuzzy logic controlled parallel resonance fault current limiter. Electr. Power Syst. Res. 2017, 146, 1–8. [Google Scholar] [CrossRef]
- Abramovitz, A.; Smedley, K.M. Survey of Solid-State Fault Current Limiters. IEEE Trans. Power Electron. 2012, 27, 2770–2782. [Google Scholar]
- Rashid, G.; Ali, M.H. Transient Stability Enhancement of Double Fed Induction Machine Based Wind Generator by Bridge-Type Fault Current Limiter. IEEE Trans. Energy. Convers. 2015, 30, 939–947. [Google Scholar] [CrossRef]
- Kartijkolaie, H.S.; Radmehr, M.; Firouzi, M. LVRT capability enhancement of DFIG-based wind farms by using capacitive DC reactor-type fault current limiter. Int. J. Electr. Power Energy. Syst. 2018, 102, 287–295. [Google Scholar] [CrossRef]
- Firouzi, M. A modified capacitive bridge-type fault current limiter (CBFCL) for LVRT performance enhancement of wind power plants. Int. Trans. Electr. Energy Syst. 2018, 28, 2505. [Google Scholar] [CrossRef]
- Sato, T.; Yamaguchi, M.; Terashima, T.; Fuku, S.; Ogawa, J.; Shimizu, H. Study on the Effect of Fault Current Limiter in Power System With Dispersed Generators. IEEE Trans. Appl. Supercond. 2007, 17, 2331–2334. [Google Scholar] [CrossRef]
- Lee, S.; Lee, C.J.; Ahn, M.C.; Kang, H.; Bae, D.K.; Ko, T.K. Design and Test of Modified Bridge Type Superconducting Fault Current Limiter With Reverse Magnetized Core. IEEE Trans. Appl. Supercond. 2003, 13, 2016–2019. [Google Scholar]
- Radmanesh, H.; Fathi, S.H.; Gharehpetian, G.B.; Heidary, A. BridgeType Solid-State Fault Current Limiter Based on AC/DC Reactor. IEEE Trans. Power Deliv. 2016, 31, 200–209. [Google Scholar]
- Ise, T.; Nguyen, N.H.; Kumagai, S. Reduction of Inductance and Current Rating of the Coil and Enhancement of Fault Current Limiting Capability of a Rectifier Type Superconducting Fault Current Limiter. IEEE Trans. Appl. Supercond. 2001, 11, 1932–1935. [Google Scholar] [CrossRef]
- Jafari, M.; Naderi, S.B.; Hagh, M.T.; Abapour, M.; Hosseini, H. Voltage Sag Compensation of Point of Common Coupling (PCC) Using Fault Current Limiter. IEEE Trans. Power Deliv. 2011, 26, 2638–2646. [Google Scholar] [CrossRef]
- Firouzi, M.; Shafiee, M.; Gharehpetian, G.B. Multi-Resistor Bridge-Type FCL for FRT Capability Improvement of DFIG-based Wind Farm. IET Energy. Syst. Integr. 2020, 2, 316–324. [Google Scholar] [CrossRef]
- Firouzi, M.; Nasiri, M.; Benbouzid, M.; Gharehpetian, G.B. Application of multi-step bridge-type fault current limiter for fault ride-through capability enhancement of permanent magnet synchronous generator-based wind turbines. Int. Trans. Electr. Energy 2020, 30, e12611. [Google Scholar] [CrossRef]
- Hagh, M.T.; Abapour, M. Non-superconducting Fault Current Limiter with Controlling the Magnitudes of Fault Currents. IEEE Trans. Power Electron. 2009, 24, 613–619. [Google Scholar] [CrossRef]
- Orosz, T.; Tamus, Z.Á. Non-linear Impact of the Short Circuit Impedance Selection on the Cost Optimized Power Transformer Design. Period. Polytech. Electr. Eng. Comput. Sci. 2020, 64, 221–228. [Google Scholar] [CrossRef]











| Parameter | Value |
|---|---|
| Source voltage (Vs) | 10 kV, 50 Hz |
| Source resistance (Rs) | 1 Ω |
| Source inductance (Ls) | 1 mH |
| NSDR inductance (LD) | 0.5 H |
| NSDR resistance (RD) | 2 Ω |
| Load resistance (RL) | 12 Ω |
| Load inductance (LL) | 0.01 H |
| Parameter | Value |
|---|---|
| Source voltage (Vs) | 110 V, 50 Hz |
| LD | 0.1 H |
| RD | 1 Ω |
| Load resistance | 20 Ω |
| Load inductance | 0.1 H |
Publisher’s Note: MDPI stays neutral with regard to jurisdictional claims in published maps and institutional affiliations. |
© 2021 by the authors. Licensee MDPI, Basel, Switzerland. This article is an open access article distributed under the terms and conditions of the Creative Commons Attribution (CC BY) license (http://creativecommons.org/licenses/by/4.0/).
Share and Cite
Kartijkolaie, H.S.; Hsia, K.-H.; Mobayen, S.; Firouzi, M.; Shafiee, M. Controllable-Dual Bridge Fault Current Limiter for Interconnection Micro-Grids. Energies 2021, 14, 1026. https://doi.org/10.3390/en14041026
Kartijkolaie HS, Hsia K-H, Mobayen S, Firouzi M, Shafiee M. Controllable-Dual Bridge Fault Current Limiter for Interconnection Micro-Grids. Energies. 2021; 14(4):1026. https://doi.org/10.3390/en14041026
Chicago/Turabian StyleKartijkolaie, Hossein Shahbabaei, Kuo-Hsien Hsia, Saleh Mobayen, Mehdi Firouzi, and Mohammadreza Shafiee. 2021. "Controllable-Dual Bridge Fault Current Limiter for Interconnection Micro-Grids" Energies 14, no. 4: 1026. https://doi.org/10.3390/en14041026
APA StyleKartijkolaie, H. S., Hsia, K.-H., Mobayen, S., Firouzi, M., & Shafiee, M. (2021). Controllable-Dual Bridge Fault Current Limiter for Interconnection Micro-Grids. Energies, 14(4), 1026. https://doi.org/10.3390/en14041026

