Review of MVDC Applications, Technologies, and Future Prospects
Abstract
1. Introduction
2. MVDC Applications
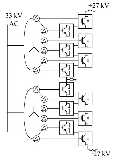
2.1. Sea
2.2. Rail Systems
2.3. Offshore Wind Connection

2.4. Network Distribution Grid Systems
2.5. Applications Overview
| Application | ||||
|---|---|---|---|---|
| Railways | MVDC Distribution | Offshore Collection | Shipboard Systems | |
| Voltage levels | 600 V–3 kV (trams, suburb trains) Long distance 9 to 10.5 kV [7,8] High speed DC 20–30 kV [46] | 5–50 kV [26,91,94,95] ±10 kV [5,89,90,92,96] 1.5–100 kV [78,97,98] ±10 kV to ±70 kV [99] | Typically ±25 to ±50 kV [75] | 5 kV main bus voltage [13] 1–35 kV [86] 10 kV [10,34] |
| Power | 3 to 5 MW suburban [6] 12 MW higher speed [54] | 3 MW–200 MW [100,101] Common mid-range 10–20 MW [5,90] | 160 MW to 1200 MW [63,72,102] | 2–7 MW [37] (smaller ships) 10–20 MW (cruise liners) [33] |
| TRL | 9 | 9 | 5 | 9 |
| Maturity | Already utilised for tram, subway, metro travel. HVDC converters already capable of implementation, with SSCB and improved power semi-conductors offering new voltage capabilities. | Utilised in several countries in test phase: UK, China, Finland. Range of developed converter, semiconductor, and control systems by industry, | Relying on DCWT development [75], but many countries with large installed offshore capacity and MVDC technologies. | Integrated DC power systems are beginning to dominate the market. Light-weight MMCs and power electronics replacing heavyweight transformers. Improving battery capacity. |
| Cases | London Underground, Bordeaux-Hendaye intercity line, Paris-Strasbourg high speed line. | ANGLE DC SPEN, Zhuhai Distribution Project, Shenzhen MVDC [89], Suzhouo [90], Hangzhou Jiangdong, Guizhouo [44] | None implemented [75] | ForSea Ferries [103], Yara Birkeland [41], QEC Aircraft Carriers [38] |
| Available technology | Siemens MVDC plus [95], RXHK Smart VSC-MVDC transmission | Siemens MVDC Plus, RXHK Smart VSC-MVDC transmission | Siemens MVDC Plus | Energy storage systems, power management systems, voltage drives [103,104] |
3. MVDC for Grid Connected Applications
3.1. Applications
3.1.1. SOPs, FACTS and DC Links
3.1.2. DC Distribution Networks
3.1.3. Microgrids
3.2. Grid Topologies
4. Hardware
4.1. Converters
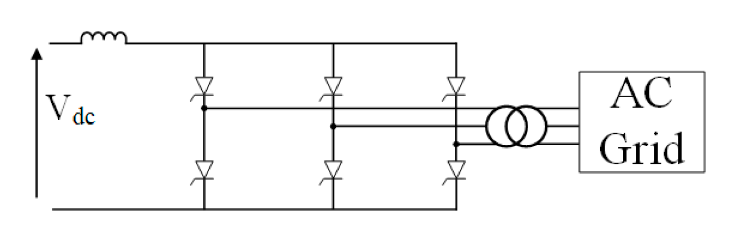
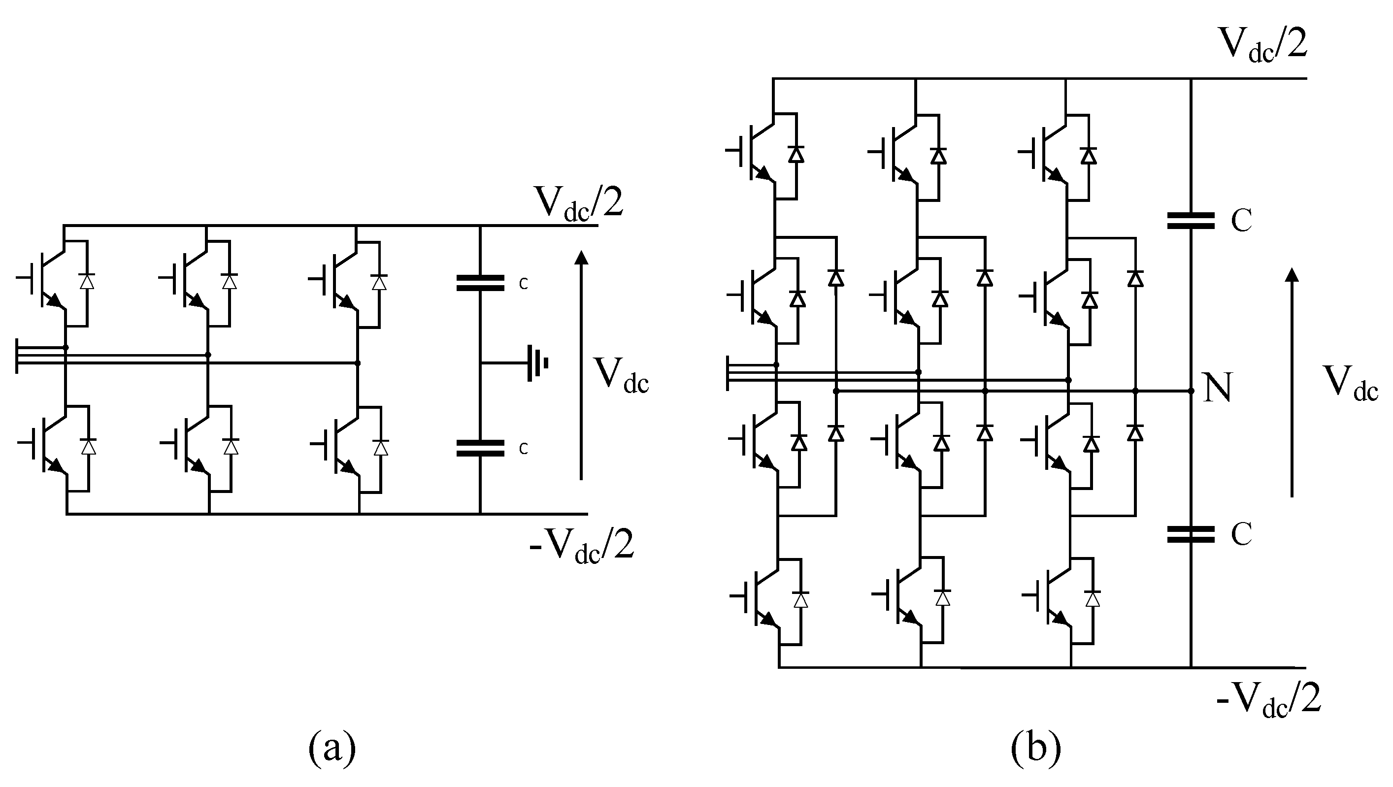
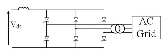
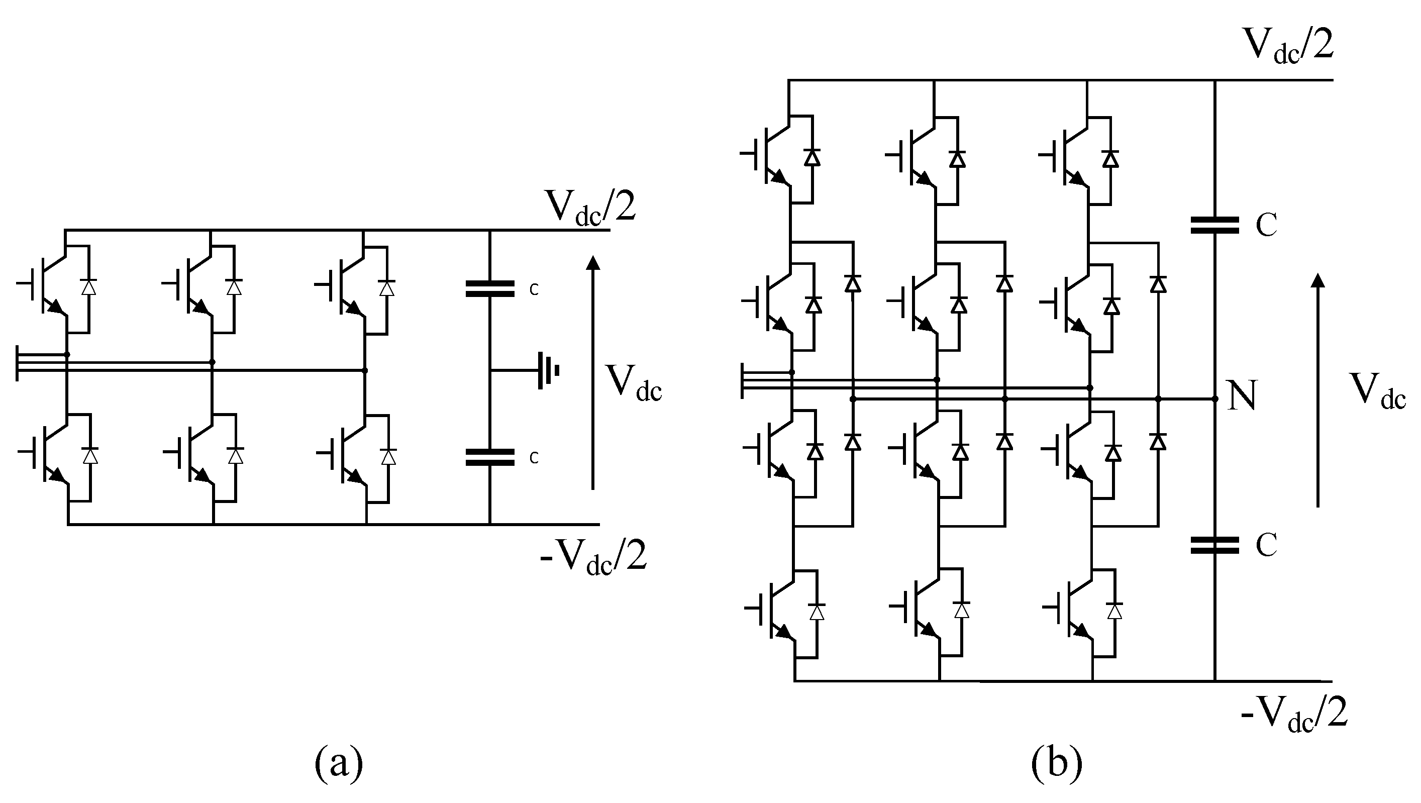
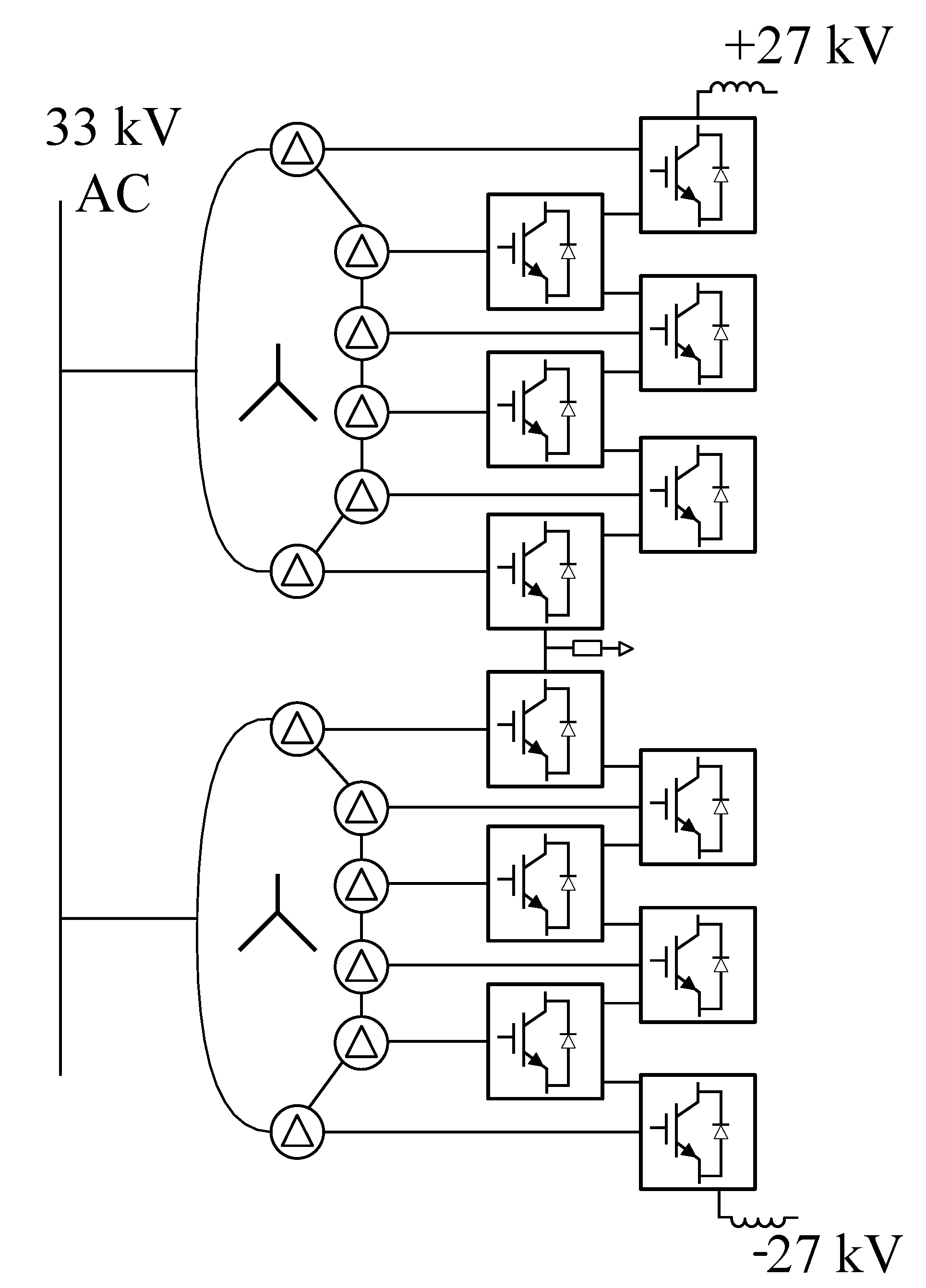
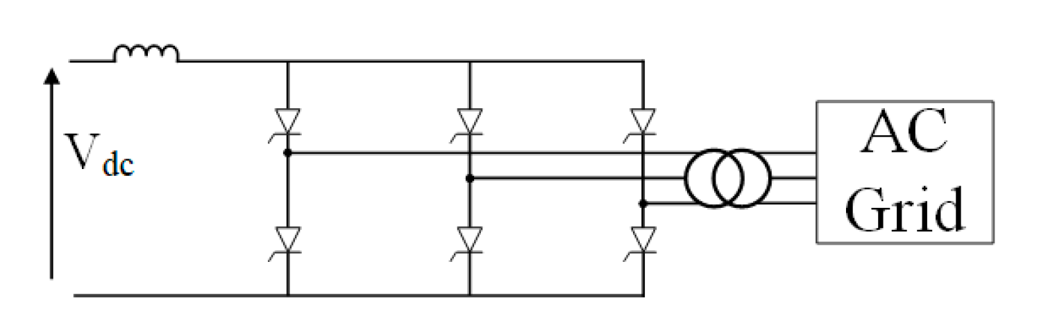
4.1.1. AC–DC and DC–AC Converters
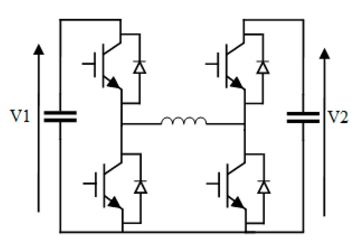
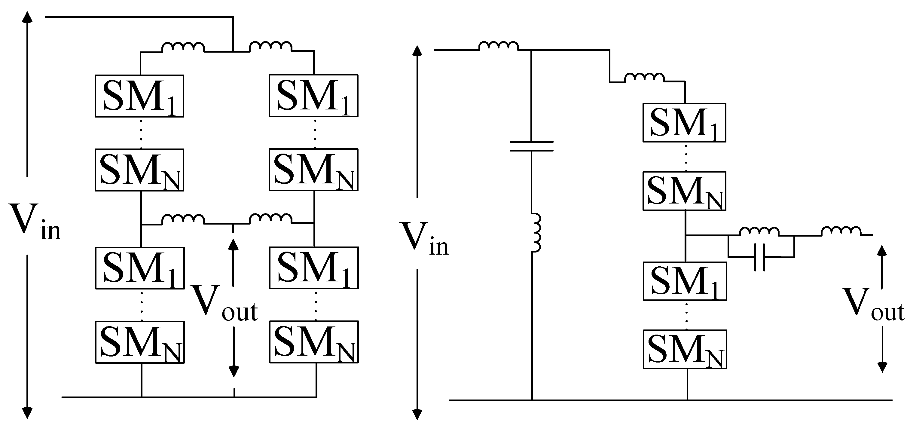
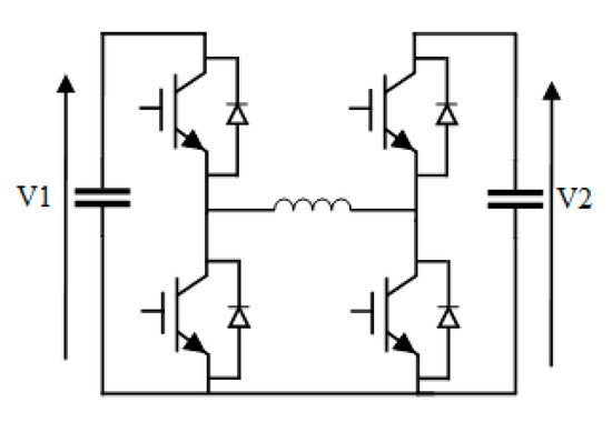
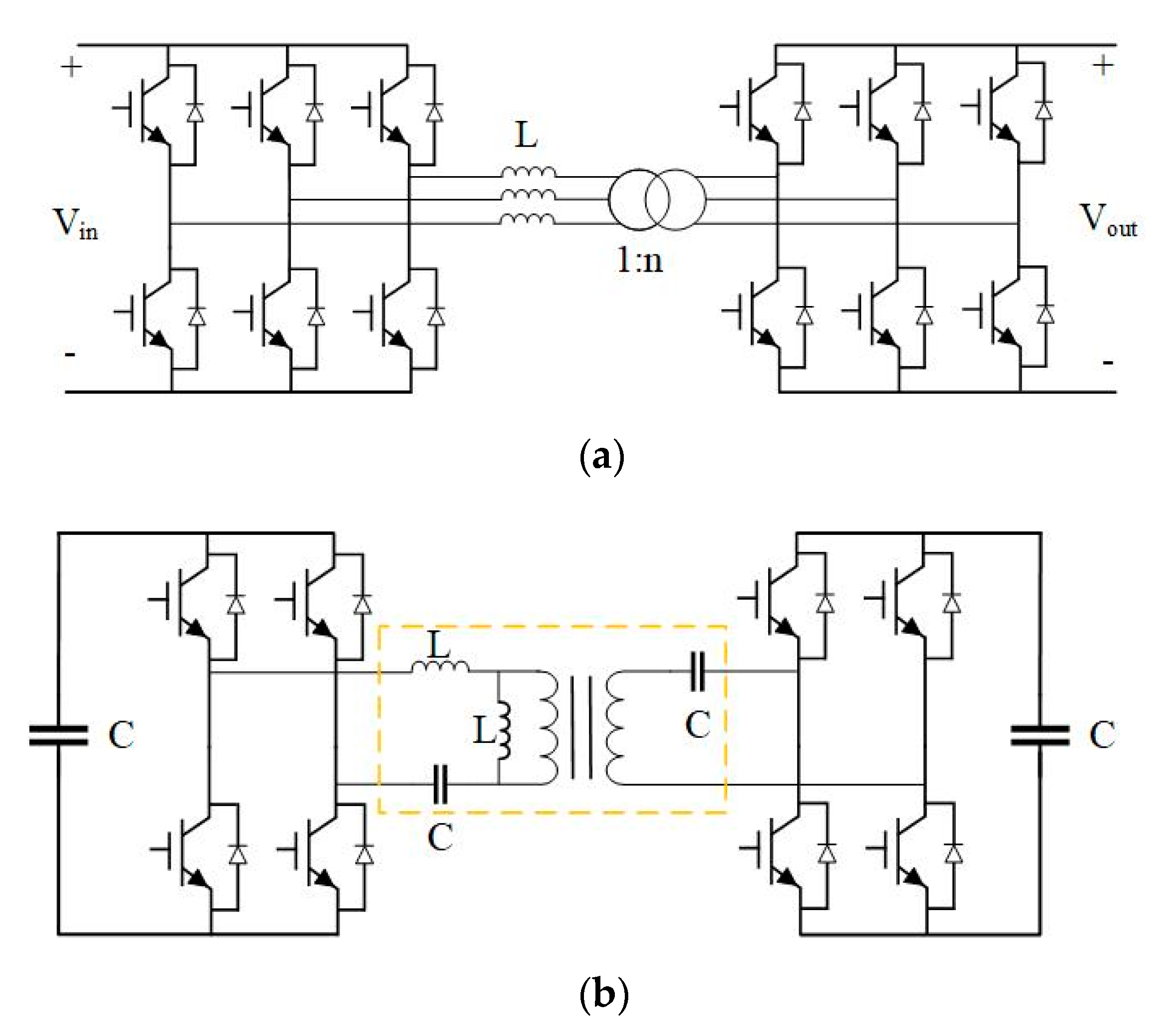
4.1.2. DC–DC Converters
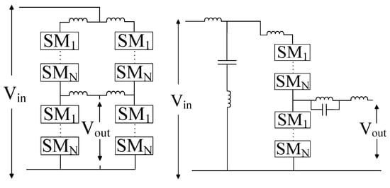
4.2. Smart Transformer
4.3. IGBT and MOSFETs
5. Protection
5.1. Overview
5.2. System Protections
5.3. Converter Protection
5.4. Control for Protection
6. Control of Converters for MVDC Systems
6.1. DC–AC Converter Control
6.2. DC Control
6.3. Network Level Control
7. Conclusions
Author Contributions
Funding
Institutional Review Board Statement
Informed Consent Statement
Data Availability Statement
Conflicts of Interest
References
- Kumar, D.; Zare, F.; Ghosh, A. DC Microgrid Technology: System Architectures, AC Grid Interfaces, Grounding Schemes, Power Quality, Communication Networks, Applications, and Standardizations Aspects. IEEE Access 2017, 5, 12230–12256. [Google Scholar] [CrossRef]
- Kong, X.; Yan, Z.; Guo, R.; Xu, X.; Fang, C. Three-Stage Distributed State Estimation for AC-DC Hybrid Distribution Network under Mixed Measurement Environment. IEEE Access 2018, 6, 39027–39036. [Google Scholar] [CrossRef]
- Ryndzionek, R.; Sienkiewicz, Ł. Evolution of the HVDC link connecting offshore wind farms to onshore power systems. Energies 2020, 13, 1914. [Google Scholar] [CrossRef]
- Yu, J.; Smith, K.; Urizarbarrena, M.; Bebbington, M.; Macleod, N.; Moon, A. Initial Designs for Angle-DC Project: Challenges Converting Existing Ac Cable And Overhead Line To Dc Operation. In Proceedings of the CIRED 2017, Glasgow, UK, 12–15 June 2017; Volume 2017, pp. 12–15. [Google Scholar]
- Qu, L.; Yu, Z.; Song, Q.; Yuan, Z.; Zhao, B.; Yao, D.; Chen, J.; Liu, Y.; Zeng, R. Planning and analysis of the demonstration project of the MVDC distribution network in Zhuhai. Front. Energy 2019, 13, 120–130. [Google Scholar] [CrossRef]
- Brenna, M.; Foiadelli, F.; Zaninelli, D. DC Railway Electrification Systems. In Electrical Railway Transportation Systems; Wiley-IEEE Press: Hoboken, NJ, USA, 2018; pp. 99–175. [Google Scholar]
- Verdicchio, A.; Ladoux, P.; Caron, H.; Sanchez, S. Future DC Railway Electrification System—Go for 9 kV. In Proceedings of the 2018 IEEE International Conference on Electrical Systems for Aircraft, Railway, Ship Propulsion and Road Vehicles and International Transportation Electrification Conference, ESARS-ITEC 2018, Nottingham, UK, 7–9 November 2018; IEEE: Piscataway, NJ, USA, 2019. [Google Scholar]
- Verdicchio, A.; Ladoux, P.; Caron, H.; Courtois, C. New Medium-Voltage DC Railway Electrification System. IEEE Trans. Transp. Electrif. 2018, 4, 591–604. [Google Scholar] [CrossRef]
- Jayasinghe, S.G.; Meegahapola, L.; Fernando, N.; Jin, Z.; Guerrero, J.M. Review of ship microgrids: System architectures, storage technologies and power quality aspects. Inventions 2017, 2, 4. [Google Scholar] [CrossRef]
- Soman, R.; Steurer, M.M.; Toshon, T.A.; Faruque, M.O.; Cuzner, R.M. Size and Weight Computation of MVDC Power Equipment in Architectures Developed Using the Smart Ship Systems Design Environment. IEEE J. Emerg. Sel. Top. Power Electron. 2017, 5, 40–50. [Google Scholar] [CrossRef]
- Networks, S.E. 2015 ANGLE-DC Electricity Network Innovation Competition; Ofgem: London, UK, 2015; pp. 1–101. [Google Scholar]
- Zhang, L.; Tang, W.; Liang, J.; Li, G.; Cai, Y.; Yan, T. A Medium Voltage Hybrid AC/DC Distribution Network And Its Economic Evaluation. In Proceedings of the 12th IET International Conference on AC and DC Power Transmission (ACDC 2016), Beijing, China, 28–29 May 2016. [Google Scholar]
- Faddel, S.; Saad, A.A.; Mohammed, O. Decentralized energy management of hybrid energy storage on MVDC shipboard power system. In Proceedings of the 2018 IEEE Industry Applications Society Annual Meeting (IAS), 23–27 September 2018. [Google Scholar] [CrossRef]
- Li, H.; Li, W.; Luo, M.; Monti, A.; Ponci, F. Design of smart MVDC power grid protection. IEEE Trans. Instrum. Meas. 2011, 60, 3035–3046. [Google Scholar] [CrossRef]
- Wang, L.; Zhang, G.; Shen, M.; Quan, H.; Liu, Z. A novel traction supply system for urban rail transportation with bidirectional power flow and based on PWM rectifier. In Proceedings of the 2009 International Conference on Energy and Environment Technology, Guilin, China, 16–18 October 2009; Volume 2, pp. 40–43. [Google Scholar] [CrossRef]
- Ferencz, I.; Petreus, D.; Tricoli, P. Converter Topologies for MVDC Traction Transformers. In Proceedings of the 2020 IEEE 26th International Symposium for Design and Technology in Electronic Packaging, SIITME 2020, Piscataway, NJ, USA, 21–24 October 2020; pp. 362–367. [Google Scholar]
- Maza-Ortega, J.M.; Acha, E.; García, S.; Gómez-Expósito, A. Overview of power electronics technology and applications in power generation transmission and distribution. J. Mod. Power Syst. Clean Energy 2017, 5, 499–514. [Google Scholar] [CrossRef]
- Gao, S.; Liu, S.; Liu, Y.; Zhao, X.; Song, T.E. Flexible and Economic Dispatching of AC/DC Distribution Networks Considering Uncertainty of Wind Power. IEEE Access 2019, 7, 100051–100065. [Google Scholar] [CrossRef]
- Kong, D.; Liu, C.; Ying, H.; Pei, Z.; Li, J.; Zhang, H. Operating Modes Analysis and Control Strategy of Single-Stage Isolated Modular Multilevel Converter (I-MMC) for Medium Voltage AC/DC Grid. In Proceedings of the IECON 2019—45th Annual Conference of the IEEE Industrial Electronics Society, Lisbon, Portugal, 14–17 October 2019; pp. 5674–5679. [Google Scholar] [CrossRef]
- Bathurst, G.; Hwang, G.; Tejwani, L. MVDC-the new technology for distribution networks. IET Semin. Dig. 2015, 2015, 1–5. [Google Scholar] [CrossRef]
- Salehi, V.; Mirafzal, B.; Mohammed, O. Pulse-load effects on ship power system stability. In Proceedings of the IECON 2010—36th Annual Conference on IEEE Industrial Electronics Society, Glendale, AZ, USA, 7–10 November 2010; IEEE: Piscataway, NJ, USA, 2010; pp. 3353–3358. [Google Scholar]
- Qi, C.; Wang, K.; Fu, Y.; Li, G.; Han, B.; Huang, R.; Pu, T. A decentralized optimal operation of AC/DC hybrid distribution grids. IEEE Trans. Smart Grid 2018, 9, 6095–6105. [Google Scholar] [CrossRef]
- Zhou, Q.; Yuan, D. Prediction on future DC power system. In Proceedings of the 2009 IEEE 6th International Power Electronics and Motion Control Conference, Wuhan, China, 17–20 May 2009; pp. 1192–1195. [Google Scholar] [CrossRef]
- Cao, W.; Wu, J.; Jenkins, N.; Wang, C.; Green, T. Operating principle of Soft Open Points for electrical distribution network operation. Appl. Energy 2016, 164, 245–257. [Google Scholar] [CrossRef]
- Bloemink, M. Distribution-Level Power Electronics: Soft Open-Points. Ph.D. Thesis, Imperial College London, London, UK, 2013. [Google Scholar]
- Simiyu, P.; Xin, A.; Wang, K.; Adwek, G.; Salman, S. Multiterminal medium voltage DC distribution network hierarchical control. Electronics 2020, 9, 506. [Google Scholar] [CrossRef]
- Parastar, A.; Hasanvand, H.; Eshagi, M.; Zamani, M.R. Multilevel Step-Up DC/DC Converter for MVDC Applications. In Proceedings of the 30th Power System Conference, Tehran, Iran, 23–25 November 2015. [Google Scholar]
- Cahyagi, D. Study of Shipboard Power Distribution System: Review on an Aplication of AC Zonal Distribution. IPTEK J. Eng. 2018, 4, 2337–8530. [Google Scholar] [CrossRef][Green Version]
- Rickover, H.G.; Ross, P.N. Fault Protection on Shipboard A-C Power-Distribution Systems. Trans. Am. Inst. Electr. Eng. 1944, 63, 1109–1120. [Google Scholar] [CrossRef]
- Dale, S.J. Ship power system testing and simulation. In Proceedings of the IEEE Electric Ship Technologies Symposium, Philadelphia, PA, USA, 27 July 2005. [Google Scholar] [CrossRef]
- Kumar, D.; Zare, F. A Comprehensive Review of Maritime Microgrids: System Architectures, Energy Efficiency, Power Quality, and Regulations. IEEE Access 2019, 7, 67249–67277. [Google Scholar] [CrossRef]
- Schuddebeurs, J.D.; Norman, P.J.; Booth, C.D.; Burt, G.M.; McDonald, J.R. Emerging Research Issues Regarding Integrated-Full-Electric-Propulsion. In Proceedings of the 41st International Universities Power Engineering Conference Newcastle, UK, 6–8 September 2006; pp. 669–673. [Google Scholar]
- Cupelli, M.; Ponci, F.; Sulligoi, G.; Vicenzutti, A.; Edrington, C.S.; El-Mezyani, T.; Monti, A. Power Flow Control and Network Stability in an All-Electric Ship. Proc. IEEE 2015, 103, 2355–2380. [Google Scholar] [CrossRef]
- Jin, B.Z.; Sulligoi, G.; Cuzner, R.; Meng, L.; Vasquez, J.C.; Guerrero, J.M. Next-Generation Shipboard DC Power System. IEEE Electrif. Mag. 2016, 4, 45–57. [Google Scholar] [CrossRef]
- Balsamo, F.; Lauria, D.; Mottola, F. Design and Control of Coupled Inductor DC—DC Converters for MVDC Ship Power Systems. Energies 2019, 12, 751. [Google Scholar] [CrossRef]
- Mariscotti, A. Power quality phenomena, standards, and proposed metrics for dc grids. Energies 2021, 14, 6453. [Google Scholar] [CrossRef]
- Castellan, S.; Menis, R.; Tessarolo, A.; Luise, F.; Mazzuca, T. A review of power electronics equipment for all-electric ship MVDC power systems. Electr. Power Energy Syst. 2018, 96, 306–323. [Google Scholar] [CrossRef]
- Siemens Gamesa Queen Elizabeth Class (QEC) Aircraft Carrier. Available online: https://www.gepowerconversion.com/sites/default/files/MARINE_GEA20337—Queen%20Elizabeth—Case%20Study.pdf (accessed on 7 December 2021).
- Andrus, M.; Ravindra, H.; Hauer, J.; Steurer, M.; Bosworth, M.; Soman, R. PHIL implementation of a MVDC fault management test bed for ship power systems based on megawatt-scale modular multilevel converters. In Proceedings of the 2015 IEEE Electric Ship Technologies Symposium (ESTS), Old Town Alexandria, VA, USA, 24–25 June 2015; pp. 337–342. [Google Scholar] [CrossRef]
- Skjong, E.; Rødskar, E.; Molinas, M.; Johansen, T.A.; Cunningham, J. The Marine Vessel’s Electrical Power System: From its Birth to Present Day. Proc. IEEE 2015, 103, 2410–2424. [Google Scholar] [CrossRef]
- Kongsberg Autonomous Ship Project, Key Facts about Yara Birkeland. Available online: https://www.kongsberg.com/maritime/support/themes/autonomous-ship-project-key-facts-about-yara-birkeland/ (accessed on 22 April 2021).
- Ferry, E.; Kortsari, A.; Mitropoulos, L.; Heinemann, T.; Mikkelsen, H.H. Evaluation Report of the E-Ferry; E-Ferry, 2020. Available online: http://www.conf.eferry.eu/InfoPackage/eFerry_Information_Package.pdf (accessed on 7 December 2021).
- European Maritime Safety Agency; Helgesen, H.; Henningsgård, S.; Aarseth Langli, A. Electrical Energy Storage for Ships; European Maritime Safety Agency, Norway, 2020. Available online: http://www.emsa.europa.eu/publications/item/3895-study-on-electrical-energy-storage-for-ships.html (accessed on 7 December 2021).
- Sharifabadi, K.; Harnefors, L.; Nee, H.P.; Norrga, S.; Teodorescu, R. Design, Control and Application of Modular Multilevel Converters for HVDC Transmission Systems; Wiley-IEEE Press: Hoboken, NJ, USA, 2016; ISBN 9781118851555. [Google Scholar]
- Corvus Energy. CASE STUDY: Norled AS, MF Ampere, Ferry; Corvus Energy: Richmond, BC, Canada, 2015. [Google Scholar]
- Gómez-Expósito, A.; Mauricio, J.M.; Maza-Ortega, J.M. VSC-Based MVDC Railway Electrification System. IEEE Trans. Power Deliv. 2014, 29, 422–431. [Google Scholar] [CrossRef]
- Nunno, R. Electrification of U.S. Railways: Pie in the Sky, or Realistic Goal? Available online: https://www.eesi.org/articles/view/electrification-of-u.s.-railways-pie-in-the-sky-or-realistic-goal (accessed on 4 May 2021).
- Fei, Z.; Konefal, T.; Armstrong, R. AC railway electrification systems-An EMC perspective. IEEE Electromagn. Compat. Mag. 2019, 8, 62–69. [Google Scholar] [CrossRef]
- Mwambeleko, J.J.; Kulworawanichpong, T. Battery and accelerating-catenary hybrid system for light rail vehicles and trams. In Proceedings of the 2017 International Electrical Engineering Congress (iEECON), Pattaya, Thailand, 8–10 March 2017. [Google Scholar] [CrossRef]
- Ratniyomchai, T.; Hillmansen, S.; Tricoli, P. Recent developments and applications of energy storage devices in electrified railways. IET Electr. Syst. Transp. 2014, 4, 9–20. [Google Scholar] [CrossRef]
- Hu, J.; Liu, W.; Yang, J. Application of power electronic devices in rail transportation traction system. In Proceedings of the 2015 IEEE 27th International Symposium on Power Semiconductor Devices & IC’s (ISPSD), Hong Kong, China, 10–14 May 2015. [Google Scholar] [CrossRef]
- Abrahamsson, L.; Schütte, T.; Östlund, S. Use of converters for feeding of AC railways for all frequencies. Energy Sustain. Dev. 2012, 16, 368–378. [Google Scholar] [CrossRef]
- Barinov, I.A.; Melnichenko, O.V. Power IGBTs application in AC-wire DC-motor locomotive thyristor-based power circuit for regenerative brake energy efficiency increase. 2019 International Conference on Industrial Engineering, Applications and Manufacturing (ICIEAM), Sochi, Russia, 25–29 March 2019. [Google Scholar] [CrossRef]
- Caron, H.; Réseau, C.C.S. New Medium Voltage DC Railway Electrification System. Available online: https://uic.org/events/IMG/pdf/09_sncf_caron_mvdc_uic_workshop.pdf (accessed on 7 December 2021).
- Tobing, T.L.; Rachmilda, T.D.; Hindersah, H.; Rizqiawan, A.; Haroen, Y. Rectifier substation optimum position on DC traction systems. In Proceedings of the 4th International Conference on Electric Vehicular Technology, ICEVT 2017, Bali, Indonesia, 2–5 October 2017; pp. 134–138. [Google Scholar]
- Pereira, F.H.; Pires, C.L.; Nabeta, S.I. Optimal placement of rectifier substations on DC traction systems. IET Electr. Syst. Transp. 2014, 4, 62–69. [Google Scholar] [CrossRef]
- Ogura, K.; Nishimura, K.; Oku, Y. A Bidirectional DC-DC Converter for Battery Electric Light Rail Vehicle and Its Test Run Results. In Proceedings of the 2019 IEEE 13th International Conference on Power Electronics and Drive Systems (PEDS), Toulouse, France, 9–12 July 2019. [Google Scholar] [CrossRef]
- Crotti, G.; Femine, A.D.; Gallo, D.; Giordano, D.; Landi, C.; Luiso, M.; Mariscotti, A.; Roccato, P.E. Pantograph-To-OHL Arc: Conducted Effects in DC Railway Supply System. IEEE Trans. Instrum. Meas. 2019, 68, 3861–3870. [Google Scholar] [CrossRef]
- Midya, S.; Bormann, D.; Schütte, T.; Thottappillil, R. Pantograph arcing in electrified railways—Mechanism and influence of various parameters—Part I: With DC traction power supply. IEEE Trans. Power Deliv. 2009, 24, 1931–1939. [Google Scholar] [CrossRef]
- Seferi, Y.; Blair, S.M.; Mester, C.; Stewart, B.G. A Novel Arc Detection Method for DC Railway Systems. Energies 2021, 14, 444. [Google Scholar] [CrossRef]
- Boler, O.; Ibrahem, A.; Ali, A.A.; Granger, M.G.; Abdelgabir, H.; Sozer, Y.; De Abreu-Garcia, J.A. A Novel High Frequency Impedance Analysis Method to Protect DC Electrical Railway Systems. IEEE Trans. Ind. Appl. 2020, 56, 669–677. [Google Scholar] [CrossRef]
- DNV GL. 66 kV Systems for Offshore Wind Farms; DNV GL Energy: Arnhem, The Netherlands, 2015. [Google Scholar]
- Lundberg, S. Performance Comparison of Wind Park Configurations; Chalmers University of Technology: Gothenburg, Sweden, 2003. [Google Scholar]
- Max, L.; Lundberg, S. System efficiency of a DC/DC converter-based wind farm. Wind Energy 2008, 11, 109–120. [Google Scholar] [CrossRef]
- Parker, M.A.; Anaya-Lara, O. Cost and losses associated with offshore wind farm collection networks which centralise the turbine power electronic converters. IET Renew. Power Gener. 2013, 7, 390–400. [Google Scholar] [CrossRef]
- De Prada Gil, M.; Domínguez-García, J.L.; Díaz-González, F.; Aragüés-Peñalba, M.; Gomis-Bellmunt, O. Feasibility analysis of offshore wind power plants with DC collectiongrid. Renew. Energy 2015, 78, 467–477. [Google Scholar] [CrossRef]
- Pape, M.; Kazerani, M. An Offshore Wind Farm with DC Collection System Featuring Differential Power Processing. IEEE Trans. Energy Convers. 2020, 35, 222–236. [Google Scholar] [CrossRef]
- Pan, J.; Bala, S.; Callavik, M.; Sandeberg, P. Platformless DC collection and transmission for offshore wind. IET Semin. Dig. 2015, 2015, 1–6. [Google Scholar] [CrossRef]
- 4C Global Offshore Renewable Map. Available online: https://map.4coffshore.com/offshorewind/ (accessed on 29 November 2021).
- Meyer, C.; Höing, M.; Peterson, A.; De Doncker, R.W. Control and design of DC grids for offshore wind farms. IEEE Trans. Ind. Appl. 2007, 43, 1475–1482. [Google Scholar] [CrossRef]
- Barrenetxea, M.; Baraia, I.; Larrazabal, I.; Zubimendi, I. Design of a novel modular energy conversion scheme for DC offshore wind farms. In Proceedings of the IEEE EUROCON 2015—International Conference on Computer as a Tool (EUROCON), Salamanca, Spain, 8–11 September 2015. [Google Scholar] [CrossRef]
- Holtsmark, N.; Bahirat, H.J.; Molinas, M.; Mork, B.A.; Høidalen, H.K. An All-DC offshore wind farm with series-connected turbines: An alternative to the classical parallel AC model? IEEE Trans. Ind. Electron. 2013, 60, 2420–2428. [Google Scholar] [CrossRef]
- Chuangpishit, S.; Tabesh, A.; Moradi-Sharbabk, Z.; Saeedifard, M. Topology design for collector systems of offshore wind farms with pure DC power systems. IEEE Trans. Ind. Electron. 2014, 61, 320–328. [Google Scholar] [CrossRef]
- Bahirat, H.J.; Mork, B.A. Operation of DC Series-Parallel Connected Offshore Wind Farm. IEEE Trans. Sustain. Energy 2019, 10, 596–603. [Google Scholar] [CrossRef]
- Abeynayake, G.; Li, G.; Liang, J.; Cutululis, N.A. A Review on MVdc Collection Systems for High-Power Offshore Wind Farms. In Proceedings of the 2019 14th Conference on Industrial and Information Systems (ICIIS), Kandy, Sri Lanka, 18–20 December 2019; pp. 407–412. [Google Scholar] [CrossRef]
- Rong, F.; Wu, G.; Li, X.; Huang, S.; Zhou, B. ALL-DC Offshore Wind Farm with Series-Connected Wind Turbines to Overcome Unequal Wind Speeds. IEEE Trans. Power Electron. 2019, 34, 1370–1381. [Google Scholar] [CrossRef]
- Zhang, L.; Liang, J.; Tang, W.; Li, G.; Cai, Y.; Sheng, W. Converting AC distribution lines to DC to increase transfer capacities and DG penetration. IEEE Trans. Smart Grid 2019, 10, 1477–1487. [Google Scholar] [CrossRef]
- Working Group C6.31, CIGRE Medium Voltage Direct Current (MVDC) Grid Feasibility Study. ELECTRA CIGRE’s Digital Magazine April 2020, No. 309, pp. 1–5. Available online: https://electra.cigre.org/309-april-2020/technical-brochures/medium-voltage-direct-current-mvdc-grid-feasibility-study.html (accessed on 7 December 2021).
- Giannakis, A.; Peftitsis, D. MVDC Distribution Grids and Potential Applications: Future Trends and Protection Challenges. In Proceedings of the 2018 20th European Conference on Power Electronics and Applications (EPE’18 ECCE Europe), Riga, Latvia, 17–21 September 2018; pp. 1–9. [Google Scholar]
- Hrishikesan, V.M.; Das, D.; Kumar, C.; Gooi, H.B.; Mekhilef, S.; Guo, X. Increasing Voltage Support Using Smart Power Converter Based Energy Storage System and Load Control. IEEE Trans. Ind. Electron. 2020, 68, 12364–12374. [Google Scholar] [CrossRef]
- Siemens MVDC Plus. Managing the Future Grid; Siemens: Munich, Germany, 2021; Available online: https://assets.siemens-energy.com/siemens/assets/api/uuid:d1bf00ec-b71f-4dcf-9401-7e08d2b508db/mvdc-plus-intro-final.pdf (accessed on 7 December 2021).
- Stieneker, M.; Doncker, R.W. De Medium-voltage DC distribution grids in urban areas. In Proceedings of the 2016 IEEE 7th International Symposium on Power Electronics for Distributed Generation Systems (PEDG), Vancouver, BC, Canada, 27–30 June 2016; pp. 1–7. [Google Scholar]
- Wang, S.; Ming, W.; Liang, J. Interlinked Solid-state MVDC Circuit Breaker with Current Regulation Capability. In Proceedings of the IECON 2019—45th Annual Conference of the IEEE Industrial Electronics Society, Lisbon, Portugal, 14–17 October 2019; pp. 5668–5673. [Google Scholar] [CrossRef]
- Bayati, N.; Hajizadeh, A.; Soltani, M. Protection in DC microgrids: A comparative review. IET Smart Grid 2018, 1, 66–75. [Google Scholar] [CrossRef]
- Park, J. Do Ground fault detection and location for ungrounded DC traction power systems. IEEE Trans. Veh. Technol. 2015, 64, 5667–5676. [Google Scholar] [CrossRef]
- Reed, G.F.; Grainger, B.M.; Sparacino, A.R.; Mao, Z.H. Ship to grid: Medium-voltage dc concepts in theory and practice. IEEE Power Energy Mag. 2012, 10, 70–79. [Google Scholar] [CrossRef]
- Joseph, T.; Liang, J.; Li, G.; Moon, A.; Smith, K.; Yu, J. Dynamic Control of MVDC Link Embedded in Distribution Network: Case Study on ANGLE-DC. In Proceedings of the IEEE Conference on Energy Internet and Energy System Integration, Beijing, China, 26–28 November 2017; pp. 1–6. [Google Scholar]
- UK Power Networks; Yu, J.; Cameron, I. Active Response to Distribution Network Constraints; Ofgem: London, UK, 2018; Available online: https://innovation.ukpowernetworks.co.uk/wp-content/uploads/2018/12/Active-Response-FSP.pdf (accessed on 7 December 2021).
- Liu, G.; Zhao, Y.; Yuan, Z.; Zhao, B.; Yu, Z.; Si, Z.; Sun, G.; Xu, X.; Han, Y.; He, Q.; et al. Study on Demonstration Project Technical Scheme of VSC-DC Distribution System in Shenzhen. South. Power Syst. Technol. 2016, 10, 1–7. [Google Scholar]
- Su, L.; Zhu, P.; Yan, A.; Ma, Y.; He, M.; Mei, J.; Wang, B.; Fan, G. Design Scheme and Simulation Verification of Suzhou Medium Voltage DC Distribution Project. Electr. Power 2021, 54, 78–88. [Google Scholar]
- Hunter, L.; Booth, C.; Ferre, A.J.; Finney, S. MVDC for enhanced utility scale distribution power delivery and control. In Proceedings of the 2017 52nd International Universities Power Engineering Conference, UPEC 2017, Heraklion, Greece, 28–31 August 2017; pp. 1–6. [Google Scholar]
- Hardman, D. FPL Development and Improvement Report; Western Power Distribution: Bristol, UK, 2019. [Google Scholar]
- Abeynayake, G.; Li, G.; Joseph, T.; Liang, J. Reliability and Cost-oriented Analysis, Comparison and Selection of Multi-level MVdc Converters. IEEE Trans. Power Deliv. 2021, 36, 3945–3955. [Google Scholar] [CrossRef]
- Wenlin, J. GE Strengthens Power Supply in Anglesey. Available online: https://www.gepowerconversion.com/press-releases/ge-supports-power-grids-future-europe’s-first-mvdc-link (accessed on 19 February 2021).
- Siemens, A.G. MVDC Plus Managing the Future Grid; Whitepaper; Siemens: Munich, Germany, 2017; Available online: https://new.siemens.com/uk/en/products/energy/medium-voltage/solutions/mvdc.html#Ordertechnicaldetails (accessed on 7 December 2021).
- Liu, S.; Zhao, Y.; Chen, L.; Si, Z. Research on Control and Protection Strategy and Design Scheme of VSC-DC Distribution Network Control and Protection System. Distrib. Util. 2018, 35, 34–39. [Google Scholar]
- Rivera, S.; Lizana, F.R.; Kouro, S.; Dragicevic, T.; Wu, B. Bipolar DC Power Conversion: State-of-the-Art and Emerging Technologies. IEEE J. Emerg. Sel. Top. Power Electron. 2021, 9, 1192–1204. [Google Scholar] [CrossRef]
- Jambrich, G.; Stöckl, J.; Makoschitz, M. MVDC ring-cable approach for new DC distribution and restructured AC grids. In Proceedings of the 2019 IEEE Third International Conference on DC Microgrids (ICDCM), Matsue, Japan, 20–23 May 2019; pp. 1–5. [Google Scholar]
- Abeynayake, G.; Li, G.; Joseph, T.; Ming, W.; Moon, A.; Smith, K.; Yu, J. Reliability Evaluation of Voltage Source Converters for MVDC Applications. IEEE PESS Innov. Smart Grid Technol. Asia 2019, 2566–2570. [Google Scholar]
- Cui, S.; Hu, J.; De Doncker, R.W. Control and Experiment of a TLC-MMC Hybrid DC-DC Converter for the Interconnection of MVDC and HVDC Grids. IEEE Trans. Power Electron. 2020, 35, 2353–2362. [Google Scholar] [CrossRef]
- Bosich, D.; Mastromauro, R.A.; Sulligoi, G. AC-DC interface converters for MW-scale MVDC distribution systems: A survey. In Proceedings of the 2017 IEEE Electric Ship Technologies Symposium, ESTS 2017, Arlington, VA, USA, 14–17 August 2017; pp. 44–49. [Google Scholar]
- Shi, L.; Adam, G.P.; Li, R.; Xu, L. Enhanced Control of Offshore Wind Farms Connected to MTDC Network Using Partially Selective DC Fault Protection. IEEE J. Emerg. Sel. Top. Power Electron. 2020, 9, 2926–2935. [Google Scholar] [CrossRef]
- ABB ForSea (Formerly HH Ferries Group) Completes Conversion of the World’s Largest Batter Ferries, Powered by ABB. Available online: https://new.abb.com/news/detail/10434/forsea-formerly-hh-ferries-group-completes-conversion-of-the-worlds-largest-battery-ferries-powered-by-abb (accessed on 2 March 2021).
- Kongsberg Energy Products. Available online: https://www.kongsberg.com/maritime/products/electrical-power-system/energy-products/ (accessed on 22 April 2021).
- Okeke, T.U.; Zaher, R.G. Flexible AC Transmission Systems (FACTS). In Proceedings of the 2013 International Conference on New Concepts in Smart Cities: Fostering Public and Private Alliances (SmartMILE), Gijon, Spain, 11–13 December 2013; pp. 1–4. [Google Scholar]
- Bernacchi, R. MVDC and Grid Interties: Enabling New Features in Distribution, Sub-Transmission and Industrial Networks; ABB: Zurich, Switzerland, 2019. [Google Scholar]
- UK Power Networks. High-Level Design Specification of Advanced Automation Solution: Active Response—Project Deliverable 1; UK Power Networks: London, UK, 2019. [Google Scholar]
- Li, B.; Liang, Y.; Wang, G.; Li, H.; Ding, J. A control strategy for soft open points based on adaptive voltage droop outer-loop control and sliding mode inner-loop control with feedback linearization. Int. J. Electr. Power Energy Syst. 2020, 122, 106205. [Google Scholar] [CrossRef]
- Yu, J.; Macleod, N.; Smith, K.; Moon, A. NIC Project Medium Voltage Direct Current Link Technical Specification NIC Project Medium Voltage Direct Current Link Technical Specification; Scottish Power Energy Networks: Glasgow, UK, 2017. [Google Scholar]
- Fotopoulou, M.; Rakopoulos, D.; Trigkas, D.; Stergiopoulos, F.; Blanas, O.; Voutetakis, S. State of the art of low and medium voltage direct current (Dc) microgrids. Energies 2021, 14, 5595. [Google Scholar] [CrossRef]
- Yang, M.; Xie, D.; Zhu, H.; Lou, Y. Architectures and control for multi-terminal DC (MTDC) distribution network—A review. IET Semin. Dig. 2015, 2015. [Google Scholar] [CrossRef]
- Jovcic, D.; Taherbaneh, M.; Taisne, J.P.; Nguefeu, S. Offshore DC grids as an interconnection of radial systems: Protection and control aspects. IEEE Trans. Smart Grid 2015, 6, 903–910. [Google Scholar] [CrossRef]
- Prakash, K.; Lallu, A.; Islam, F.R.; Mamun, K.A. Review of Power System Distribution Network Architecture. In Proceedings of the 2016 3rd Asia-Pacific World Congress on Computer Science and Engineering (APWC on CSE), Nadi, Fiji, 5–6 December 2016; pp. 124–130. [Google Scholar] [CrossRef]
- Augustine, S.; Quiroz, J.E.; Reno, M.J.; Brahma, S. DC Microgrid Protection: Review and Challenges; Sandia National Laboratories: Albuquerque, NM, USA, 2018. [Google Scholar]
- Pinto, R.T.; Rodrigues, S.; Bauer, P.; Pierik, J. Operation and control of a multi-terminal DC network. In Proceedings of the 2013 IEEE ECCE Asia Downunder, Melbourne, VIC, Australia, 3–6 June 2013; pp. 474–480. [Google Scholar] [CrossRef]
- Korompili, A.; Sadu, A.; Ponci, F.; Monti, A. Flexible electric networks of the future: Project on control and automation in MVDC grids. In International ETG Congress 2015; Die Energiewende—Blueprints for the New Energy Age: Bonn, Germany, Bonn, Germany, 2015; pp. 556–563. [Google Scholar]
- Zhuo, Z.; Zhang, N.; Kang, C.; Dong, R.; Liu, Y. Optimal Operation of Hybrid AC/DC Distribution Network with High Penetrated Renewable Energy. In Proceedings of the 2018 IEEE Power & Energy Society General Meeting (PESGM), Portland, OR, USA, 5–10 August 2018. [Google Scholar] [CrossRef]
- Musa, A.; Rehan, S.; Sabug, L.; Ponci, F.; Monti, A. Modeling and design of hybrid distribution network: Operational and technical features. In Proceedings of the 2017 IEEE PES Innovative Smart Grid Technologies Conference Europe (ISGT-Europe), Turin, Italy, 26–29 September 2017; pp. 1–6. [Google Scholar] [CrossRef]
- Rouhani, M.; Kish, G.J. Multiport DC—DC—AC Modular Multilevel Converters for Hybrid AC/DC Power Systems. IEEE Trans. Power Deliv. 2020, 35, 408–419. [Google Scholar] [CrossRef]
- Jafarishiadeh, S.; Dargahi, V.; Sadigh, A.K.; Farasat, M. Novel multi-terminal MMC-based dc/dc converter for MVDC grid interconnection. IET Power Electron. 2018, 11, 1266–1276. [Google Scholar] [CrossRef]
- Zhao, B.; Zeng, R.; Song, Q.; Yu, Z.; Qu, L. Medium-voltage DC power distribution technology. In The Energy Internet: An Open Energy Platform to Transform Legacy Power Systems into Open Innovation and Global Economic Engines; Su, W., Huang, A.Q., Eds.; Woodhead Publishing: Sawston, UK, 2019; pp. 123–152. ISBN 9780081022078. [Google Scholar]
- Thielemans, S.; Vyncke, T.J.; Melkebeek, J.A.A. Voltage Quality Analysis of a Three-Level Flying Capacitor Inverter with Model Based Predictive Control. In Proceedings of the 8th International Conference on Power Electronics—ECCE Asia, Jeju, Korea, 30 May–3 June 2011; pp. 124–131. [Google Scholar] [CrossRef]
- Wang, J.; Yang, S.; Yang, W. Harmonic reduction for 12-pulse four star thyristor rectifier with active auxiliary circuit. In Proceedings of the 2015 IEEE 11th International Conference on Power Electronics and Drive Systems, Sydney, NSW, Australia, 9–12 June 2015; pp. 301–306. [Google Scholar] [CrossRef]
- Guo, C.; Li, C.; Zhao, C.; Ni, X.; Zha, K.; Xu, W. An Evolutional Line-Commutated Converter Integrated with Thyristor-Based Full-Bridge Module to Mitigate the Commutation Failure. IEEE Trans. Power Electron. 2017, 32, 967–976. [Google Scholar] [CrossRef]
- Wang, F.; Bertling, L.; Le, T.; Mannikoff, A.; Bergman, A. An overview introduction of VSC-HVDC: State-of-art and potential applications in electric power systems. CIGRE 2011 Bologna Symposium—The Electric Power System of the Future: Integrating Supergrids and Microgrids, Bologna, Italy, 13–15 September 2011. [Google Scholar]
- Huang, X.; Qi, L.; Pan, J. A New Protection Scheme for MMC-Based MVdc. IEEE Trans. Ind. Appl. 2019, 55, 4515–4523. [Google Scholar] [CrossRef]
- Li, B.; Li, Y.; He, J. Electrical Power and Energy Systems A DC fault handling method of the MMC-based DC system q. Electr. Power Energy Syst. 2017, 93, 39–50. [Google Scholar] [CrossRef]
- Siemens M2C—It’s Short for “Innovation”. Available online: https://new.siemens.com/global/en/products/drives/sinamics/medium-voltage-converters/m2c-technology.html#:~:text=Modular%20multilevel%20converters%20display%20their%20strengths%20in%20combination,energy%2C%20offshore%20and%20the%20metal%20industry%2C%20for%20example (accessed on 5 May 2021).
- Adam, G.P.; Anaya-lara, O.; Burt, G.; Mcdonald, J. Comparison between Two VSC-HVDC Transmission Systems Technologies : Modular and Neutral Point Clamped Multilevel Converter. In Proceedings of the Event IECON 2009, the 35th Annual Conference of the IEEE Industrial Electronics Society and ICELIE 2009, the 3rd IEEE International Conference on E-Learning in Industrial Electronics, Porto, Portugal, 3–5 September 2009. [Google Scholar]
- Sun, J.; Liu, H. Impedance modeling and analysis of modular multilevel converters. In Proceedings of the 2016 IEEE 17th Workshop on Control and Modeling for Power Electronics (COMPEL), Trondheim, Norway, 27–30 June 2016. [Google Scholar] [CrossRef]
- Konstantinou, G.; Pou, J.; Ceballos, S.; Agelidis, V.G. Active redundant submodule configuration in modular multilevel converters. IEEE Trans. Power Deliv. 2013, 28, 2333–2341. [Google Scholar] [CrossRef]
- Vozikis, D.; Adam, G.P.; Rault, P.; Tzelepis, D.; Holliday, D.; Finney, S. Steady-state performance of state-of-the-art modular multilevel and alternate arm converters with DC fault-blocking capability. Int. J. Electr. Power Energy Syst. 2018, 99, 618–629. [Google Scholar] [CrossRef]
- Hagiwara, M.; Akagi, H. Control and Experiment of Pulsewidth-Modulated Modular Multilevel Converters. IEEE Trans. Power Electron. 2009, 24, 1737–1746. [Google Scholar] [CrossRef]
- Ansari, J.A.; Liu, C.; Khan, S.A. MMC Based MTDC Grids: A Detailed Review on Issues and Challenges for Operation, Control and Protection Schemes. IEEE Access 2020, 8, 168154–168165. [Google Scholar] [CrossRef]
- Qin, J.; Saeedifard, M.; Rockhill, A.; Zhou, R. Hybrid design of modular multilevel converters for HVDC systems based on various submodule circuits. IEEE Trans. Power Deliv. 2015, 30, 385–394. [Google Scholar] [CrossRef]
- Deng, F.; Lü, Y.; Liu, C.; Heng, Q.; Yu, Q.; Zhao, J. Overview on submodule topologies, modeling, modulation, control schemes, fault diagnosis, and tolerant control strategies of modular multilevel converters. Chin. J. Electr. Eng. 2020, 6, 1–21. [Google Scholar] [CrossRef]
- Zhao, B.; Zeng, R.; Li, J.; Wei, T.; Chen, Z.; Song, Q.; Yu, Z. Practical Analytical Model and Comprehensive Comparison of Power Loss Performance for Various MMCs Based on IGCT in HVDC Application. IEEE J. Emerg. Sel. Top. Power Electron. 2019, 7, 1071–1083. [Google Scholar] [CrossRef]
- Yin, T.; Xu, C.; Lin, L.; Jing, K. A SiC MOSFET and Si IGBT Hybrid Modular Multilevel Converter with Specialized Modulation Scheme. IEEE Trans. Power Electron. 2020, 35, 12623–12628. [Google Scholar] [CrossRef]
- GE Siemens. MV7000 Flat Pack (FP); Siemens: Munich, Germany, 2019. [Google Scholar]
- B4-110, CIGRE; Jacobson, B.; Karlsson, P.; Asplund, G.; Harnefors, L.T.J. VSC-HVDC Transmission with Cascaded Two-Level Converters Converter Topology and Main Circuit; ABB, Sweden, 2010. Available online: https://library.e.abb.com/public/422dcbc564d7a3e1c125781c00507e47/B4-110_2010%20-%20VSC-HVDC%20Transmission%20with%20Cascaded%20Two-level%20converters.pdf (accessed on 7 December 2021).
- Alhurayyis, I.; Member, S.; Elkhateb, A.; Member, S.; Morrow, D.J. Isolated and Non-Isolated DC-to-DC Converters for Medium Voltage DC Networks : A Review. IEEE J. Emerg. Sel. Top. Power Electron. 2020, 9, 7486–7500. [Google Scholar] [CrossRef]
- Erickson, R.W.; Maksimović, D. Fundamentals of Power Electronics, 2nd ed.; Springer Science+Business Media: Berlin, Germany, 2013; Volume 59, ISBN 9781447151036. [Google Scholar]
- Chewale, M.A.; Wanjari, R.A.; Savakhande, V.B.; Sonawane, P.R. A Review on Isolated and Non-isolated DC-DC Converter for PV Application. In Proceedings of the 2018 International Conference on Control, Power, Communication and Computing Technologies, ICCPCCT 2018, Kerala, India, 23–24 March 2018; IEEE: Piscataway, NJ, USA, 2018; pp. 399–404. [Google Scholar]
- Hou, N.; Song, W.; Zhu, Y.; Sun, X.; Li, W. Dynamic and static performance optimization of dual active bridge DC-DC converters. J. Mod. Power Syst. Clean Energy 2018, 6, 607–618. [Google Scholar] [CrossRef]
- Alhurayyis, I.; Elkhateb, A.; Morrow, D.J. Bidirectional DC-DC Resonant Converter Design for Electric Vehicle Charging Stations Integration to MVDC Grids. In Proceedings of the 9th International Conference on Renewable Energy Research and Applications, Glasgow, UK, 27–30 September 2020; pp. 236–241. [Google Scholar]
- Stojadinović, M. Bidirectional DC-DC Converters for MVDC Applications. Ph.D. Thesis, ETH Zurich, Zürich, Switzerland, 2020. [Google Scholar]
- Wang, L.; Zhu, Q.; Yu, W.; Huang, A.Q. A Medium-Voltage Medium-Frequency Isolated DC–DC Converter Based on 15-kV SiC MOSFETs. IEEE J. Emerg. Sel. Top. Power Electron. 2017, 5, 100–109. [Google Scholar] [CrossRef]
- Kish, G.J. On the emerging class of non-isolated modular multilevel DC-DC converters for DC and hybrid AC-DC systems. IEEE Trans. Smart Grid 2019, 10, 1762–1771. [Google Scholar] [CrossRef]
- Kish, G.J.; Lehn, P.W. A comparison of Modular Multilevel Energy Conversion Processes: DC/AC versus DC/DC. IEEJ J. Ind. Appl. 2015, 4, 370–379. [Google Scholar] [CrossRef]
- Ashraf, M.; Nazih, Y.; Alsokhiry, F.; Ahmed, K.H.; Abdel-khalik, A.S.; Al-Turki, Y. A New Hybrid Dual Active Bridge Modular Multilevel Based DC-DC Converter for HVDC Networks. IEEE Access 2021, 9, 62055–62073. [Google Scholar] [CrossRef]
- Ferreira, J.A. The multilevel modular DC converter. IEEE Trans. Power Electron. 2013, 28, 4460–4465. [Google Scholar] [CrossRef]
- Xiang, X. The Modular Multilevel DC Converters for MVDC and HVDC Applications; Imperial College London: London, UK, 2019. [Google Scholar]
- Zahedi, B. Shipboard DC Hybrid Power Systems: Modeling, Efficiency Analysis and Stability Control. Ph.D. Thesis, NTNU-Norwegian University of Science and Technology, Trondheim, Norway, 2014. [Google Scholar]
- Sun, C.; Cai, X.; Zhang, J.; Shi, G. A Modular Multilevel DC-DC Converter with Self Voltage Balancing and Soft Switching. In Proceedings of the 2018 IEEE International Power Electronics and Application Conference and Exposition (PEAC), Shenzhen, China, 4–7 December 2018; pp. 12–17. [Google Scholar] [CrossRef]
- Engel, S.P.; Stieneker, M.; Soltau, N.; Rabiee, S.; Stagge, H.; Doncker, R.W. De Comparison of the Modular Multilevel DC Converter and the Dual-Active Bridge Converter for Power Conversion in HVDC and MVDC Grids. IEEE Trans. Power Electron. 2015, 30, 124–137. [Google Scholar] [CrossRef]
- Scottish Power Energy Networks. LV Engine—Project Overview; Scottish Power Energy Networks: Glasgow, UK, 2018. [Google Scholar]
- Wang, R.; Zhang, B.; Zhao, S.; Liang, L.; Chen, Y. Design of an IGBT-series-based Solid-State Circuit Breaker for Battery Energy Storage System Terminal in Solid-State Transformer. In Proceedings of the IECON 2019—45th Annual Conference of the IEEE Industrial Electronics Society, Lisbon, Portugal, 14–17 October 2019; IEEE: Piscataway, NJ, USA, 2019; pp. 6677–6682. [Google Scholar] [CrossRef]
- Liserre, M.; Buticchi, G.; Andresen, M.; De Carne, G.; Costa, L.F.; Zou, Z.X. The Smart Transformer: Impact on the Electric Grid and Technology Challenges. IEEE Ind. Electron. Mag. 2016, 10, 46–58. [Google Scholar] [CrossRef]
- Hrishikesan, V.M.; Kumar, C. Smart Transformer Based Meshed Hybrid Microgrid with MVDC Interconnection. In Proceedings of the IECON 2020 the 46th Annual Conference of the IEEE Industrial Electronics Society, Singapore, 18–21 October 2020; pp. 4961–4966. [Google Scholar] [CrossRef]
- Aithal, A.; Wu, J. Operation and Performance of a Medium Voltage DC Link. In Proceedings of the 24th International Conference on Electricity Distribution, Glasgow, UK, 12–15 June 2017; Volume 5, pp. 12–15. [Google Scholar]
- Andersen, M.; De Carne, G. LV Engine Smart Transformer Hardware, Power Converter Control and Reliability; Scottish Power Energy Networks: Glasgow, UK, 2018. [Google Scholar]
- Allca-Pekarovic, A.; Kollmeyer, P.J.; Mahvelatishamsabadi, P.; Mirfakhrai, T.; Naghshtabrizi, P.; Emadi, A. Comparison of IGBT and SiC Inverter Loss for 400V and 800V DC Bus Electric Vehicle Drivetrains. In Proceedings of the 2020 IEEE Energy Conversion Congress and Exposition (ECCE), Detroit, MI, USA, 11–15 October 2020; pp. 6338–6344. [Google Scholar] [CrossRef]
- Palanisamy, S.; Basler, T.; Lutz, J.; Kunzel, C.; Wehrhahn-Kilian, L.; Elpelt, R. Investigation of the bipolar degradation of SiC MOSFET body diodes and the influence of current density. IEEE Int. Reliab. Phys. Symp. Proc. 2021, 3, 1–6. [Google Scholar] [CrossRef]
- Ong, A.; Carr, J.; Balda, J.; Mantooth, A. A comparison of silicon and silicon carbide MOSFET switching characteristics. In Proceedings of the 2007 IEEE Region 5 Technical Conference, Fayetteville, AR, USA, 20–22 April 2007; pp. 273–277. [Google Scholar] [CrossRef]
- Liang, Y.C.; Samudra, G.S.; Huang, C.-F. Insulated-Gate Bipolar Transistor. Power Microelectron. 2017, 191–248. [Google Scholar] [CrossRef]
- Noh, C.H.; Kim, C.H.; Gwon, G.H.; Khan, M.O.; Jamali, S.Z. Development of protective schemes for hybrid AC/DC low-voltage distribution system. Int. J. Electr. Power Energy Syst. 2019, 105, 521–528. [Google Scholar] [CrossRef]
- Guillod, T.; Krismer, F.; Kolar, J.W. Protection of MV Converters in the Grid: The Case of MV/LV Solid-State Transformers. IEEE J. Emerg. Sel. Top. Power Electron. 2017, 5, 393–408. [Google Scholar] [CrossRef]
- Li, G.; Liang, J.; Balasubramaniam, S.; Joseph, T.; Ugalde-loo, C.E.; Jose, K.F. Frontiers of DC Circuit Breakers in HVDC and MVDC Systems. In Proceedings of the 2017 IEEE Conference on Energy Internet and Energy System Integration, Beijing, China, 26–28 November 2017; pp. 1–6. [Google Scholar]
- Ding, C.; Nie, T.; Tian, X.; Chen, T.; Yuan, Z. Analysis of the influence of RC buffer on DC solid-state circuit breaker. Energy Rep. 2020, 6, 1483–1489. [Google Scholar] [CrossRef]
- Nguyen, A.-D.; Nguyen, T.-T.; Kim, H.-M. A Comparison of Different Hybrid Direct Current Circuit Breakers for Application in HVDC System. Int. J. Control Autom. 2016, 9, 381–394. [Google Scholar] [CrossRef]
- Zheng, T.; Lv, W.; Wu, Q.; Li, R.; Liu, X.; Zhang, C.; Xu, L. An Integrated Control and Protection Scheme Based on FBSM-MMC Active Current Limiting Strategy for DC Distribution Network. IEEE J. Emerg. Sel. Top. Power Electron. 2021, 9, 2632–2642. [Google Scholar] [CrossRef]
- Li, B.; He, J.; Li, Y.; Li, B. A review of the protection for the multi-terminal VSC-HVDC grid. Prot. Control Mod. Power Syst. 2019, 4, 21. [Google Scholar] [CrossRef]
- Egea-Alvarez, A.; Ferré, A.J.; Gomis-Bellmunt, O. Active and Reactive Power Control of Grid Connected Distributed Generation System. In Green Energy and Technology; Springer: Berlin/Heidelberg, Germany, 2012; pp. 47–81. ISBN 9781509032389. [Google Scholar]
- Pattabiraman, D.; Lasseter, R.H.; Jahns, T.M. Comparison of Grid Following and Grid Forming Control for a High Inverter Penetration Power System. In Proceedings of the 2018 IEEE Power & Energy Society General Meeting (PESGM), Portland, OR, USA, 5–10 August 2018; pp. 3–7. [Google Scholar] [CrossRef]
- Bevrani, H.; Ise, T.; Miura, Y. Virtual synchronous generators: A survey and new perspectives. Int. J. Electr. Power Energy Syst. 2014, 54, 244–254. [Google Scholar] [CrossRef]
- Abdelrahim, A.A.; Smailes, M.; Ahmed, K.; Mckeever, P.; Egea-alvarez, A. Modified grid forming converter controller with fault ride through capability without PLL or current loop. In Proceedings of the 18th Wind Integration Workshop, Dublin, Ireland, 16–18 October 2019; pp. 1–8. [Google Scholar]
- Morren, J.; de Haan, S.W.H.; Kling, W.L.; Ferreira, J.A. Wind turbines emulating inertia and supporting primary frequency control. IEEE Trans. Power Syst. 2006, 21, 433–434. [Google Scholar] [CrossRef]
- Castelo De Oliveira, T.E.; Van Overbeeke, F.; Cuk, V.; De Jong, E.C.W. MVDC Application: Switching Processes AC-to-DC, DC -to- AC and Imbalance Mitigation through DC Mode. In Proceedings of the 2019 IEEE PES Innovative Smart Grid Technologies Europe (ISGT-Europe), Bucharest, Romania, 29 September–2 October 2019; pp. 1–5. [Google Scholar] [CrossRef]
- Chai, R.; Zhang, B.; Dou, J. Improved DC voltage margin control method for DC grid based on VSCs. In Proceedings of the 2015 IEEE 15th International Conference on Environment and Electrical Engineering (EEEIC), Rome, Italy, 10–13 June 2015; pp. 1683–1687. [Google Scholar] [CrossRef]
- Korompili, A.; Monti, A. Analysis of the dynamics of dc voltage droop controller of DC-DC converters in multi-terminal dc grids. In Proceedings of the 2017 IEEE Second International Conference on DC Microgrids (ICDCM), Nuremburg, Germany, 27–29 June 2017; pp. 507–514. [Google Scholar] [CrossRef]
- Simiyu, P.; Xin, A.; Bitew, G.T.; Shahzad, M.; Kunyu, W.; Tuan, L.K. Review of the DC voltage coordinated control strategies for multi-terminal VSC-MVDC distribution network. J. Eng. 2019, 2019, 1462–1468. [Google Scholar] [CrossRef]
- Wang, Y.; Wen, W.; Wang, C.; Liu, H.; Zhan, X.; Xiao, X. Adaptive Voltage Droop Method of Multiterminal VSC-HVDC Systems for DC Voltage Deviation and Power Sharing. IEEE Trans. Power Deliv. 2019, 34, 169–176. [Google Scholar] [CrossRef]
- Torres, F.; Martinez, S.; Roa, C.; Lopez, E. Comparison between voltage droop and voltage margin controllers for MTDC systems. In Proceedings of the IEEE ICA-ACCA 2018—IEEE International Conference on Automation/23rd Congress of the Chilean Association of Automatic Control: Towards an Industry 4.0—Proceedings, Concepcion, Chile, 17–19 October 2018. [Google Scholar]
- Egea-Alvarez, A.; Beerten, J.; Van Hertem, D.; Gomis-Bellmunt, O. Hierarchical power control of multiterminal HVDC grids. Electr. Power Syst. Res. 2015, 121, 207–215. [Google Scholar] [CrossRef]
- Taft, J. Roles and Responsibilities for Distribution Grids: DER Sensing and Communication Networks; Pacific Northwest National Laboratory: Richland, DC, USA, 2017. [Google Scholar]
- Abedrabbo, M.; Wang, M.; Tielens, P.; Dejene, F.Z.; Leterme, W.; Beerten, J.; Van Hertem, D. Impact of DC grid contingencies on AC system stability. IET Conf. Publ. 2017, 2017, 1–7. [Google Scholar] [CrossRef]
- Ji, Y.; Yuan, Z.; Zhao, J.; Lu, C.; Wang, Y.; Zhao, Y.; Li, Y.; Han, Y. Hierarchical control strategy for MVDC distribution network under large disturbance. IET Gener. Transm. Distrib. 2018, 12, 2557–2565. [Google Scholar] [CrossRef]
- Glende, E.; Trojan, P.; Hauer, I.; Naumann, A.; Brosinsky, C.; Wolter, M.; Westermann, D. Communication Infrastructure for Dynamic Grid Control Center with a Hardware-in-The-Loop Model. In Proceedings of the 2018 IEEE PES Innovative Smart Grid Technologies Conference Europe (ISGT-Europe), Sarajevo, Bosnia and Herzegovina, 21–25 October 2018; pp. 8–13. [Google Scholar] [CrossRef]
- Basu, M.; Mahindara, V.R.; Kim, J.; Nelms, R.M.; Muljadi, E. Comparison of Active and Reactive Power Oscillation Damping With PV Plants. IEEE Trans. Ind. Appl. 2021, 57, 2178–2186. [Google Scholar] [CrossRef]
- Hunter, L.C.; Booth, C.D.; Egea-Alvarez, A.; Dysko, A.; Finney, S.J.; Junyent-Ferre, A. A new fast-acting backup protection strategy for embedded MVDC links in future distribution networks. IEEE Trans. Power Deliv. 2021, 36, 861–869. [Google Scholar] [CrossRef]
- Hadjikypris, M.; Marjanovic, O.; Terzija, V. Damping of inter-area power oscillations in hybrid AC-DC power systems based on supervisory control scheme utilizing FACTS and HVDC. In Proceedings of the 19th Power Systems Computation Conference, PSCC 2016; Power Systems Computation Conference, Genoa, Italy, 20–24 June 2016. [Google Scholar]























| MOSFET (SiC) | IGBT | ||
|---|---|---|---|
| Advantage | Disadvantage | Advantage | Disadvantage |
| Low switching loss | High conduction loss [161] | Low conduction loss | High switching loss |
| Higher switching frequencies | High cost [138] | Low cost | Low switching frequency required |
| Improved thermal properties [162] | Forward voltage degradation [163] | Can withstand high short circuit currents | Cannot block high reverse voltages |
| Higher voltage blocking [164] | Reliability issues | Low driving power [165] | Generally unidirectional |
| Fast response [84] | |||
Publisher’s Note: MDPI stays neutral with regard to jurisdictional claims in published maps and institutional affiliations. |
© 2021 by the authors. Licensee MDPI, Basel, Switzerland. This article is an open access article distributed under the terms and conditions of the Creative Commons Attribution (CC BY) license (https://creativecommons.org/licenses/by/4.0/).
Share and Cite
Coffey, S.; Timmers, V.; Li, R.; Wu, G.; Egea-Àlvarez, A. Review of MVDC Applications, Technologies, and Future Prospects. Energies 2021, 14, 8294. https://doi.org/10.3390/en14248294
Coffey S, Timmers V, Li R, Wu G, Egea-Àlvarez A. Review of MVDC Applications, Technologies, and Future Prospects. Energies. 2021; 14(24):8294. https://doi.org/10.3390/en14248294
Chicago/Turabian StyleCoffey, Sophie, Victor Timmers, Rui Li, Guanglu Wu, and Agustí Egea-Àlvarez. 2021. "Review of MVDC Applications, Technologies, and Future Prospects" Energies 14, no. 24: 8294. https://doi.org/10.3390/en14248294
APA StyleCoffey, S., Timmers, V., Li, R., Wu, G., & Egea-Àlvarez, A. (2021). Review of MVDC Applications, Technologies, and Future Prospects. Energies, 14(24), 8294. https://doi.org/10.3390/en14248294

