A Method to Analyze the Performance of Geocooling Systems with Borehole Heat Exchangers. Results in a Monitored Residential Building in Southern Alps
Abstract
:1. Introduction
2. Materials and Method
- Preliminary energy simulation of the building and dimensioning of the BHE geothermal systems. The total length and the number of BHE and their configuration have been defined to satisfy the building thermal needs. In this preliminary stage, some scenarios has been drawn, suggesting also the thermal recharge of the ground, showing its importance from the economic and energy point of view and stressing the need of deepening the investigation about the thermal behavior of the overall system;
- Carrying out of the Geothermal-Response-Test (GRT) in-situ for a detailed study of the thermal characteristics of the ground according to [23]; the GRT allows a more precise evaluation of the length of the vertical BHE. When it is properly determined, supplementary costs are avoided;
- Final dimensioning of the BHE field, using updated thermal needs and ground properties found by the GRT, by the simulation tools EED [24] and PILESIM2 [16]. The system was realized for providing space heating and DHW by GSHP, together with a solar thermal plant. The cooling demand of the building was expected to be satisfied with geocooling technology that can as well as recharge the ground.
- Monitoring of the operation of the building and of the geothermal system, search of the criticalities, definition of optimization interventions and new monitoring after their realization;
- Simulation of the thermal fluxes from and to the geothermal field for 50 years using the PILESIM2 program and comparison to the monitored data. This step is mainly aimed at verifying the real heat recharge of the ground in order to show the long-term effects; a sensitivity analysis on the supply temperature level of the geocooling was also set;
- Analysis of the achieved results and attempt of extension.
- -
- Flow rate regulation of the geothermal BHE circuit (underground circuit);
- -
- Adjustment of the intermediate circulation pumps;
- -
- Flow regulation of the circulation pump of the underfloor circuit;
- -
- Increase of the supply temperature of the geocooling circuit.
3. Results
3.1. Case of Study
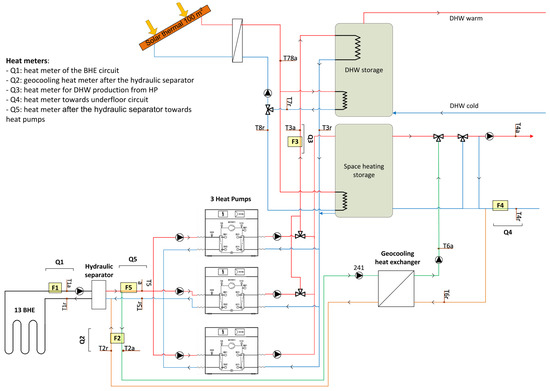
3.2. Monitoring System and Campaign
- 1 technical cabinet with a data-logger inside;
- 5 volume flow meters (electromagnetic);
- 15 thermocouple sensors–Type T (grade insulated wires);
- 3 electric power-meters installed on the heat pumps (electric metering of heat pumps consumptions);
- 4 electric power-meters on the circulation pumps dedicated to the geocooling circuit (electric metering of circulations pumps consumptions);
- 1 indoor weather station in one flat (temperature and humidity).
- Q1: heat meter of the BHE field. This is necessary for the monitoring of the thermal exchange with the ground. In this counter, water with glycol circulates;
- Q2: geocooling heat meter after the hydraulic separator and before the heat exchanger. In this counter, water with glycol circulates;
- Q3: heat meter after heat pumps, only for DHW production. In this counter circulates simply water;
- Q4: heat meter towards the underfloor heating (heating and cooling of flats). In this counter simply water circulates;
- Q5: heat meter after the hydraulic separator towards heat pumps. In this counter flows water with glycol.
3.3. Monitored Seasons
3.4. Energy Balance of the System
3.5. Energy Performance
4. Discussion
- The efficiency and potential of geocooling technology;
- The real quantification of a thermal recharging of the ground by geocooling;
- The limits of the system and the performance achievable by an underfloor radiant distribution system.
5. Conclusions and Further Developments
Author Contributions
Funding
Acknowledgments
Conflicts of Interest
Abbreviations
| BHE | Borehole Heat Exchanger/Exchangers |
| CDD | Cooling Degree Days |
| COP | Coefficient of Performance |
| DHW | Domestic Hot Water |
| EER | Energy Efficiency Ratio |
| GRT | Geothermal-Response-Test |
| GSHP | Ground Source Heat Pump/Pumps or Geothermal Pump/Pumps |
| HDD | Heating Degree Days |
| HP | Heat pump/pumps |
| HVAC | Heating, Ventilation and Air Conditioning |
| RES | Renewable Energy Source/Sources |
| SCOP | Seasonal Coefficient of Performance |
| SIA | Swiss society of Engineers and Architects (www.sia.ch/en/the-sia/) |
References
- Agora Energiewende. European Energy Transition 2030: The Big Picture. Ten Priorities for the Next European Commission to Meet the EU’s 2030 Targets and Accelerate towards 2050. 2019. Available online: https://www.agora-energiewende.de/fileadmin2/Projekte/2019/EU_Big_Picture/153_EU-Big-Pic_WEB.pdf (accessed on 5 November 2021).
- BFE–Swiss Federal Office of Energy. Energy Strategy 2050. 2018. Available online: https://www.bfe.admin.ch/bfe/en/home/policy/energy-strategy-2050.html (accessed on 5 November 2021).
- Confederation Suisse. Message Relatif a la Revision Totale de la Loi Sur le CO2 Pour la Periode Posterieure a 2020; Confederation Suisse: Bern, Switzerland, 2017.
- Narula, K.; Chambers, J.; Streicher, K.N.; Patel, M.K. Strategies for decarbonising the Swiss heating system. Energy 2019, 169, 1119–1131. [Google Scholar] [CrossRef]
- Blum, P.; Campillo, G.; Kölbel, T. Techno-economic and spatial analysis of vertical ground source heat pump systems in Germany. Energy 2011, 36, 3002–3011. [Google Scholar] [CrossRef]
- Sterpi, D.; Tomaselli, G.; Angelotti, A. Energy performance of ground heat exchangers embedded in diaphragm walls: Field observations and optimization by numerical modelling. Renew. Energy 2020, 147, 2748–2760. [Google Scholar] [CrossRef] [Green Version]
- Lund, J.W.; Toth, A.N. Direct utilization of geothermal energy 2020 worldwide review. Geothermics 2021, 90, 101915. [Google Scholar] [CrossRef]
- Lyu, W.; Li, X.; Yan, S.; Jiang, S. Utilizing shallow geothermal energy to develop an energy efficient HVAC system. Renew. Energy 2020, 147, 672–682. [Google Scholar] [CrossRef]
- Inayat, A.; Raza, M. District cooling system via renewable energy sources: A review. Renew. Sustain. Energy Rev. 2019, 107, 360–373. [Google Scholar] [CrossRef]
- Hollmuller, P.; Lachal, B.; Pahud, D. Rafraîchissement par Géocooling. Bases pour un Manuel de Dimensionnement; Rapport Final; Office Fédéral de l’Energie: Berne, Switzerland, 2005; Available online: https://repository.supsi.ch/2808/1/105-Pahud-2005-Geocooling.pdf (accessed on 5 November 2021).
- Pahud, D.; Caputo, P.; Branca, G.; Generelli, M. Etude du Potentiel D’utilisation de “Geocooling” D’une Installation Avec Sondes Géothermiques Verticales Appliqué à un Bâtiment Administratif Minergie à Chiasso; Rapport Final; Office Fédéral de L’énergie: Berne, Switzerland, 2008; Available online: https://www.aramis.admin.ch/Default?DocumentID=63151 (accessed on 5 November 2021). (in French)
- Pahud, D.; Belliardi, M. Geocooling Handbook-Cooling of Buildings using Vertical Borehole Heat Exchangers; Final Report; Swiss Federal Office of Energy: Bern, Switzerland, 2011; Available online: https://repository.supsi.ch/2803 (accessed on 5 November 2021).
- Pahud, D.; Belliardi, M.; Caputo, P. Geocooling potential of borehole heat exchangers’ systems applied to low energy office buildings. Renew. Energy 2012, 45, 197–204. [Google Scholar] [CrossRef]
- McKenna, P.; Turner, W.J.N.; Finn, D.P. Geocooling with integrated PCM thermal energy storage in a commercial building. Energy 2018, 144, 865–876. [Google Scholar] [CrossRef]
- Pratiwi, A.S.; Trutnevyte, E. Life cycle assessment of shallow to medium-depth geothermal heating and cooling networks in the State of Geneva. Geothermics 2021, 90, 101988. [Google Scholar] [CrossRef]
- Pahud, D. PILESIM2: Simulation Tool for Heating/Cooling Systems with Energy Piles or Multiple Borehole Heat Exchangers. 2007. Available online: https://repository.supsi.ch/3067 (accessed on 5 November 2021).
- Christodoulides, P.; Vieira, A.; Lenart, S.; Maranha, J.; Vidmar, G.; Popov, R.; Georgiev, A.; Aresti, L.; Florides, G. Reviewing the Modeling Aspects and Practices of Shallow Geothermal Energy Systems. Energies 2020, 13, 4273. [Google Scholar] [CrossRef]
- Arghand, T.; Javed, S.; Trüschel, A.; Dalenbäck, J.O. A comparative study on borehole heat exchanger size for direct ground coupled cooling systems using active chilled beams and TABS. Energy Build. 2021, 240, 110874. [Google Scholar] [CrossRef]
- SIA 384/6. Borehole Heat Exchangers; SIA: Zurich, Switzerland, 2010; (In French, German and Italian). [Google Scholar]
- SIA 384/7. Use of Heat of Underground Water; SIA: Zurich, Switzerland, 2015; (In French, German and Italian). [Google Scholar]
- SIA 382/1. Plants of Ventilation and Air Conditioning. General Basis and Needs; SIA: Zurich, Switzerland, 2014; (In French, German and Italian). [Google Scholar]
- Belliardi, M. Applied Analysis of Geocooling Technology for a Residential Building in Lugano, Final Report, Swiss Federal Office of Energy (SFOE), Energy Research and Cleantech. 2020. Available online: https://www.aramis.admin.ch/Default?DocumentID=66659 (accessed on 5 November 2021).
- Sanner, B.; Hellström, G.; Spitler, J.; Gehlin, S. Thermal response test–current status and world-wide application. In Proceedings of the World Geothermal Congress 2005, Antalya, Turkey, 24–29 April 2005; International Geothermal Association: Bonn, Germany, 2005; Volume 1436, Available online: https://www.geothermal-energy.org/pdf/IGAstandard/WGC/2005/1436.pdf (accessed on 5 November 2021).
- Hellström, G.; Sanner, B. EED-Earth Energy Designer, User Manual, Version 2.0. Borehole Heat Exchangers. Available online: https://buildingphysics.com/manuals/EEDONTHEWEB.pdf (accessed on 5 November 2021).
- Florides, G.; Kalogirou, S. Ground heat exchangers—A review of systems, models and applications. Renew. Energy 2007, 32, 2461–2478. [Google Scholar] [CrossRef]
- Sivasakthivel, T.; Philippe, M.; Murugesanc, K.; Vermad, V.; Pingfang, H. Experimental thermal performance analysis of ground heat exchangers for space heating and cooling applications. Renew. Energy 2017, 113, 1168–1181. [Google Scholar] [CrossRef]
- Fadejev, J.; Simson, R.; Kurnitski, J.; Haghighat, F. A review on energy piles design, sizing and modelling. Energy 2017, 122, 390–407. [Google Scholar] [CrossRef]
- Javadi, H.; Mousavi Ajarostaghi, S.S.; Rosen, M.A.; Pourfallah, M. Performance of ground heat exchangers: A comprehensive review of recent advances. Energy 2019, 178, 207–233. [Google Scholar] [CrossRef]
- Biglarian, H.; Abbaspour, M.; Saidi, M.H. A numerical model for transient simulation of borehole heat exchangers. Renew. Energy 2017, 104, 224–237. [Google Scholar] [CrossRef]
- SIA 380/1. Thermal Energy in Building Construction; SIA: Zurich, Switzerland, 2009; (In French, German and Italian). [Google Scholar]
- SIA 381/3. Heating Degree-Days in Switzerland; SIA: Zurich, Switzerland, 1982; (In French, German and Italian). [Google Scholar]
- Casasso, A.; Sethi, R. Assessment and mapping of the shallow geothermal potential in the province of Cuneo (Piedmont, NW Italy). Renew. Energy 2017, 102 Pt B, 306–315. [Google Scholar] [CrossRef]








| Season | Start Date | End Date | Season Duration [days] | Seasonal Duration [h] | Working Period [h] |
|---|---|---|---|---|---|
| Summer 2016 * | 23 June 2016 | 28 September 2016 | 97 | 2328 | 1858 |
| Winter 2016–17 | 28 September 2016 | 23 May 2017 | 237 | 5664 | 4523 |
| Summer 2017 | 23 May 2017 | 15 September 2017 | 115 | 2760 | 2203 |
| Winter 2017–18 | 15 September 2017 | 23 May 2018 | 250 | 5808 | 4637 |
| Summer 2018 | 23 May 2018 | 3 October 2018 | 133 | 3190 | 2571 |
| Winter 2018–19 | 3 October 2018 | 4 June 2019 | 244 | 5880 | 4737 |
| Summer 2019 ** | 4 June 2019 | 7 October 2019 | 125 | 2952 | 2378 |
| Monitored Season | Heating Demand MWh | Heating Index kWh/m2y | HDD | Normalised Heating index Wh/m2/°Cd | Monitored Season | Cooling Demand MWh | Cooling Index kWh/m2y | CDD | Normalised Cooling Index Wh/m2/°Cd |
|---|---|---|---|---|---|---|---|---|---|
| Summer 2016 | 36.4 | 6.4 | 73 | 87.9 | |||||
| Winter 2016–17 | 188.4 | 33.1 | 2279 | 14.5 | Summer 2017 | 47.8 | 8.2 | 106 | 77.5 |
| Winter 2017–18 | 190.2 | 33.4 | 2350 | 14.2 | Summer 2018 | 49.1 | 8.6 | 112 | 76.6 |
| Winter 2018–19 | 162.0 | 28.4 | 2041 | 13.9 | Summer 2019 | 39.3 | 6.9 | 113 | 61.1 |
| B0W35 | B0W60 | |
|---|---|---|
| Thermal Power supplied at condenser [kW] | 44.4 | 41.3 |
| Electrical Power absorbed by compressor [kW] | 10.0 | 13.5 |
| COP [–] | 4.4 | 3.1 |
| Seasons | Ethevaporator | Eelcompressor | SCOP |
|---|---|---|---|
| Winter 2016–17 | 167,306 | 59,741 | 3.8 |
| Winter 2017–18 | 178,260 | 63,625 | 3.8 |
| Winter 2018–19 | 157,069 | 55,517 | 3.8 |
| Summer 2016 | 1695 | 887 | 2.9 |
| Summer 2017 | 6794 | 3387 | 3.0 |
| Summer 2018 | 8705 | 4186 | 3.1 |
| Summer 2019 | 14,315 | 6667 | 3.1 |
| Operation Period | Energy Extracted | Energy Injected | Thermal Recharge |
|---|---|---|---|
| Winter 2016–2017 + Summer 2017 | 173.3 MWh/y | 44.6 MWh/y | 25.7% |
| Winter 2017–2018 + Summer 2018 | 181.8 MWh/y | 46.9 MWh/y | 25.8 % |
| Winter 2018–2019 + Summer 2019 | 154.3 MWh/y | 32.4 MWh/y | 21.0 % |
Publisher’s Note: MDPI stays neutral with regard to jurisdictional claims in published maps and institutional affiliations. |
© 2021 by the authors. Licensee MDPI, Basel, Switzerland. This article is an open access article distributed under the terms and conditions of the Creative Commons Attribution (CC BY) license (https://creativecommons.org/licenses/by/4.0/).
Share and Cite
Belliardi, M.; Cereghetti, N.; Caputo, P.; Ferrari, S. A Method to Analyze the Performance of Geocooling Systems with Borehole Heat Exchangers. Results in a Monitored Residential Building in Southern Alps. Energies 2021, 14, 7407. https://doi.org/10.3390/en14217407
Belliardi M, Cereghetti N, Caputo P, Ferrari S. A Method to Analyze the Performance of Geocooling Systems with Borehole Heat Exchangers. Results in a Monitored Residential Building in Southern Alps. Energies. 2021; 14(21):7407. https://doi.org/10.3390/en14217407
Chicago/Turabian StyleBelliardi, Marco, Nerio Cereghetti, Paola Caputo, and Simone Ferrari. 2021. "A Method to Analyze the Performance of Geocooling Systems with Borehole Heat Exchangers. Results in a Monitored Residential Building in Southern Alps" Energies 14, no. 21: 7407. https://doi.org/10.3390/en14217407
APA StyleBelliardi, M., Cereghetti, N., Caputo, P., & Ferrari, S. (2021). A Method to Analyze the Performance of Geocooling Systems with Borehole Heat Exchangers. Results in a Monitored Residential Building in Southern Alps. Energies, 14(21), 7407. https://doi.org/10.3390/en14217407

