Reply to Variny et al. Comment on “Hamayun et al. Evaluation of Two-Column Air Separation Processes Based on Exergy Analysis. Energies 2020, 13, 6361”
1. Introduction
- Model assumptions as formulated in Hamayun et al. [2] are incomplete. The pressure drop in heat exchangers assuming a constant value of 10 kPa, regardless of the position in the process scheme is unjustified, similarly to assuming zero pressure losses.
- Hamayun et al. [2] omitted pressure losses in adsorbers. The issue of pressure loss in adsorbers is of serious concern and can be subject to optimization. It contributes to energy consumption of the air separation unit and should thus be considered.
- Adsorbers are modeled as component splitters, which assumption is over-simplified. The effect of water steam adsorption heat should be considered as it may reach up to 3000 to 4000 kJ/kg of adsorbed steam for conventional zeolites used in compressed air drying by adsorption. The resulting temperature increase in air passing through adsorbent layer can thus exceed 10 or even 20 °C depending on the water steam content in the inlet air which, in turn, impacts the equipment downstream.
- The energy consumption evaluation is incomplete as it does not incorporate energy needed for adsorber regeneration. As mentioned above, significant amount of heat is released by steam adsorption on adsorbent and thus its regeneration is energy intense and contributes to the overall energy consumption of the air separation plant. Heat recuperation is often proposed to cut down the adsorbent regeneration cost which, however, adds another complexity to the plant.
- Moist air cooling in multi-stream heat exchanger directly to –100 °C and below after its intake from ambient environment as depicted in process scheme C7 is technically infeasible. It would lead to ice formation and air path blockage, possibly followed by heat exchanger damage.
- The importance of using a proper thermodynamic package should be addressed. Peng–Robinson equation is recommended for applications comprising nonpolar gases and vapors, which holds true for nitrogen and oxygen, or dry air but certainly not for water steam.
2. Our Replies
2.1. Pressure Drop in Heat Exchangers
2.2. Pressure Drop and Energy Consumption in Adsorbers
2.3. Formation of Ice and Air Path Blockage
2.4. Use of HYSYS-PR Property Package
3. Conclusions
Author Contributions
Funding
Institutional Review Board Statement
Informed Consent Statement
Data Availability Statement
Conflicts of Interest
References
- Variny, M.; Jediná, D.; Furda, P. Comment on Hamayun et al. Evaluation of Two-Column Air Separation Processes Based on Exergy Analysis. Energies 2020, 13, 6361. Energies 2021, 14, 6443. [Google Scholar] [CrossRef]
- Hamayun, M.H.; Ramzan, N.; Hussain, M.; Faheem, M. Evaluation of Two-Column Air Separation Processes Based on Exergy Analysis. Energies 2020, 13, 6361. [Google Scholar] [CrossRef]
- Ebrahimi, A.; Meratizaman, M.; Akbarpour Reyhani, H.; Pourali, O.; Amidpour, M. Energetic, exergetic and economic assessment of oxygen production from two columns cryogenic air separation unit. Energy 2015, 90, 1298–1316. [Google Scholar] [CrossRef]
- Zhou, H.; Cai, Y.; Xiao, Y.; Mkhalel, Z.A.; You, B.; Shi, J.; Li, J.; Chen, B.H. Process configurations and simulations for a novel single-column cryogenic air separation process. Ind. Eng. Chem. Res. 2012, 51, 15431–15439. [Google Scholar] [CrossRef]
- Ebrahimi, A.; Ziabasharhagh, M. Optimal design and integration of a cryogenic Air Separation Unit (ASU) with Liquefied Natural Gas (LNG) as heat sink, thermodynamic and economic analyses. Energy 2017, 126, 868–885. [Google Scholar] [CrossRef]
- Mehrpooya, M.; Zonouz, M.J. Analysis of an integrated cryogenic air separation unit, oxy-combustion carbon dioxide power cycle and liquefied natural gas regasification process by exergoeconomic method. Energy Convers. Manag. 2017, 139, 245–259. [Google Scholar] [CrossRef]
- Mehrpooya, M.; Ansarinasab, H.; Sharifzadeh, M.M.M.; Rosen, M.A. Conventional and advanced exergoeconomic assessments of a new air separation unit integrated with a carbon dioxide electrical power cycle and a liquefied natural gas regasification unit. Energy Convers. Manag. 2018, 163, 151–168. [Google Scholar] [CrossRef]
- Khalel, Z.A.M.; Rabah, A.A.; Barakat, T.A.M. A New Cryogenic Air Separation Process with Flash Separator. ISRN Thermodyn. 2013, 2013, 253437. [Google Scholar] [CrossRef] [Green Version]
- Xu, W.; Duan, J.; Mao, W. Process study and exergy analysis of a novel air separation process cooled by LNG cold energy. J. Therm. Sci. 2014, 23, 77–84. [Google Scholar] [CrossRef]
- Mehrpooya, M.; Moftakhari Sharifzadeh, M.M.; Rosen, M.A. Optimum design and exergy analysis of a novel cryogenic air separation process with LNG (liquefied natural gas) cold energy utilization. Energy 2015, 90, 2047–2069. [Google Scholar] [CrossRef]

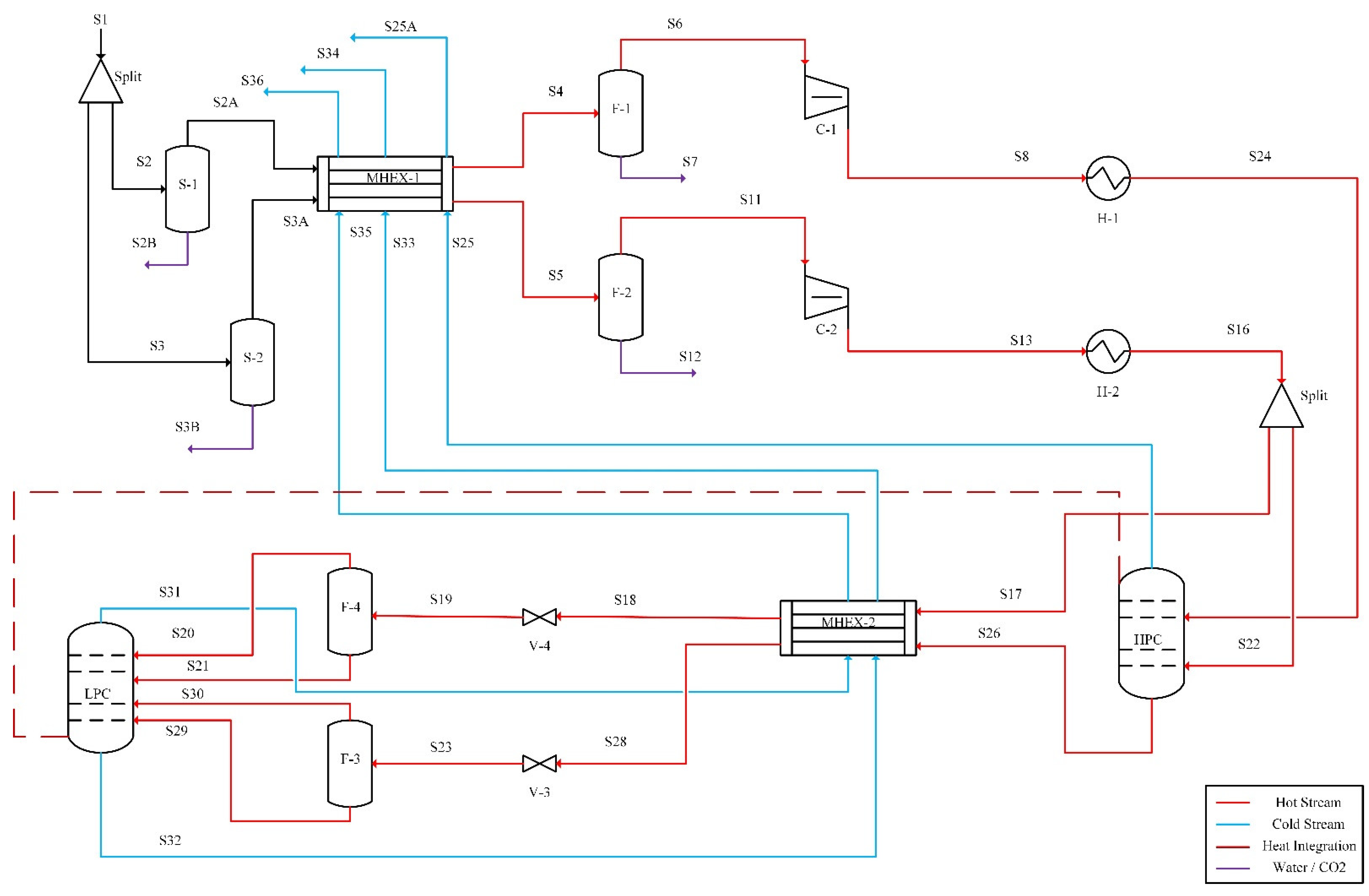
| Stream | Temp | Pressure | Flow | Composition | ||||
|---|---|---|---|---|---|---|---|---|
| °C | Bar | Tons/h | N2 | O2 | Ar | H2O | CO2 | |
| S1 | 25.0 | 1.0 | 500.0 | 0.77 | 0.21 | 0.01 | 0.02 | 0.00 |
| S2 | 25.0 | 1.0 | 350.0 | 0.77 | 0.21 | 0.01 | 0.02 | 0.00 |
| S2A | 25.0 | 1.0 | 346.4 | 0.78 | 0.21 | 0.01 | 0.00 | 0.00 |
| S2B | 25.0 | 1.0 | 3.6 | 0.00 | 0.00 | 0.00 | 0.98 | 0.02 |
| S3 | 25.0 | 1.0 | 150.0 | 0.77 | 0.21 | 0.01 | 0.02 | 0.00 |
| S3A | 25.0 | 1.0 | 148.5 | 0.78 | 0.21 | 0.01 | 0.00 | 0.00 |
| S3B | 25.0 | 1.0 | 1.5 | 0.00 | 0.00 | 0.00 | 0.98 | 0.02 |
| S4 | −160.0 | 1.0 | 346.4 | 0.78 | 0.21 | 0.01 | 0.00 | 0.00 |
| S5 | −99.6 | 1.0 | 148.5 | 0.78 | 0.21 | 0.01 | 0.00 | 0.00 |
| S6 | −160.0 | 1.0 | 346.4 | 0.78 | 0.21 | 0.01 | 0.00 | 0.00 |
| S7 | 0.0 | 1.0 | 0.0 | 0.00 | 0.00 | 0.00 | 0.00 | 0.00 |
| S8 | −58.2 | 5.8 | 346.4 | 0.78 | 0.21 | 0.01 | 0.00 | 0.00 |
| S11 | −99.6 | 1.0 | 148.5 | 0.78 | 0.21 | 0.01 | 0.00 | 0.00 |
| S12 | 0.0 | 1.0 | 0.0 | 0.00 | 0.00 | 0.00 | 0.00 | 0.00 |
| S13 | 56.4 | 5.8 | 148.5 | 0.78 | 0.21 | 0.01 | 0.00 | 0.00 |
| S16 | −167.3 | 5.8 | 148.5 | 0.78 | 0.21 | 0.01 | 0.00 | 0.00 |
| S17 | −167.3 | 5.8 | 108.4 | 0.78 | 0.21 | 0.01 | 0.00 | 0.00 |
| S18 | −173.4 | 5.8 | 108.4 | 0.78 | 0.21 | 0.01 | 0.00 | 0.00 |
| S19 | −188.4 | 1.5 | 108.4 | 0.78 | 0.21 | 0.01 | 0.00 | 0.00 |
| S20 | −188.4 | 1.5 | 97.2 | 0.81 | 0.18 | 0.01 | 0.00 | 0.00 |
| S21 | −188.4 | 1.5 | 11.2 | 0.55 | 0.44 | 0.01 | 0.00 | 0.00 |
| S22 | −167.3 | 5.8 | 40.1 | 0.78 | 0.21 | 0.01 | 0.00 | 0.00 |
| S23 | −190.4 | 1.5 | 380.4 | 0.78 | 0.21 | 0.01 | 0.00 | 0.00 |
| S24 | −168.0 | 5.8 | 346.4 | 0.78 | 0.21 | 0.01 | 0.00 | 0.00 |
| S25 | −177.6 | 5.6 | 6.1 | 1.00 | 0.00 | 0.00 | 0.00 | 0.00 |
| S25A | −8.8 | 5.5 | 6.1 | 1.00 | 0.00 | 0.00 | 0.00 | 0.00 |
| S26 | −175.0 | 5.8 | 380.4 | 0.78 | 0.21 | 0.01 | 0.00 | 0.00 |
| S28 | −180.0 | 5.7 | 380.4 | 0.78 | 0.21 | 0.01 | 0.00 | 0.00 |
| S29 | −190.4 | 1.5 | 340.4 | 0.76 | 0.23 | 0.01 | 0.00 | 0.00 |
| S30 | −190.4 | 1.5 | 40.0 | 0.92 | 0.08 | 0.00 | 0.00 | 0.00 |
| S31 | −192.2 | 1.2 | 413.1 | 0.90 | 0.09 | 0.01 | 0.00 | 0.00 |
| S32 | −179.6 | 1.5 | 75.8 | 0.00 | 0.99 | 0.01 | 0.00 | 0.00 |
| S33 | −178.0 | 1.4 | 75.8 | 0.00 | 0.99 | 0.01 | 0.00 | 0.00 |
| S34 | −8.8 | 1.3 | 75.8 | 0.00 | 0.99 | 0.01 | 0.00 | 0.00 |
| S35 | −174.5 | 1.1 | 413.1 | 0.90 | 0.09 | 0.01 | 0.00 | 0.00 |
| S36 | −8.8 | 1.0 | 413.1 | 0.90 | 0.09 | 0.01 | 0.00 | 0.00 |
| PURGE | −191.7 | 1.5 | 0.00 | 0.90 | 0.09 | 0.01 | 0.00 | 0.00 |
Publisher’s Note: MDPI stays neutral with regard to jurisdictional claims in published maps and institutional affiliations. |
© 2021 by the authors. Licensee MDPI, Basel, Switzerland. This article is an open access article distributed under the terms and conditions of the Creative Commons Attribution (CC BY) license (https://creativecommons.org/licenses/by/4.0/).
Share and Cite
Hamayun, M.H.; Ramzan, N.; Hussain, M.; Faheem, M. Reply to Variny et al. Comment on “Hamayun et al. Evaluation of Two-Column Air Separation Processes Based on Exergy Analysis. Energies 2020, 13, 6361”. Energies 2021, 14, 6445. https://doi.org/10.3390/en14206445
Hamayun MH, Ramzan N, Hussain M, Faheem M. Reply to Variny et al. Comment on “Hamayun et al. Evaluation of Two-Column Air Separation Processes Based on Exergy Analysis. Energies 2020, 13, 6361”. Energies. 2021; 14(20):6445. https://doi.org/10.3390/en14206445
Chicago/Turabian StyleHamayun, Muhammad Haris, Naveed Ramzan, Murid Hussain, and Muhammad Faheem. 2021. "Reply to Variny et al. Comment on “Hamayun et al. Evaluation of Two-Column Air Separation Processes Based on Exergy Analysis. Energies 2020, 13, 6361”" Energies 14, no. 20: 6445. https://doi.org/10.3390/en14206445
APA StyleHamayun, M. H., Ramzan, N., Hussain, M., & Faheem, M. (2021). Reply to Variny et al. Comment on “Hamayun et al. Evaluation of Two-Column Air Separation Processes Based on Exergy Analysis. Energies 2020, 13, 6361”. Energies, 14(20), 6445. https://doi.org/10.3390/en14206445

