Lifetime Assessment of PILC Cables with Regard to Thermal Aging Based on a Medium Voltage Distribution Network Benchmark and Representative Load Scenarios in the Course of the Expansion of Distributed Energy Resources
Abstract
1. Introduction
2. Thermal Stress
2.1. Heat Sources
2.2. Permissible Amapcity
2.3. Thermal Analysis
- ▪ <15 min for overhead lines,
- ▪ <120 min for cables and
- ▪ <150 min for transformers.
3. Lifetime Assessment of PILC Cables with Regard to Thermal Aging—Methodology
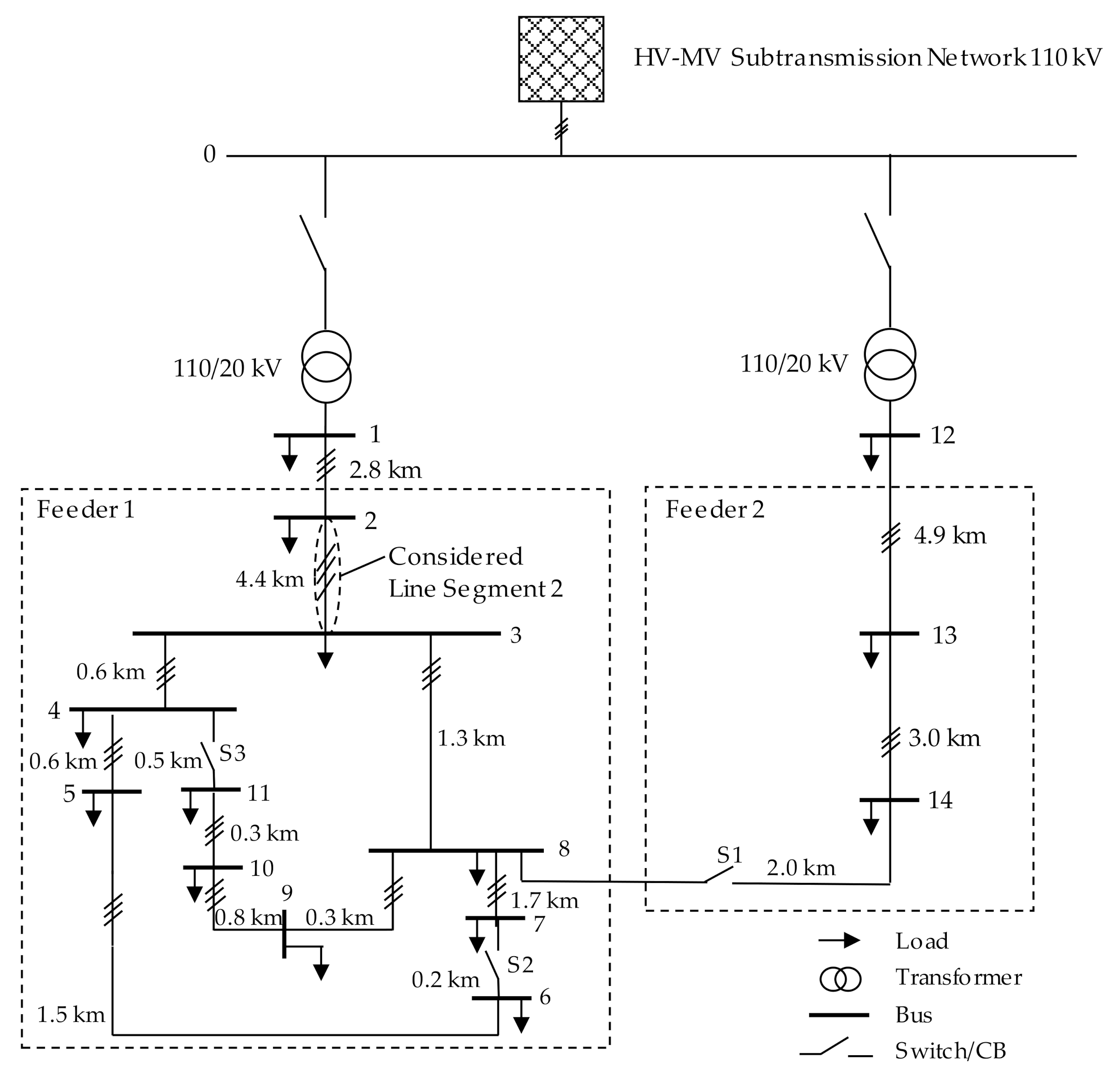
4. MV Distribution Network Benchmark
5. Representative Load Scenarios
6. Results
7. Discussion and Outlook
Author Contributions
Funding
Informed Consent Statement
Data Availability Statement
Acknowledgments
Conflicts of Interest
References
- Chmura, L.A. Life-Cycle Assessment of High-Voltage Assets Using Statistical Tools. Ph.D. Thesis, Delft University of Technology, Delft, The Netherlands, 2014. [Google Scholar]
- FGH. Forschungsgemeinschaft für Elektrische Anlagen und Stromwirtschaft e.V. Zustandsdiagnose von Papiermasse-Kabelanlagen im Verteilungsnetzen. In Technischer Bericht 300; FGH: Mannheim, Germany, 2006. [Google Scholar]
- Conseil International des Grands Réseaux Électriques. Remaining Life Management of existing AC Underground Lines. Technical Brochures; CIGRÉ: Paris, Franch, 2008. [Google Scholar]
- Künstl, B. Stromtragfähigkeitsgrenzen von Elektrischen Leitungssystemen. Diplomarbeit; Technische Universität Graz; Institut für Hochspannungstechnik und Systemmanagement: Graz, Austria, 2011. [Google Scholar]
- Adam, R.; Großmann, S.; Haller, R. Beitrag zur Thermischen Dimensionierung von Niederspannungs-Schaltgerätekombinationen. Ph.D. Thesis, Technische Universität Dresden, Dresden, Germany, 2019. [Google Scholar]
- Oeding, D.; Oswald, B.R. Elektrische Kraftwerke und Netze, 8. Auflage; Springer Vieweg: Berlin, Germany, 2016; ISBN 9783662527030. [Google Scholar]
- Brüggmann, J. Wechselspannungstechnologiebasierte Bipolare Mehrphasensysteme. Ph.D. Thesis, Universität Duisburg-Essen, Essen, Germany, 2012. [Google Scholar]
- Linenbrink, T.L. The history and mystery of the Neher-McGrath formula. Consult.-Specif. Eng. 2014, 51, 46–52. [Google Scholar]
- Schermeyer, H. Netzengpassmanagement in Regenerativ Geprägten Energiesystemen. Untersuchungen zur Abregelung Erneuerbarer Energien und zur Sektorenkopplung in Einem Deutschen Verteilnetz. Ph.D. Thesis, Karlsruher Instituts für Technologie (KIT), Karlsruhe, Germany, 2018. [Google Scholar]
- Schäfer, K.F. Netzberechnung: Verfahren zur Berechnung elektrischer Energieversorgungsnetze, 1st ed.; Springer Vieweg: Wiesbaden, Germany, 2020; ISBN 365826733X. [Google Scholar]
- Sillaber, A. Leitfaden zur Verteilnetzplanung und Systemgestaltung. Entwicklung dezentraler Elektrizitätssysteme; Springer Vieweg: Wiesbaden, Germany, 2016; ISBN 9783658147136. [Google Scholar]
- Woschitz, R.; Schichler, U.; Pirker, A.; Komar, G. FEM-Simulation des Thermischen Langzeitverhaltens von Hochspannungs-Kabelanlagen bei Laständerungen; Symposium Energieinnovation: Graz, Austria, 2016. [Google Scholar]
- Czaap, S. Effect of soil moisture on current-carrying capacity of low-voltage power cables. Prz. Elektrotech. 2019, 1, 156–161. [Google Scholar] [CrossRef]
- Lindström, L. Evaluating Impact on Ampacity According to IEC-60287 Regarding Thermally Unfavourable Placement of Power Cables; KTH Electrical Engineering: Stockholm, Sweden, 2011. [Google Scholar]
- Cichowski, R.R.; Kliesch, M. Kabelhandbuch; EW Medien und Kongresse: Frankfurt, Germany, 2012; ISBN 9783802210563. [Google Scholar]
- Schlabbach, J. Elektroenergieversorgung. Betriebsmittel, Netze, Kennzahlen und Auswirkungen der Elektrischen Energieversorgung, 3rd ed.; VDE-Verl.: Berlin, Germany, 2009; ISBN 9783800731084. [Google Scholar]
- Scheffler, J. Verteilnetze auf dem Weg zum Flächenkraftwerk. Rechtlicher Rahmen, Erzeuger, Netze; Springer: Berlin/Heidelberg, Germany, 2016; ISBN 9783642552960. [Google Scholar]
- Heinhold, L. Kabel und Leitungen für Starkstrom, 4th ed.; Siemens AG: Berlin, Germany, 1989; ISBN 3800915243. [Google Scholar]
- Buhari, M. Reliability Assessment of Ageing Distribution Cable for Replacement in Smart Distribution Systems; University of Manchester: Manchester, UK, 2016. [Google Scholar]
- Tang, W.H.; Wu, Q.H. Condition Monitoring and Assessment of Power Transformers Using Computational Intelligence; Springer: London, UK, 2011; ISBN 9780857290519. [Google Scholar]
- Heizmann, T. Berechnungsmethoden für Auslegung, Betrieb und Sicherheit von Elektrischen Energieversorgungssystemen. Thermische Berechnung von Kabelanlagen; FKH-/VSE—Fachtagung: Zürich, Switzerland, 2011. [Google Scholar]
- Hruška, M.; Clauser, C.; De Doncker, R.W. The Effect of Drying around Power Cables on the Vadose Zone Temperature. Vad. Zone J. 2018, 17, 180105. [Google Scholar] [CrossRef]
- Rerak, M.; Ocłoń, P.; Taler, J.; Węglowski, B.; Sobota, T. The effect of soil and cable backfill thermal conductivity on the temperature distribution in underground cable system. E3S Web Conf. 2017, 13, 2004. [Google Scholar] [CrossRef]
- Rummich, E. Energiespeicher: Grundlagen, Komponenten, Systeme und Anwendungen, 2nd ed.; Expert Verlag: Renningen, Germany, 2015; ISBN 9783816932970. [Google Scholar]
- Schröder, D. Elektrische Antriebe—Grundlagen, 6th ed.; Springer Viewg: Berlin, Germany, 2017; ISBN 9783662554487. [Google Scholar]
- Specovius, J. Grundkurs Leistungselektronik. Bauelemente, Schaltungen und Systeme, 8, Erweiterte und Aktualisierte Auflage; Springer Vieweg: Wiesbaden, Germany, 2017; ISBN 9783658169114. [Google Scholar]
- Wieben, E. Multivariates Zeitreihenmodell des Aggregierten Elektrischen Leistungsbedarfes von Standardverbrauchern für die Probabilistische Lastflussberechnung. Ph.D. Thesis, Technische Universität Clausthal, Clausthal-Zellerfeld, Germany, 2008. [Google Scholar]
- Sami, T.; Gholami, A.; Shahrtash, S.M. Effect of electro-thermal, load cycling and thermal transients stresses on high voltage XLPE and EPR power cable life. In Proceedings of the 8th International Conference on Advances in Power System Control, Operation and Management (APSCOM 2009), Hong Kong, China, 8–11 November 2009; pp. 1–6. [Google Scholar] [CrossRef]
- Ma, K.; He, N.; Liserre, M.; Blaabjerg, F. Frequency-Domain Thermal Modeling and Characterization of Power Semiconductor Devices. IEEE Trans. Power Electron. 2016, 31, 7183–7193. [Google Scholar] [CrossRef]
- Kerber, G. Aufnahmefähigkeit von Niederspannungsverteilnetzen für die Einspeisung aus Photovoltaikkleinanlagen. Ph.D. Thesis, Technische Universität München, München, Germany, 2011. [Google Scholar]
- Recknagel, H.; Schramek, E.-R. Taschenbuch für Heizung und Klimatechnik. Einschließlich Warmwasser- und Kältetechnik, 73rd ed.; Oldenbourg: München, Germany, 2007; ISBN 9783835631045. [Google Scholar]
- Müller, A.-C.; Weindl, C.; Linossier, J.P.; Schramm, J.; Benkert, L. Requirements of a system for the artificial ageing of paper insulated lead covered medium voltage cables. In Proceedings of the 2018 International Conference on Diagnostics in Electrical Engineering (Diagnostika), Pilsen, Czech Republic, 4–7 September 2018; pp. 1–4, ISBN 978-1-5386-4423-2. [Google Scholar]
- Stötzel, M. Strategische Ressourcendimensionierung von Netzleitstellen in Verteilungsnetzen, 1st ed.; Gerettete Schriften-Verl. epubli GmbH: Wuppertal, Germany, 2014; ISBN 9783844278262. [Google Scholar]
- Balzer, G.; Schorn, C. Asset Management für Infrastrukturanlagen—Energie und Wasser, 3rd ed.; Springer: Berlin, Germany, 2020; ISBN 9783662615263. [Google Scholar]
- Willis, H.L.; Welch, G.V.; Schrieber, R.R. Aging Power Delivery Infrastructures; CRC Press: New York, NY, USA, 2001; ISBN 0824705394. [Google Scholar]
- Chmura, L.; Morshuis, P.H.F.; Mehairjan, R.P.Y.; Smit, J.J. Review of the residual life assessment of high-voltage cables by means of bottom-up and top-down analysis—Dutch experience. Gaodianya Jishu 2015, 41, 1114–1124. [Google Scholar]
- Feilat, E.A. Lifetime Assessment of Electrical Insulation. In Electric Field; Kandelousi, M.S., Ed.; IntechOpen: London, UK, 2018; ISBN 978-1-78923-186-1. [Google Scholar]
- Chmura, L.; Jin, H.; Cichecki, P.; Smit, J.; Gulski, E.; Vries, F. Use of dissipation factor for life consumption assessment and future life modeling of oil-filled high-voltage power cables. IEEE Electr. Insul. Mag. 2012, 28, 27–37. [Google Scholar] [CrossRef]
- Mazzanti, G. The combination of electro-thermal stress, load cycling and thermal transients and its effects on the life of high voltage ac cables. IEEE Trans. Dielect. Electr. Insul. 2009, 16, 1168–1179. [Google Scholar] [CrossRef]
- Mazzanti, G. Analysis of the Combined Effects of Load Cycling, Thermal Transients, and Electrothermal Stress on Life Expectancy of High-Voltage AC Cables. IEEE Trans. Power Deliv. 2007, 22, 2000–2009. [Google Scholar] [CrossRef]
- Houtepen, R.; Chmura, L.; Smit, J.J.; Quak, B.; Seitz, P.P.; Gulski, E. Estimation of dielectric loss using damped AC voltages. IEEE Electr. Insul. Mag. 2011, 27, 20–25. [Google Scholar] [CrossRef]
- Densley, J. Ageing mechanisms and diagnostics for power cables—An overview. IEEE Electr. Insul. Mag. 2001, 17, 14–22. [Google Scholar] [CrossRef]
- Buhari, M.; Levi, V.; Awadallah, S.K.E. Modelling of Ageing Distribution Cable for Replacement Planning. IEEE Trans. Power Syst. 2016, 31, 3996–4004. [Google Scholar] [CrossRef]
- Institute of Electrical and Electronics Engineers. IEEE Guide for Loading Mineral.-Oil-Immersed Transformers and Step-Voltage Regulators; C57.91-2011 (Revision of IEEE Std C57.91-1995); IEEE: New York, NY, USA, 2012; ISBN 78-0-7381-7195-1. [Google Scholar]
- Huifei, J. Application of Dielectric Loss Measurements for Life Consumption and Future Life Estimation Modeling of Oil-Impregnated Paper Insulation in HV Power Cables. Master’s Thesis, Delft University of Technology, Delft, The Netherlands, 2010. [Google Scholar]
- Hayder, T.; Radakovic, Z.; Schiel, L.; Feser, K. Einfluss der Kurzschlussdauer auf die Alterung eines Transformators; Elektrie: Berlin, Germany, 2003; Volume 57. [Google Scholar]
- Weindl, C. Verfahren zur Bestimmung des Alterungsverhaltens und zur Diagnose von Betriebsmitteln der Elektrischen Energieversorgung. Habilitation; Friedrich-Alexander Universität: Erlangen-Nürnberg, Germany, 2012. [Google Scholar]
- Conseil international des grands réseaux électriques. Benchmark Systems for Network Integration of Renewable and Distributed Energy Resources; CIGRÉ: Paris, Franch, 2014; ISBN 2858732701. [Google Scholar]
- Büchner, J.; Katzfey, J.; Flörcken, O.; Moser, A.; Schuster, H.; Dierkes, S.; van Leeuwen, T.; Verheggen, L.; Uslar, M.; van Amelsvoort, M. Moderne Verteilernetze für Deutschland (Verteilernetzstudie): Abschlussbericht. Available online: https://www.bmwi.de/Redaktion/DE/Publikationen/Studien/verteilernetzstudie.pdf?__blob=publicationFile&v=5 (accessed on 23 October 2019).
- Ecofys; Fraunhofer IWES. Smart-Market-Design in Deutschen Verteilnetzen: Entwicklung und Bewertung von Smart Markets und Ableitung einer Regulatory Roadmap. Available online: https://www.agora-energiewende.de/fileadmin2/Projekte/2016/Smart_Markets/Agora_Smart-Market-Design_WEB.pdf (accessed on 23 October 2019).
- BDEW. Bundesverband der Energie- und Wasserwirtschaft e.V. Repräsentative VDEW-Lastprofile: VDEW-Materialie M-32/99. Available online: https://www.bdew.de/media/documents/1999_Repraesentative-VDEW-Lastprofile.pdf (accessed on 10 February 2020).
- BDEW. Bundesverband der Energie- und Wasserwirtschaft e.V. Anwendung der Repräsentativen VDEW-Lastprofile Step by step: VDEW-Materialie M-05/2000. Available online: https://www.bdew.de/media/documents/2000131_Anwendung-repraesentativen_Lastprofile-Step-by-step.pdf (accessed on 10 February 2020).
- Koch, M.; Tambke, J. Erstellung Generischer EE-Strom-Einspeisezeitreihen mit Unterschiedlichem Grad an Fluktuierendem Stromangebot. Available online: https://www.oeko.de/aktuelles/2016/daten-zur-einspeisung-erneuerbarer-energien (accessed on 21 September 2020).
- Zapf, M.; Weindl, C.; Pengg, H.; German, R. Specific Grid Charges for Controllable Loads in Smart Grids: A Proposal for a Reform of the Grid Charges in Germany. In Proceedings of the NEIS 2018 Conference on Sustainable Energy Supply and Energy Storage Systems, Hamburg, Germany, 20–21 September 2018; pp. 237–242, ISBN 978-3-8007-4822-8. [Google Scholar]
- Potsdam Institute for Climate Impact Research (PIK) e. V. Bodentemperatur: Jahresmittelwerte. Available online: https://www.pik-potsdam.de/de/produkte/klima-wetter-potsdam/klimazeitreihen/bodentemperatur (accessed on 16 September 2020).
















| Rated current per conductor | Ir | 302 A |
| Direct current resistance at 65 °C per conductor | RDC | 0.18 Ω/km |
| Active resistance at 65 °C per conductor | RAC | 0.184 Ω/km |
| Joule losses per cable based on active resistance | Ploss | 50.3 kW/km |
| Maximum Allowable Temperature of 65 °C, Installation in Ground and Load Factor of 1.0 | f1 ∙ f2 = ∏f | |
|---|---|---|
| Ground Temperature | Specific Ground Resistance | |
| 20 °C (Typical for July, August, September) | 1 km/W | |
| 2.5 km/W | ||
| 15 °C (Typical for May, June, October) | 1 km/W | |
| 2.5 km/W | ||
| 10 °C (Typical for March, April, November) | 1 km/W | |
| 2.5 km/W | ||
| 5 °C (Typical for December, January, February) | 1 km/W | |
| 2.5 km/W | ||
| Electrical Field | Thermal Field | ||||
|---|---|---|---|---|---|
| Parameter | Formula Symbol | Unit | Parameter | Formula Symbol | Unit |
| Potential difference | U | (V) | Temperature difference | Δ | (K) |
| Electric current | I | (A) | Heat flow | Pth | (W) |
| Electrical resistance | R | (Ω) | Thermal resistance | Rth | (K/W) |
| Electrical capacity | C | (As/V) | Thermal capacity | Cth | (Ws/K) |
| Electrical energy | W | (Ws) | Heat | Qth | (Ws) |
| Type | at 20 °C (Ohm/km) | X (Ohm/km) | C (nF/km) | Un (kV) | R0/R1 (p.u.) | X0/X1 (p.u.) | C0 (nF/km) |
|---|---|---|---|---|---|---|---|
| NEKEBA 3 × 120 mm2 | 0.157 | 0.123 | 338.0 | 20.0 | 9.48 | 3.29 | 338.0 |
| Node | Apparent Power, S (kVA) | Power Factor | ||
|---|---|---|---|---|
| Residential | Commercial/Industrial | Residential | Commercial/Industrial | |
| 1 | 15,300 | 5100 | 0.98 | 0.95 |
| 2 | --- | --- | --- | --- |
| 3 | 285 | 265 | 0.97 | 0.85 |
| 4 | 445 | --- | 0.97 | --- |
| 5 | 750 | --- | 0.97 | --- |
| 6 | 565 | --- | 0.97 | --- |
| 7 | --- | 90 | --- | 0.85 |
| 8 | 605 | --- | 0.97 | --- |
| 9 | --- | 675 | --- | 0.85 |
| 10 | 490 | 80 | 0.97 | 0.85 |
| 11 | 340 | --- | 0.97 | --- |
| 12 | 15,300 | 5280 | 0.98 | 0.95 |
| 13 | --- | 40 | --- | 0.85 |
| 14 | 215 | 390 | 0.97 | 0.85 |
| Line Segment | Node from | Node to | Length (km) |
|---|---|---|---|
| 1 | 1 | 2 | 2.82 |
| 2 | 2 | 3 | 4.42 |
| 3 | 3 | 4 | 0.61 |
| 4 | 4 | 5 | 0.56 |
| 5 | 5 | 6 | 1.54 |
| 6 | 6 | 7 | 0.24 |
| 7 | 7 | 8 | 1.67 |
| 8 | 8 | 9 | 0.32 |
| 9 | 9 | 10 | 0.77 |
| 10 | 10 | 11 | 0.33 |
| 11 | 11 | 4 | 0.49 |
| 12 | 3 | 8 | 1.3 |
| 13 | 12 | 13 | 4.89 |
| 14 | 13 | 14 | 2.99 |
| 15 | 14 | 8 | 2 |
| Node | Name/Type | Installed Apparent Power, S (kVA) | |
|---|---|---|---|
| Wind Power-Dominated | PV-Dominated | ||
| Node 1 | PV1 | 2.11 | 2.83 |
| Node 11 | PV11 | 2.11 | 2.83 |
| Node 4 | PV4 | 2.11 | 2.83 |
| Node 5 | PV5 | 2.11 | 2.83 |
| Node 10 | PV10 | 2.11 | 2.83 |
| Node 9 | PV9 | 2.11 | 2.83 |
| Node 8 | PV8 | 2.11 | 2.83 |
| Node 5 | W5 | 6.5 | 2.115 |
| Node 3 | W3 | 6.5 | 2.115 |
| Node 8 | W8 | 6.5 | 2.115 |
| Node 10 | W10 | 1.5 | 2.115 |
| Total | Wind power plants (W) | 21.0 | 8.5 |
| Photovoltaic plants (PV) | 14.8 | 19.8 | |
| Grid Area Classes | Characteristics | Model Network Classes from [49] |
|---|---|---|
| Wind power-dominated | High feed-ins by photovoltaic and wind power plants; Low load per withdrawal point; Typical for Schleswig-Holstein | 4 (LV) + 6 (MV) |
| Weak Load | Moderate feed-ins by photovoltaic systems and high feed-ins by wind power plants; Low load per withdrawal point; Typical for Eastern Germany (Mecklenburg-Vorpommern and Brandenburg) | 3 (LV) + 6 (MV) |
| PV-dominated | High feed-ins by photovoltaic systems and low feed-ins by wind energy plants; High load per withdrawal point; Typical for Southern Germany (Baden-Württemberg and Bavaria) | Bavaria: 7 (LV) + 8 (MV) Baden-Württemberg: 10 (LV) + 7 (MV) |
| Scenarios/Grid Area Classes | Average Installed DER Capacity per Withdrawal Point According to the Scenario “EEG 2014” from [49] | Total DER Capacity | ||
|---|---|---|---|---|
| Photovoltaic (kW) | Wind Power (kW) | Photovoltaic (MW) | Wind Power (MW) | |
| Wind power-dominated | 123.2 | 178.9 | Approx. 15 | Approx. 21 |
| PV-dominated | 165 | 70.5 | Approx. 20 | Approx. 8 |
Publisher’s Note: MDPI stays neutral with regard to jurisdictional claims in published maps and institutional affiliations. |
© 2021 by the authors. Licensee MDPI, Basel, Switzerland. This article is an open access article distributed under the terms and conditions of the Creative Commons Attribution (CC BY) license (http://creativecommons.org/licenses/by/4.0/).
Share and Cite
Zapf, M.; Blenk, T.; Müller, A.-C.; Pengg, H.; Mladenovic, I.; Weindl, C. Lifetime Assessment of PILC Cables with Regard to Thermal Aging Based on a Medium Voltage Distribution Network Benchmark and Representative Load Scenarios in the Course of the Expansion of Distributed Energy Resources. Energies 2021, 14, 494. https://doi.org/10.3390/en14020494
Zapf M, Blenk T, Müller A-C, Pengg H, Mladenovic I, Weindl C. Lifetime Assessment of PILC Cables with Regard to Thermal Aging Based on a Medium Voltage Distribution Network Benchmark and Representative Load Scenarios in the Course of the Expansion of Distributed Energy Resources. Energies. 2021; 14(2):494. https://doi.org/10.3390/en14020494
Chicago/Turabian StyleZapf, Martin, Tobias Blenk, Ann-Catrin Müller, Hermann Pengg, Ivana Mladenovic, and Christian Weindl. 2021. "Lifetime Assessment of PILC Cables with Regard to Thermal Aging Based on a Medium Voltage Distribution Network Benchmark and Representative Load Scenarios in the Course of the Expansion of Distributed Energy Resources" Energies 14, no. 2: 494. https://doi.org/10.3390/en14020494
APA StyleZapf, M., Blenk, T., Müller, A.-C., Pengg, H., Mladenovic, I., & Weindl, C. (2021). Lifetime Assessment of PILC Cables with Regard to Thermal Aging Based on a Medium Voltage Distribution Network Benchmark and Representative Load Scenarios in the Course of the Expansion of Distributed Energy Resources. Energies, 14(2), 494. https://doi.org/10.3390/en14020494

