Implementation of a Photovoltaic Inverter with Modified Automatic Voltage Regulator Control Designed to Mitigate Momentary Voltage Dip
Abstract
1. Introduction
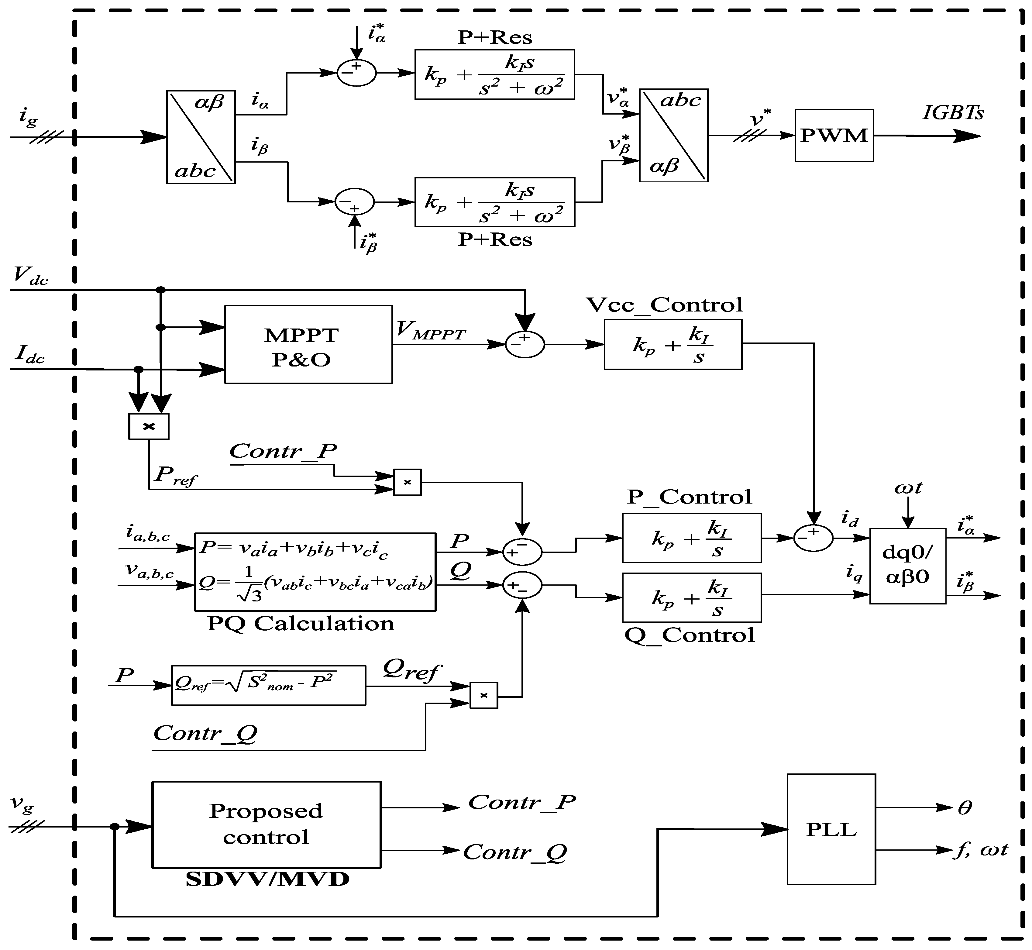
2. Proposed Model of the Three-Phase Grid-Connected Photovoltaic System
Inverter Control
3. Active and Reactive Power Control Optimization for Momentary Voltage Dip
Overview of the Proposed Control for SDVV/MVD
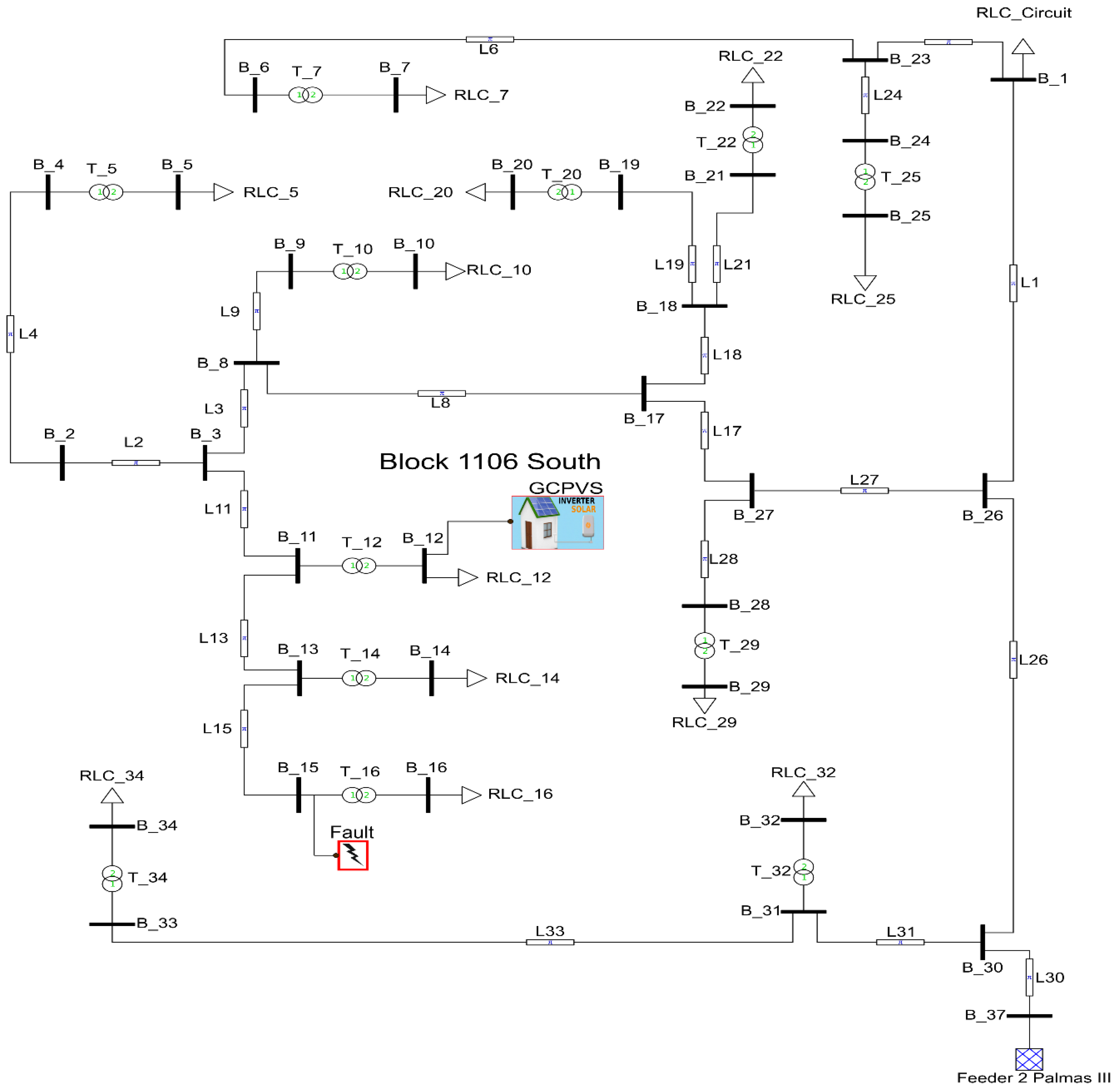
4. Distributed Power Grid
5. Results and Discussions of SDVV/MVD Control
6. Conclusions
Author Contributions
Funding
Acknowledgments
Conflicts of Interest
References
- Al-Shetwi, A.Q.; Sujod, M.Z.; Blaabjerg, F. Low Voltage Ride-through Capability Control for Single-Stage Inverter-Based Grid-Connected Photovoltaic Power Plant. Sol. Energy 2018, 159, 665–681. [Google Scholar] [CrossRef]
- ANEEL Geração Distribuída—ANEEL. Available online: https://www.aneel.gov.br/geracao-distribuida (accessed on 3 August 2020).
- INEE O Que é Geração Distribuída. Available online: http://www.inee.org.br/forum_ger_distrib.asp (accessed on 3 August 2020).
- Liu, H.; Xu, K.; Zhang, Z.; Liu, W.; Ao, J. Research on Theoretical Calculation Methods of Photovoltaic Power Short-Circuit Current and Influencing Factors of Its Fault Characteristics. Energies 2019, 12, 316. [Google Scholar] [CrossRef]
- Hasanien, H.M. An Adaptive Control Strategy for Low Voltage Ride through Capability Enhancement of Grid-Connected Photovoltaic Power Plants. IEEE Trans. Power Syst. 2016, 31, 3230–3237. [Google Scholar] [CrossRef]
- Afshari, E.; Moradi, G.R.; Yang, Y.; Farhangi, B.; Farhangi, S. A Review on Current Reference Calculation of Three-Phase Grid-Connected PV Converters under Grid Faults. In Proceedings of the 2017 IEEE Power and Energy Conference at Illinois (PECI), Champaign, IL, USA, 23–24 February 2017; pp. 1–7. [Google Scholar]
- Goqo, Z.; Davidson, I.E. A Review of Grid Tied PV Generation on LV Distribution Networks. In Proceedings of the 2018 IEEE PES/IAS PowerAfrica, Cape Town, South Africa, 28–29 June 2018; pp. 907–912. [Google Scholar]
- Sufyan, M.; Rahim, N.A.; Eid, B.; Raihan, S.R.S. A Comprehensive Review of Reactive Power Control Strategies for Three Phase Grid Connected Photovoltaic Systems with Low Voltage Ride through Capability. J. Renew. Sustain. Energy 2019, 11, 042701. [Google Scholar] [CrossRef]
- Cabrera-Tobar, A.; Bullich-Massagué, E.; Aragüés-Peñalba, M.; Gomis-Bellmunt, O. Review of Advanced Grid Requirements for the Integration of Large Scale Photovoltaic Power Plants in the Transmission System. Renew. Sustain. Energy Rev. 2016, 62, 971–987. [Google Scholar] [CrossRef]
- Wang, L.; Qiao, T.; Zhao, B.; Zeng, X.; Yuan, Q. Modeling and Parameter Optimization of Grid-Connected Photovoltaic Systems Considering the Low Voltage Ride-through Control. Energies 2020, 13, 3972. [Google Scholar] [CrossRef]
- Ammar, M.; Sharaf, A.M. Optimized Use of PV Distributed Generation in Voltage Regulation: A Probabilistic Formulation. IEEE Trans. Ind. Inform. 2019, 15, 247–256. [Google Scholar] [CrossRef]
- Mishra, M.K.; Lal, V.N. An Improved Methodology for Reactive Power Management in Grid Integrated Solar PV System with Maximum Power Point Condition. Sol. Energy 2020, 199, 230–245. [Google Scholar] [CrossRef]
- IEEE Standard Association. IEEE Standard for Interconnection and Interoperability of Distributed Energy Resources with Associated Electric Power Systems Interfaces. In IEEE Std 1547-2018 (Revision of IEEE Std 1547-2003); IEEE: Piscataway, NJ, USA, 2018; pp. 1–138. [Google Scholar] [CrossRef]
- Albuquerque, F.L.; Moraes, A.J.; Guimarães, G.C.; Sanhueza, S.M.R.; Vaz, A.R. Photovoltaic Solar System Connected to the Electric Power Grid Operating as Active Power Generator and Reactive Power Compensator. Sol. Energy 2010, 84, 1310–1317. [Google Scholar] [CrossRef]
- Safayet, A.; Fajri, P.; Husain, I. Reactive Power Management for Overvoltage Prevention at High PV Penetration in a Low-Voltage Distribution System. IEEE Trans. Ind. Appl. 2017, 53, 5786–5794. [Google Scholar] [CrossRef]
- Kraiczy, M.; Wang, H.; Schmidt, S.; Wirtz, F.; Braun, M. Reactive Power Management at the Transmission-Distribution Interface with the Support of Distributed Generators—A Grid Planning Approach. Transm. Distrib. IET Gener. 2018, 12, 5949–5955. [Google Scholar] [CrossRef]
- Ouai, A.; Mokrani, L.; Machmoum, M.; Houari, A. Control and Energy Management of a Large Scale Grid-Connected PV System for Power Quality Improvement. Sol. Energy 2018, 171, 893–906. [Google Scholar] [CrossRef]
- Al-Shetwi, A.Q.; Sujod, M.Z. Grid-Connected Photovoltaic Power Plants: A Review of the Recent Integration Requirements in Modern Grid Codes. Int. J. Energy Res. 2018, 42, 1849–1865. [Google Scholar] [CrossRef]
- Wen, H.; Fazeli, M. A Low-Voltage Ride-through Strategy Using Mixed Potential Function for Three-Phase Grid-Connected PV Systems. Electr. Power Syst. Res. 2019, 173, 271–280. [Google Scholar] [CrossRef]
- Stanelyte, D.; Radziukynas, V. Review of Voltage and Reactive Power Control Algorithms in Electrical Distribution Networks. Energies 2020, 13, 58. [Google Scholar] [CrossRef]
- Choi, S.-J.; Lim, S.-H. Fluctuation Suppression of DC-Link Voltage Using Control of Converters Connected with DC Distributed Generation. Energies 2020, 13, 5832. [Google Scholar] [CrossRef]
- Pelin, D.; Žnidarec, M.; Šljivac, D.; Brandis, A. Fast Power Emulation Approach to the Operation of Photovoltaic Power Plants Made of Different Module Technologies. Energies 2020, 13, 5957. [Google Scholar] [CrossRef]
- ANEEL Procedimentos de Distribuição de Energia Elétrica No Sistema Elétrico Nacional—PRODIST. Available online: https://www.aneel.gov.br/prodist (accessed on 11 May 2021).
- Caetano, L.; Caaixeta, G.; Lima, T.; Oliveira, J.; Ramos, R.; Piccini, A.R. Modelling of a Multipurpose Photovoltaic Generator Block Using ATP-EMTP. IEEE Lat. Am. Trans. 2019, 17, 203–209. [Google Scholar] [CrossRef]
- Reznik, A.; Simões, M.G.; Al-Durra, A.; Muyeen, S.M. LCL Filter Design and Performance Analysis for Grid-Interconnected Systems. IEEE Trans. Ind. Appl. 2014, 50, 1225–1232. [Google Scholar] [CrossRef]
- Souza, A.C. Sistemas Fotovoltaicos Trifásicos com Compensação de Reativo, Armazenamento Interno de Energia e Inércia Virtual (Three-Phase Photovoltaic Systems with Reactive Compensation, Internal Energy Storage and Virtual Inertia); Universidade Federal de Uberlândia: Uberlândia, Brazil, 2020. [Google Scholar] [CrossRef][Green Version]
- Blaabjerg, F.; Teodorescu, R.; Liserre, M.; Timbus, A.V. Overview of Control and Grid Synchronization for Distributed Power Generation Systems. IEEE Trans. Ind. Electron. 2006, 53, 1398–1409. [Google Scholar] [CrossRef]
- Teodorescu, R.; Liserre, M.; Rodriguez, P. Grid Converters for Photovoltaic and Wind Power Systems, 1st ed.; Wiley: Piscataway, NJ, USA; Hoboken, NJ, USA; Chichester, UK; West Sussex, UK, 2011; ISBN 978-0-470-05751-3. [Google Scholar]
- ANEEL PRODIST—Módulo 8—Qualidade Da Energia Elétrica—ANEEL. Available online: https://www.aneel.gov.br/modulo-8 (accessed on 10 August 2020).
- IEEE Standard Association. IEEE Recommended Practice for Excitation System Models for Power System Stability Studies. IEEE 421.5-2016; IEEE Standard Association: Piscataway, NJ, USA, 2016; pp. 1–207. [Google Scholar] [CrossRef]
- Piccini, A.R. Análise da Viabilidade da Conexão de Geração Solar Fotovoltaica na Rede de Distribuição de Palmas-TO via MATLAB/PSAT; Universidade Federal de Uberlândia: Uberlândia, Brazil, 2014. [Google Scholar] [CrossRef]
- Piccini, A.R.; Tamashiro, M.A.; Guimarães, G.C.; Rodrigues, A.R.; Barbosa, C.S. Steady State Analysis of a Medium/Low Voltage Distribution Grid Behavior with PV System Penetration. REPQJ 2014, 532–537. [Google Scholar] [CrossRef]
- Rivera Sanhueza, S.M.; Leal Freitas, S.C. Overvoltage Forecast in a Urban Distribution Power Grid Considering PV Systems Conection. IEEE Lat. Am. Trans. 2018, 16, 2221–2227. [Google Scholar] [CrossRef]
- ANEEL PRODIST—Módulo 3—Acesso Ao Sistema de Distribuição. Available online: https://www.aneel.gov.br/modulo-3 (accessed on 10 August 2020).
- IEC International Standard IEC 60076-1, Power Transformers—Part 1: General Edition 2.1 2000-04. “Annex D: Three-Phase Transformer Connections”. 2000. Available online: https://www.mathworks.com/help/physmod/sps/ug/three-phase-three-limb-core-type-two-winding-transformer.html (accessed on 10 August 2020).
- Bagchi, S.; Chatterjee, D.; Bhaduri, R.; Biswas, P.K. An Improved Low-Voltage Ride-through (LVRT) Strategy for PV-Based Grid Connected Inverter Using Instantaneous Power Theory. IET Gener. Transm. Distrib. 2021, 15, 883–893. [Google Scholar] [CrossRef]

















| Designation | Duration of Variation | Voltage Amplitude (RMS Value) Range with Respect to the Nominal Voltage (Vnom) |
|---|---|---|
| Momentary Voltage Dip (MVD) | Greater than or equal to one cycle and less than or equal to three seconds | 0.1 Vnom ≤ V < 0.9 Vnom |
| Name | Primary Bus | Second. Bus | Power (kVA) | High/Low Voltage (kV) | R1 (Ω) | L1 (mH) | R2 (Ω) | L2 (µH) |
|---|---|---|---|---|---|---|---|---|
| T_5 | B_4 | B_5 | 75.0 | 13.8/0.38 | 40.6272 | 209.70 | 0.0308 | 158.98 |
| T_7 | B_6 | B_7 | 30.0 | 13.8/0.38 | 120.6120 | 495.00 | 0.0915 | 375.29 |
| T_10 | B_9 | B_10 | 112.5 | 13.8/0.38 | 24.8277 | 142.70 | 0.0188 | 108.20 |
| T_12 | B_11 | B_12 | 112.5 | 13.8/0.38 | 24.8277 | 142.70 | 0.0188 | 108.20 |
| T_14 | B_13 | B_14 | 112.5 | 13.8/0.38 | 24.8277 | 142.70 | 0.0188 | 108.20 |
| T_16 | B_15 | B_16 | 112.5 | 13.8/0.38 | 24.8277 | 142.70 | 0.0188 | 108.20 |
| T_20 | B_19 | B_20 | 112.5 | 13.8/0.38 | 24.8277 | 142.70 | 0.0188 | 108.20 |
| T_22 | B_21 | B_22 | 112.5 | 13.8/0.38 | 24.8277 | 142.70 | 0.0188 | 108.20 |
| T_25 | B_24 | B_25 | 30.0 | 13.8/0.38 | 120.6120 | 495.00 | 0.0915 | 375.29 |
| T_29 | B_28 | B_29 | 150.0 | 13.8/0.38 | 17.3512 | 108.50 | 0.0132 | 82.28 |
| T_32 | B_31 | B_32 | 75.0 | 13.8/0.38 | 40.6272 | 209.70 | 0.0308 | 158.98 |
| T_34 | B_33 | B_34 | 75.0 | 13.8/0.38 | 40.6272 | 209.70 | 0.0308 | 158.98 |
| Bus | Voltage (kV) | Number of Consumers Connected to the Transformer | Name of Each Load Set | Active Power Consumed by the Sum of the Loads (W) | Reactive Power Consumed by the Sum of the Loads (VAr) |
|---|---|---|---|---|---|
| B_5 | 0.38 | 13 | RLC_5 | 18,554.94 | 11,009.85 |
| B_7 | 0.38 | 0 | RLC_7 | 0.00 | 0.00 |
| B_10 | 0.38 | 280 | RLC_10 | 73,007.99 | 41,400.00 |
| B_12 | 0.38 | 1 | RLC_12 | 48,155.91 | 28,574.04 |
| B_14 | 0.38 | 251 | RLC_14 | 18,620.04 | 11,048.48 |
| B_16 | 0.38 | 122 | RLC_16 | 23,198.17 | 13,764.98 |
| B_20 | 0.38 | 171 | RLC_20 | 23,285.40 | 13,196.44 |
| B_22 | 0.38 | 309 | RLC_22 | 29,132.00 | 16,509.87 |
| B_25 | 0.38 | 0 | RLC_25 | 0.00 | 0.00 |
| B_29 | 0.38 | 265 | RLC_29 | 28,732.00 | 17,048.57 |
| B_32 | 0.38 | 4 | RLC_32 | 21,285.40 | 12,062.99 |
| B_34 | 0.38 | 11 | RLC_34 | 31,932.00 | 18,096.70 |
| Total | 1427 | ||||
| AWG/MCM Cable Model | Output Bus | Input Bus | Name of Line | Length (km) | Resistance (Ω/km) | Inductance (H/km) |
|---|---|---|---|---|---|---|
| 2 | B_2 | B_3 | L2 | 0.201 | 0.201 | 0.201 |
| 2/0 | B_2 | B_4 | L4 | 0.193603 | 0.193603 | 0.193603 |
| 2/0 | B_6 | B_23 | L6 | 0.000182 | 0.000182 | 0.000182 |
| 2 | B_23 | B_24 | L24 | 0.237 | 0.237 | 0.237 |
| 2 | B_3 | B_8 | L3 | 0.113547 | 0.113547 | 0.113547 |
| 2 | B_8 | B_9 | L9 | 0.000198 | 0.000198 | 0.000198 |
| 2 | B_17 | B_8 | L8 | 0.319 | 0.319 | 0.319 |
| 2 | B_3 | B_11 | L11 | 0.152833 | 0.152833 | 0.152833 |
| 2 | B_11 | B_13 | L13 | 0.000267 | 0.000267 | 0.000267 |
| 2 | B_13 | B_15 | L15 | 0.075 | 0.075 | 0.075 |
| 2/0 | B_30 | B_31 | L31 | 0.072240 | 0.072240 | 0.072240 |
| 2/0 | B_31 | B_33 | L33 | 0.000068 | 0.000068 | 0.000068 |
| 2/0 | B_37 | B_30 | L30 | 0.046 | 0.046 | 0.046 |
| 2/0 | B_30 | B_26 | L26 | 0.044307 | 0.044307 | 0.044307 |
| 2 | B_26 | B_27 | L27 | 0.000042 | 0.000042 | 0.000042 |
| 2 | B_27 | B_28 | L28 | 0.063 | 0.063 | 0.063 |
| 2 | B_27 | B_17 | L17 | 0.060682 | 0.060682 | 0.060682 |
| 2 | B_17 | B_18 | L18 | 0.000057 | 0.000057 | 0.000057 |
| 2 | B_18 | B_19 | L19 | 0.237 | 0.237 | 0.237 |
| 2 | B_18 | B_21 | L21 | 0.228278 | 0.228278 | 0.228278 |
| 2/0 | B_26 | B_1 | L1 | 0.000215 | 0.000215 | 0.000215 |
| 2/0 | B_23 | B_1 | L23 | 0.078 | 0.078 | 0.078 |
| Without GCPS on B_12 | With GCPS on B_12 | GCPS Output | ||||
|---|---|---|---|---|---|---|
| 1.39 s | 2.5 s | 1.39 s | 2.5 s | 1.39 s | 2.5 s | |
| Ia | 61.65 A | 88.16 A | 95.41 A | 59.96 A | 140.9 A | 115.6 A |
| Ib | 74.63 A | 110.50 A | 135.3 A | |||
| Ic | 88.16 A | 82.91 A | 135.3 A | |||
| Momentary Voltage Dip for Different Short-Circuits | Proposed Control Action | Va (V) | Vb (V) | Vc (V) |
|---|---|---|---|---|
| Start condition | Without | 211.6 | 211.6 | 211.6 |
| With | 214.6 | 214.6 | 214.6 | |
| Phase-to-ground | Without | 147.2 | 178.6 | 211.6 |
| With | 156.0 | 186.6 | 219.7 | |
| Phase-to-phase | Without | 189.1 | 57.8 | 181.9 |
| With | 199.4 | 68.7 | 189.6 | |
| Phase-to-phase-to-ground | Without | 171.5 | 46.2 | 169.1 |
| With | 183.0 | 58.5 | 177.3 | |
| Three-phase | Without | 46.2 | 46.2 | 46.2 |
| With | 66.9 | 66.9 | 66.9 | |
| Three-phase | Without | 46.2 | 46.2 | 46.2 |
| Reactive power injection only | 66.2 | 66.2 | 66.2 |
Publisher’s Note: MDPI stays neutral with regard to jurisdictional claims in published maps and institutional affiliations. |
© 2021 by the authors. Licensee MDPI, Basel, Switzerland. This article is an open access article distributed under the terms and conditions of the Creative Commons Attribution (CC BY) license (https://creativecommons.org/licenses/by/4.0/).
Share and Cite
Piccini, A.R.; Guimarães, G.C.; Souza, A.C.d.; Denardi, A.M. Implementation of a Photovoltaic Inverter with Modified Automatic Voltage Regulator Control Designed to Mitigate Momentary Voltage Dip. Energies 2021, 14, 6244. https://doi.org/10.3390/en14196244
Piccini AR, Guimarães GC, Souza ACd, Denardi AM. Implementation of a Photovoltaic Inverter with Modified Automatic Voltage Regulator Control Designed to Mitigate Momentary Voltage Dip. Energies. 2021; 14(19):6244. https://doi.org/10.3390/en14196244
Chicago/Turabian StylePiccini, Anderson Rodrigo, Geraldo Caixeta Guimarães, Arthur Costa de Souza, and Ana Maria Denardi. 2021. "Implementation of a Photovoltaic Inverter with Modified Automatic Voltage Regulator Control Designed to Mitigate Momentary Voltage Dip" Energies 14, no. 19: 6244. https://doi.org/10.3390/en14196244
APA StylePiccini, A. R., Guimarães, G. C., Souza, A. C. d., & Denardi, A. M. (2021). Implementation of a Photovoltaic Inverter with Modified Automatic Voltage Regulator Control Designed to Mitigate Momentary Voltage Dip. Energies, 14(19), 6244. https://doi.org/10.3390/en14196244

