Analysis of Allowable Unbalanced Load Conditions for T-Type Three-Level PWM Converter
Abstract
:1. Introduction
2. Average Neutral Point Current
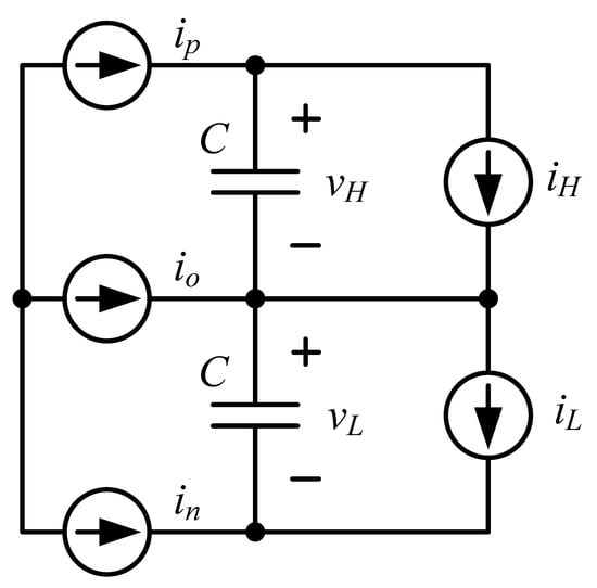
2.1. Circuit Configuration
2.2. Neutral Point Current Modeling
3. Allowable Unbalanced Load Conditions
4. Simulation and Experimental Results
5. Conclusions
Funding
Institutional Review Board Statement
Informed Consent Statement
Data Availability Statement
Conflicts of Interest
References
- Nabae, A.; Takahashi, I.; Akagi, H. A new neutral-point-clamped PWM inverter. IEEE Trans. Ind. Appl. 1981, IA-17, 518–523. [Google Scholar] [CrossRef]
- Schweizer, M.; Kolar, J.W. Design and implementation of a highly efficient three-level T-type converter for low-voltage applications. IEEE Trans. Power Electron. 2013, 28, 899–907. [Google Scholar] [CrossRef]
- Park, Y.; Sul, S.-K.; Lim, C.-H.; Kim, W.-C.; Lee, S.-H. Asymmetric control of dc-link voltages for separate MPPTs in three-level inverters. IEEE Trans. Power Electron. 2013, 28, 2760–2769. [Google Scholar] [CrossRef]
- Alemi, P.; Jeung, Y.-C.; Lee, D.-C. DC-link capacitance minimization in T-type three-level AC/DC/AC PWM converters. IEEE Trans. Power Electron. 2015, 62, 1382–1391. [Google Scholar] [CrossRef]
- Lee, J.-S.; Lee, K.-B. New modulation techniques for a leakage current reduction and a neutral-point voltage balance in transformerless photovoltaic systems using a three-level inverter. IEEE Trans. Power Electron. 2014, 29, 1720–1732. [Google Scholar] [CrossRef]
- Shao, Z.; Zhang, X.; Wang, F.; Cao, R. Modeling and elimination of zero-sequence circulating currents in parallel three-level T-type grid-connected inverters. IEEE Trans. Power Electron. 2015, 30, 1050–1063. [Google Scholar] [CrossRef]
- Anthon, A.; Zhang, Z.; Andersen MA, E.; Holmes, D.G.; McGrath, B.; Teixeira, C.A. The benefits of SiC MOSFETS in a T-type inverter for grid-tie applications. IEEE Trans. Power Electron. 2017, 32, 2808–2821. [Google Scholar] [CrossRef] [Green Version]
- Xing, X.; Chen, A.; Zhang, Z.; Chen, J.; Zhang, C. Model predictive control method to reduce common-mode voltage and balance the neutral-point voltage in three-level T-type inverter. In Proceedings of the 2016 IEEE Applied Power Electronics Conference and Exposition (APEC), Long Beach, CA, USA, 20–24 March 2016; pp. 3453–3458. [Google Scholar]
- Lee, K.-J. Analytical Modeling of Neutral Point Current in T-type Three-level PWM Converter. Energies 2020, 13, 1324. [Google Scholar] [CrossRef] [Green Version]
- Blasko, V. A hybrid PWM strategy combining modified space vector and triangle comparison methods. In Proceedings of the 27th Annual IEEE Power Electronics Specialists Conference, Baveno, Italy, 23–27 June 1996; pp. 1872–1878. [Google Scholar]
- Kakigano, H.; Miura, Y.; Ise, T. Low-Voltage Bipolar-Type DC Microgrid for Super High Quality Distribution. IEEE Trans. Power Electron. 2010, 25, 3066–3075. [Google Scholar] [CrossRef]
- Zhang, X.; Gong, C. Dual-Buck Half-Bridge Voltage Balancer. IEEE Trans. Ind. Electron. 2013, 60, 3157–3164. [Google Scholar] [CrossRef]
- Wang, F.; Lei, Z.; Xu, X.; Shu, X. Topology Deduction and Analysis of Voltage Balancers for DC Microgrid. IEEE J. Emerg. Sel. Topics Power Electron. 2017, 5, 672–680. [Google Scholar] [CrossRef]
- Zhang, X.; Gong, C.; Yao, Z. Three-Level DC Converter for Balancing DC 800-V Voltage. IEEE Trans. Power Electron. 2015, 30, 3499–3507. [Google Scholar] [CrossRef]











| Output power (Po) | 3.2 kW |
| Output DC-link voltage (vH, vL) | 200 V |
| Grid line-to-line voltage (Vg,ll) | 220 Vrms |
| Filter inductance (L) | 3 mH |
| Equivalent series resistance (R) | 0.1 Ω |
| Output DC-link capacitance (C) | 1680 uF |
| Switching frequency (fs) | 10 kHz |
Publisher’s Note: MDPI stays neutral with regard to jurisdictional claims in published maps and institutional affiliations. |
© 2021 by the author. Licensee MDPI, Basel, Switzerland. This article is an open access article distributed under the terms and conditions of the Creative Commons Attribution (CC BY) license (https://creativecommons.org/licenses/by/4.0/).
Share and Cite
Lee, K.-J. Analysis of Allowable Unbalanced Load Conditions for T-Type Three-Level PWM Converter. Energies 2021, 14, 5969. https://doi.org/10.3390/en14185969
Lee K-J. Analysis of Allowable Unbalanced Load Conditions for T-Type Three-Level PWM Converter. Energies. 2021; 14(18):5969. https://doi.org/10.3390/en14185969
Chicago/Turabian StyleLee, Kui-Jun. 2021. "Analysis of Allowable Unbalanced Load Conditions for T-Type Three-Level PWM Converter" Energies 14, no. 18: 5969. https://doi.org/10.3390/en14185969
APA StyleLee, K.-J. (2021). Analysis of Allowable Unbalanced Load Conditions for T-Type Three-Level PWM Converter. Energies, 14(18), 5969. https://doi.org/10.3390/en14185969

