On the Practical Evaluation of the Switching Loss in the Secondary Side Rectifiers of LLC Converters
Abstract
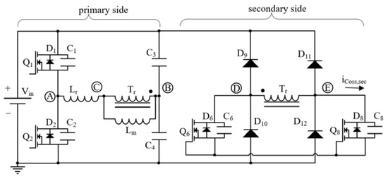
:1. Introduction
2. Analysis of the Commutation of the Rectifiers
2.1. Charge and Discharge of Coss
- Mode 1[t0] (Figure 4a)
- 2.
- Mode 2[t1] (Figure 4b)
- 3.
- Mode 3[t2] (Figure 4c)
- 4.
- Mode 4[t3] (Figure 4d)
- 5.
- Mode 5[t4] (Figure 4e)
- 6.
- Mode 6[t5] (Figure 4f)
- The natural resonance of Lr and Cr does not start at zero degrees, but it is shifted by an angle which depends on the ratio of Ipk with regard to the amplitude of the series resonance current (AIout) (1). However, AIout decreases in turn because of the Ipk shift, therefore effectively reducing the rms currents through the converter. Therefore, discontinuous conduction mode (DCM) operation can be observed above the series resonant frequency (Figure 5).
- During the charge and discharge of the rectifiers’ capacitance no current is being delivered to the output (so-called dead time), effectively increasing the output rms current. This effect is further described in [27].
- The two effects above combine at a different level depending of the converter’s design. Therefore, extending the analysis in [27], which does not include the first effect above, within a certain range of sizes of the rectifier’s capacitance the rms currents through the converter can decrease and the overall efficiency can actually improve.
2.2. Measurement of Qoss, Qrr, and Switching Loss
3. Testing Setup for the Isolation of Coss Loss
3.1. Back-To-Back Devices under Test
- Mode 1[t0] (Figure 10a)
- 2.
- Mode 2[t1] (Figure 10b)
- 3.
- Mode 3[t2] (Figure 10c)
- 4.
- Mode 4[t3] (Figure 10d)
- 5.
- Mode 5[t4] (Figure 10e)
3.2. Improved Back-To-Back Configuration
4. Experimental
4.1. Low Voltage Rectifiers Coss Loss
4.2. High Voltage MOSFETs Coss Loss
5. Conclusions
Author Contributions
Funding
Institutional Review Board Statement
Informed Consent Statement
Data Availability Statement
Acknowledgments
Conflicts of Interest
References
- Gautam, D.F.; Musavi, M.; Edington, W.E.; Dunford, W.G. An automotive on-board 3.3 kW battery charger for PHEV application. In Proceedings of the 2011 IEEE Vehicle Power and Propulsion Conference, Chicago, IL, USA, 5–8 September 2011; pp. 1–6. [Google Scholar]
- Tung, N.T.; Tuyen, N.D.; Huy, N.M.; Phong, N.H.; Cuong, N.C.; Phuong, L.M. Design and Implementation of 150 W AC/DC LED Driver with Unity Power Factor, Low THD, and Dimming Capability. Electronics 2020, 9, 52. [Google Scholar] [CrossRef] [Green Version]
- Yang, C.; Liang, T.; Chen, K.; Li, J.; Lee, J. Loss analysis of half-bridge LLC resonant converter. In Proceedings of the 2013 1st International Future Energy Electronics Conference (IFEEC), Tainan, Taiwan, 3–6 November 2013; pp. 155–160. [Google Scholar]
- Wang, Q.; Zhang, X.; Burgos, R.; Boroyevich, D.; White, A.; Kheraluwala, M. Design considerations for a high efficiency 3 kW LLC resonant DC/DC transformer. In Proceedings of the 2015 IEEE Energy Conversion Congress and Exposition (ECCE), Montreal, QC, Canada, 20–24 September 2015; pp. 5454–5461. [Google Scholar] [CrossRef]
- Jadli, U.; Mohd-Yasin, F.; Moghadam, H.A.; Pande, P.; Nicholls, J.R.; Dimitrijev, S. Measurement of Power Dissipation Due to Parasitic Capacitances of Power MOSFETs. IEEE Access 2020, 8, 187043–187051. [Google Scholar] [CrossRef]
- Schmidt, O.R.; Myhre, E. 380Vdc/48Vdc/ 3kw DC/DC converter with 98.2% efficiency. In Proceedings of the 2015 IEEE International Tele-com-munications Energy Conference (INTELEC), Osaka, Japan, 18–22 October 2015; pp. 1–6. [Google Scholar]
- Mu, M.; Lee, F.C. Design and Optimization of a 380V-12V High-Frequency, High-Current LLC Converter with GaN Devices and Planar Matrix Transformers. IEEE J. Emerg. Sel. Top. Power Electron. 2016, 4, 854–862. [Google Scholar] [CrossRef]
- Rogina, M.R.; Rodriguez, M.; Lamar, D.G.; Roig, J.; Vanmeerbeek, P.; Bauwens, F. Novel Selection Criteria of Primary Side Transistors for LLC Resonant Converters. In Proceedings of the 2018 IEEE 19th Workshop on Control and Modeling for Power Electronics (COMPEL), Padua, Italy, 25–28 June 2018; pp. 1–6. [Google Scholar] [CrossRef] [Green Version]
- Rothmund, D.; Bortis, D.; Kolar, J.W. Accurate Transient Calorimetric Measurement of Soft-Switching Losses of 10-kV SiC mosfets and Diodes. IEEE Trans. Power Electron. 2017, 33, 5240–5250. [Google Scholar] [CrossRef]
- Rogina, M.R.; Rodriguez, A.; Lamar, D.G.; Roig, J.; Gomez, G.; Vanmeerbeek, P. Analysis of Intrinsic Switching Losses in Super-junction MOSFETs Under Zero Voltage Switching. Energies 2020, 13, 1124. [Google Scholar] [CrossRef] [Green Version]
- Perera, N.; Kampitsis, G.; van Erp, R.; Ancay, J.; Jafari, A.; Nikoo, M.S.; Matioli, E. Analysis of Large-Signal Output Capacitance of Transistors Using Sawyer–Tower Circuit. IEEE J. Emerg. Sel. Top. Power Electron. 2020, 9, 3647–3656. [Google Scholar] [CrossRef]
- Jafari, A.; Nikoo, M.S.; Perera, N.; Yildirim, H.K.; Karakaya, F.; Soleimanzadeh, R.; Matioli, E. Comparison of Wide-Band-Gap Technologies for Soft-Switching Losses at High Frequencies. IEEE Trans. Power Electron. 2020, 35, 12595–12600. [Google Scholar] [CrossRef]
- Perera, N.; Nikoo, M.S.; Jafari, A.; Nela, L.; Matioli, E. Coss Loss Tangent of Field-Effect Transistors: Generalizing High-Frequency Soft-Switching Losses. IEEE Trans. Power Electron. 2020, 35, 12585–12589. [Google Scholar] [CrossRef]
- Zulauf, G.D.; Roig-Guitart, J.; Plummer, J.D.; Rivas-Davila, J.M. Coss Measurements for Superjunction MOSFETs: Limitations and Opportunities. IEEE Trans. Electron. Devices 2019, 66, 578–584. [Google Scholar] [CrossRef]
- Roig, J.; Gomez, G.; Bauwens, F.; Vlachakis, B.; Rogina, M.R.; Rodriguez, A.; Lamar, D.G. High-accuracy modelling of ZVS energy loss in advanced power transistors. In Proceedings of the 2018 IEEE Applied Power Electron-ics Conference and Exposition (APEC), San Antonio, TX, USA, 4–8 March 2018; pp. 263–269. [Google Scholar] [CrossRef] [Green Version]
- Tong, Z.; Roig-Guitart, J.; Neyer, T.; Plummer, J.D.; Rivas-Davila, J.M. Origins of Soft-switching Coss Losses in SiC Power MOSFETs and Diodes for Resonant Converter Applications. IEEE J. Emerg. Sel. Top. Power Electron. 2020, 9, 4082–4095. [Google Scholar] [CrossRef]
- Rutter, P. Considerations in the design of a low-voltage power MOSFET technology. IET Power Electron. 2019, 12, 3861–3869. [Google Scholar] [CrossRef]
- Rutter, P.; Peake, S.; Elford, A. Low voltage MOSFET optimized for low VDS transient voltages. In Proceedings of the 2013 25th International Symposium on Power Semiconductor Devices & IC’s (ISPSD), Kanazawa, Japan, 26–30 May 2013; pp. 83–86. [Google Scholar]
- Rutter, P.; Peake, S.T. Low voltage superjunction power MOSFET: An application optimized technology. In Proceedings of the 2011 Twenty-Sixth Annual IEEE Applied Power Electronics Conference and Exposition (APEC), Fort Worth, TX, USA, 6–11 March 2011; pp. 491–497. [Google Scholar]
- Williams, R.K.; Darwish, M.N.; Blanchard, R.A.; Siemieniec, R.; Rutter, P.; Kawaguchi, Y. The Trench Power MOSFET—Part I: History, Technology, and Prospects. IEEE Trans. Electron. Devices 2017, 64, 674–691. [Google Scholar] [CrossRef]
- Williams, R.K.; Darwish, M.N.; Blanchard, R.A.; Siemieniec, R.; Rutter, P.; Kawaguchi, Y. The Trench Power MOSFET—Part II: Application Specific VDMOS, LDMOS, Packaging, and Reliability. IEEE Trans. Electron. Devices 2017, 64, 692–712. [Google Scholar] [CrossRef]
- Roig, J.; Mouhoubi, S.; De Pestel, F.; Martens, N.; Bauwens, F.; Massie, H.; Golonka, L.; Loechelt, G. Body-diode related losses in Shield-Plate FETs for SiP 12V-input DC/DC buck converters operating at high-frequency (4MHz). In Proceedings of the 2012 24th International Symposium on Power Semiconductor Devices and ICs, Bruges, Belgium, 3–7 June 2012; pp. 291–294. [Google Scholar] [CrossRef]
- Roig, J.; Tong, C.-F.; Bauwens, F.; Gillon, R.; Massie, H.; Hoggatt, C. Internal self-damping optimization in trench power FETs for high-frequency conversion. In Proceedings of the 2014 IEEE Applied Power Electronics Conference and Exposition-APEC, Fort Worth, TX, USA, 16–20 March 2014; pp. 137–142. [Google Scholar] [CrossRef]
- Chen, J. Design optimal built-in snubber in trench field plate power MOSFET for superior EMI and efficiency performance. In Proceedings of the 2015 International Conference on Simulation of Semiconductor Processes and Devices (SISPAD), Washington, DC, USA, 9–11 September 2015; pp. 459–462. [Google Scholar] [CrossRef]
- Escudero, M.; Kutschak, M.A.; Meneses, D.; Rodriguez, N.; Morales, D.P. High Efficiency, Narrow Output Range and Extended Hold-Up Time Power Supply with Planar and Integrated Magnetics for Server Applications, PCIM Europe digital days 2021. In Proceedings of the International Exhibition and Conference for Power Electronics, Intelligent Motion, Renewable Energy and Energy Management, Nuremberg, Germany, 4–6 May 2021; pp. 1–8. [Google Scholar]
- Kim, J.-W.; Park, M.-H.; Lee, B.-H.; Lai, J.-S. Analysis and Design of LLC Converter Considering Output Voltage Regulation Under No-Load Condition. IEEE Trans. Power Electron. 2019, 35, 522–534. [Google Scholar] [CrossRef]
- Siemenic, R.; Braz, C. Impact of Synchronous Rectification MOSFET Capacitance on the Overall Efficiency of LLC converters, ISPS 2018, Prague. Available online: https://www.researchgate.net/publication/329738328_Impact_of_synchronous_rectification_MOSFET_capacitance_on_the_overall_efficiency_of_LLC_converters (accessed on 1 February 2021).
- Kim, J.; Kim, C.; Kim, J.; Moon, G. Analysis for LLC resonant converter considering parasitic components at very light load condition. In Proceedings of the 8th International Conference on Power Electronics-ECCE Asia, Jeju, Korea, 30 May–3 June 2011; pp. 1863–1868. [Google Scholar]
- Wen, H.; Gong, J.; Zhao, X.; Yeh, C.; Lai, J. Analysis of Diode Reverse Recovery Effect on ZVS Condition for GaN-Based LLC Resonant Converter. IEEE Trans. Power Electron. 2019, 34, 11952–11963. [Google Scholar] [CrossRef]
- Reid, M.D.; Round, S.; Duke, R. Modelling the temperature dependent reverse recovery behaviour of power diodes. In Proceedings of the International Power Electronics Conference, Tokyo, Japan, 3–7 April 2000; pp. 779–783. [Google Scholar]
- Jahdi, S.; Alatise, O.; Bonyadi, R.; Alexakis, P.; Fisher, C.A.; Gonzalez, J.A.O.; Ran, L.; Mawby, P. An Analysis of the Switching Performance and Robustness of Power MOSFETs Body Diodes: A Technology Evaluation. IEEE Trans. Power Electron. 2014, 30, 2383–2394. [Google Scholar] [CrossRef] [Green Version]
- Kutschak, M.; Escudero, M. 3300 W 52 V LLC with 600 V CoolMOS™ CFD7 and XMC™. Available online: https://www.infineon.com/cms/en/product/evaluation-boards/eval_3k3w_llc_hb_cfd7/ (accessed on 1 February 2020).


























| Parameter | Value | 
|---|---|
| Nominal input voltage | 410 V | 
| Input voltage range | 320–430 V | 
| Nominal output voltage | 50 V | 
| Maximum output power | 3000 W | 
| Target peak efficiency | 98.5% | 
| Switching frequency | 70–150 kHz | 
| Magnetizing inductance (Lm) | 65 µH | 
| Resonant capacitor (Cr) | 480 nF | 
| Turn ratio of the transformer | 16:4 | 
| VDS,MAX (V) @ 25 °C | RDS,ON @ 25 °C | ELOSS (µJ) | |
|---|---|---|---|
| IPP65R065C7 | 650 | 65 mΩ | 5.65 @ 400 V | 
| SCTW35N65G2VAG | 650 | 67 mΩ | 1 @ 400 V | 
| IPP60R070CFD7 | 600 | 70 mΩ | 0.78 @ 400 V | 
| IMW65R027M1H | 650 | 34 mΩ | 0.35 @ 400 V | 
| IPAN70R900P7S | 700 | 900 mΩ | 0.203 @ 400 V | 
| NTMFS08N003C | 80 | 3.1 mΩ | 0.061 @50 V | 
| ISC033N08NM6 | 80 | 3.3 mΩ | 0.057 @50 V | 
| Publisher’s Note: MDPI stays neutral with regard to jurisdictional claims in published maps and institutional affiliations. | 
© 2021 by the authors. Licensee MDPI, Basel, Switzerland. This article is an open access article distributed under the terms and conditions of the Creative Commons Attribution (CC BY) license (https://creativecommons.org/licenses/by/4.0/).
Share and Cite
Escudero, M.; Kutschak, M.-A.; Pulsinelli, F.; Rodriguez, N.; Morales, D.P. On the Practical Evaluation of the Switching Loss in the Secondary Side Rectifiers of LLC Converters. Energies 2021, 14, 5915. https://doi.org/10.3390/en14185915
Escudero M, Kutschak M-A, Pulsinelli F, Rodriguez N, Morales DP. On the Practical Evaluation of the Switching Loss in the Secondary Side Rectifiers of LLC Converters. Energies. 2021; 14(18):5915. https://doi.org/10.3390/en14185915
Chicago/Turabian StyleEscudero, Manuel, Matteo-Alessandro Kutschak, Francesco Pulsinelli, Noel Rodriguez, and Diego Pedro Morales. 2021. "On the Practical Evaluation of the Switching Loss in the Secondary Side Rectifiers of LLC Converters" Energies 14, no. 18: 5915. https://doi.org/10.3390/en14185915
APA StyleEscudero, M., Kutschak, M.-A., Pulsinelli, F., Rodriguez, N., & Morales, D. P. (2021). On the Practical Evaluation of the Switching Loss in the Secondary Side Rectifiers of LLC Converters. Energies, 14(18), 5915. https://doi.org/10.3390/en14185915
 
         
                                                



 
       