Direct-Connect Test of Solid Scramjet with Symmetrical Structure
Abstract
:1. Introduction
2. Experimental Setup and Procedure
2.1. Experiment Platform
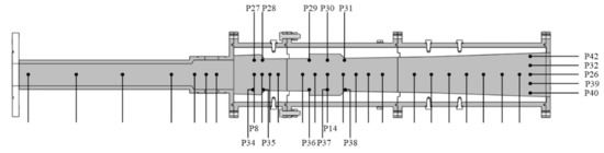
2.2. Solid Scramjet under Test
3. Results and Analysis
3.1. Working Characteristics of the Air Heater
3.2. Working Characteristics of the Gas Generator
3.3. Working Characteristics of the SSRJ
3.4. Performance of the Tested Solid Scramjet
4. Conclusions
- The solid scramjet with symmetrical structure used in the test can achieve a symmetrical distribution of the flow field in the combustor. The adopted supersonic, multi-cavity combustor enables the process that shifts the combustion state from the cavity to the center of the flow channel.
- The fuel-rich gas mass flow continued to increase during the test due to the change of the propellant combustion area in the gas generator, and the deposition of the condensed phase products in the fuel-rich gas at the throat. The equivalence ratio gradually increased from 0.54 to 0.63.
- The cavity is helpful to reduce the ignition delay time of fuel-rich gas and improve the combustion efficiency; however, it mainly acts on the gas-phase combustible components. Particle deposition shows that the cavity configuration presented here does not have a significant promotion on the improvement of the combustion efficiency of condensed phase particles.
- The maximum total combustion efficiency of the engine under test conditions was about 0.42. In this state, the combustor total pressure recovery coefficient and thrust gain specific impulse were 0.35 and 418 s, respectively. The shock trains in the isolator are beneficial to the recovery of the combustor total pressure.
Author Contributions
Funding
Institutional Review Board Statement
Informed Consent Statement
Data Availability Statement
Acknowledgments
Conflicts of Interest
References
- Betelin, V.B.; Kushnirenko, A.G.; Smirnov, N.N.; Nikitin, V.F.; Tyurenkova, V.V.; Stamov, L.I. Numerical investigations of hybrid rocket engines. Acta Astronaut. 2018, 144, 363–370. [Google Scholar] [CrossRef]
- Choubey, G.; Yuvarajan, D.; Huang, W.; Shafee, A.; Pandey, K.M. Recent research progress on transverse injection technique for scramjet applications-a brief review. Int. J. Hydrogen Energy 2020, 45, 27806–27827. [Google Scholar] [CrossRef]
- Das, N.; Pandey, K.M.; Sharma, K.K. A brief review on the recent advancement in the field of jet engine—scramjet engine. Mater. Today Proc. 2021, 45, 6857–6863. [Google Scholar]
- Kushnirenko, A.G.; Stamov, L.I.; Tyurenkova, V.V.; Smirnova, M.N.; Mikhalchenko, E.V. Three-dimensional numerical modeling of a rocket engine with solid fuel. Acta Astronaut. 2021, 181, 544–551. [Google Scholar] [CrossRef]
- Ben-Arosh, R.; Natan, B.; Spiegler, E.; Gany, A. The reacting flowfield within a supersonic combustion solid fuel ramjet. In Proceedings of the 33rd Joint Propulsion Conference and Exhibit, Seattle, WA, USA, 6–9 July 1997. [Google Scholar]
- Chi, H.; Wei, Z.; Wang, L.; Li, B.; Wu, Z. Numerical Investigation of Self-Ignition Characteristics of Solid-Fuel Scramjet Combustor. J. Propuls. Power 2015, 31, 1019–1032. [Google Scholar] [CrossRef]
- He, Y.; Chen, Y.; Liu, D.; Liu, J.; Lai, M.; Liang, X. Research on Solid Rocket/Scramjet Combined Engine. In Proceedings of the 21st AIAA International Space Planes and Hypersonics Technologies Conference, Xiamen, China, 6–9 March 2017. [Google Scholar]
- Zhang, H.; Wang, N.; Wu, Z.; Fang, G.; Wei, Z. Preliminary investigation of paraffin-based fuel combustion in solid fuel scramjet. Acta Astronaut. 2020, 173, 119–130. [Google Scholar] [CrossRef]
- Witt, M.A. Investigation into the Feasibility of Using Solid Fuel Ramjets for High Supersonic/Low Hypersonic Tactical Missiles. Marster’s Thesis, Department of Astronautical Engineering, Nava Postgraduate School, Monterey, CA, USA, 1989. [Google Scholar]
- Angus, W.J. An investigation into the Performance Characteristics of a Solid Fuel Scramjet Propulsion Deviee. Marster’s Thesis, Department of Astronautical Engineering, Nava Postgraduate School, Monterey, CA, USA, 1991. [Google Scholar]
- Ben-Yakar, A.; Gany, A. Experimental study of a solid fuel scramjet. In Proceedings of the 30th AIAA/ASME/SAE/ASEE Joint Propulsion Conference, Indianapolis, IN, USA, 27–29 June 1994. [Google Scholar]
- Lv, Z.; Xia, Z.; Liu, B.; Liu, Y. Experimental and Numerical Investigation of a Solid-Fuel Rocket Scramjet Combustor. J. Propuls. Power 2016, 32, 273–278. [Google Scholar] [CrossRef]
- Liu, Y.; Gao, Y.; Chai, Z.; Dong, Z.; Hu, C.; Yu, X. Mixing and heat release characteristics in the combustor of solid-fuel rocket scramjet based on DES. Aerosp. Sci. Technol. 2019, 94, 105391. [Google Scholar] [CrossRef]
- Jung, W.; Baek, S.; Park, J.; Kwon, S. Combustion Characteristics of Ramjet Fuel Grains with Boron and Aluminum Additives. J. Propuls. Power 2018, 34, 1070–1079. [Google Scholar] [CrossRef]
- Jung, W.; Jung, S.; Kwon, T.; Park, J.; Kwon, S. Ignition Delay in Solid-Fuel Ramjet Combustor. J. Propuls. Power 2018, 34, 1519–1528. [Google Scholar] [CrossRef]
- Levin, V.A.; Lutsenko, N.A.; Salgansky, E.A.; Yanovskiy, L.S. A Model of Solid-Fuel Gasification in the Combined Charge of a Low-Temperature Gas Generator of a Flying Vehicle. Dokl. Phys. 2018, 63, 375–379. [Google Scholar] [CrossRef]
- Liu, L.-L.; He, G.-Q.; Wang, Y.-H. Effect of Oxidizer on the Combustion Performance of Boron-Based Fuel-Rich Propellant. J. Propuls. Power 2014, 30, 285–289. [Google Scholar] [CrossRef]
- Li, C.; Zhao, X.; Xia, Z.; Ma, L.; Chen, B. Influence of the vortex generator on the performance of solid rocket scramjet combustor. Acta Astronaut. 2019, 164, 174–183. [Google Scholar] [CrossRef]
- Bao, H.; Zhou, J.; Pan, Y. Effect of cavity configuration on kerosene spark ignition in a scramjet combustor at Ma 4.5 flight condition. Acta Astronaut. 2015, 117, 368–375. [Google Scholar] [CrossRef]
- Cai, Z.; Wang, T.; Sun, M. Review of cavity ignition in supersonic flows. Acta Astronaut. 2019, 165, 268–286. [Google Scholar] [CrossRef]
- Liu, Q.; Baccarella, D.; Landsberg, W.; Veeraragavan, A.; Lee, T. Cavity flameholding in an optical axisymmetric scramjet in Mach 4.5 flows. Proc. Combust. Inst. 2019, 37, 3733–3740. [Google Scholar] [CrossRef]
- Sun, M.B.; Gong, C.; Zhang, S.P.; Liang, J.H.; Liu, W.D.; Wang, Z.G. Spark ignition process in a scramjet combustor fueled by hydrogen and equipped with multi-cavities at Mach 4 flight condition. Exp. Therm. Fluid Sci. 2012, 43, 90–96. [Google Scholar] [CrossRef]
- Li, C.; Xia, Z.; Ma, L.; Zhao, X.; Chen, B. Numerical Study on the Solid Fuel Rocket Scramjet Combustor with Cavity. Energies 2019, 12, 1235. [Google Scholar] [CrossRef] [Green Version]
- Liu, J.; Wang, N.-F.; Wang, J.; Li, Z.-Y. Optimizing combustion performance in a solid rocket scramjet engine. Aerosp. Sci. Technol. 2020, 99, 105560. [Google Scholar] [CrossRef]
- Li-kun, M.; Chao-long, L.; Zhi-xun, X.; Xiang, Z. Experimental Investigation of Solid Rocket Scramjet Combustor with Cavity Flameholder. J. Propuls. Technol. 2021, 42, 319–326. [Google Scholar]
- Liu, Y.; Gao, Y.; Shi, L.; Chai, Z.; Yu, X. Preliminary experimental study on solid rocket fuel gas scramjet. Acta Astronaut. 2018, 153, 146–153. [Google Scholar]
- Yonggang, G.; Yang, L.; Zexin, C.; Xiaocong, L.; Chunbo, H.; Xiaojing, Y. Influence of lobe geometry on mixing and heat release characteristics of solid fuel rocket scramjet combustor. Acta Astronaut. 2019, 164, 212–229. [Google Scholar] [CrossRef]
- Li, C.; Xia, Z.; Ma, L.; Zhao, X.; Chen, B. Experimental and numerical study of solid rocket scramjet combustor equipped with combined cavity and strut device. Acta Astronaut. 2019, 162, 145–154. [Google Scholar] [CrossRef]
- Yang, P.; Xia, Z.; Ma, L.; Chen, B.; Feng, Y.; Zhang, J. Experimental study on the influence of the injection structure on solid scramjet performance. Acta Astronaut. 2021, 188, 229–238. [Google Scholar] [CrossRef]
- Zhao, X.; Xia, Z.; Ma, L.; Li, C.; Fang, C.; Natan, B.; Gany, A. Research progress on solid-fueled Scramjet. Chin. J. Aeronaut. 2021. [Google Scholar] [CrossRef]
- Choubey, G.; Devarajan, Y.; Huang, W.; Mehar, K.; Tiwari, M.; Pandey, K.M. Recent advances in cavity-based scramjet engine- a brief review. Int. J. Hydrogen Energy 2019, 44, 13895–13909. [Google Scholar] [CrossRef]
- Collatz, M.; Gruber, M.; Olmstead, D.; Branam, R.; Lin, K.-C.; Tam, C.-J. Dual Cavity Scramjet Operability and Performance Study. In Proceedings of the 45th AIAA/ASME/SAE/ASEE Joint Propulsion Conference & Exhibit, Denver, CO, USA, 2–5 August 2009. [Google Scholar]
- Li, X.P.; Liu, W.D.; Yang, L.C.; An, B.; Pan, Y.; Zhu, J.J. Experimental Investigation on Fuel Distribution in a Scramjet Combustor with Dual Cavity. J. Propuls. Power 2017, 34, 552–556. [Google Scholar] [CrossRef]
- Gordon, S.; McBride, B.J. Computer Program for Calculation of Complex Chemical Equilibrium Compositions and Applications. Part 1: Analysis; NASA Center for Aerospace Information (CASI): Linthicum, MD, USA, 1994.
- Li, C.; Xia, Z.; Ma, L.; Zhao, X.; Chen, B.; Yang, P. Performance evaluation for scramjet based on ground direct-connected test: A method investigation. Aerosp. Sci. Technol. 2021, 117, 106895. [Google Scholar] [CrossRef]
- Kumar, R.; Karkamkar, A.; Bowden, M.; Autrey, T. Solid-state hydrogen rich boron–nitrogen compounds for energy storage. Chem. Soc. Rev. 2019, 48, 5350–5380. [Google Scholar] [CrossRef]
- Wong, B.M.; Lacina, D.; Nielsen, I.M.B.; Graetz, J.; Allendorf, M.D. Thermochemistry of Alane Complexes for Hydrogen Storage: A Theoretical and Experimental Investigation. J. Phys. Chem. C 2011, 115, 7778–7786. [Google Scholar] [CrossRef]



















| Time/s | Instruction |
|---|---|
| 0.00 | Start |
| 7.50 | Air heater ignition |
| 11.10 | Gas generator ignition |
| 43.05 | Air valve off |
| 50.00 | End |
Publisher’s Note: MDPI stays neutral with regard to jurisdictional claims in published maps and institutional affiliations. |
© 2021 by the authors. Licensee MDPI, Basel, Switzerland. This article is an open access article distributed under the terms and conditions of the Creative Commons Attribution (CC BY) license (https://creativecommons.org/licenses/by/4.0/).
Share and Cite
Yang, P.; Xia, Z.; Ma, L.; Chen, B.; Feng, Y.; Li, C.; Zhao, L. Direct-Connect Test of Solid Scramjet with Symmetrical Structure. Energies 2021, 14, 5589. https://doi.org/10.3390/en14175589
Yang P, Xia Z, Ma L, Chen B, Feng Y, Li C, Zhao L. Direct-Connect Test of Solid Scramjet with Symmetrical Structure. Energies. 2021; 14(17):5589. https://doi.org/10.3390/en14175589
Chicago/Turabian StyleYang, Pengnian, Zhixun Xia, Likun Ma, Binbin Chen, Yunchao Feng, Chaolong Li, and Libei Zhao. 2021. "Direct-Connect Test of Solid Scramjet with Symmetrical Structure" Energies 14, no. 17: 5589. https://doi.org/10.3390/en14175589
APA StyleYang, P., Xia, Z., Ma, L., Chen, B., Feng, Y., Li, C., & Zhao, L. (2021). Direct-Connect Test of Solid Scramjet with Symmetrical Structure. Energies, 14(17), 5589. https://doi.org/10.3390/en14175589

