Soft Switching of Non-Isolated Buck-Type Converter with Common-Ground Switch
Abstract
:1. Introduction
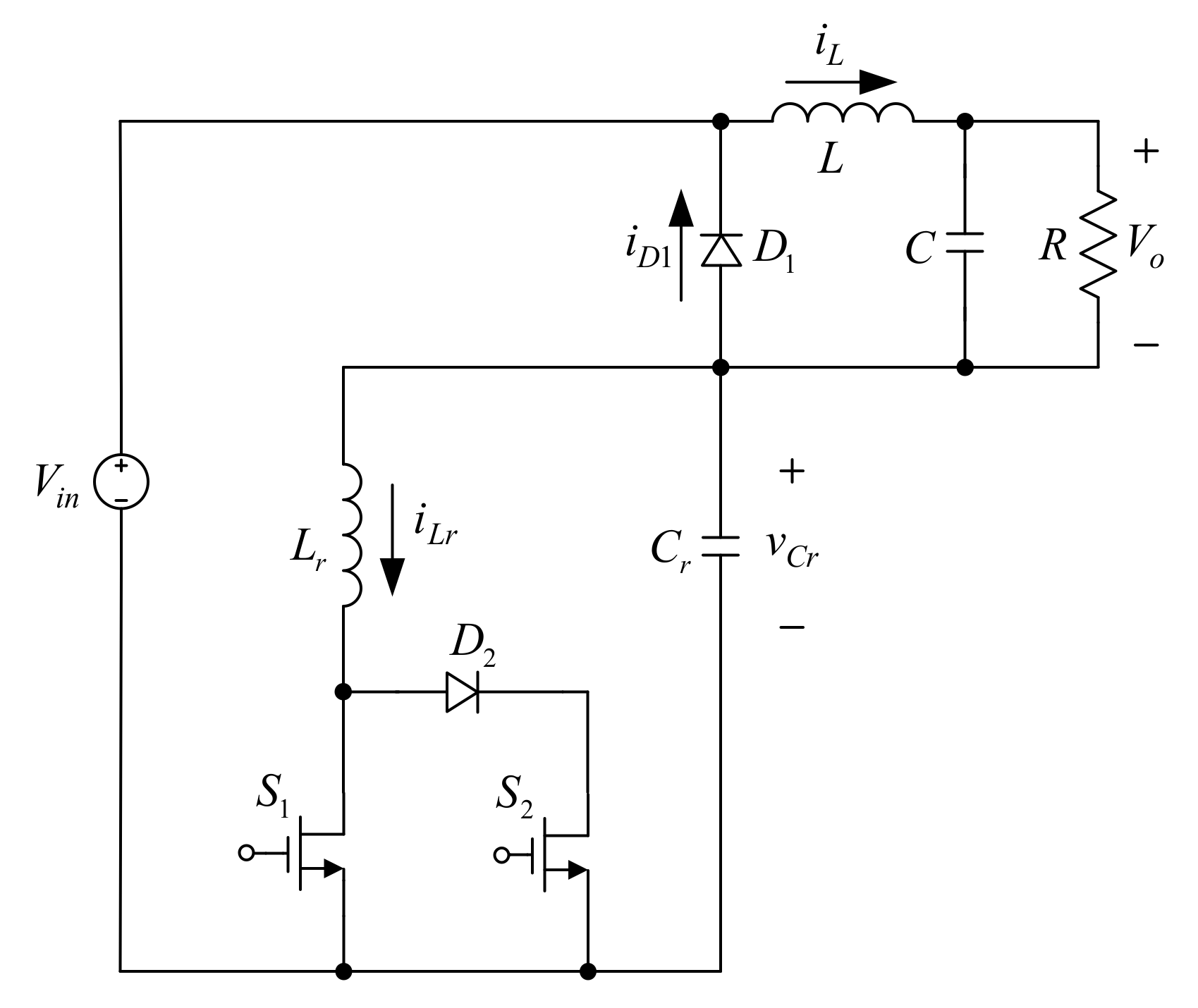
2. Basic Operating Principle
3. Design Considerations
4. Control Strategy
5. Experimental Results
6. Comparison
7. Conclusions
- (1)
- The converter adopts an auxiliary circuit with fewer components to realize that both the main and auxiliary switches have ZVS turn-on and ZCS turn-off.
- (2)
- These two switches take the time division multiplexing operation plus the width modulation (PWM) control technique so that the circuit components are designed easily.
- (3)
- The main and auxiliary switches are connected to the common ground so that the two switches are driven easily.
- (4)
- From the experimental results, it can be seen that the maximum efficencies with and without the proposed soft switching are 93.3% and 90.7%, respectively, and the maximum difference in efficiency between the two is about 2.6%.
Author Contributions
Funding
Institutional Review Board Statement
Informed Consent Statement
Data Availability Statement
Conflicts of Interest
References
- Erickson, R.W.; Maksimovic, D. Fundamental Power Electronics, 2nd ed.; Electronic Services; Springer Science & Business Media: Berlin/Heidelberg, Germany, 2001. [Google Scholar]
- Weiping, Z.; Zhang, X.; Xiao, S. A Novel Soft Switch for Buck Converter. In Proceedings of the 2nd International Symposium on Power Electronics for Distributed Generation Systems, PEDGS’10, IEEE, Hefei, China, 16–18 June 2010; pp. 180–184. [Google Scholar] [CrossRef]
- Tsai, C.-T.; Shen, C.-L. Interleaved Soft-Switching Coupled-Buck Converter With Active-Clamp Circuits. In Proceedings of the 2009 International Conference on Power Electronics and Drive Systems (PEDS), PEDS’09, Taipei, Taiwan, 2–5 November 2009; pp. 1113–1118. [Google Scholar] [CrossRef]
- Park, K.-B.; Moon, G.-W.; Youn, M.-J. Two-Switch Active-Clamp Forward Converter With One Clamp Diode and Delayed Turnoff Gate Signal. IEEE Trans. Ind. Electron. 2011, 58, 4768–4772. [Google Scholar] [CrossRef]
- Mohan, N.; Undeland, T.M.; Robbins, W.P. Power Electronics: Converters, Applications, and Design, 3rd ed.; John Wiley & Sons, Inc.: Hoboken, NJ, USA, 2002. [Google Scholar]
- Kim, M.; Jeong, H.; Han, B.; Choi, S. New Parallel Loaded Resonant Converter with Wide Output Voltage Range. IEEE Trans. Power Electron. 2018, 33, 3106–3114. [Google Scholar] [CrossRef]
- Chuang, Y.-C.; Ke, Y.-L. A Novel High-Efficiency Battery Charger with a Buck Zero-Voltage-Switching Resonant Converter. IEEE Trans. Energy Convers. 2007, 22, 848–854. [Google Scholar] [CrossRef]
- Jabbari, M.; Najafabadi, N.H.; Shahgholian, G.; Mahdavian, M. A Novel Resonant LLC Soft-Switching Inverting-Buck Converter. In Proceedings of the 2013 10th International Conference on Electrical Engineering/Electronics, Computer, Telecommunications and Information Technology, 3ECTIT’13, IEEE, Krabi, Thailand, 15–17 May 2013; pp. 1–6. [Google Scholar] [CrossRef]
- Qi, J.; Wu, X.; Zhao, Y.; Liu, J. High Step-down ZCS Buck Converter with Switched Capacitor. In Proceedings of the 2020 IEEE Energy Conversion Congress and Exposition (ECCE), ECCE’20, IEEE, Detroit, MI, USA, 11–15 October 2020; pp. 924–929. [Google Scholar] [CrossRef]
- Abu-Qahouq, J.; Batarseh, I. Generalized Analysis of Soft-Switching DC-DC Converters. In Proceedings of the 2000 IEEE International Symposium on Circuits and Systems, IEEE, Geneva, Switzerland, 28–31 May 2000; pp. 185–192. [Google Scholar] [CrossRef]
- Wu, H.; Zhang, J.; Zhao, J.; Zhang, Y.; Hu, L. A New Soft-Switching Synchronous Buck Converter Without Auxiliary Switch. In Proceedings of the 2019 IEEE 10th International Symposium on Power Electronics for Distributed Generation Systems (PEDG), PEDG’19, IEEE, Xi’an, China, 3–6 June 2019; pp. 537–541. [Google Scholar] [CrossRef]
- Ghorbanian, M.; Farzanehfard, H.; Esteki, M. ZVT Flyback With an Active Auxiliary Circuit. In Proceedings of the 2021 12th Power Electronics, Drive Systems, and Technologies Conference (PEDSTC), PEDSTC’21, IEEE, Tabriz, Iran, 2–4 February 2021; pp. 1–5. [Google Scholar] [CrossRef]
- Khorasani, R.R.; Adib, E.; Farzanehfard, H. ZVT Resonant Core Reset Forward Converter With a Simple Auxiliary Circuit. IEEE Trans. Ind. Electron. 2018, 65, 242–250. [Google Scholar] [CrossRef]
- Yau, Y.-T.; Hwu, K.-I.; Jiang, W.-Z. Two-Phase Interleaved Boost Converter With ZVT Turn-On for Main Switches and ZCS Turn-Off for Auxiliary Switches Based on One Resonant Loop. Appl. Sci. 2020, 10, 3881. [Google Scholar] [CrossRef]
- Li, Z.; Zhang, X.; Qian, W.; Bai, H. A Novel Zero-Current-Transition PWM DC-DC Converter With Coupled Inductor. In Proceedings of the 2016 IEEE 7th International Symposium on Power Electronics for Distributed Generation Systems (PEDG), IEEE, Vancouver, BC, Canada, 27–30 June 2016; pp. 1–4. [Google Scholar] [CrossRef]
- Hwu, K.-I.; Shieh, J.-J.; Jiang, W.-Z. Interleaved Boost Converter With ZVT-ZCT for the Main Switches and ZCS for the Auxiliary Switch. Appl. Sci. 2020, 10, 2033. [Google Scholar] [CrossRef] [Green Version]
- Abraham, I.P. Switching Power Supply Design, 2nd ed.; McGraw-Hill: New York, NY, USA, 1998. [Google Scholar]


















| Parameters | Specifications |
|---|---|
| System operating mode | CCM |
| Input rated voltage (Vin) | 48 V |
| The output voltage (Vo) | 24 V |
| Output rated current (Io) | 5 A |
| Rated output power (Po,rated) | 120 W |
| Minimum output power (Po,min) | 12 W |
| System switching frequency (fs) | 250 kHz |
| Output Inductor (L) | 50 μH |
| Output Capacitor (C) | 10 μF |
| Comparison Items | Compared Circuits | ||||||
|---|---|---|---|---|---|---|---|
| [2] | [3] | [4] | [8] | [13] | Proposed | ||
| Topology | SR Buck | Coupled Buck | Two-Switch Forward | Inverting Buck | Forward | Buck | |
| Soft switching features | Main switch | ZVS | ZVS | ZVS | ZCS | ZVS | ZVS/ZCS |
| Auxiliary switch | ---- | ZVS | ZVS | ---- | ZVS/ZCS | ZVS/ZCS | |
| Auxiliary circuit components | Diode | 0 | 0 | 1 | 1 | 1 | 1 |
| Magnetic element | 2 | 2 | 1 | 2 | 1 | 1 | |
| Capacitor | 3 | 2 | 1 | 1 | 2 | 1 | |
| Auxiliary switch | 0 | 2 | 1 | 0 | 1 | 1 | |
| Isolated gate driver | 0 | 2 | 1 | 0 | 1 | 0 | |
| Output power (W) | 1500 | 240 | 300 | 10 | 150 | 120 | |
| Output voltage (V) | 130 | 12 | 48 | 36 | 24 | 24 | |
| Switching frequency (kHz) | 50 | 75 | 100 | 100 | 100 | 250 | |
| Soft switching strategy | Resonant | PWM | PWM | Resonant | Resonant | Resonant | |
| Maximum efficiency (%) | 94.0 | 90.3 | 93.6 | 92.5 | 93.5 | 93.3 | |
| Common-ground auxiliary switch | ---- | No | No | ---- | No | Yes | |
Publisher’s Note: MDPI stays neutral with regard to jurisdictional claims in published maps and institutional affiliations. |
© 2021 by the authors. Licensee MDPI, Basel, Switzerland. This article is an open access article distributed under the terms and conditions of the Creative Commons Attribution (CC BY) license (https://creativecommons.org/licenses/by/4.0/).
Share and Cite
Yau, Y.-T.; Hwu, K.-I.; Shieh, J.-J. Soft Switching of Non-Isolated Buck-Type Converter with Common-Ground Switch. Energies 2021, 14, 5290. https://doi.org/10.3390/en14175290
Yau Y-T, Hwu K-I, Shieh J-J. Soft Switching of Non-Isolated Buck-Type Converter with Common-Ground Switch. Energies. 2021; 14(17):5290. https://doi.org/10.3390/en14175290
Chicago/Turabian StyleYau, Yeu-Torng, Kuo-Ing Hwu, and Jenn-Jong Shieh. 2021. "Soft Switching of Non-Isolated Buck-Type Converter with Common-Ground Switch" Energies 14, no. 17: 5290. https://doi.org/10.3390/en14175290
APA StyleYau, Y.-T., Hwu, K.-I., & Shieh, J.-J. (2021). Soft Switching of Non-Isolated Buck-Type Converter with Common-Ground Switch. Energies, 14(17), 5290. https://doi.org/10.3390/en14175290
