Double-Coil Dynamic Shielding Technology for Wireless Power Transmission in Electric Vehicles
Abstract
1. Introduction
2. Double-Coil Active Shielding Technology
2.1. Shielding Structure
2.2. Magnetic Field Calculation
3. Dynamic Shielding for WPT Systems with Double-Coil Active Shielding
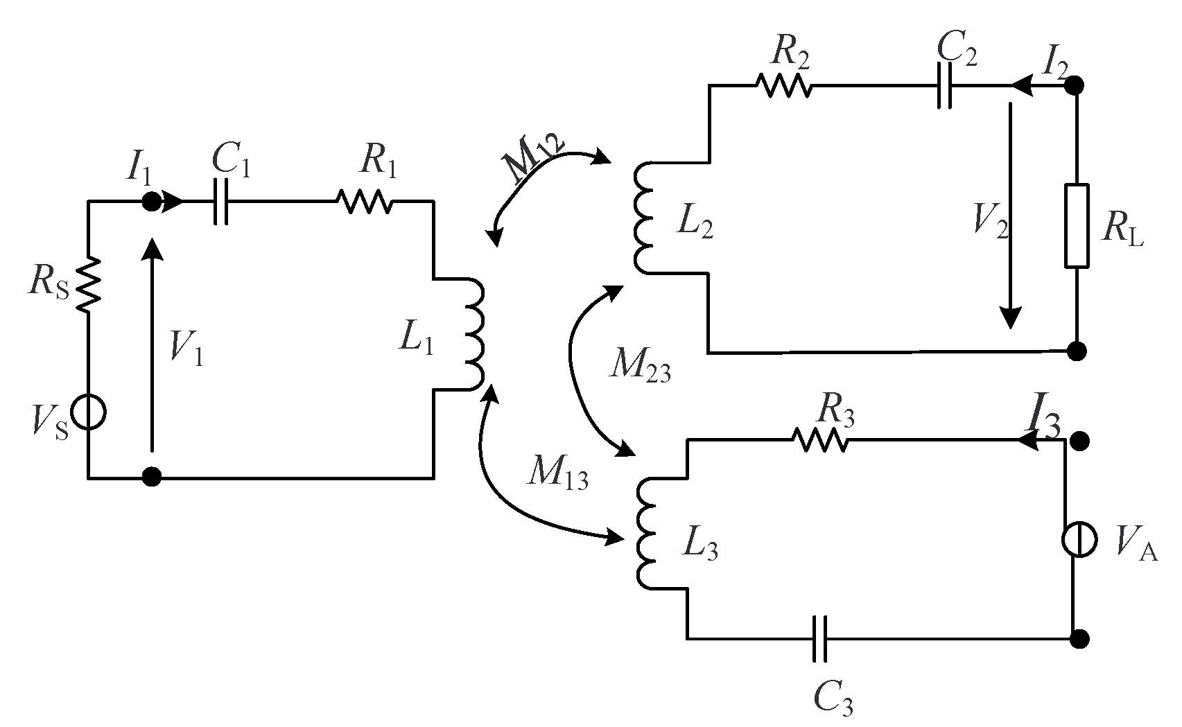
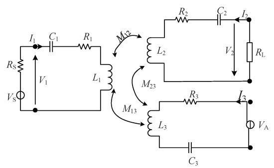
3.1. Mathematical Analysis
3.2. Dynamic Shielding Scheme
4. Simulation and Experiments
4.1. Simulation Verification
4.2. Experimental Verification
5. Conclusions
Author Contributions
Funding
Institutional Review Board Statement
Informed Consent Statement
Conflicts of Interest
Nomenclature
| WPT | wireless power transfer |
| EV | electric vehicle |
| EMF | electromagnetic field |
| ICNIRP | International Commission on Non-Ionizing Radiation Protection |
| rin | inner radius of half-loop |
| rout | outer radius of half-loop |
| rs | radius of transmitting coil |
| BM | total magnetic flux density at point M |
| dS1 | distance from the transmitting coil to the point M |
| dS2 | distance from the receiving coil to point M |
| B1 | magnetic flux density of transmitting coil |
| B2 | magnetic flux density of receiving coil |
| B3_in | magnetic flux density of the internal shielding coils at point M |
| B3_out | magnetic flux density of the external shielding coils at point M |
| SE | shielding effectiveness |
| R1,2,3 | internal resistances of the transmitting, receiving, and shielding coils |
| L1,2,3 | self-inductances of the transmitting, receiving, and shielding coils |
| C1,2,3 | capacitances of the transmitting, receiving, and shielding coils |
| RL | resistive load |
| RS | internal resistance of power supply |
| M12 | mutual inductances between transmitting and receiving coils |
| M13 | mutual inductances between transmitting and shielding coils |
| M23 | mutual inductances between receiving and shielding coils |
| I1,2,3 | current of transmitting, receiving, and shielding coils |
| ω | angular operating frequency |
| VS | power supply of transmitting coil |
| VA | power supply of shielding coil |
| P1,2,3 | output power of transmitting, receiving, and active shielding coils |
| PWM | pulse width modulation |
| α | duty cycle |
| N | number of turns |
| MCU | micro-controller chip |
| η | power transfer efficiency |
Appendix A
| Devices | Product Model | Operating Parameters |
|---|---|---|
| Power Supply | IPD-3303LU | 0~32 V |
| Magnetic Flux Density Detector | SS49E | −1000~1000 Gs |
| Signal Generator | SDG830 | 1 μHz~30 MHz |
| Drive Circuit | IR2103 | 10~20 V |
| MCU | STM32F103C8T6 | 2~3.6V |
| MOSFET | IRF640 | −20~20 V |
Appendix B
| Shielding Technology | Advantages | Disadvantages |
|---|---|---|
| Passive Shielding | simple operation, easy implementation | large volume, high space occupation, increased loss |
| Resonant Reactive Current Loop | small additional volume, simple structure | lower shielding effectiveness |
| Active Shielding | high shielding effectiveness, small additional volume | complicated calculations |
References
- Triviño, A.; Gonzalez-Gonzalez, J.; Castilla, M. Review on Control Techniques for EV Bidirectional Wireless Chargers. Electronics 2021, 10, 1905. [Google Scholar] [CrossRef]
- Arif, S.; Lie, T.; Seet, B.; Ayyadi, S.; Jensen, K. Review of Electric Vehicle Technologies, Charging Methods, Standards and Optimization Techniques. Electronics 2021, 10, 1910. [Google Scholar] [CrossRef]
- Sanguesa, J.; Torres-Sanz, V.; Garrido, P.; Martinez, F.; Marquez-Barja, J. A Review on Electric Vehicles: Technologies and Challenges. Smart Cities 2021, 4, 372–404. [Google Scholar] [CrossRef]
- Li, S.; Mi, C.C. Wireless power transfer for electric vehicle applications. IEEE J. Emerg. Sel. Top. Power Electron. 2014, 3, 4–17. [Google Scholar]
- Bertoluzzo, M.; Di Monaco, M.; Buja, G.; Tomasso, G.; Genovese, A. Comprehensive Development of Dynamic Wireless Power Transfer System for Electric Vehicle. Electronics 2020, 9, 1045. [Google Scholar] [CrossRef]
- Colussi, J.; La Ganga, A.; Re, R.; Guglielmi, P.; Armando, E. 100 kW Three-Phase Wireless Charger for EV: Experimental Val-idation Adopting Opposition Method. Energies 2021, 14, 2113. [Google Scholar] [CrossRef]
- Chen, K.; Cheng, K.; Yang, Y.; Pan, J. Stability Improvement of Dynamic EV Wireless Charging System with Receiver-Side Control Considering Coupling Disturbance. Electronics 2021, 10, 1639. [Google Scholar] [CrossRef]
- Zhu, Q.; Zhang, Y.; Guo, Y.; Liao, C.; Wang, L.; Wang, L. Null-Coupled Electromagnetic Field Cancelling Coil for Wireless Power Transfer System. IEEE Trans. Transp. Electrif. 2016, 3, 464–473. [Google Scholar] [CrossRef]
- Mohamed, A.; Marim, A.A.; Mohammed, O. Magnetic Design Considerations of Bidirectional Inductive Wireless Power Transfer System for EV Applications. IEEE Trans. Magn. 2017, 53, 1–5. [Google Scholar] [CrossRef]
- Do, C.Y.; Park, E.Y. Impact investigations and characteristics by strong electromagnetic field of wireless power charging system for electric vehicle under air and water exposure indexes. IEEE Trans. Appl. Supercond. 2018, 28, 1–5. [Google Scholar]
- Yamazaki, K.; Taki, M.; Ohkubo, C. Safety assessment of human exposure to intermediate frequency electromagnetic fields. Electr. Eng. Jap. 2016, 197, 3–11. [Google Scholar] [CrossRef]
- Campi, T.; Cruciani, S.; De Santis,, V. EMC and EMF safety issues in wireless charging system for an electric vehicle (EV). In Proceedings of the 2017 International Conference of Electrical and Electronic Technologies for Automotive, Turin, Italy, 27 July 2017; IEEE: Piscataway, NJ, USA, 2017; pp. 1–4. [Google Scholar]
- Miyakoshi, J.; Tonomura, H.; Koyama, S.; Narita, E.; Shinohara, N. Effects of Exposure to 5.8 GHz Electromagnetic Field on Micronucleus Formation, DNA Strand Breaks, and Heat Shock Protein Expressions in Cells Derived from Human Eye. IEEE Trans. NanoBiosci. 2019, 18, 257–260. [Google Scholar] [CrossRef]
- Asa, E.; Mohammad, M.; Onar, O.C.; Pries, J.; Galigekere, V.; Su, G.-J. Review of Safety and Exposure Limits of Electromagnetic Fields (EMF) in Wireless Electric Vehicle Charging (WEVC) Applications. In Proceedings of the 2020 IEEE Transportation Electrification Conference & Expo (ITEC), Chicago, IL, USA, 23–26 June 2020; pp. 17–24. [Google Scholar] [CrossRef]
- Shin, Y.; Park, J.; Kim, H.; Woo, S.; Park, B.; Huh, S.; Lee, C.; Ahn, S. Design Considerations for Adding Series Inductors to Reduce Electromagnetic Field Interference in an Over-Coupled WPT System. Energies 2021, 14, 2791. [Google Scholar] [CrossRef]
- Tang, L.-C.; Jeng, S.-L.; Chang, E.-Y.; Chieng, W.-H. Variable-Frequency Pulse Width Modulation Circuits for Resonant Wireless Power Transfer. Energies 2021, 14, 3656. [Google Scholar] [CrossRef]
- Feliziani, M.; Cruciani, S.; Campi, T.; Maradei, F. Near Field Shielding of a Wireless Power Transfer (WPT) Current Coil. Prog. Electromagn. Res. C 2017, 77, 39–48. [Google Scholar] [CrossRef][Green Version]
- Lee, S.; Jeong, S.; Hong, S.; Sim, B.; Kim, J. Design and Analysis of EMI Shielding Method using Intermediate Coil for Train WPT System. In Proceedings of the 2018 IEEE Wireless Power Transfer Conference (WPTC), Montreal, QC, Canada, 3–7 June 2018; pp. 1–4. [Google Scholar] [CrossRef]
- Zhang, B.; Carlson, R.B.; Galigekere, V.P.; Onar, O.C.; Pries, J.L. Electromagnetic Shielding Design for 200 kW Stationary Wireless Charging of Light-Duty EV. In Proceedings of the IEEE Energy Conversion Congress and Exposition (ECCE), Detroit, MI, USA, 1–15 October 2020; pp. 5185–5192. [Google Scholar] [CrossRef]
- Kim, J.; Kim, J.; Kong, S. Coil design and shielding methods for a magnetic resonant wireless power transfer system. Proc. IEEE 2013, 101, 1332–1342. [Google Scholar] [CrossRef]
- Tan, L.; Elnail, K.E.I.; Ju, M.; Huang, X. Comparative Analysis and Design of the Shielding Techniques in WPT Systems for Charging EVs. Energies 2019, 12, 2115. [Google Scholar] [CrossRef]
- Mohammad, M.; Wodajo, E.T.; Choi, S.; Elbuluk, M.E. Modeling and Design of Passive Shield to Limit EMF Emission and to Minimize Shield Loss in Unipolar Wireless Charging System for EV. IEEE Trans. Power Electron. 2019, 34, 12235–12245. [Google Scholar] [CrossRef]
- Wen, F.; Huang, X. Optimal Magnetic Field Shielding Method by Metallic Sheets in Wireless Power Transfer System. Energies 2016, 9, 733. [Google Scholar] [CrossRef]
- Li, J.; Huang, X.; Chen, C.; Tan, L.; Wang, W.; Guo, J. Effect of metal shielding on a wireless power transfer system. AIP Adv. 2017, 7, 056675. [Google Scholar] [CrossRef]
- Kim, S.; Park, H.-H.; Kim, J.; Kim, J.; Ahn, S. Design and Analysis of a Resonant Reactive Shield for a Wireless Power Electric Vehicle. IEEE Trans. Microw. Theory Tech. 2014, 62, 1057–1066. [Google Scholar] [CrossRef]
- Park, J.; Kim, D.; Hwang, K. A resonant reactive shielding for planar wireless power transfer system in smartphone applica-tion. IEEE Trans. Electromagn. Compat. 2017, 59, 695–703. [Google Scholar] [CrossRef]
- Nie, Y.; Jiao, C.; Fan, Y. Active Shielding Design of Patrol Robot Wireless Charging System. In Proceedings of the 2019 IEEE 3rd International Electrical and Energy Conference (CIEEC), Beijing, China, 7–9 September 2019; IEEE: Piscataway, NJ, USA, 2019; pp. 2003–2007. [Google Scholar]
- Campi, T.; Cruciani, S.; Maradei, F.; Feliziani, M. Active Coil System for Magnetic Field Reduction in an Automotive Wireless Power Transfer System. In Proceedings of the 2019 IEEE International Symposium on Electromagnetic Compatibility, Signal & Power Integrity (EMC + SIPI), New Orleans, LA, USA, 22–26 July 2019; pp. 189–192. [Google Scholar] [CrossRef]
- Kim, J.; Ahn, J.; Huh, S.; Kim, K.; Ahn, S. A Coil Design and Control Method of Independent Active Shielding System for Leakage Magnetic Field Reduction of Wireless UAV Charger. IEICE Trans. Commun. 2020, 103, 889–898. [Google Scholar] [CrossRef]
- Choi, S.Y.; Gu, B.W.; Lee, S.W.; Lee, W.Y.; Huh, J.; Rim, C.T. Generalized Active EMF Cancel Methods for Wireless Electric Vehicles. IEEE Trans. Power Electron. 2013, 29, 5770–5783. [Google Scholar] [CrossRef]
- Triviño, A.; González-González, J.; Aguado, J. Wireless Power Transfer Technologies Applied to Electric Vehicles: A Review. Energies 2021, 14, 1547. [Google Scholar] [CrossRef]
- De Santis, V.; Giaccone, L.; Freschi, F. Chassis Influence on the Exposure Assessment of a Compact EV during WPT Recharging Operations. Magnetochemistry 2021, 7, 25. [Google Scholar] [CrossRef]
- Kim, D.-H.; Kim, M.-S.; Kim, H.-J. Frequency-Tracking Algorithm Based on SOGI-FLL for Wireless Power Transfer System to Operate ZPA Region. Electronics 2020, 9, 1303. [Google Scholar] [CrossRef]
- Aldhaher, S.; Luk, P.; Whidborne, J. Tuning Class E Inverters Applied in Inductive Links Using Saturable Reactors. IEEE Trans. Power Electron. 2013, 29, 2969–2978. [Google Scholar] [CrossRef]
- Uddin, M.K.; Ramasamy, G.; Mekhilef, S.; Ramar, K.; Lau, Y.-C. A review on high frequency resonant inverter technologies for wireless power transfer using magnetic resonance coupling. In Proceedings of the 2014 IEEE Conference on Energy Conversion (CENCON), Johor Bahru, Malaysia, 13–14 October 2014; pp. 412–417. [Google Scholar] [CrossRef]
- Asl, E.S.; Babaei, E.; Sabahi, M.; Nozadian, M.H.B.; Cecati, C. New Half-Bridge and Full-Bridge Topologies for a Switched-Boost Inverter with Continuous Input Current. IEEE Trans. Ind. Electron. 2017, 65, 3188–3197. [Google Scholar] [CrossRef]
- Vassilev, A.; Ferber, A.; Wehrmann, C.; Pinaud, O.; Schilling, M.; Ruddle, A.R. Magnetic Field Exposure Assessment in Electric Vehicles. IEEE Trans. Electromagn. Compat. 2014, 57, 35–43. [Google Scholar] [CrossRef]

















| f | B(T) |
|---|---|
| 1 Hz–8 Hz | 0.04/f2 |
| 8 Hz–25 Hz | 0.005/f |
| 25 Hz–50 Hz | 0.0002 |
| 50 Hz–300 Hz | 0.0002 |
| 300 Hz–400 Hz | 0.0002 |
| 400 Hz–3 kHz | 0.08/f |
| 3 kHz–100 kHz | 0.000027 |
| Symbol | Value |
|---|---|
| R1 | 15.49 mΩ |
| R2 | 15.49 mΩ |
| R3 | 2.64 mΩ |
| L1 | 28.27 μH |
| L2 | 28.27 μH |
| L3 | 0.90 μH |
| C1 | 4.89 μF |
| C2 | 4.89 μF |
| K12 | 0.422 |
| K13 | 0.041 |
| K23 | 0.041 |
| Transmission distance | VA |
|---|---|
| 50 mm | 41.61 V |
| 100 mm | 24.32 V |
| 150 mm | 20.06 V |
| Transmission distance | 50 mm | 100 mm | 150 mm |
| SE | 69.4% | 76.2% | 77.4% |
| η (no shielding) | 96.5% | 93.8% | 92.7% |
| η (double-coil active shielding) | 92.4% | 91.9% | 90.7% |
Publisher’s Note: MDPI stays neutral with regard to jurisdictional claims in published maps and institutional affiliations. |
© 2021 by the authors. Licensee MDPI, Basel, Switzerland. This article is an open access article distributed under the terms and conditions of the Creative Commons Attribution (CC BY) license (https://creativecommons.org/licenses/by/4.0/).
Share and Cite
Li, Y.; Zhang, S.; Cheng, Z. Double-Coil Dynamic Shielding Technology for Wireless Power Transmission in Electric Vehicles. Energies 2021, 14, 5271. https://doi.org/10.3390/en14175271
Li Y, Zhang S, Cheng Z. Double-Coil Dynamic Shielding Technology for Wireless Power Transmission in Electric Vehicles. Energies. 2021; 14(17):5271. https://doi.org/10.3390/en14175271
Chicago/Turabian StyleLi, Yuan, Shumei Zhang, and Ze Cheng. 2021. "Double-Coil Dynamic Shielding Technology for Wireless Power Transmission in Electric Vehicles" Energies 14, no. 17: 5271. https://doi.org/10.3390/en14175271
APA StyleLi, Y., Zhang, S., & Cheng, Z. (2021). Double-Coil Dynamic Shielding Technology for Wireless Power Transmission in Electric Vehicles. Energies, 14(17), 5271. https://doi.org/10.3390/en14175271

