Comprehensive Design of DC Shipboard Power Systems for Pure Electric Propulsion Ship Based on Battery Energy Storage System
Abstract
1. Introduction
| Elemental Technologies | Specific Design Elements | Related Works | Explanatory Note | Relevance to This Paper |
|---|---|---|---|---|
| Extraction of ship operation profile | Ferry operation profile | [22,23] | - | ++ |
| Load profile | [22,24] | - | +++ | |
| BESS design | BESS capacity | [8,24,25] | without system loss consideration | +++ |
| BESS equivalent circuit modelling | [22,23,26,27,28,29,30,31,32] | Ref. [22] with battery degradation modelling | + | |
| SOC estimator | [22,33,34] | - | × | |
| DC distribution design | Power conversion system | [13,21,35,36] | Ref. [21] with transient and steady-state consideration | +++ |
| Propulsion motor | [8,37,38,39] | - | ++ | |
| Efficiency analysis | Equivalent loss modelling | [40,41] | without pure electric propulsion ship consideration | +++ |
| Development of overall system simulation | Non-real-time simulation | [13,23,36] | without instantaneous loss consideration | ++ |
| Real-time simulation | [35] | - | × |
2. Analysis of System Design Requirements
2.1. Selection of a Target Vessel for the Calculation of the Required Propulsion Power
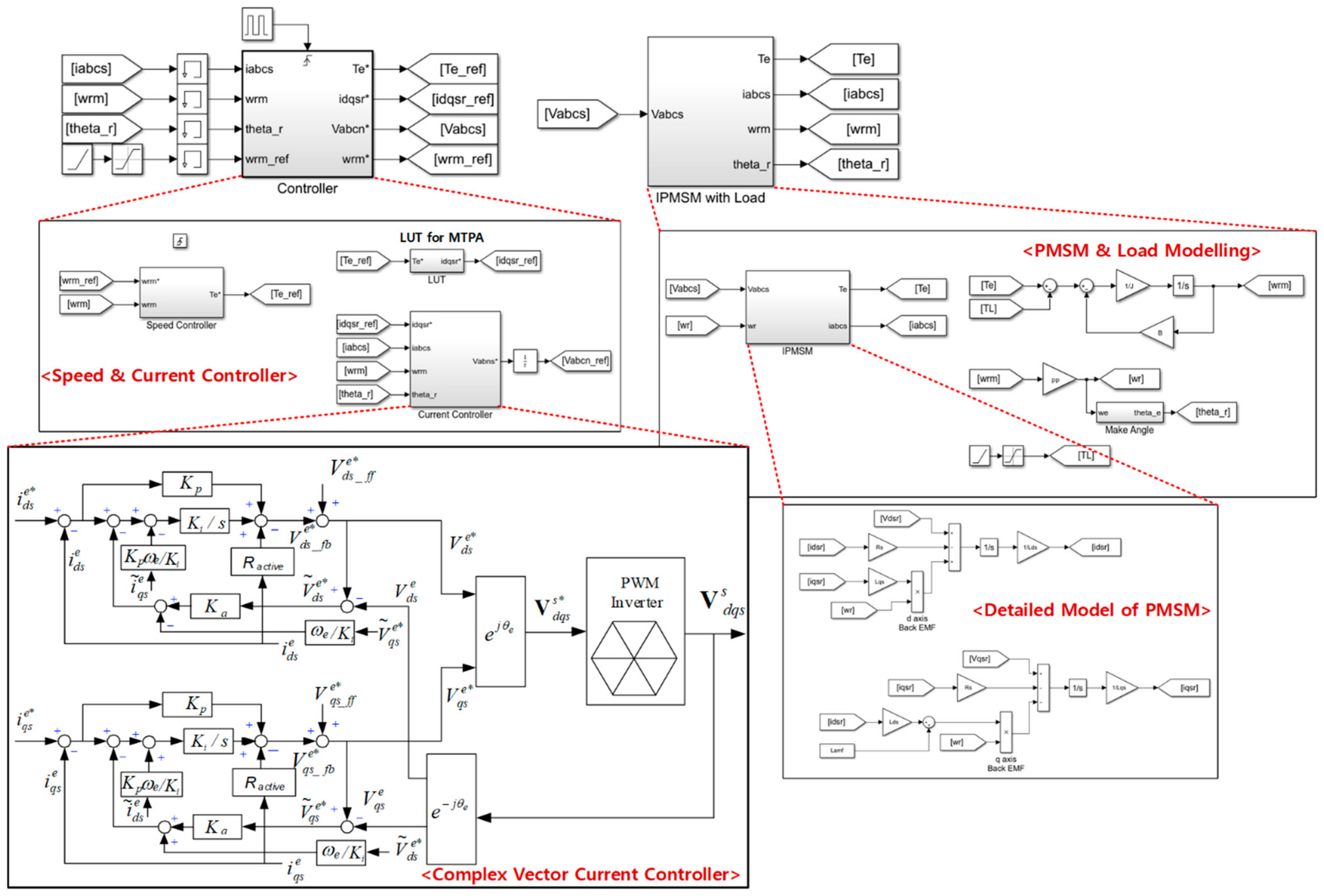
2.2. Simulation of the Propulsion Motor of the Target Vessel
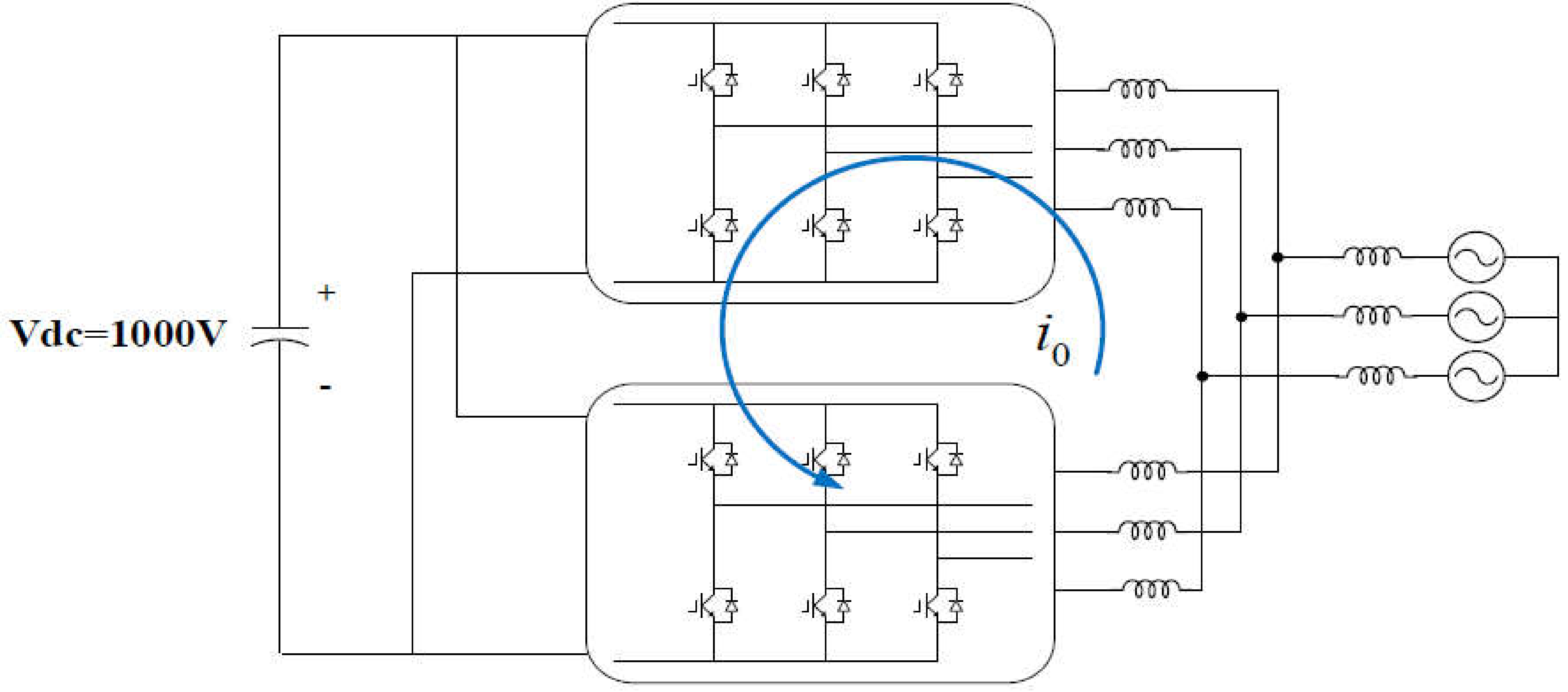
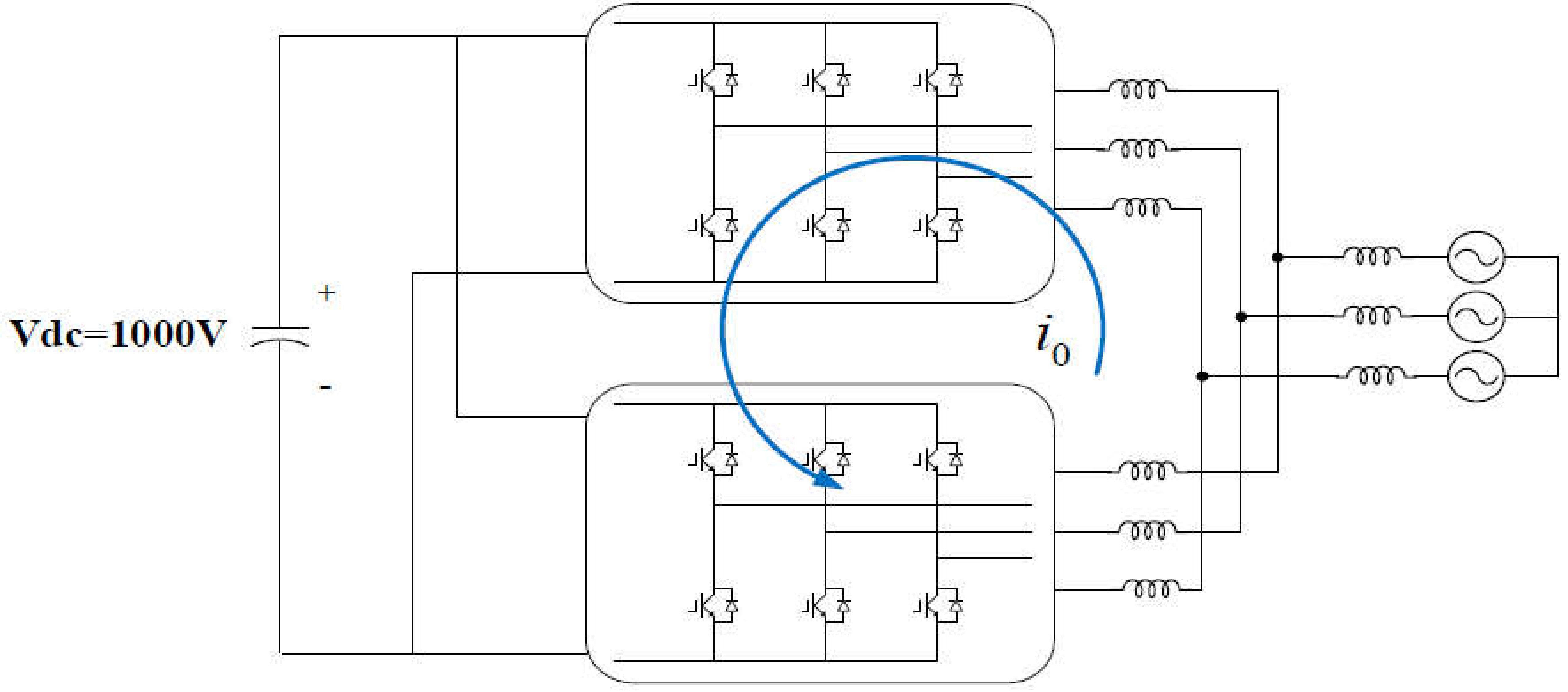
2.3. Configuration of the Inverter for Propulsion of the Target Vessel
2.4. Design of Battery Energy Storage System Capacity
- Battery Type: Lithium-Ion;
- Nominal Voltage: 1000 [V];
- Rated Capacity: 1800–2500 [Ah];
- Initial SOC: 80–90%.
2.5. BESS Charge/Discharge Profile According to Operation
2.6. BESS Design According to the Charge/Discharge Profile
3. Design of a High-Efficiency Eco-Friendly Integrated Power System
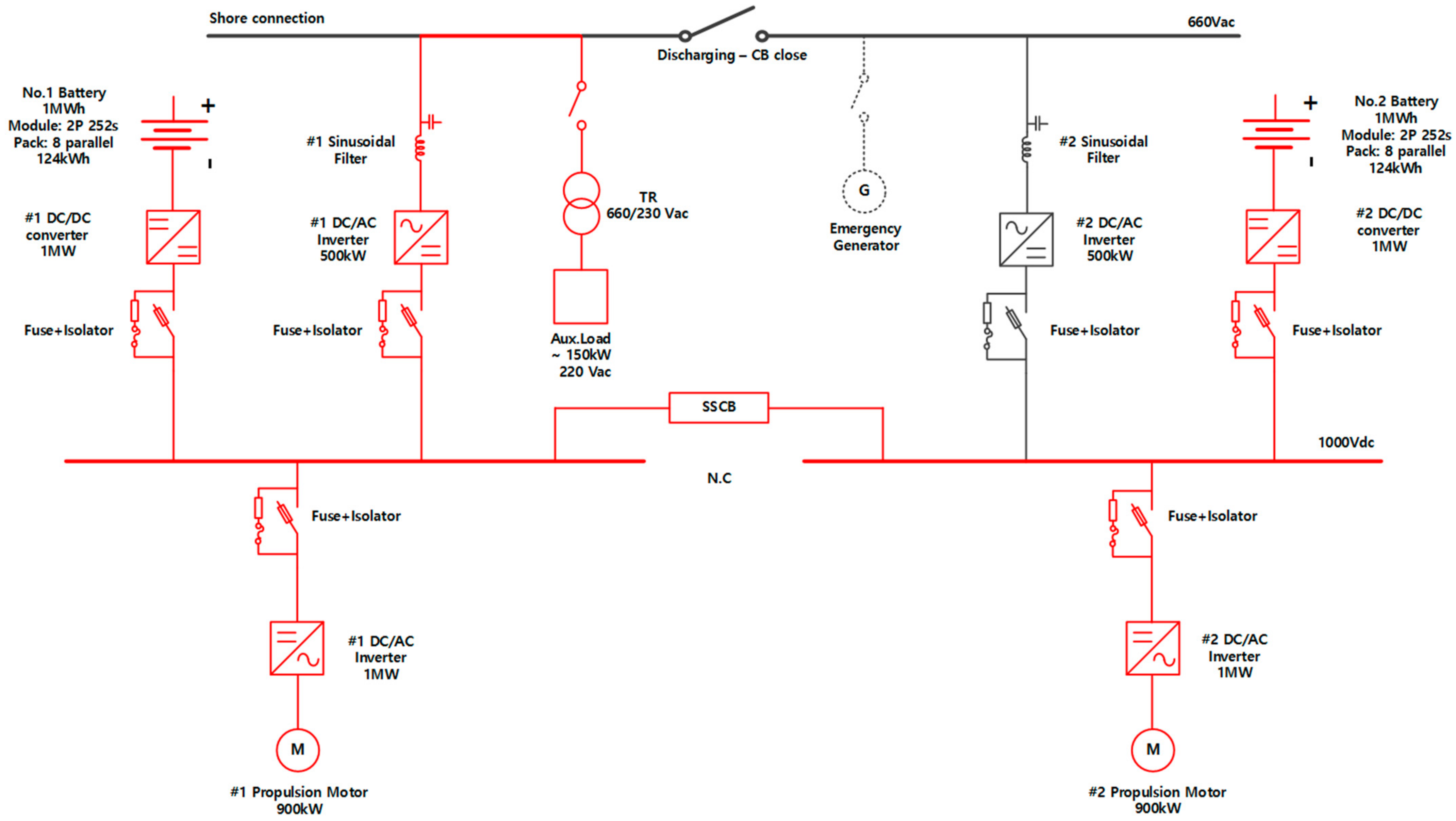
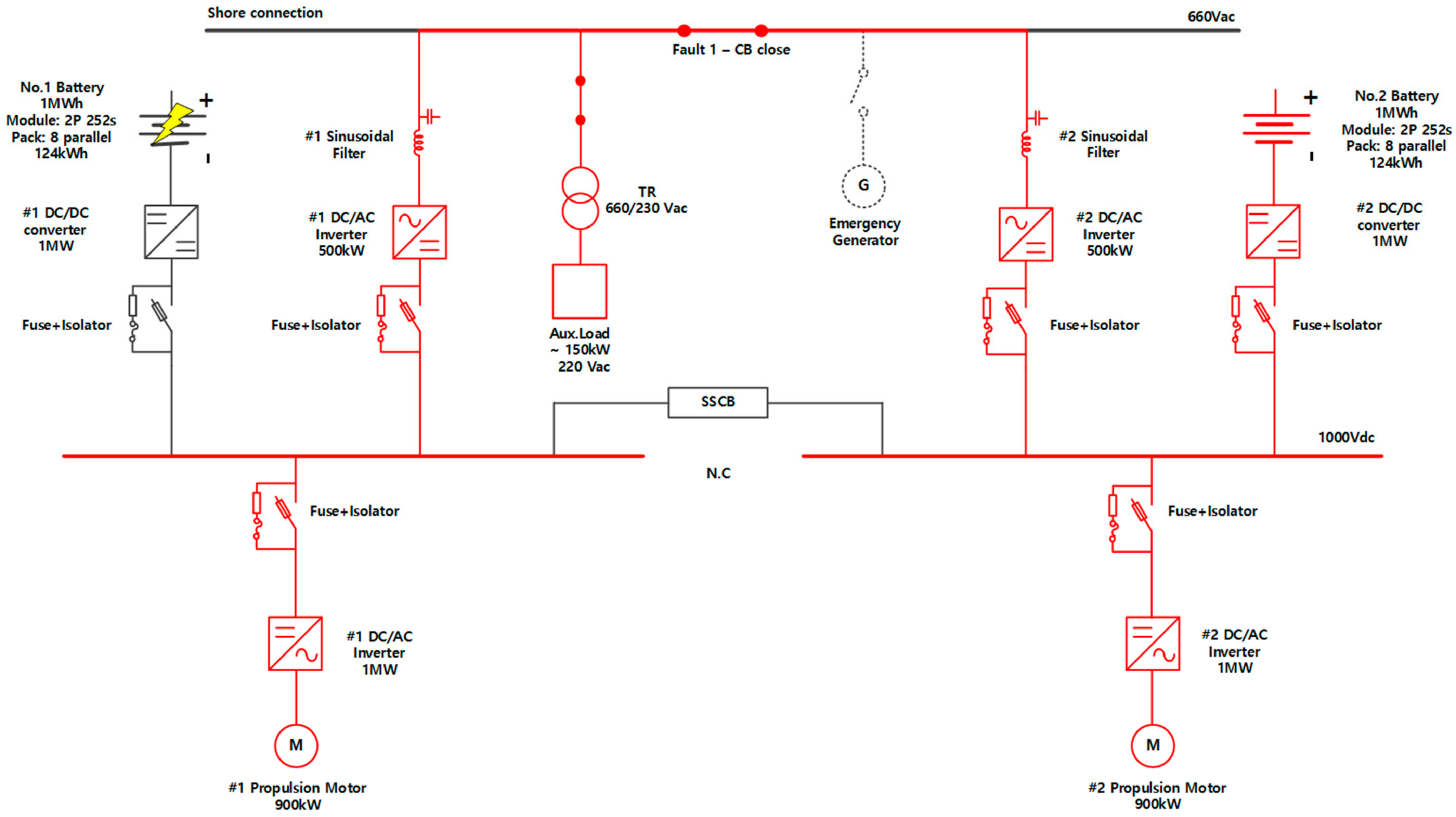
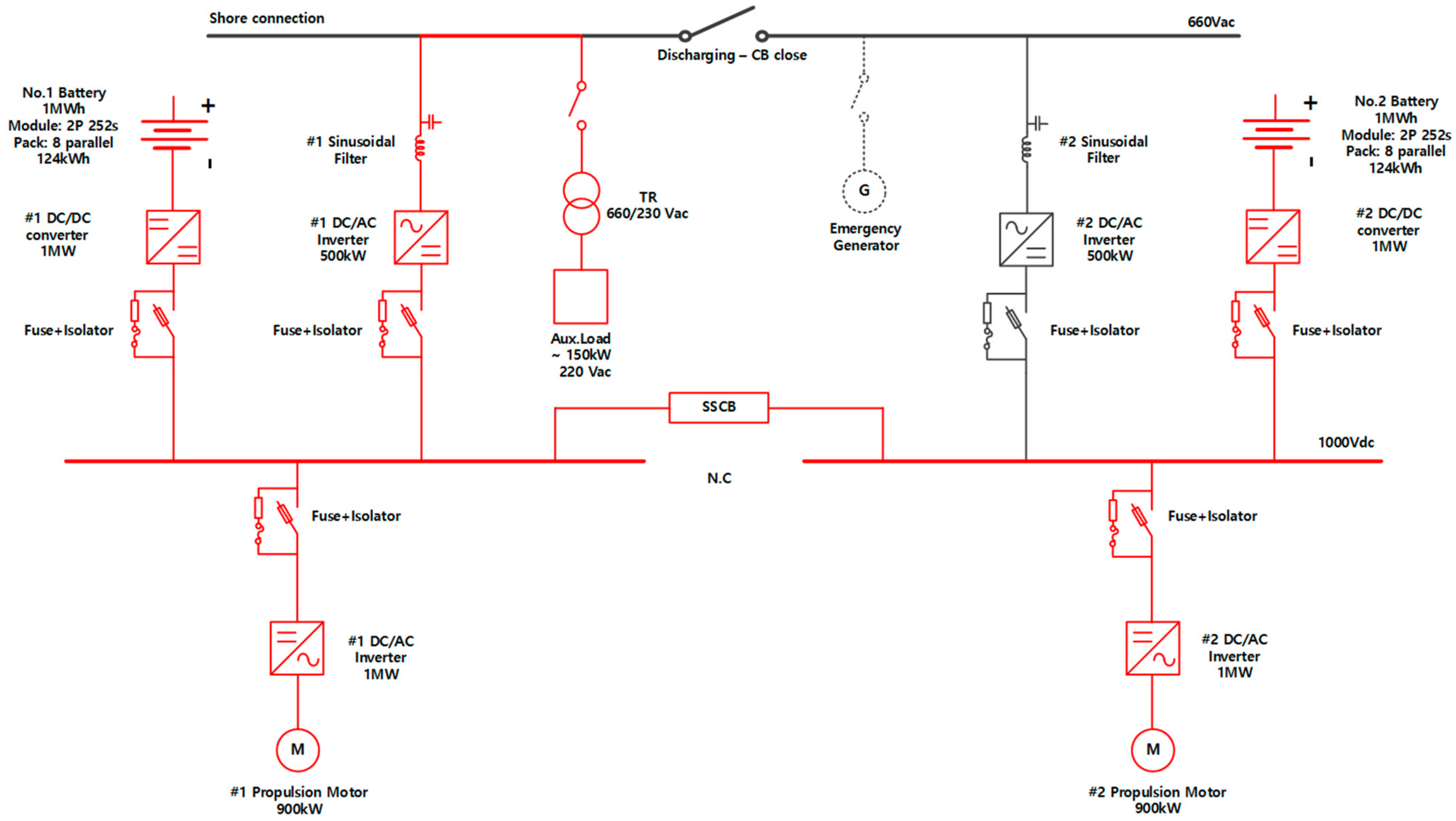
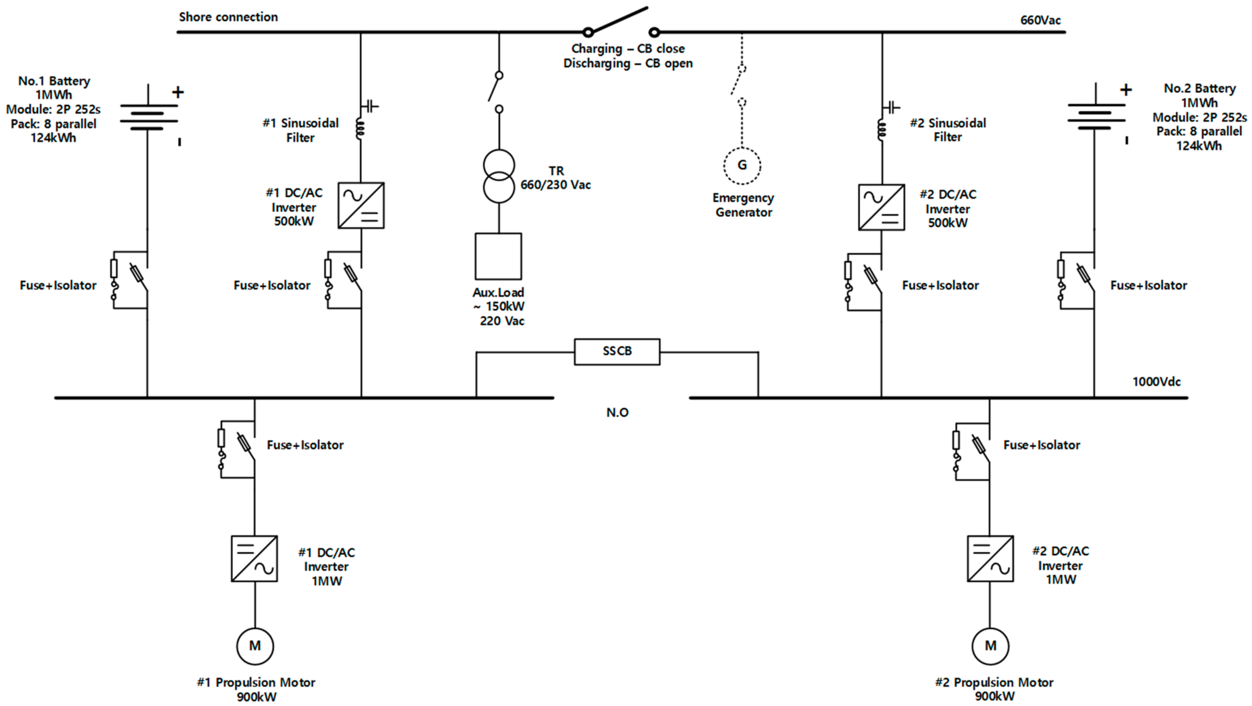
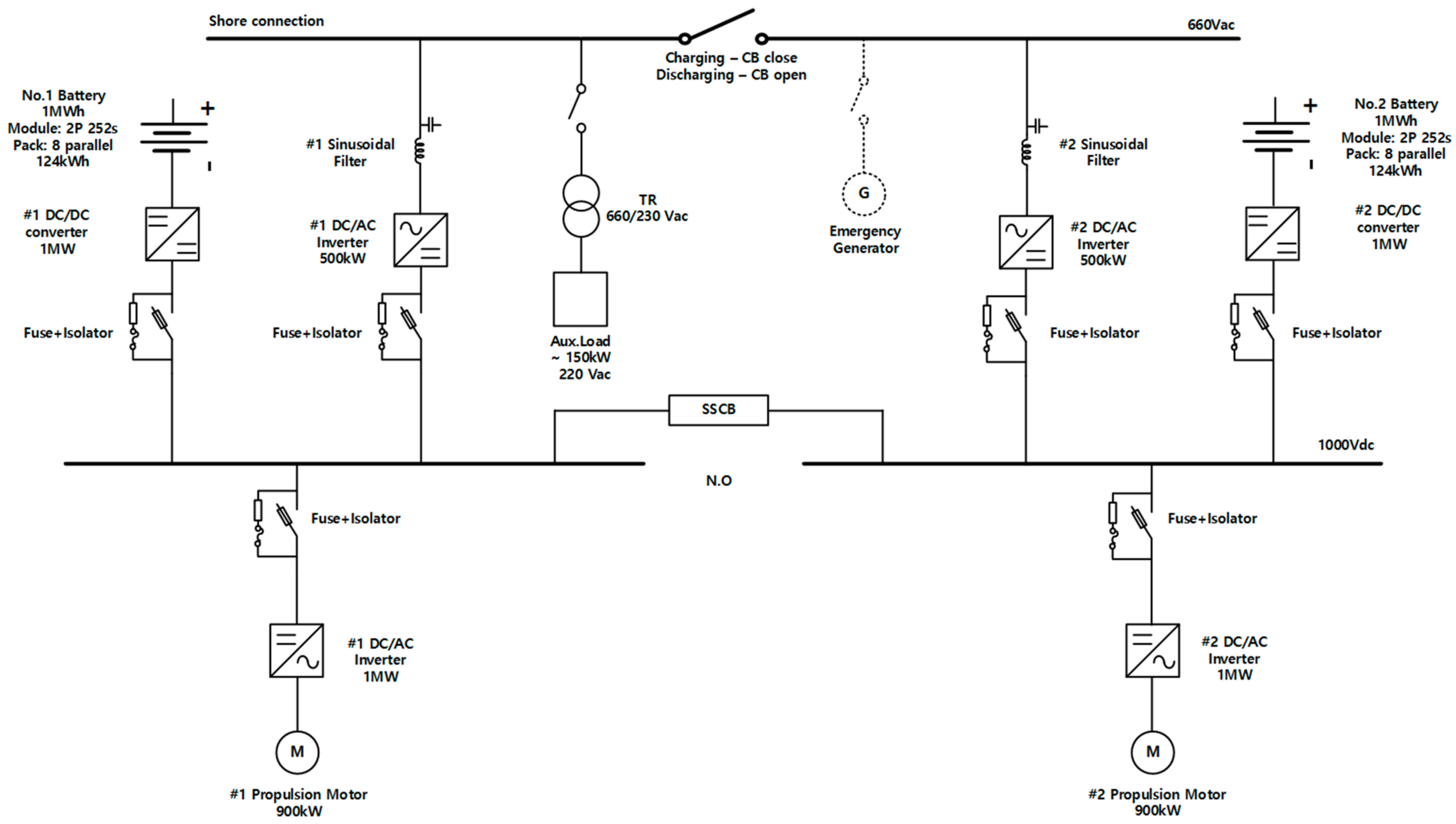
3.1. Proposal of a System Configuration Method
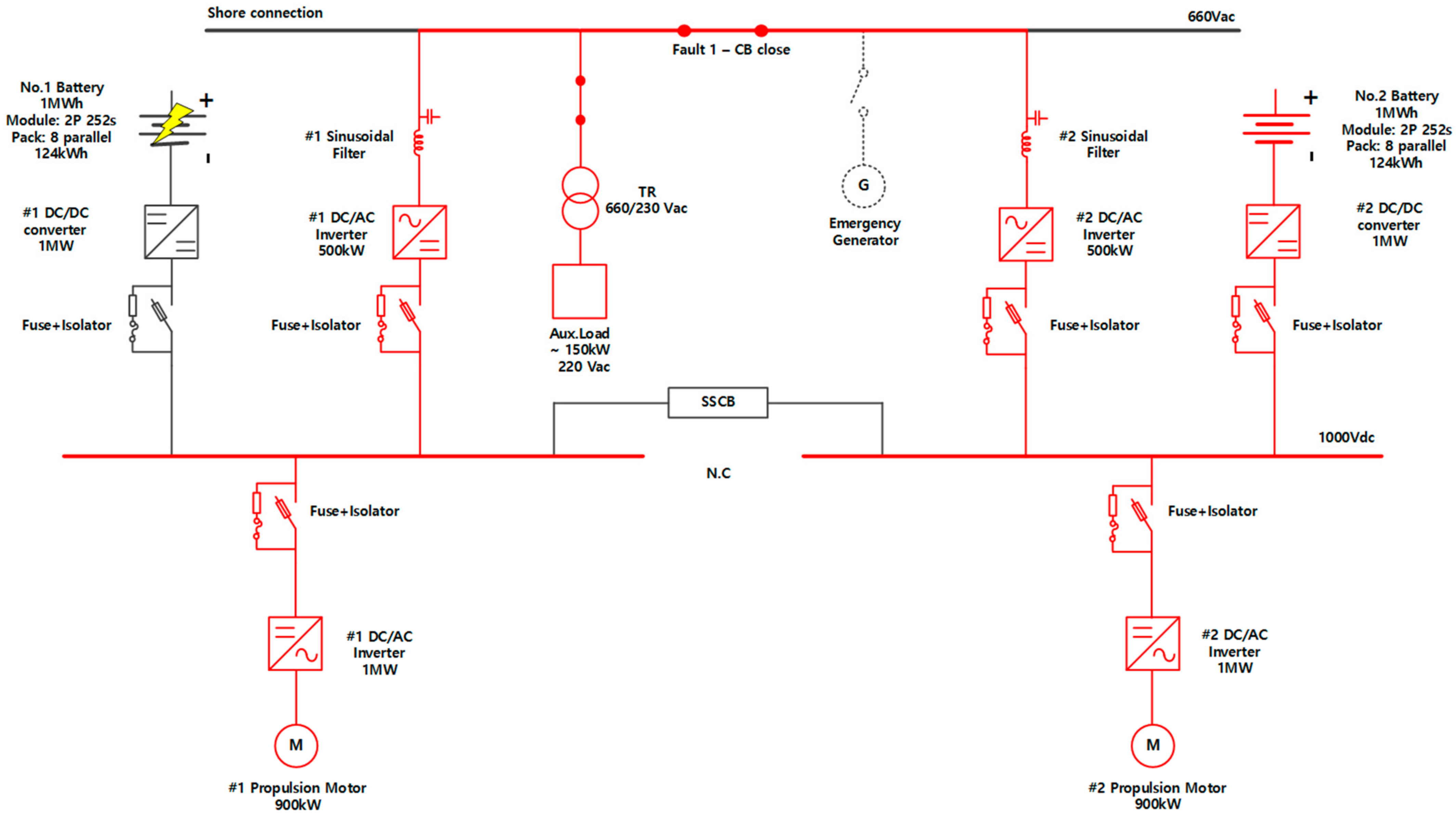
3.2. Establishment of System Operation Modes
4. Analysis of the Efficiency of a Pure Electric Propulsion Ship
4.1. Simulation of the Loss Model for a Pure Electric Propulsion Ship
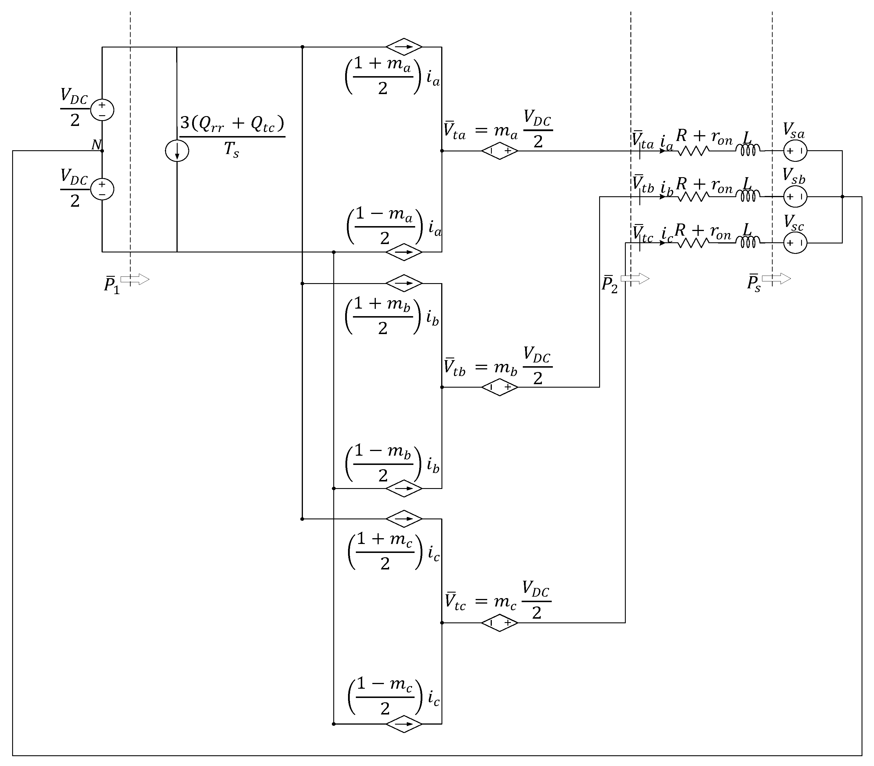
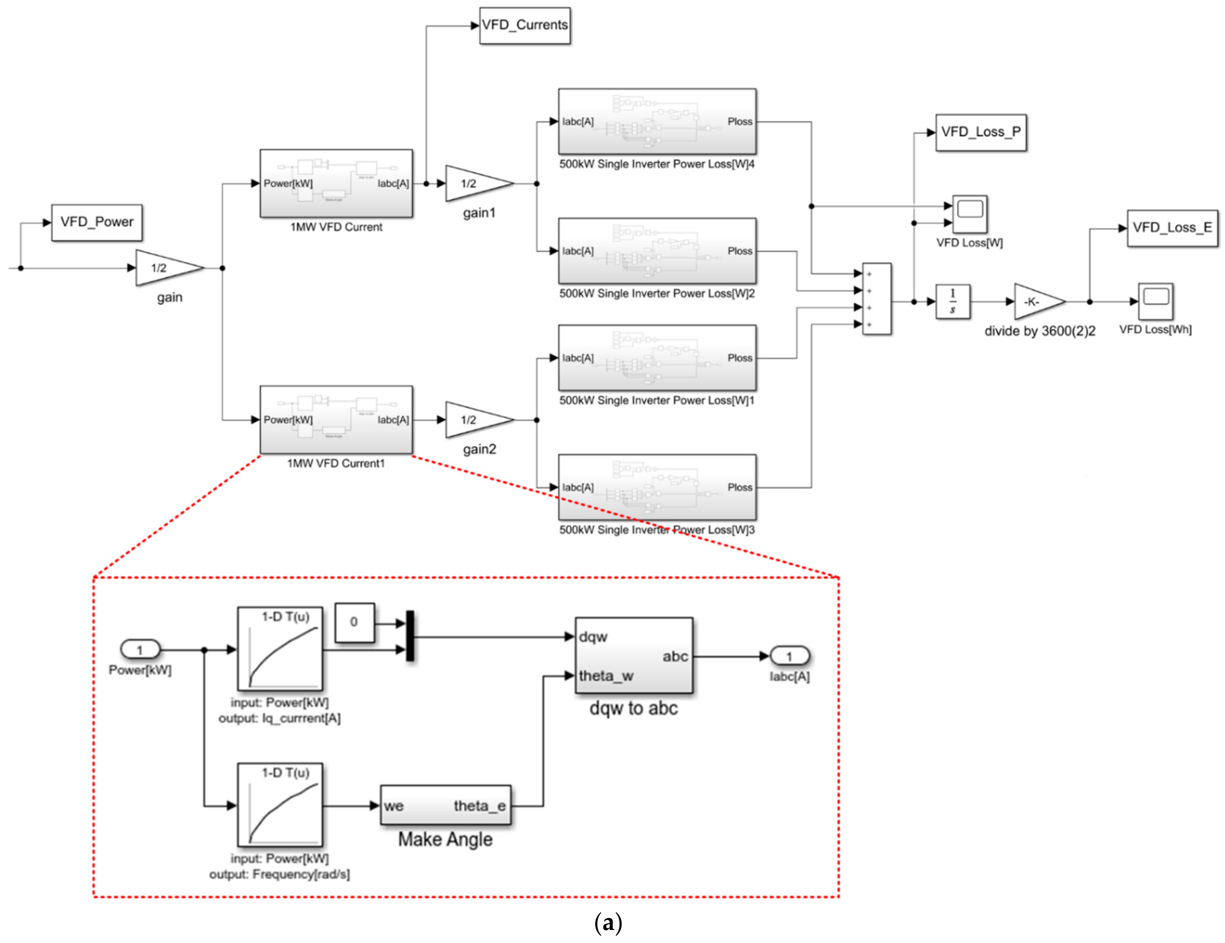
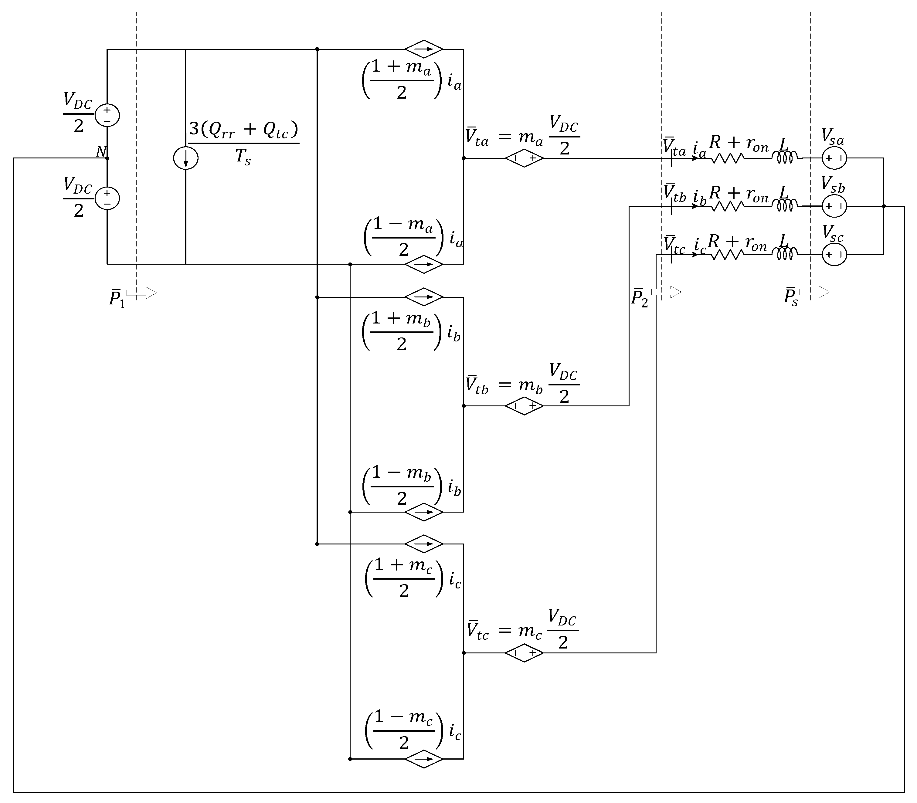
4.1.1. Implementation of the Average Model-Based Converter Loss Model
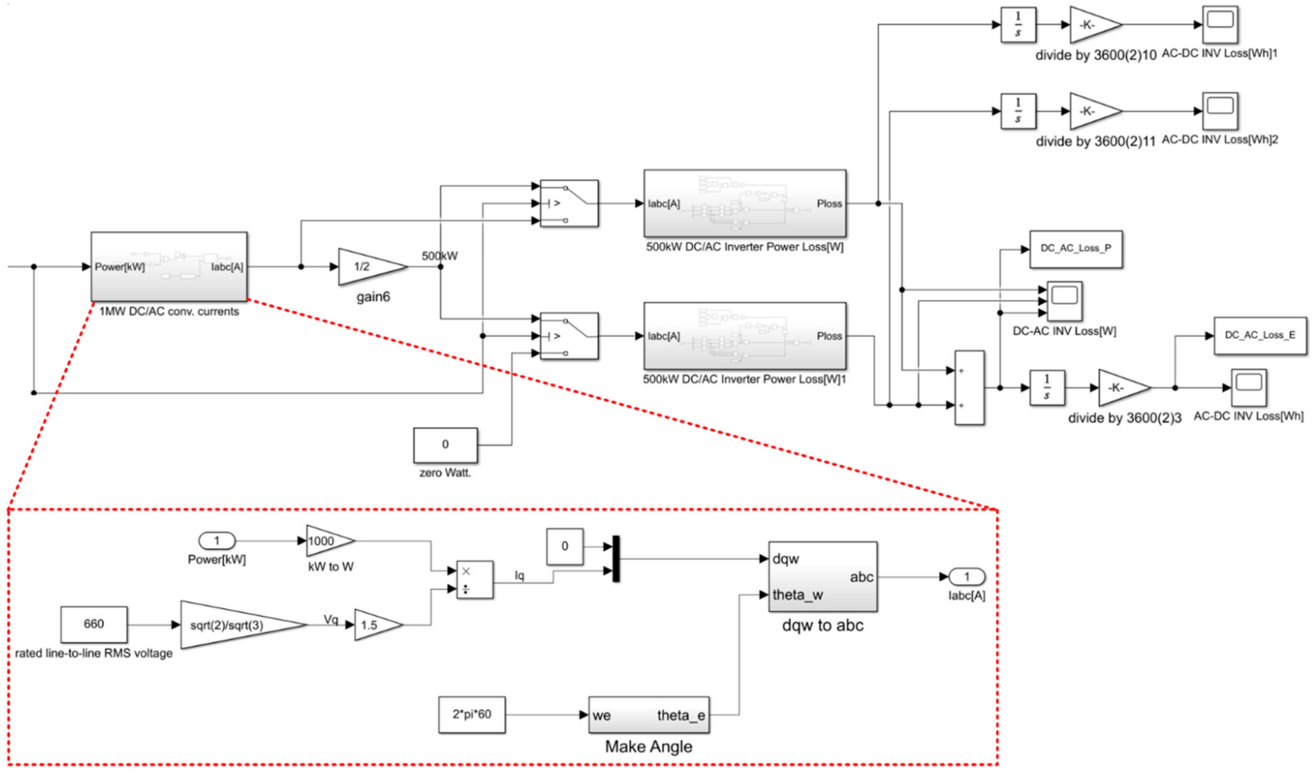
4.1.2. Loss Model of the Entire DC Power Distribution System
4.2. Simulation Results of System Efficiency
5. Conclusions
Author Contributions
Funding
Institutional Review Board Statement
Informed Consent Statement
Data Availability Statement
Acknowledgments
Conflicts of Interest
Nomenclature
| Abbreviations | |
| AMP | alternative maritime power |
| AUX.LOAD | auxiliary load on board |
| BESS | battery energy storage system |
| CB | circuit breaker |
| DOD | depth of discharge |
| EPM | electric propulsion motor |
| ESS | energy storage system |
| IPS | integrated power system |
| LUT | look up table |
| MTPA | maximum torque per ampere |
| N.C. | normally closed |
| N.O. | normally open |
| PCS | power conversion system |
| PMSM | permanent magnet synchronous motor |
| SOC | state of charge |
| SSCB | solid state circuit breaker |
| VFD | variable frequency drive |
| Superscript | |
| * | reference value |
| s | stationary reference frame |
| e | Synchronously rotating reference frame |
| Subscript | |
| a, b, c | basic three phase |
| d, q | direct axis, quadrature axis |
| Symbols | |
| duty ratio | |
| circulating current | |
| diode conduction current (where, k = 1, 2, 3...) | |
| switch conduction current (where, k = 1, 2, 3...) | |
| modulation index | |
| average power of the dc side | |
| average power of the ac side | |
| quantity of electric charge of the reverse recovery current | |
| quantity of electric charge of the tail current | |
| on-state resistance | |
| effective resistance | |
| reverse recovery time | |
| switching period | |
| tail current time | |
| voltage drop | |
| effective voltage offset | |
| average ac side output voltage | |
| average output voltage | |
References
- Fiadomor, R. Assessment of Alternative Maritime Power (Cold Ironing) and Its Impact on Port Management and Operations. Master’s Thesis, World Maritime University, Malmö, Sweden, 2009. [Google Scholar]
- Čampara, L.; Hasanspahić, N.; Vujičić, S. Overview of MARPOL ANNEX VI regulations for prevention of air pollution from marine diesel engines. SHS Web Conf. 2018, 58, 01004. [Google Scholar] [CrossRef]
- Buhaug, Ø.; Corbett, J.; Endresen, Ø.; Eyring, V.; Faber, J.; Hanayama, S.; Lee, D.; Lee, D.; Lindstad, H.; Markowska, A. Second IMO GHG Study 2009; IMO: London, UK, 2009. [Google Scholar]
- Viana, M.; Hammingh, P.; Colette, A.; Querol, X.; Degraeuwe, B.; de Vlieger, I.; van Aardenne, J. Impact of maritime transport emissions on coastal air quality in Europe. Atmos. Environ. 2014, 90, 96–105. [Google Scholar] [CrossRef]
- Deng, J.; Wang, X.; Wei, Z.; Wang, L.; Wang, C.; Chen, Z. A review of NOx and SOx emission reduction technologies for marine diesel engines and the potential evaluation of liquefied natural gas fuelled vessels. Sci. Total Environ. 2020, 766, 144319. [Google Scholar] [CrossRef] [PubMed]
- Joung, T.-H.; Kang, S.-G.; Lee, J.-K.; Ahn, J. The IMO initial strategy for reducing Greenhouse Gas(GHG) emissions, and its follow-up actions towards 2050. J. Int. Marit. Safety Environ. Aff. Shipp. 2020, 4, 1–7. [Google Scholar] [CrossRef]
- Vicenzutti, A.; Bosich, D.; Giadrossi, G.; Sulligoi, G. The Role of Voltage Controls in Modern All-Electric Ships: Toward the all electric ship. IEEE Electrif. Mag. 2015, 3, 49–65. [Google Scholar] [CrossRef]
- Lee, D.K.; Jeong, Y.K.; Shin, J.G.; Oh, D.K. Optimized design of electric propulsion system for small crafts using the differential evolution algorithm. Int. J. Precis. Eng. Manuf.-Green Tech. 2014, 1, 229–240. [Google Scholar] [CrossRef][Green Version]
- Ančić, I.; Vladimir, N.; Luttenberger, L.R. Energy efficiency of ro-ro passenger ships with integrated power systems. Ocean Eng. 2018, 166, 350–357. [Google Scholar] [CrossRef]
- Kim, S.Y.; Cho, B.G.; Sul, S.K. Feasibility study of Integrated Power System with Battery Energy Storage System for naval ships. In Proceedings of the 2012 IEEE Vehicle Power and Propulsion Conference, Seoul, Korea, 9–12 October 2012; pp. 532–537. [Google Scholar] [CrossRef]
- Jin, B.Z.; Sulligoi, G.; Cuzner, R.; Meng, L.; Vasquez, J.C.; Guerrero, J.M. Next-Generation Shipboard DC Power System. IEEE Electrif. Mag. 2016, 4, 45–57. [Google Scholar] [CrossRef]
- Nuchturee, C.; Li, T.; Xia, H. Energy efficiency of integrated electric propulsion for ships—A review. Renew. Sustain. Energy Rev. 2020, 134, 110145. [Google Scholar] [CrossRef]
- Fang, S.; Wang, Y.; Gou, B.; Xu, Y. Toward Future Green Maritime Transportation: An Overview of Seaport Microgrids and All-Electric Ships. IEEE Trans. Veh. Technol. 2020, 69, 207–219. [Google Scholar] [CrossRef]
- Anwar, S.; Zia, M.Y.I.; Rashid, M.; Rubens, G.Z.d.; Enevoldsen, P. Towards Ferry Electrification in the Maritime Sector. Energies 2020, 13, 6506. [Google Scholar] [CrossRef]
- Koumentakos, A.G. Developments in electric and green marine ships. Appl. Syst. Innov. 2019, 2, 34. [Google Scholar] [CrossRef]
- Banaei, M.; Ghanami, F.; Rafiei, M.; Boudjadar, J.; Khooban, M.H. Energy management of hybrid diesel/battery ships in multidisciplinary emission policy areas. Energies 2020, 13, 4179. [Google Scholar] [CrossRef]
- Hadjipaschalis, I.; Poullikkas, A.; Efthimiou, V. Overview of current and future energy storage technologies for electric power applications. Renew. Sustain. Energy Rev. 2009, 13, 1513–1522. [Google Scholar] [CrossRef]
- Javaid, U.; Freijedo, F.D.; Dujic, D.; Van Der Merwe, W. Dynamic assessment of source-load interactions in marine MVDC distribution. IEEE Trans. Ind. Electron. 2017, 64, 4372–4381. [Google Scholar] [CrossRef]
- Son, Y.K.; Lee, S.Y.; Sul, S.K. DC Power System for Fishing Boat. In Proceedings of the 2018 IEEE International Conference on Power Electronics, Drives and Energy Systems (PEDES), Chennai, India, 18–21 December 2018. [Google Scholar] [CrossRef]
- Prenc, R.; Cuculić, A.; Baumgartner, I. Advantages of using a DC power system on board ship. J. Marit. Transp. Sci. 2016, 52, 83–97. [Google Scholar] [CrossRef]
- Zohrabi, N.; Shi, J.; Abdelwahed, S. An overview of design specifications and requirements for the MVDC shipboard power system. Int. J. Electr. Power Energy Syst. 2019, 104, 680–693. [Google Scholar] [CrossRef]
- Chen, L.; Tong, Y.; Dong, Z. Li-Ion Battery Performance Degradation Modeling for the Optimal Design and Energy Management of Electrified Propulsion Systems. Energies 2020, 13, 1629. [Google Scholar] [CrossRef]
- Bassam, A.; Phillips, A.; Turnock, S.; Wilson, P.A. Design, modelling and simulation of a hybrid fuel cell propulsion system for a domestic ferry. In Proceedings of the 13th International Symposium on PRActical Design of Ships and Other Floating Structures (PRADS’ 2016), Copenhagen, Denmark, 4–8 September 2016; Technical University of Denmark: Lyngby, Denmark, 2016; pp. 545–553. [Google Scholar]
- Spagnolo, G.S.; Papalilo, D.; Martocchia, A. Eco friendly electric propulsion boat. In Proceedings of the 2011 10th International Conference on Environment and Electrical Engineering, Rome, Italy, 8–11 May 2011; pp. 1–4. [Google Scholar] [CrossRef]
- Malla, U. Design and sizing of battery system for electric yacht and ferry. Int. J. Interact. Des. Manuf. 2020, 14, 137–142. [Google Scholar] [CrossRef]
- Liaw, B.Y.; Nagasubramanian, G.; Jungst, R.G.; Doughty, D.H. Modeling of lithium ion cells—A simple equivalent-circuit model approach. Solid State Ionics 2004, 175, 835–839. [Google Scholar] [CrossRef]
- Wei, Z.; Zhao, J.; Xiong, R.; Dong, G.; Pou, J.; Tseng, K.J. Online Estimation of Power Capacity With Noise Effect Attenuation for Lithium-Ion Battery. IEEE Trans. Ind. Appl. 2019, 66, 5724–5735. [Google Scholar] [CrossRef]
- Li, Y.; Wei, Z.; Xiong, B.; Vilathgamuwa, D.M. Adaptive Ensemble-Based Electrochemical-Thermal-Degradation State Estimation of Lithium-ion Batteries. IEEE Trans. Ind. Electron. 2021. [Google Scholar] [CrossRef]
- Saw, L.H.; Somasundaram, K.; Ye, Y.; Tay, A.A.O. Electro-thermal analysis of Lithium Iron Phosphate battery for electric vehicles. J. Power Sources 2014, 249, 231–238. [Google Scholar] [CrossRef]
- Omar, N.; Monem, M.A.; Firouz, Y.; Salminen, J.; Smekens, J.; Hegazy, O.; Gaulous, H.; Mulder, G.; Van den Bossche, P.; Coosemans, T.; et al. Lithium iron phosphate based battery-Assessment of the aging parameters and development of cycle life model. Appl. Energy 2014, 113, 1575–1585. [Google Scholar] [CrossRef]
- Tremblay, O.; Dessaint, L.A. Experimental validation of a battery dynamic model for EV applications. World Electr. Veh. J. 2009, 2, 930–939. [Google Scholar] [CrossRef]
- Zhu, C.; Li, X.; Song, L.; Xiang, L. Development of a theoretically based thermal model for lithium ion battery pack. J. Power Sources 2013, 223, 155–164. [Google Scholar] [CrossRef]
- Wei, Z.; Zou, C.; Leng, F.; Soong, B.H.; Tseng, K. Online Model Identification and State-of-Charge Estimate for Lithium-Ion Battery With a Recursive Total Least Squares-Based Observer. IEEE Trans. Ind. Electron. 2018, 65, 1336–1346. [Google Scholar] [CrossRef]
- Hannan, M.A.; Hossain Lipu, M.S.; Hussain, A.; Mohamed, A. A review of lithium-ion battery state of charge estimation and management system in electric vehicle applications: Challenges and recommendations. Renew. Sustain. Energy Rev. 2017, 78, 834–854. [Google Scholar] [CrossRef]
- D’Agostino, F.; Kaza, D.; Martelli, M.; Schiapparelli, G.-P.; Silvestro, F.; Soldano, C. Development of a Multiphysics Real-Time Simulator for Model-Based Design of a DC Shipboard Microgrid. Energies 2020, 13, 3580. [Google Scholar] [CrossRef]
- Zahedi, B.; Norum, L.E. Modeling and Simulation of All-Electric Ships With Low-Voltage DC Hybrid Power Systems. IEEE Trans. Power Electron. 2013, 28, 4525–4537. [Google Scholar] [CrossRef]
- Widmann, J.; Nerbun, A.; Koniers, J. Modular/Compact Hybrid Electric Drive and Permanent Magnet Motor for FFX-II. In Proceedings of the 2019 IEEE Electric Ship Technologies Symposium (ESTS), Washington, DC, USA, 14–16 August 2019; pp. 438–444. [Google Scholar] [CrossRef]
- Kirtley, J.L.; Banerjee, A.; Englebretson, S. Motors for Ship Propulsion. Proc. IEEE 2015, 103, 2320–2332. [Google Scholar] [CrossRef]
- Yanamoto, T.; Izumi, M.; Yokoyama, M.; Umemoto, K. Electric Propulsion Motor Development for Commercial Ships in Japan. Proc. IEEE 2015, 103, 2333–2343. [Google Scholar] [CrossRef]
- Zahedi, B.; Norum, L.E.; Ludvigsen, K.B. Optimized efficiency of all-electric ships by dc hybrid power systems. J. Power Sources 2014, 255, 341–354. [Google Scholar] [CrossRef]
- Fan, L.; Xiao, C.; Chao, X.; Zhang, H.; Lu, Y.; Song, E. Energy Efficiency Analysis of Parallel Ship Gas-Battery Hybrid Power System. In Proceedings of the 2019 5th International Conference on Transportation Information and Safety (ICTIS), Liverpool, UK, 14–17 July 2019; pp. 1111–1116. [Google Scholar] [CrossRef]
- Yu, X.; Khambadkone, A.M. Reliability analysis and cost optimization of parallel-inverter system. IEEE Trans. Ind. Electron. 2012, 59, 3881–3889. [Google Scholar] [CrossRef]
- Zhang, D.; Wang, F.; Burgos, R.; Lai, R.; Boroyevich, D. Impact of interleaving on AC passive components of paralleled three-phase voltage-source converters. IEEE Trans. Ind. Appl. 2010, 46, 1042–1054. [Google Scholar] [CrossRef]
- Li, J.; Yang, Q.; Robinson, F.; Liang, F.; Zhang, M.; Yuan, W. Design and test of a new droop control algorithm for a SMES/battery hybrid energy storage system. Energy 2017, 118, 1110–1122. [Google Scholar] [CrossRef]
- Bandhauer, T.M.; Garimella, S.; Fuller, T.F. Temperature-dependent electrochemical heat generation in a commercial lithium-ion battery. J. Power Sources 2014, 247, 618–628. [Google Scholar] [CrossRef]
- Coppola, T.; Fantauzzi, M.; Miranda, S.; Quaranta, F. Cost/benefit analysis of alternative systems for feeding electric energy to ships in port from ashore. In Proceedings of the 2016 AEIT International Annual Conference (AEIT), Capri, Italy, 5–7 October 2016. [Google Scholar] [CrossRef]
- Sulligoi, G.; Vicenzutti, A.; Menis, R. All-electric ship design: From electrical propulsion to integrated electrical and electronic power systems. IEEE Trans. Transp. Electrif. 2016, 2, 507–521. [Google Scholar] [CrossRef]
- Yazdani, A.; Iravani, R. DC/AC Half-Bridge Converter. In Voltage-Sourced Converters in Power Systems: Modeling, Control, and Applications; IEEE: New York, NY, USA, 2010; pp. 21–47. [Google Scholar] [CrossRef]































| Operations of Target Ferry | Land ↔ Island | Island Anchorage | Land Anchorage |
|---|---|---|---|
| Distance | 2.7 nautical miles one way (5 km) | - | - |
| Speed | Up to 11 knots | 0 knots | 0 knots |
| Propulsion Power | 1740 kW | 3.3 kW | 0 kW |
| Auxiliary load | 150 kW | 150 kW | 0 kW |
| Time required | 15 min. (one way) | 15 min | 75 min (BESS charging) |
| Item | Value | Item | Value |
|---|---|---|---|
| Type | IPMSM | Resistance | 0.0022 Ohm (0.012 p.u.) |
| Power rating | 2.5 MW | D-axis inductance | 0.19 mH (0.69 p.u.) |
| Voltage rating (line-line rms) | 690 V | Q-axis inductance | 0.34 mH (1.23 p.u.) |
| Current rating (rms) | 2100 A | Rated speed | 1650 r/min |
| No. of poles | 8 | - | - |
Publisher’s Note: MDPI stays neutral with regard to jurisdictional claims in published maps and institutional affiliations. |
© 2021 by the authors. Licensee MDPI, Basel, Switzerland. This article is an open access article distributed under the terms and conditions of the Creative Commons Attribution (CC BY) license (https://creativecommons.org/licenses/by/4.0/).
Share and Cite
Kim, Y.-R.; Kim, J.-M.; Jung, J.-J.; Kim, S.-Y.; Choi, J.-H.; Lee, H.-G. Comprehensive Design of DC Shipboard Power Systems for Pure Electric Propulsion Ship Based on Battery Energy Storage System. Energies 2021, 14, 5264. https://doi.org/10.3390/en14175264
Kim Y-R, Kim J-M, Jung J-J, Kim S-Y, Choi J-H, Lee H-G. Comprehensive Design of DC Shipboard Power Systems for Pure Electric Propulsion Ship Based on Battery Energy Storage System. Energies. 2021; 14(17):5264. https://doi.org/10.3390/en14175264
Chicago/Turabian StyleKim, Ye-Rin, Jae-Myeong Kim, Jae-Jung Jung, So-Yeon Kim, Jae-Hak Choi, and Hyun-Goo Lee. 2021. "Comprehensive Design of DC Shipboard Power Systems for Pure Electric Propulsion Ship Based on Battery Energy Storage System" Energies 14, no. 17: 5264. https://doi.org/10.3390/en14175264
APA StyleKim, Y.-R., Kim, J.-M., Jung, J.-J., Kim, S.-Y., Choi, J.-H., & Lee, H.-G. (2021). Comprehensive Design of DC Shipboard Power Systems for Pure Electric Propulsion Ship Based on Battery Energy Storage System. Energies, 14(17), 5264. https://doi.org/10.3390/en14175264

