Development of Empirical Correlation of Two-Phase Pressure Drop in Moisture Separator Based on Separated Flow Model
Abstract
:1. Introduction
2. Strategy to Develop Two-Phase Pressure Drop Prediction Model
2.1. Conventional Two-Phase Pressure Drop Models
2.2. Flow Characteristics in Moisture Separator and Two-Phase Pressure Drop Model Development Strategy
- Establishment of Euler number (Eu) correlation after a single-phase flow test.
- Comparison with two-phase pressure drop multiplier models after performing a two-phase flow test.
- First, the single-phase Euler number is evaluated based on the single-phase air pressure drop test. The Euler number implies the pressure loss coefficient, as expressed in Equation (1).
- 2.
- From the two-phase pressure drop data and total liquid pressure drop estimated from Equation (2), the total liquid two-phase pressure drop multiplier is calculated as follows:where ΔP2ϕ is the two-phase pressure drop, which is obtained from the experiments.
- 3.
- Finally, the empirical correlation of the total liquid two-phase pressure drop multiplier is established considering the effect of major variables representing the physical phenomena of the flow inside the moisture separator on the multiplier.
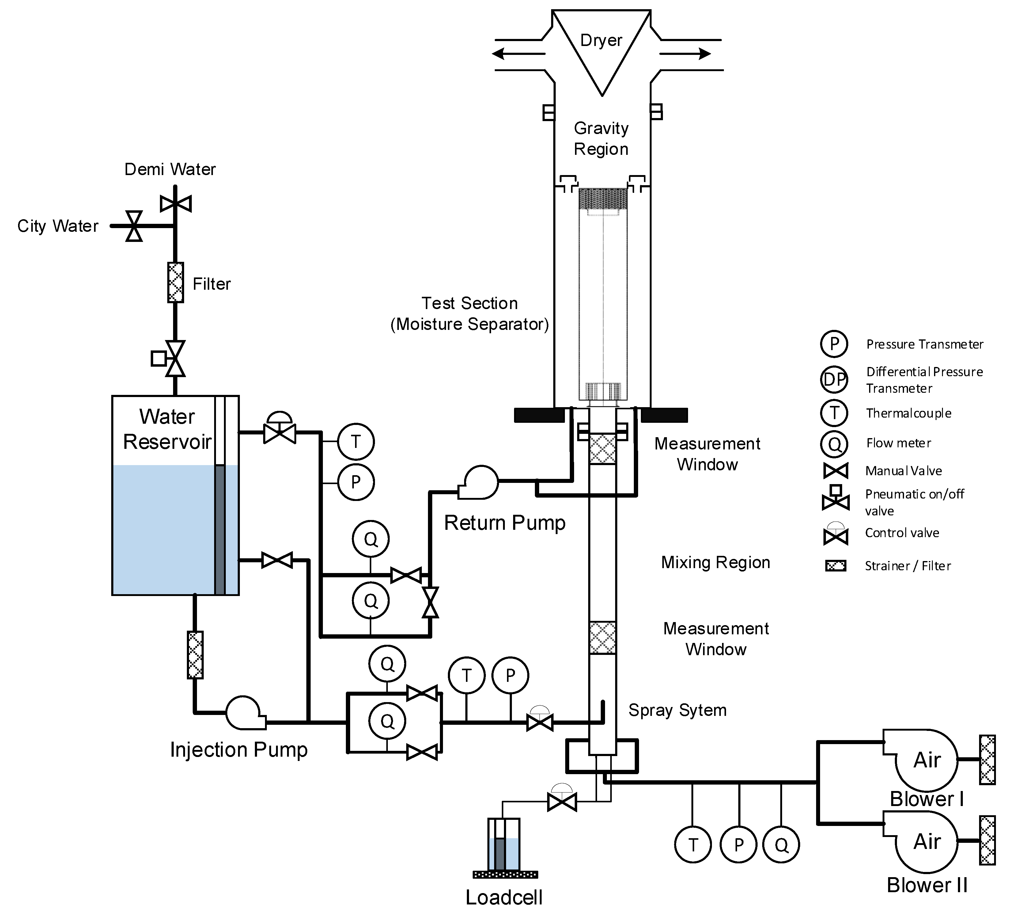
3. Experimental Setups and Methods
3.1. Fluid System
3.2. Full Scale and Half Scale Moisture Separators
4. Experimental Results
4.1. Single-Phase Test Results
4.2. Two-Phase Test Results
4.3. Benchmark Test Results
5. Development of Empirical Correlation for Two-Phase Pressure Drop Multiplier across Moisture Separator
5.1. Previous Research
5.2. Empirical Correlation
6. Conclusions
Author Contributions
Funding
Data Availability Statement
Conflicts of Interest
References
- Paik, C.Y.; Mullen, G.; Knoess, C.; Griffith, P. Steam separator modeling for various nuclear reactor transients. Nucl. Eng. Des. 1988, 108, 83–97. [Google Scholar] [CrossRef]
- Green, S.J.; Hestroni, G. PWR steam generators. Int. J. Multiph. Flow 1995, 21, 1–97. [Google Scholar] [CrossRef]
- Kim, J.I.; Kim, M.Y.; Bae, H.S.; Lee, B.E. An experimental investigation for the moisture separation system of a steam generator for nuclear power generation. In Proceedings of the ICAPP, Reno, NV, USA, 4–8 June 2006. [Google Scholar]
- Collier, J.G.; Thome, J.R. Convective Boiling and Condensation, 3rd ed.; Oxford University Press Inc.: New York, NY, USA, 1994; pp. 34–130. [Google Scholar]
- Ishii, M. One Dimensional Drift-Flux Model and Constitutive Equations for Relative Motion between Phases in Various Two-Phase Flow Regimes; ANL-77-47; Argonne National Laboratory: Lemont, IL, USA, 1977. [Google Scholar]
- Idelchik, I.E. Handbook of Hydraulic Resistance, 3rd ed.; Begell House Inc.: New York, NY, USA, 1996. [Google Scholar]
- Zeghloul, A.; Azzi, A.; Saidj, F.; Messilem, A.; Azzopardi, B.J. Pressure drop through orifices for single- and two-phase vertically upward flow—Implication for metering. J. Fluids Eng. 2017, 139, 031302. [Google Scholar] [CrossRef]
- Kim, K.; Lee, J.B.; Kim, W.S.; Choi, H.; Kim, J.I. Development of a prediction model relating the two-phase pressure drop in a moisture separator using an air/water test facility. Nucl. Eng. Technol. 2021, in press. [Google Scholar] [CrossRef]
- Liu, L.; Bai, B. Scaling laws for gas–liquid flow in swirl vane separators. Nucl. Eng. Des. 2016, 298, 229–239. [Google Scholar] [CrossRef]
- Hoffmann, A.C.; Stein, L.E. Gas Cyclones and Swirl Tubes, 2nd ed.; Springer: New York, NY, USA, 2007. [Google Scholar]
- Kataoka, I.; Ishii, M. Drift-flux model for large diameter pipe and new correlation for pool void fraction. Int. J. Heat Mass Transf. 1987, 30, 1927–1939. [Google Scholar]
- Schlegel, J.P.; Sawant, P.; Paranjape, S.; Ozar, B.; Hibiki, T.; Ishii, M. Void fraction and flow regime in adiabatic upward two-phase flow in large diameter vertical pipe. Nucl. Eng. Des. 2009, 239, 2864–2874. [Google Scholar] [CrossRef]
- Schlegel, J.P.; Miwa, S.; Chen, S.; Hibiki, T.; Ishii, M. Experimental study of two-phase flow structure in large diameter pipes. Exp. Therm. Fluid Sci. 2012, 41, 12–22. [Google Scholar] [CrossRef]
- Wallis, G.B. One-Dimensional Two-Phase Flow; McGraw-Hill Inc.: New York, NY, USA, 1969. [Google Scholar]
- Yun, B.J.; Kwon, T.S.; Song, C.H.; Jeong, J.J.; Cho, H.K.; Park, G.C. Scaling of the direct ECC bypass during LBLOCA reflood phase with direct vessel injection system. In Proceedings of the International Conference on Nuclear Engineering, Nice Acropolis, France, 8–12 April 2001. [Google Scholar]
- Arora, J.S. Introduction to Optimum Design; Elsevier Academic Press: Cambridge, MA, USA, 2004. [Google Scholar]







| Design Pressure | 0.5 MPa |
| Design Temperature | 60 °C |
| Separator Diameter | 0.14~0.5 m |
| Separator Height | 0.79~3.4 m |
| Water Mass Flow Rate | up to 36 m3/h (@ 1 atm, head of 57 m) |
| Air Mass Flow Rate | up to 7000 m3/h (@ 1 atm head of 1.2 kgf/cm2) |
| Instrumentation | Model | Accuracy |
|---|---|---|
| Pressure Transmitter | Rosemount 3051 | ±0.15% of span |
| Differential Pressure Transmitter | Rosemount 3051 | ±0.15% of span |
| Vortex Flow Meter | Rosemount 8800D Series | ±1.00% of span (gas) |
| Magnetic Flow Meter | Panametrics | ±0.51% of span |
| Mass Flow Controller | BROOKS, SLAMf51 | ±0.632% of span |
| Thermocouple | Watlow, K-type | ±1.1 °C or 0.4% |
| No. | Inlet Pres. | Inlet Temp. | ρg | ΔP | jg | Eu |
|---|---|---|---|---|---|---|
| (kPa) | (°C) | (kg/m3) | (kPa) | (m/s) | (-) | |
| 1 | 113.3 | 26.6 | 1.317 | 9.524 | 28.375 | 8.980 |
| 2 | 112.5 | 27.5 | 1.304 | 8.723 | 27.403 | 8.910 |
| 3 | 111.2 | 27.6 | 1.289 | 7.335 | 25.598 | 8.687 |
| 4 | 109.4 | 26.7 | 1.271 | 5.584 | 22.891 | 8.384 |
| 5 | 107.2 | 25.1 | 1.252 | 3.459 | 18.382 | 8.175 |
| 6 | 106.0 | 24.5 | 1.241 | 2.397 | 15.368 | 8.175 |
| 7 | 105.1 | 24.1 | 1.232 | 1.530 | 12.245 | 8.283 |
| 8 | 104.4 | 23.9 | 1.225 | 0.847 | 9.053 | 8.440 |
| 9 | 103.9 | 23.9 | 1.219 | 0.369 | 5.917 | 8.639 |
| 10 | 103.4 | 22.7 | 1.218 | 0.029 | 1.747 | 7.932 |
| No. | Inlet Pres. | Inlet Temp. | ρg | ΔP | jg | Eu |
|---|---|---|---|---|---|---|
| (kPa) | (°C) | (kg/m3) | (kPa) | (m/s) | (-) | |
| 1 | 105.9 | 21.6 | 1.251 | 4.183 | 20.4 | 8.063 |
| 2 | 104.4 | 22.6 | 1.229 | 2.701 | 17.2 | 7.439 |
| 3 | 103.4 | 22.7 | 1.217 | 1.674 | 14.0 | 6.993 |
| 4 | 102.7 | 22.5 | 1.210 | 1.031 | 11.0 | 7.026 |
| 5 | 101.8 | 19.2 | 1.213 | 0.185 | 5.1 | 5.838 |
| No. | Inlet Pres. | Inlet Temp. | ΔP | x | ρf | ρg | ρf/ρg | jf | jg | ϕLO,Exp2 |
|---|---|---|---|---|---|---|---|---|---|---|
| (kPa) | (°C) | (kPa) | (-) | (kg/m3) | (kg/m3) | (-) | (m/s) | (m/s) | (-) | |
| 1 | 120.6 | 22.7 | 16.8 | 0.314 | 997.6 | 1.420 | 702.3 | 0.072 | 23.3 | 380.3 |
| 2 | 119.4 | 22.9 | 15.6 | 0.364 | 997.5 | 1.405 | 709.8 | 0.059 | 24.0 | 527.4 |
| 3 | 118.1 | 23.0 | 14.3 | 0.440 | 997.5 | 1.389 | 717.9 | 0.044 | 25.0 | 865.5 |
| 4 | 116.1 | 22.8 | 12.3 | 0.419 | 997.5 | 1.367 | 729.8 | 0.045 | 23.4 | 737.1 |
| 5 | 117.2 | 23.0 | 13.5 | 0.346 | 997.5 | 1.379 | 723.4 | 0.059 | 22.7 | 453.4 |
| 6 | 118.3 | 23.2 | 14.5 | 0.297 | 997.4 | 1.391 | 717.1 | 0.072 | 21.9 | 328.6 |
| 7 | 117.2 | 23.2 | 13.4 | 0.288 | 997.4 | 1.378 | 723.9 | 0.072 | 21.2 | 303.2 |
| 8 | 116.2 | 23.2 | 12.5 | 0.335 | 997.5 | 1.367 | 729.8 | 0.059 | 21.9 | 419.7 |
| 9 | 115.1 | 23.2 | 11.4 | 0.410 | 997.5 | 1.354 | 736.8 | 0.045 | 22.8 | 678.5 |
| 10 | 112.8 | 22.8 | 9.1 | 0.375 | 997.5 | 1.328 | 751.2 | 0.045 | 20.2 | 531.7 |
| 11 | 113.6 | 22.9 | 9.9 | 0.305 | 997.5 | 1.337 | 745.9 | 0.060 | 19.5 | 331.7 |
| 12 | 114.4 | 22.9 | 10.7 | 0.260 | 997.5 | 1.346 | 740.9 | 0.073 | 18.9 | 240.8 |
| 13 | 110.7 | 22.8 | 7.1 | 0.217 | 997.5 | 1.304 | 765.2 | 0.073 | 15.4 | 157.9 |
| 14 | 110.2 | 22.7 | 6.5 | 0.257 | 997.6 | 1.298 | 768.6 | 0.060 | 15.9 | 215.5 |
| 15 | 109.6 | 22.6 | 5.9 | 0.319 | 997.6 | 1.292 | 772.4 | 0.045 | 16.4 | 341.9 |
| 16 | 108.9 | 22.3 | 5.3 | 0.419 | 997.6 | 1.284 | 776.8 | 0.030 | 17.0 | 679.2 |
| 17 | 107.4 | 22.0 | 3.8 | 0.370 | 997.7 | 1.268 | 786.7 | 0.031 | 14.2 | 478.4 |
| 18 | 107.9 | 22.1 | 4.3 | 0.276 | 997.7 | 1.274 | 783.3 | 0.046 | 13.6 | 243.3 |
| 19 | 108.3 | 22.1 | 4.7 | 0.219 | 997.7 | 1.278 | 780.4 | 0.060 | 13.1 | 155.2 |
| 20 | 108.7 | 22.1 | 5.1 | 0.183 | 997.7 | 1.283 | 777.8 | 0.073 | 12.7 | 112.8 |
| 21 | 106.7 | 21.9 | 3.1 | 0.180 | 997.7 | 1.260 | 791.9 | 0.060 | 10.4 | 102.2 |
| 22 | 106.4 | 21.8 | 2.8 | 0.230 | 997.8 | 1.257 | 793.8 | 0.046 | 10.8 | 158.2 |
| 23 | 106.0 | 21.6 | 2.5 | 0.313 | 997.8 | 1.253 | 796.1 | 0.031 | 11.3 | 305.8 |
| 24 | 105.7 | 21.1 | 2.2 | 0.466 | 997.9 | 1.252 | 797.3 | 0.017 | 11.7 | 901.6 |
| 25 | 104.7 | 21.3 | 1.2 | 0.381 | 997.9 | 1.239 | 805.2 | 0.017 | 8.5 | 477.3 |
| 26 | 104.9 | 21.5 | 1.3 | 0.244 | 997.8 | 1.240 | 804.4 | 0.031 | 8.1 | 160.3 |
| 27 | 104.9 | 21.5 | 1.3 | 0.244 | 997.8 | 1.240 | 804.4 | 0.031 | 8.1 | 161.8 |
| No. | Inlet Pres. | Inlet Temp. | ΔP | x | ρf | ρg | ρf/ρg | jf | jg | ϕLO,Exp2 |
|---|---|---|---|---|---|---|---|---|---|---|
| (kPa) | (°C) | (kPa) | (-) | (kg/m3) | (kg/m3) | (-) | (m/s) | (m/s) | (-) | |
| 1 | 107.6 | 17.0 | 6.0 | 0.409 | 998.8 | 1.292 | 773.0 | 0.032 | 17.3 | 812.3 |
| 2 | 107.7 | 17.1 | 6.1 | 0.317 | 998.8 | 1.293 | 772.6 | 0.045 | 16.2 | 421.1 |
| 3 | 108.0 | 17.2 | 6.4 | 0.255 | 998.7 | 1.296 | 770.4 | 0.058 | 15.3 | 271.4 |
| 4 | 108.6 | 17.2 | 7.0 | 0.218 | 998.7 | 1.304 | 766.2 | 0.071 | 15.0 | 199.4 |
| 5 | 105.5 | 17.1 | 3.9 | 0.464 | 998.8 | 1.266 | 789.0 | 0.022 | 15.1 | 1125.1 |
| 6 | 105.6 | 17.1 | 4.0 | 0.336 | 998.8 | 1.267 | 788.0 | 0.035 | 14.0 | 451.9 |
| 7 | 105.9 | 17.1 | 4.3 | 0.260 | 998.8 | 1.271 | 785.8 | 0.048 | 13.2 | 263.4 |
| 8 | 106.4 | 17.1 | 4.8 | 0.211 | 998.8 | 1.277 | 782.0 | 0.060 | 12.6 | 186.2 |
| 9 | 106.9 | 17.1 | 5.3 | 0.176 | 998.8 | 1.283 | 778.5 | 0.073 | 12.1 | 141.1 |
| 10 | 104.1 | 17.1 | 2.5 | 0.371 | 998.8 | 1.249 | 799.5 | 0.025 | 11.9 | 553.6 |
| 11 | 104.3 | 17.0 | 2.7 | 0.268 | 998.8 | 1.253 | 797.4 | 0.038 | 11.0 | 270.6 |
| 12 | 104.8 | 17.0 | 3.1 | 0.208 | 998.8 | 1.258 | 794.2 | 0.050 | 10.4 | 176.6 |
| 13 | 103.2 | 17.0 | 1.6 | 0.285 | 998.8 | 1.239 | 805.9 | 0.027 | 8.8 | 305.5 |
| 14 | 103.5 | 17.0 | 1.9 | 0.206 | 998.8 | 1.243 | 803.6 | 0.040 | 8.2 | 173.2 |
Publisher’s Note: MDPI stays neutral with regard to jurisdictional claims in published maps and institutional affiliations. |
© 2021 by the authors. Licensee MDPI, Basel, Switzerland. This article is an open access article distributed under the terms and conditions of the Creative Commons Attribution (CC BY) license (https://creativecommons.org/licenses/by/4.0/).
Share and Cite
Kim, W.-S.; Lee, J.-B.; Kim, K.-H. Development of Empirical Correlation of Two-Phase Pressure Drop in Moisture Separator Based on Separated Flow Model. Energies 2021, 14, 4448. https://doi.org/10.3390/en14154448
Kim W-S, Lee J-B, Kim K-H. Development of Empirical Correlation of Two-Phase Pressure Drop in Moisture Separator Based on Separated Flow Model. Energies. 2021; 14(15):4448. https://doi.org/10.3390/en14154448
Chicago/Turabian StyleKim, Woo-Shik, Jae-Bong Lee, and Ki-Hwan Kim. 2021. "Development of Empirical Correlation of Two-Phase Pressure Drop in Moisture Separator Based on Separated Flow Model" Energies 14, no. 15: 4448. https://doi.org/10.3390/en14154448
APA StyleKim, W.-S., Lee, J.-B., & Kim, K.-H. (2021). Development of Empirical Correlation of Two-Phase Pressure Drop in Moisture Separator Based on Separated Flow Model. Energies, 14(15), 4448. https://doi.org/10.3390/en14154448

