Measurement Tests and FEM Calculations of DC Excited Flux Switching Motor Prototype
Abstract
1. Introduction
2. Materials and Methods
2.1. Machine and It’s Operation
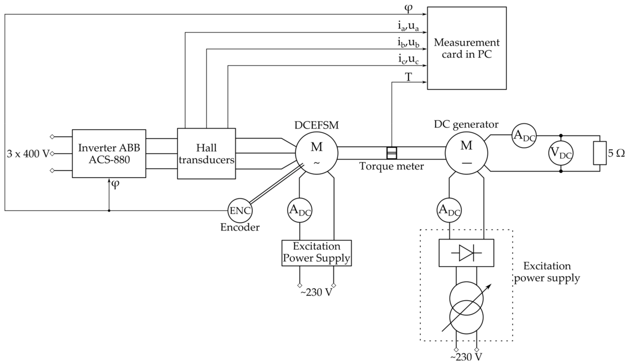
2.2. Test Bench and Test Scenarios
- Measurement of the resistance of the machine windings in the cold and hot state. Measurements were made using Voltmeter-Ammeter DC method with accurate voltage measurement;
- Measurement of self- and mutual inductances of armature phases as a function of rotor position. Measurements were made using an ammeter AC, two voltmeters AC and wattmeter, with accurate voltage measurement, supplying one phase of the armature with sinusoidal voltage. The measuring current was sinusoidal and its RMS value was . Therefore the measurement was performed with the machine’s magnetic circuit unsaturated;
- Measurement of armature inductances and as for a synchronous machine. Measurements were made using an ammeter AC, voltmeter AC, and wattmeter, with accurate voltage measurement, supplying two phases of the armature (connected in wye) with sinusoidal voltage, with two rotor positions: corresponding to the maximum measured inductance (as ) and it’s minimum (as ). The measuring current was sinusoidal and its RMS value was ;
- Measurement of a field winding inductance as a function of rotor position and mutual inductance between field winding and one armature phase. Measurements were made using an ammeter AC, two voltmeters AC, and wattmeter, with accurate voltage measurement, supplying the field winding with sinusoidal voltage. The measuring current was sinusoidal and its RMS value was ;
- Recordings of phase and phase-to-phase EMF waveforms induced in the armature, as a function of the field current (DC), when driving the motor with a constant speed (as an idling generator).
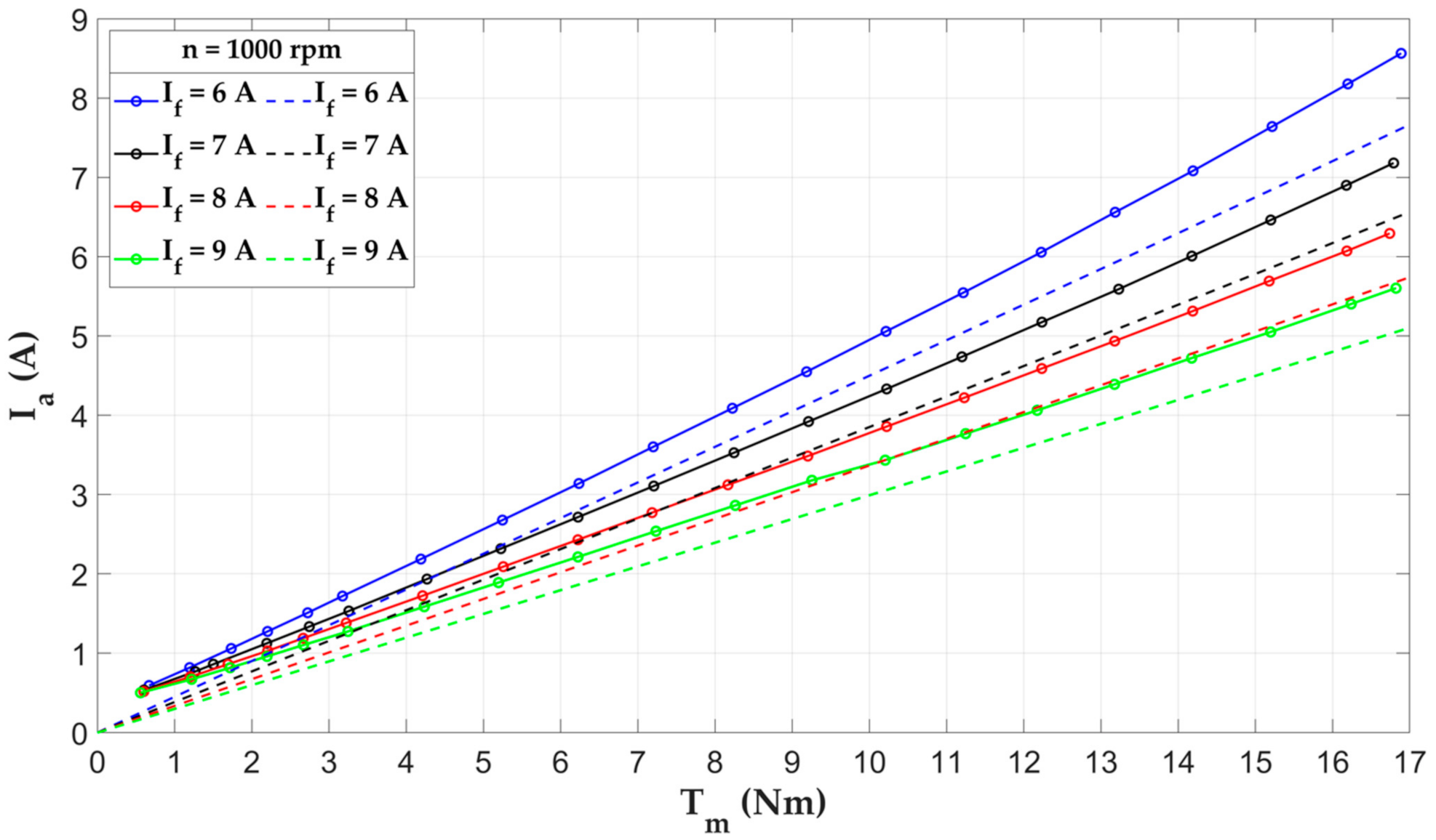
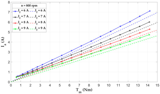
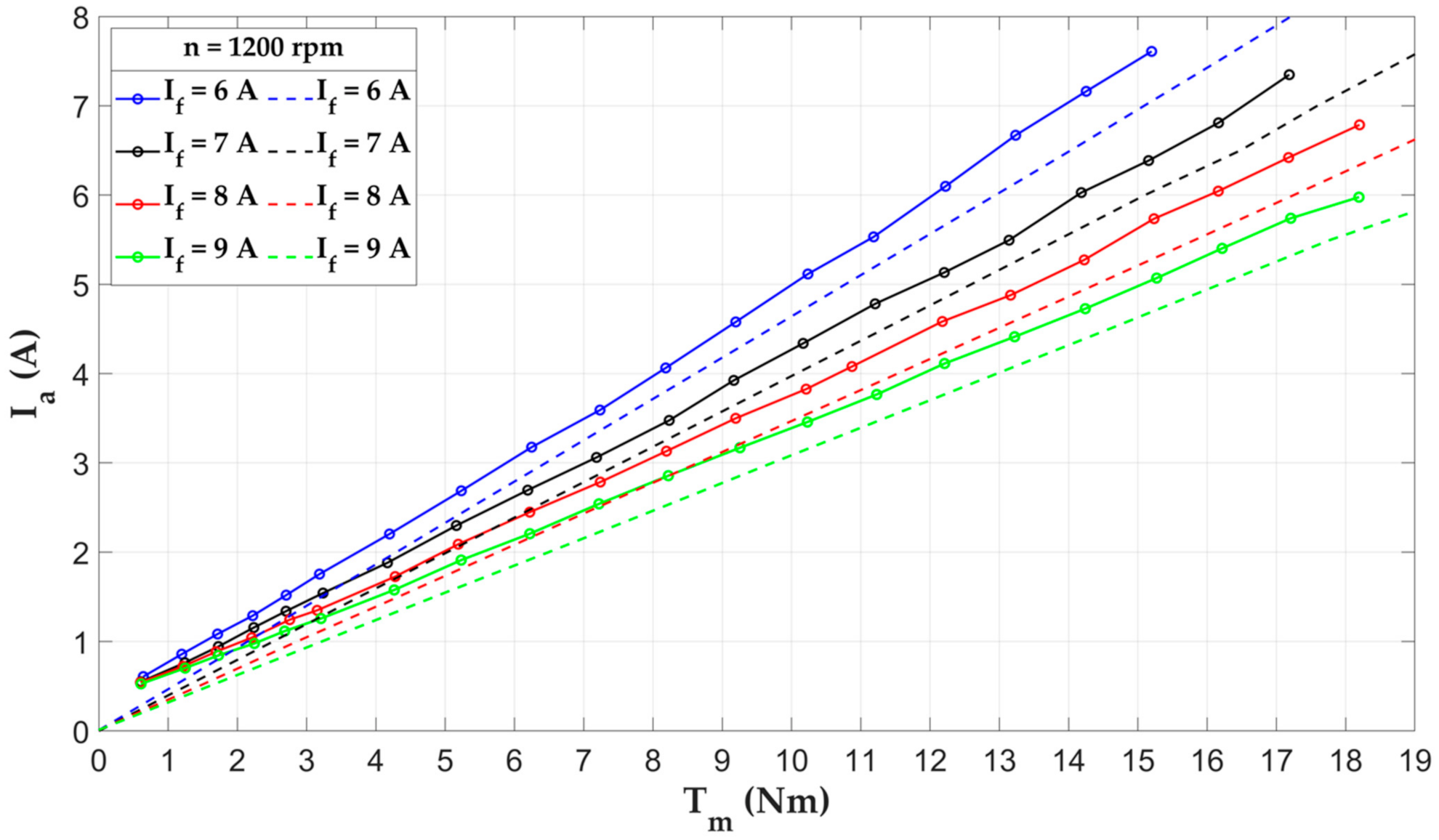
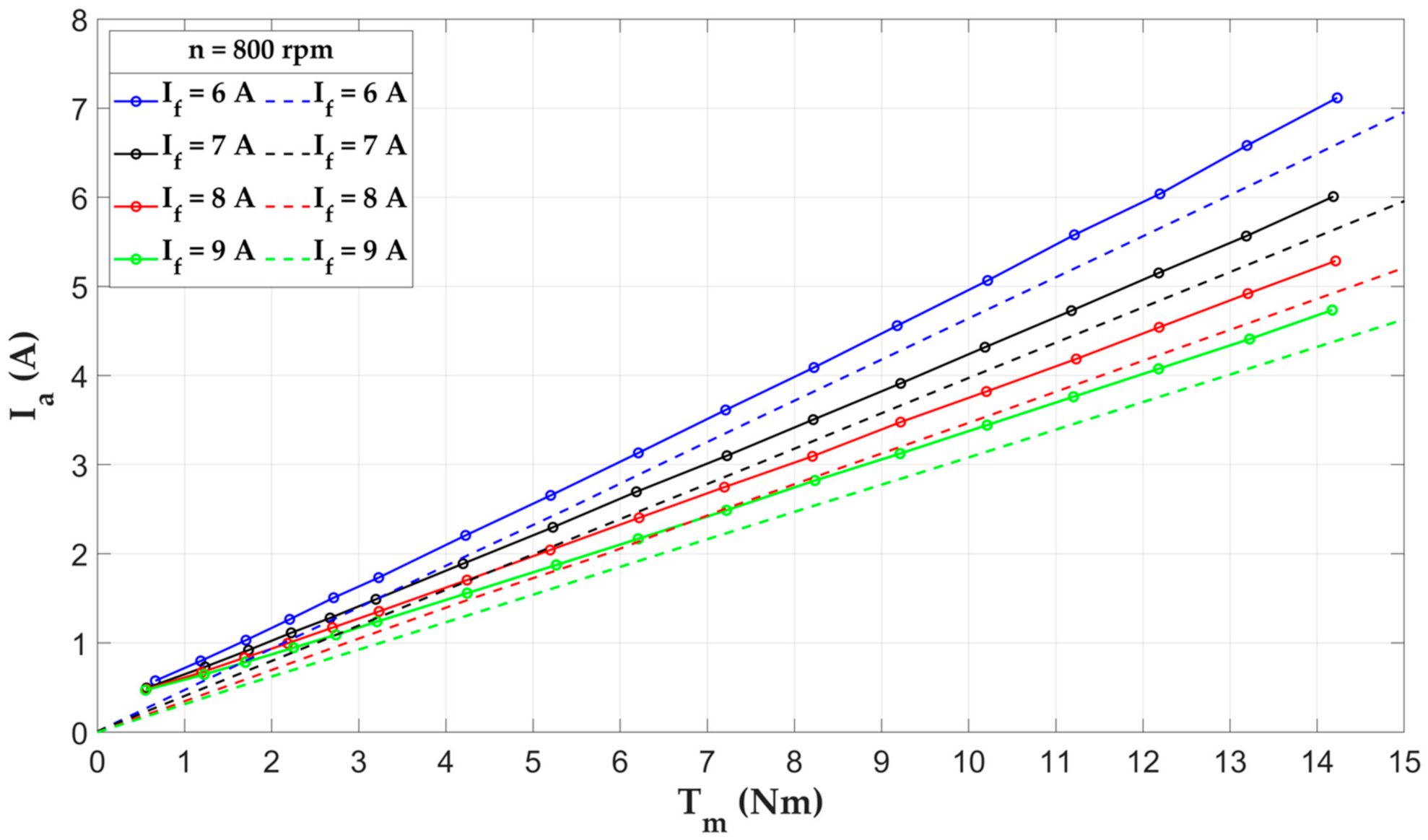
- Measurement of the RMS values of the armature currents as a function of the load torque, at different field currents and different rotation speeds of the motor;
- Measurement of the motor efficiency as a function of the load torque, at different field currents and different motor rotation speeds;
- Measurement of the angular characteristic of the motor starting torque;
- Recordings of phase waveforms of motor voltages and currents when the motor is powered by the inverter.
3. Results
- Confirmation of the thesis about the functioning of the motor as a cylindrical, under-excited, synchronous motor;
- Measurement of the alternating component of the motor torque (Figure 16);
- Confirmation of the motor’s ability to generate starting torque (Figure 17);
- Confirmation of the correctness of the vector control (FOC) of the motor by the inverter as a PMSM motor (Figure 18).
4. Discussion
5. Conclusions
- The motor can be vector controlled (FOC) like the PMSM because it can be identified as a cylindrical, under-excited synchronous machine and it has the same operating properties, even though it is not a rotating field machine;
- The motor is capable of self-starting with the excitation on. Practically the starting has to be performed as frequency starting within the vector control of the motor;
- The waveforms of the machine’s currents and internal phase-to-phase EMFs are practically sinusoidal;
- In the tested range of armature and field current changes, the torque of the motor depends linearly on the RMS value of the armature phase currents and is inversely proportional to the value of the field current. The nature of the latter dependence depends on the degree of saturation of the magnetic circuit of the machine, caused practically exclusively by the armature currents;
- The measurement results indicate the need to redesign the field winding. Currently, both its power losses and operating temperature are too high. For example, this winding may have a greater number of turns to reduce the power losses from (at ) to at least half this value. This will require doubling the number of turns, halving the rated field current (). This requires double enlarging the stator slots for the field winding which reduces the current density twice;
- It is advisable to redesign the magnetic circuit of the machine to reduce the influence of the armature currents on its saturation. This would make it possible to obtain a larger excitation flux at the same field current, and, consequently, to obtain higher torques at the same RMS values of the armature currents. Currently, assuming the temperature of the armature winding (), it is possible to permanently load the armature with an RMS current of , which gives a torque and a mechanical power at . These values are unsatisfactory because an induction motor with this outer stator size and a synchronous speed of has a rated power of approx. . This conclusion applies only to the directions of changes in the design of the optimal stator because the current design uses quite random ferromagnetic sheets, intended for the induction motor.
Author Contributions
Funding
Data Availability Statement
Conflicts of Interest
References
- Chen, J.T.; Zhu, Z.Q.; Iwasaki, S.; Deodhar, R. Low cost flux-switching brushless AC machines. In Proceedings of the 2010 IEEE Vehicle Power and Propulsion Conference, Lille, France, 1–3 September 2010; pp. 1–6. [Google Scholar]
- Sulaiman, E.; Kosaka, T.; Matsui, N. A new structure of 12Slot-10Pole field-excitation flux switching synchronous machine for hybrid electric vehicles. In Proceedings of the 2011 14th European Conference on Power Electronics and Applications, Birmingham, UK, 30 August–1 September 2011; pp. 1–10. [Google Scholar]
- Pollock, C.; Wallace, M. The flux switching motor, a DC motor without magnets or brushes. In Proceedings of the Conference Record of the 1999 IEEE Industry Applications Conference, Thirty-Forth IAS Annual Meeting, Phoenix, AZ, USA, 3–7 October 1999; Volume 3, pp. 1980–1987. [Google Scholar]
- Tang, Y.; Ilhan, E.; Paulides, J.J.H.; Lomonova, E. Design considerations of flux-switching machines with permanent magnet or DC excitation. In Proceedings of the 2013 15th European Conference on Power Electronics and Applications (EPE), Lille, France, 17 October 2013; pp. 1–10. [Google Scholar]
- Tang, Y.; Paulides, J.J.; Lomonova, E. Field weakening performance of flux-switching machines for hybrid/electric vehicles. In Proceedings of the 2015 Tenth International Conference on Ecological Vehicles and Renewable Energies (EVER), Monte Carlo, Monaco, 31 March–2 April 2015; pp. 1–10. [Google Scholar] [CrossRef]
- Curti, M.; Paulides, J.; Lomonova, E. Separation of volume and surface forces and torques in a DC excited Flux Switching Machine. In Proceedings of the 2017 Twelfth International Conference on Ecological Vehicles and Renewable Energies (EVER), Institute of Electrical and Electronics Engineers (IEEE), Monte Carlo, Monaco, 11–13 April 2017; pp. 1–3. [Google Scholar]
- Tang, Y.; Paulides, J.J.H.; Lomonova, E. Automated Design of DC-Excited Flux-Switching In-Wheel Motor Using Magnetic Equivalent Circuits. In Proceedings of the 2014 Ninth International Conference on Ecological Vehicles and Renewable Energies (EVER), Monte-Carlo, Monaco, 25–27 March 2014. [Google Scholar] [CrossRef]
- Balyovski, T.L.; Ilhan, E.; Tang, Y.; Paulides, J.J.H.; Wijnands, C.G.E.; Lomonova, E.A. Control of DC-Excited Flux Switching Machines for Traction Applications. In Proceedings of the 2014 Ninth International Conference and Exhibition on Ecological Vehicles and Renewable Energies (EVER), Monte-Carlo, Monaco, 25–27 March 2014. [Google Scholar]
- Tang, Y.; Paulides, J.J.H.; Lomonova, E. Topologies of flux-switching machines for in-wheel traction. In Proceedings of the 2013 Eighth International Conference and Exhibition on Ecological Vehicles and Renewable Energies (EVER), Monte Carlo, Monaco, 27–30 March 2013. [Google Scholar]
- Mongellaz, R.; Sellier, F.; Chishko, S.; Paulides, J.J.H.; Lomonova, E. Co-Energy-Based Lookup Table Model for DC-Excited Flux-Switching Motor: Study at Vehicle Level. In Proceedings of the 2015 IEEE Vehicle Power and Propulsion Conference (VPPC), Montreal, QC, Canada, 19–22 October 2015; pp. 1–8. [Google Scholar]
- Chishko, S.D.; Tang, Y.; Paulides, J.J.H.; Lomonova, E.A. Co-Energy-based Model for DC Excited FluxSwitching Motor. In Proceedings of the 2015 Tenth International Conference on EVER, Monte Carlo, Monaco, 31 March–2 April 2015. [Google Scholar]
- Chishko, S.; Tang, Y.; Paulides, J.J.H.; Lomonova, E.A. DC excited flux-switching motor: Rotor structural optimization. In Proceedings of the 2014 17th International Conference on Electrical Machines and Systems (ICEMS), Hangzhou, China, 22–25 October 2014. [Google Scholar]
- Tang, Y.; Lomonova, E.A.; Paulides, J.J.H. Winding topologies of flux-switching motors for in-wheel traction. COMPEL Int. J. Comput. Math. Electr. 2015, 34, 32–45. [Google Scholar] [CrossRef]
- Tang, Y.; Paulides, J.J.H.; Lomonova, E. Energy Conversion in DC Excited Flux-Switching Machines. IEEE Trans. Magn. 2014, 50, 1–4. [Google Scholar] [CrossRef][Green Version]
- Bin Sulaiman, E.; Khan, F.; Kosaka, T. Field-excited flux switching motor design, optimization and analysis for future hybrid electric vehicle using finite element analysis. Prog. Electromagn. Res. B 2016, 71, 153–166. [Google Scholar] [CrossRef]
- Sulaiman, E.; Teridi, M.F.M.; Husin, Z.A.; Ahmad, M.Z.; Kosaka, T. Performance Comparison of 24S-10P and 24S-14P Field Excitation Flux Switching Machine with SingleDC-Coil polarity. In Proceedings of the 2013 IEEE 7th International International Power Engineering and Optimization Conference (PEOCO), Langkawi, Malaysia, 3–4 June 2013. [Google Scholar]
- Finite Element Method Magnetics. Available online: http://www.femm.info/wiki/HomePage (accessed on 1 January 2020).
- Kara, D.; Kołacz, T.; Skwarczyński, J. Electrical machines with switched and modulated flux. Sci. Technol. Innov. 2020, 8, 1–12. [Google Scholar] [CrossRef]
- Hoang, E.; Lecrivain, M.; Gabsi, M. Machine Électrique à Commutation de Flux et à Double Excitation. Brevet no. de dépôt FR0602058, déposant: CNRS 8 March 2006. Extension internationale no. PCT/EP2007/052167, 8 March 2007. [Google Scholar]
- Gao, Y.; Li, D.; Qu, R.; Fan, X.; Li, J.; Ding, H. A Novel Hybrid Excitation Flux Reversal Machine for Electric Vehicle Propulsion. IEEE Trans. Veh. Technol. 2018, 67, 171–182. [Google Scholar] [CrossRef]
- Fukami, T.; Matsuura, Y.; Shima, K.; Momiyama, M.; Kawamura, M. Development of a low-speed multi-pole synchronous machine with a field winding on the stator side. In Proceedings of the XIX International Conference on Electrical Machines—ICEM, Rome, Italy, 6–8 September 2010; pp. 1–6. [Google Scholar]
- Yang, S.-M.; Zhang, J.-H.; Jiang, J.-Y. Modeling Torque Characteristics and Maximum Torque Control of a Three-Phase, DC-Excited Flux-Switching Machine. IEEE Trans. Magn. 2016, 52, 1–4. [Google Scholar] [CrossRef]
- Othman, S.; Ahmad, M.; Rahim, J.; Bahrim, F.; Sulaiman, E. Design Improvement of Three Phase 12Slot-14Pole Outer Rotor Field Excitation Flux Switching Motor. Int. J. Power Electron. Drive Syst. 2017, 8, 239. [Google Scholar] [CrossRef]























| Motor Parameter | Value | Comment |
|---|---|---|
| Power (on the shaft) | at speed | |
| Armature Power | at speed | |
| Field Winding Power | at field current | |
| Rotation Speed | at frequency and voltage | |
| Frequency | at speed | |
| Voltage (phase-to-phase RMS) | at speed | |
| Torque | thermally limited | |
| Armature Current (RMS) | thermally limited value at speed | |
| Field Current (DC) | thermally limited value at speed |
| Measurement Method | Thermal State | Armature Phase Resistance | Field Winding Resistance |
| Measurement by Voltmeter-Ammeter Method | In a cold state | ||
| In a heated state | |||
| In a heated state (, ) |
| Results of | |||||||
|---|---|---|---|---|---|---|---|
| min. | max. | min. | max. | min. | max. | ||
| Measurements | |||||||
| Calculations | |||||||
| Results of | ||
|---|---|---|
| Measurements | ||
| Calculations |
Publisher’s Note: MDPI stays neutral with regard to jurisdictional claims in published maps and institutional affiliations. |
© 2021 by the authors. Licensee MDPI, Basel, Switzerland. This article is an open access article distributed under the terms and conditions of the Creative Commons Attribution (CC BY) license (https://creativecommons.org/licenses/by/4.0/).
Share and Cite
Drabek, T.; Kara, D.; Kołacz, T.; Lerch, T.; Skwarczyński, J. Measurement Tests and FEM Calculations of DC Excited Flux Switching Motor Prototype. Energies 2021, 14, 4353. https://doi.org/10.3390/en14144353
Drabek T, Kara D, Kołacz T, Lerch T, Skwarczyński J. Measurement Tests and FEM Calculations of DC Excited Flux Switching Motor Prototype. Energies. 2021; 14(14):4353. https://doi.org/10.3390/en14144353
Chicago/Turabian StyleDrabek, Tomasz, Dawid Kara, Tomasz Kołacz, Tomasz Lerch, and Jerzy Skwarczyński. 2021. "Measurement Tests and FEM Calculations of DC Excited Flux Switching Motor Prototype" Energies 14, no. 14: 4353. https://doi.org/10.3390/en14144353
APA StyleDrabek, T., Kara, D., Kołacz, T., Lerch, T., & Skwarczyński, J. (2021). Measurement Tests and FEM Calculations of DC Excited Flux Switching Motor Prototype. Energies, 14(14), 4353. https://doi.org/10.3390/en14144353

