On the Nature of the One-Diode Solar Cell Model Parameters
Abstract
:1. Introduction
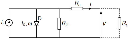
2. Facts and Figures
| PV Module | Reference | Method | Parameters | R2 | nRMSE | ||||
|---|---|---|---|---|---|---|---|---|---|
| IL (A) | IS (A) | m | RS (Ω) | RP (Ω) | |||||
| M1 1 | [10] | ICA | 8.21 | 1.09·10−7 | 1.30 | 0.0039 | 3.48 | 0.947 | 0.108 |
| [11] | FPA | 8.21 | 2.07·10−9 | 1.07 | 0.0064 | 13.84 | 0.939 | 0.115 | |
| [14] | MVO | 8.25 | 6.39·10−8 | 1.28 | 0.0024 | 2.49 | 0.991 | 0.044 | |
| [16] | LW | 8.21 | 2.19·10−9 | 1.07 | 0.0052 | 2.92 | 0.943 | 0.112 | |
| [17] | ITA | 8.21 | 9.83·10−8 | 1.30 | 0.0042 | 10.98 | 0.980 | 0.066 | |
| [18] | WDO | 8.18 | 4.42·10−7 | 1.41 | 0.0020 | 13.84 | 0.980 | 0.066 | |
| [19] | IT | 8.21 | 9.89·10−8 | 1.30 | 0.0040 | 10.59 | 0.982 | 0.063 | |
| [19] | PWL | 8.24 | 1.14·10−15 | 0.65 | 0.0074 | 1.52 | 0.972 | 0.079 | |
| M2 2 | [14] | MVO | 0.76 | 3.20·10−7 | 1.52 | 0.0365 | 59.58 | 0.975 | 0.052 |
| [10] | ICA | 0.76 | 1.46·10−7 | 1.44 | 0.0389 | 41.15 | 0.980 | 0.046 | |
| [20] | LW | 0.76 | 2.09·10−7 | 1.43 | 0.0403 | 61.30 | 0.936 | 0.083 | |
| [11] | FPA | 0.76 | 3.10·10−7 | 1.47 | 0.0365 | 52.87 | 0.945 | 0.077 | |
| [18] | WDO | 0.76 | 3.22·10−7 | 1.48 | 0.0367 | 57.75 | 0.967 | 0.060 | |
| [21] | FPA | 0.76 | 3.23·10−7 | 1.48 | 0.0363 | 53.72 | 0.966 | 0.060 | |
| M3 3 | [11] | FPA | 3.45 | 1.35·10−7 | 1.37 | 0.0094 | 12.53 | 0.999 | 0.013 |
| [21] | FPA | 3.40 | 1.22·10−9 | 1.08 | 0.0124 | 12.66 | 0.993 | 0.028 | |
3. Results and Discussions
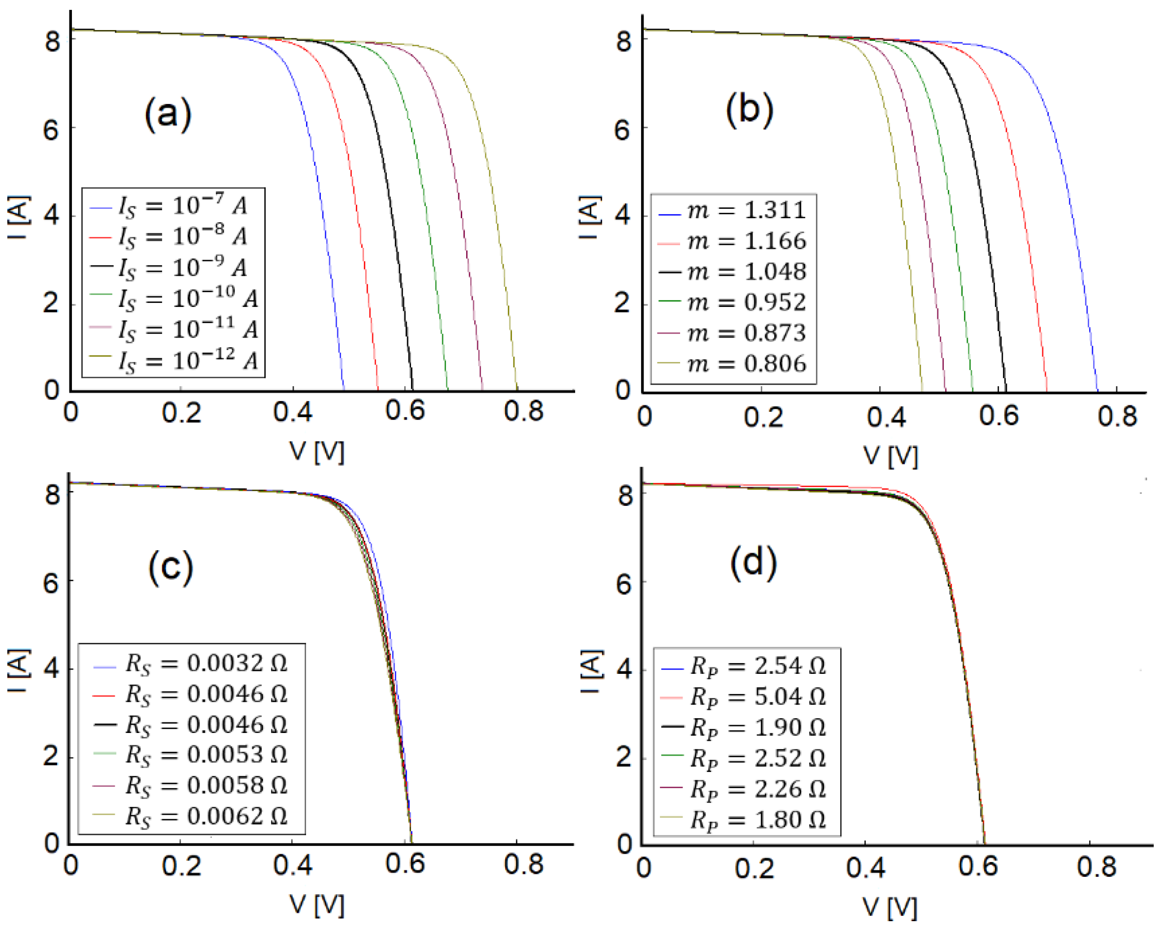
3.1. A Numerical Experiment
3.2. Outlook on Possible Solutions
4. Conclusions
Author Contributions
Funding
Institutional Review Board Statement
Informed Consent Statement
Data Availability Statement
Conflicts of Interest
Appendix A
References
- Reference Air Mass 1.5 Spectra. Available online: https://www.nrel.gov/grid/solar-resource/spectra-am1.5.html (accessed on 22 May 2021).
- Paul, S.; Sohal, S.; Swartz, C.; Li, D.-B.; Bista, S.S.; Grice, C.R.; Yan, Y.; Holtz, M.; Li, J.V. Effects of post-deposition CdCl2 annealing on electronic properties of CdTe solar cells. Sol. Energy 2020, 211, 938–948. [Google Scholar] [CrossRef]
- Nelson, J. The Physics of Solar Cells; Imperial College Press: London, UK, 2013. [Google Scholar]
- Sharma, D.; Mehra, R.; Balwinder Raj, B. Comparative analysis of photovoltaic technologies for high efficiency solar cell design. Superlattices Microstruct. 2021, 153, 106851. [Google Scholar] [CrossRef]
- Liao, P.; Zhao, X.; Li, G.; Shen, Y.; Wang, M. A New Method for Fitting Current–Voltage Curves of Planar Heterojunction Perovskite Solar Cells. Nano-Micro Lett. 2018, 10, 5. [Google Scholar] [CrossRef] [PubMed] [Green Version]
- Paulescu, M.; Badescu, V.; Dughir, C. New procedure and field-tests to assess photovoltaic module performance. Energy 2014, 70, 49–57. [Google Scholar] [CrossRef]
- Lappalainen, K.; Manganiello, P.; Piliougine, M.; Spagnuolo, G.; Valkealahti, S. Virtual Sensing of Photovoltaic Module Operating Parameters. IEEE J. Photovol. 2020, 10, 852–862. [Google Scholar] [CrossRef]
- Appelbaum, J.; Peled, A. Parameters extraction of solar cells—A comparative examination of three methods. Sol. Energy Mater. Sol. Cells 2014, 122, 164–173. [Google Scholar] [CrossRef]
- Mares, O.; Paulescu, M.; Badescu, V. A simple but accurate procedure for solving the five-parameter model. Energy Convers. Manag. 2015, 105, 139–148. [Google Scholar] [CrossRef]
- Fathy, A.; Rezk, H. Parameter estimation of photovoltaic system using imperialist competitive algorithm. Renew. Energy 2017, 111, 307–320. [Google Scholar] [CrossRef]
- Alam, D.F.; Yousri, D.A.; Eteiba, M.B. Flower Pollination Algorithm based solar PV parameter estimation. Energy Convers. Manag. 2015, 101, 410–422. [Google Scholar] [CrossRef]
- Abbassi, R.; Abbassi, A.; Jemli, M.; Chebbi, S. Identification of unknown parameters of solar cell models: A comprehensive overview of available approaches. Renew. Sustain. Energy Rev. 2018, 90, 453–474. [Google Scholar] [CrossRef]
- Sabadus, A.; Mihailetchi, V.; Paulescu, M. Parameters extraction for the one-diode model of a solar cell. AIP Conf. Proc. 2017, 1916, 040005. [Google Scholar] [CrossRef] [Green Version]
- Ali, E.E.; El-Hameed, M.A.; El-Fergany, A.A.; El-Arini, M.M. Parameter extraction of photovoltaic generating units using multi-verse optimizer. Sustain. Energy Technol. Assess. 2016, 17, 68–76. [Google Scholar] [CrossRef]
- Mirjalili, S.; Mirjalili, S.M.; Hatamlou, A. Multi-Verse Optimizer: A nature-inspired algorithm for global optimization. Neural Comput. Appl. 2016, 27, 495–513. [Google Scholar] [CrossRef]
- Nassar-eddine, I.; Obbadi, A.; Errami, Y.; El fajri, A.; Agunaou, M. Parameter estimation of photovoltaic modules using iterative method and the Lambert W function: A comparative study. Energy Convers. Manag. 2016, 119, 37–48. [Google Scholar] [CrossRef]
- Wang, G.; Zhao, K.; Shi, J.; Chen, W.; Zhang, H.; Yang, X.; Zhao, Y. An iterative approach for modeling photovoltaic modules without implicit equations. Appl. Energy 2017, 202, 189–198. [Google Scholar] [CrossRef]
- Derick, M.; Rani, C.; Rajesh, M.; Farrag, M.E.; Wang, Y.; Busawon, K. An improved optimization technique for estimation of solar photovoltaic parameter. Sol. Energy 2017, 157, 116–124. [Google Scholar] [CrossRef]
- Ibrahim, H.; Anani, N. Evaluation of Analytical Methods for Parameters Extraction of PV modules. Energy Procedia 2017, 134, 69–78. [Google Scholar] [CrossRef]
- El Tayyan, A.A. An approach to extract the parameters of solar cells from their illuminated I-V curves using the Lambert W function. Turk. J. Phys. 2015, 39, 1–15. [Google Scholar] [CrossRef]
- Xu, S.; Wang, Y. Parameter estimation of photovoltaic modules using a hybrid flower pollination algorithm. Energy Convers. Manag. 2017, 144, 53–68. [Google Scholar] [CrossRef]
- Easwarakhanthan, T.; Bottin, J.; Bouhouch, I.; Boutrit, C. Nonlinear minimization algorithm for determining the solar cell parameters with microcomputers. Int. J. Sol. Energy 1986, 4, 1–12. [Google Scholar] [CrossRef]
- Erees, Q.B.; Macabebe, E.Q.B.; van Dyk, E.E. Extraction of device parameters from dark current-voltage characteristics of PV devices. Phys. Status Solidi C 2008, 5, 616–619. [Google Scholar]
- Cotfas, D.T.; Deaconu, A.M.; Cotfas, P.A. Application of successive discretization algorithm for determining photovoltaic cells parameters. Energy Convers. Manag. 2019, 196, 545–556. [Google Scholar] [CrossRef]
- Meyer, E.L. Extraction of Saturation Current and Ideality Factor from Measuring Voc and Isc of Photovoltaic Modules. Int. J. Photoenergy 2017, 2017. [Google Scholar] [CrossRef] [Green Version]
- Franzitta, V.; Orioli, A.; Gangi, A.D. Assessment of the Usability and Accuracy of Two-Diode Models for Photovoltaic Modules. Energies 2017, 10, 564. [Google Scholar] [CrossRef] [Green Version]
- Ram, J.P.; Babu, T.S.; Dragicevic, T.; Rajasekar, N. A new hybrid bee pollinator flower pollination algorithm for solar PV parameter estimation. Energy Convers. Manag. 2017, 135, 463–476. [Google Scholar] [CrossRef]
- Jacob, B.; Balasubramanian, K.; Babu, S.; Azharuddin, S.M.; Rajasekar, N. Solar PV modelling and Parameter Extraction using Artificial Immune system. Energy Procedia 2015, 75, 331–336. [Google Scholar] [CrossRef] [Green Version]
- Elbaset, A.A.; Ali, H.; Abd-El Sattar, M. Novel seven-parameter model for photovoltaic modules. Sol. Energy Mater. Sol. Cells 2014, 130, 442–445. [Google Scholar] [CrossRef]




| PV Module | IS (A) | IL (A) | m | RS (Ω) | RP (Ω) | R2 | nRMSE |
|---|---|---|---|---|---|---|---|
| M1 | 10−7 | 8.2063 | 1.311 | 3.2·10−3 | 2.54 | 0.9995 | 0.011 |
| 10−8 | 8.2073 | 1.166 | 4.6·10−3 | 5.04 | 0.9992 | 0.013 | |
| 10−9 | 8.2063 | 1.048 | 4.6·10−3 | 1.90 | 0.9998 | 6.8·10−3 | |
| 10−10 | 8.2064 | 0.952 | 5.3·10−3 | 2.52 | 0.9998 | 6.9·10−3 | |
| 10−11 | 8.2093 | 0.873 | 5.8·10−3 | 2.26 | 0.9996 | 9.3·10−3 | |
| 10−12 | 8.2093 | 0.806 | 6.2·10−3 | 1.80 | 0.9995 | 0.011 | |
| M2 | 10−7 | 0.7592 | 1.401 | 0.051 | 18.5 | 0.9991 | 7·10−3 |
| 10−8 | 0.7570 | 1.225 | 0.062 | 16.2 | 0.9980 | 8.4·10−3 | |
| 10−9 | 0.7592 | 1.100 | 0.094 | 32.0 | 0.9973 | 0.017 | |
| 10−10 | 0.7593 | 0.980 | 0.085 | 20.5 | 0.9983 | 0.014 |
Publisher’s Note: MDPI stays neutral with regard to jurisdictional claims in published maps and institutional affiliations. |
© 2021 by the authors. Licensee MDPI, Basel, Switzerland. This article is an open access article distributed under the terms and conditions of the Creative Commons Attribution (CC BY) license (https://creativecommons.org/licenses/by/4.0/).
Share and Cite
Sabadus, A.; Paulescu, M. On the Nature of the One-Diode Solar Cell Model Parameters. Energies 2021, 14, 3974. https://doi.org/10.3390/en14133974
Sabadus A, Paulescu M. On the Nature of the One-Diode Solar Cell Model Parameters. Energies. 2021; 14(13):3974. https://doi.org/10.3390/en14133974
Chicago/Turabian StyleSabadus, Andreea, and Marius Paulescu. 2021. "On the Nature of the One-Diode Solar Cell Model Parameters" Energies 14, no. 13: 3974. https://doi.org/10.3390/en14133974
APA StyleSabadus, A., & Paulescu, M. (2021). On the Nature of the One-Diode Solar Cell Model Parameters. Energies, 14(13), 3974. https://doi.org/10.3390/en14133974
