Design and Implementation a Single-Switch Step-Up DC-DC Converter Based on Cascaded Boost and Luo Converters
Abstract
1. Introduction
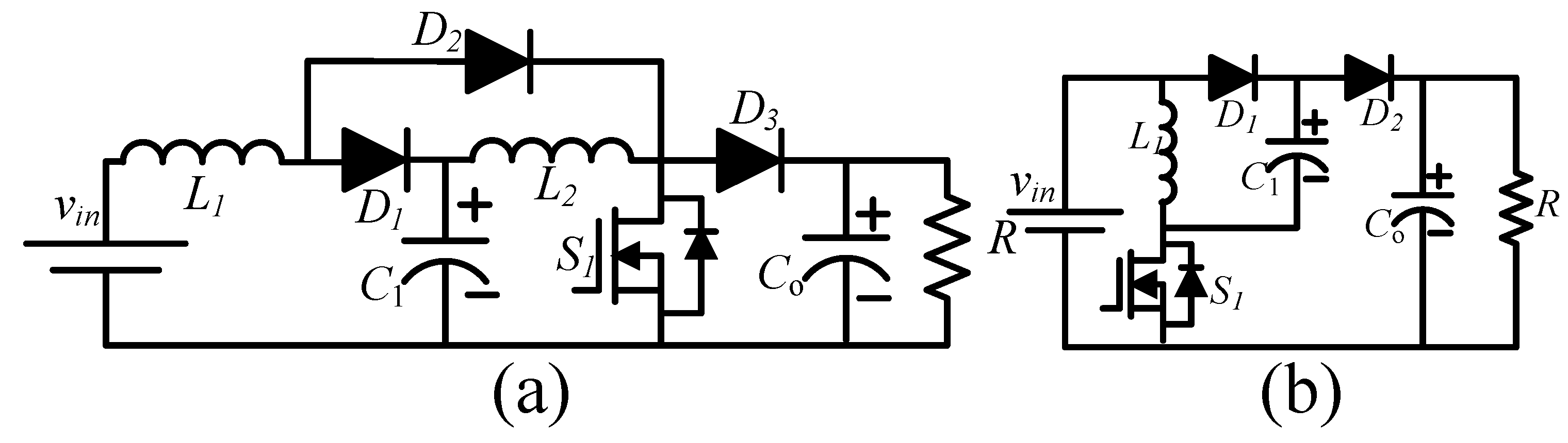
2. The Proposed Topology
2.1. The Topology of the Proposed Converter
2.2. Operation Modes
2.3. Voltage and Current Second Balance
2.4. Voltage/Current Stress of the Semiconductor Devices
2.5. The Current Ripple of the Inductors and the Voltage Ripple of the Capacitors
3. Discontinuous Current Mode
4. Non-Ideal Mode
4.1. Non-Ideal Voltage Gain
4.2. Non-Ideal Voltage Gain Comparison of the Proposed Topology with Quadratic Boost and Luo Converter
4.3. Non-Ideal Voltage Gain Comparison of the Proposed Topology with the Recently Proposed Converters
5. The Comparison of the Voltage/Current Stresses of the Proposed Converter with the Recently Mentioned Converters
6. Efficiency
6.1. Inductors Power Loss
6.2. Diode Power Loss
6.3. Switch Power Loss
6.4. The Efficiency Comparison of the Proposed Converter with Quadratic Boost and Luo Converters
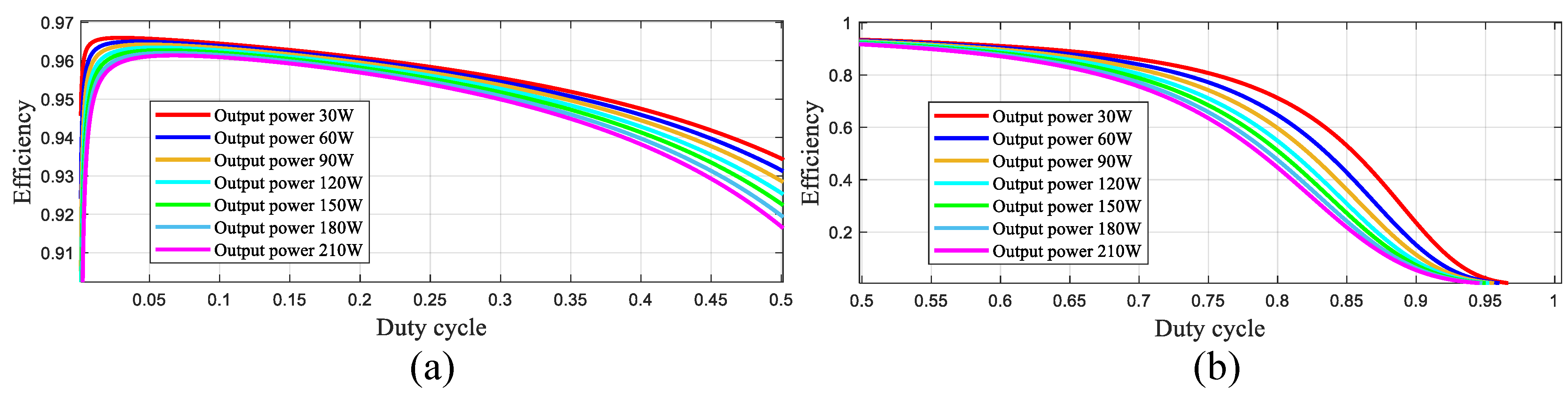
6.5. The Efficiency of the Proposed Converter for Various Values of Output Power
6.6. The Comparison of the Various Power Loss of the Proposed Topology with Recently Suggested Topologies for a Value of the Duty Cycle Which Concludes the Voltage Gain of 6
7. Small Signal Analysis
8. Simulation and the Experimental Results
9. Conclusions
Author Contributions
Funding
Conflicts of Interest
Appendix A
| D | |||||||||
|---|---|---|---|---|---|---|---|---|---|
| [10] | = 0.57 | 1 | = 0.57 | = 1.4 | 1 | = 0.41 | = 0.41 | = 0.17 | 0.71 |
| [11] | = 0.57 | = 1.4 | = 0.57 | = 1.4 | 1 | = 0.41 | = 0.41 | = 0.17 | 0.71 |
| [12] | = 1.96 | = 1.4 | = 0.57 | = 1.4 | 1 | = 0.6 | = 0.6 | = 0.17 | 0.71 |
| [13] | = 0.57 | = 1.4 | = 0.57 | = 1.4 | 1 | = 0.41 | = 0.41 | = 0.17 | 0.71 |
| [14] | = 0.57 | = 1.4 | = 0.57 | = 1.4 | 1 | = 0.41 | = 0.41 | = 0.17 | 0.71 |
| [15] | = 0.57 | = 1.4 | = 0.57 | = 1.4 | 1 | = 0.41 | = 0.41 | = 0.17 | 0.71 |
| [16] | = 0.57 | = 1.4 | = 0.57 | = 1.4 | 1 | = 0.41 | = 0.41 | = 0.17 | 0.71 |
| [17] | = 0.73 | = 0.51 | = 0.49 | 1 | 2 − D = 1.33 | 1 − D = 0.33 | = 0.49 | = 0.16 | 0.67 |
| [18] | = 0.49 | = 1.5 | = 0.49 | = 1.5 | D = 0.67 | 1 − D = 0.33 | 1 − D = 0.33 | = 0.16 | 0.67 |
| [19] | = 0.49 | 1 | = 0.49 | 1 | 1 | 1 − D = 0.33 | = 0.49 | = 0.16 | 0.67 |
| [20] | = 0.49 | = 1.5 | = 0.49 | = 1.5 | D = 0.67 | 1 − D = 0.33 | 1 − D = 0.33 | = 0.16 | 0.67 |
| [21] | = 0.72 | = 1.84 | = 0.72 | = 1.84 | = 1.84 | = 0.28 | = 0.72 | = 0.28 | 0.61 |
| [22] | = 0.72 | = 1.84 | = 0.72 | = 1.64 | = 0.72 | = 0.28 | = 0.28 | = 0.28 | 0.61 |
| [9] | 1 − D = 0.4 | 1 | 1 − D = 0.4 | 2 − D = 1.4 | D = 0.6 | D(1 − D) = 0.24 | D(1 − D) = 0.24 | (1 − D) = 0.16 | 0.6 |
| Inductors Loss | Switches Conduction Loss | Switching Loss of Switches | Diodes Loss | Duty Cycle | |
|---|---|---|---|---|---|
| proposed converters | , | , | , | , | 0.5 |
| [10] | , | , | , | , | 0.7 |
| [11] | , | , | , | , | 0.7 |
| [12] | , | , | , | , | 0.7 |
| [13] | , | , | , | , | 0.7 |
| [14] | , | , | , | , | 0.7 |
| [15] | , | , | , | , | 0.7 |
| [16] | = | , | , | , | 0.7 |
| [17] | , | , | , | , | 0.67 |
| [18] | , | , | , | , | 0.67 |
| [19] | , | , | , | , | 0.67 |
| [20] | , | , | , | , | 0.67 |
| [21] | , | , | , | , | 0.57 |
| [22] | , | , | , | , | 0.57 |
| [9] | , | , | , | , | 0.56 |
References
- Li, W.; Lv, X.; Deng, Y.; Liu, J.; He, X. A Review of Non-Isolated High Step-Up DC/DC Converters in Renewable Energy Applications. In Proceedings of the 2009 Twenty-Fourth Annual IEEE Applied Power Electronics Conference and Exposition, Washington, DC, USA, 21 March 2009; pp. 364–369. [Google Scholar]
- Marjani, J.; Imani, A.; Hekmati, A.; Afjei, E. A new dual output DC-DC converter based on SEPIC and Cuk converters. In Proceedings of the 2016 International Symposium on Power Electronics, Electrical Drives, Automation and Motion (SPEEDAM), Capri, Italy, 1 August 2016; pp. 946–950. [Google Scholar]
- Gopi, R.R.; Sreejith, S. Converter topologies in photovoltaic applications—A review. Renew. Sustain. Energy Rev. 2018, 94, 1–14. [Google Scholar] [CrossRef]
- Amir, A.; Amir, A.; Che, H.S.; Elkhateb, A.; Abd Rahim, N. Comparative analysis of high voltage gain DC-DC converter topologies for photovoltaic systems. Renew. Energy 2019, 136, 1147–1163. [Google Scholar] [CrossRef]
- Tewari, N.; Sreedevi, V. A novel single switch DC-DC converter with high voltage gain capability for solar PV based power generation systems. Sol. Energy 2018, 171, 466–477. [Google Scholar] [CrossRef]
- Revathi, B.S.; Prabhakar, M. Non isolated high gain DC-DC converter topologies for PV applications—A comprehensive review. Renew. Sustain. Energy Rev. 2016, 66, 920–933. [Google Scholar] [CrossRef]
- Taghvaee, M.; Radzi, M.; Moosavain, S.; Hizam, H.; Marhaban, M.H. A current and future study on non-isolated DC–DC converters for photovoltaic applications. Renew. Sustain. Energy Rev. 2013, 17, 216–227. [Google Scholar] [CrossRef]
- Forouzesh, M.; Siwakoti, Y.P.; Gorji, S.A.; Blaabjerg, F.; Lehman, B. Step-Up DC–DC Converters: A Comprehensive Review of Voltage-Boosting Techniques, Topologies, and Applications. IEEE Trans. Power Electron. 2017, 32, 9143–9178. [Google Scholar] [CrossRef]
- Golizedeh, H.; Hashemi, M.R.; Rafiee, Z.; Hamzeh, M.; Afjei, E. A Quadratic Boost Converter with Continuous Input Current and Suitable for Photo Voltaic Solar Panels. In Proceedings of the 2020 28th Iranian Conference on Electrical Engineering (ICEE), Tabriz, Iran, 26 November 2020; pp. 1–5. [Google Scholar]
- Gholizadeh, H.; Salehi, M.; Rafiee, Z.; Afjei, E.; Hamzeh, M. A Transformer less Quadratic Buck-Boost Converter with Wide Range of Output Voltage and Low Switch Stresses. In Proceedings of the 2020 11th Power Electronics, Drive Systems, and Technologies Conference (PEDSTC), Tehran, Iran, 4–6 February 2020; pp. 1–6. [Google Scholar]
- Miao, S.; Wang, F.; Ma, X. A New Transformerless Buck-Boost Converter With Positive Output Voltage. IEEE Trans. Ind. Electron. 2016, 63, 2965–2975. [Google Scholar] [CrossRef]
- Sarikhani, A.; Allahverdinejad, B.; Hamzeh, M.; Afjei, E. A continuous input and output current quadratic buck-boost converter with positive output voltage for photovoltaic applications. Sol. Energy 2019, 188, 19–27. [Google Scholar] [CrossRef]
- Gholizadeh, H.; Sarikhani, A.; Hamzeh, M. A Transformerless Quadratic Buck-Boost Converter Suitable for Renewable Applications. In Proceedings of the 2019 10th International Power Electronics, Drive Systems and Technologies Conference (PEDSTC), Shiraz, Iran, 25 April 2019; pp. 470–474. [Google Scholar]
- Babazadeh, Y.; Babaei, E.; Sabahi, M. A New Non-Isolated Buck-Boost Converter with High Voltage Gain and Positive Output Voltage for Renewable Energy Applications. In Proceedings of the 2019 10th International Power Electronics, Drive Systems and Technologies Conference (PEDSTC), Shiraz, Iran, 25 April 2019; pp. 201–206. [Google Scholar]
- Rosas-Caro, J.C.; Valdez-Resendiz, J.E.; Mayo-Maldonado, J.C.; Alejo-Reyes, A.; Valderrabano-Gonzalez, A. Quadratic buck–boost converter with positive output voltage and minimum ripple point design. IET Power Electron. 2018, 11, 1306–1313. [Google Scholar] [CrossRef]
- Rosas-Caro, J.C.; Sanchez, V.M.; Valdez-Resendiz, J.E.; Mayo-Maldonado, J.C.; Beltran-Carbajal, F.; Valderrabano-Gonzalez, A. Quadratic buck-boost converter with positive output-voltage and continuous input-current. In Proceedings of the 2018 International Conference on Electronics, Communications and Computers (CONIELECOMP), Cholula, Mexico, 21–23 February 2018; pp. 152–158. [Google Scholar]
- Totonchi, N.; Gholizadeh, H.; Afjei, E.; Hamzeh, M. A Novel Transformer less High Gain DC-DC Converter with Continuous Input Current and Suitable for Photo Voltaic Panels. In Proceedings of the 2020 11th Power Electronics, Drive Systems, and Technologies Conference (PEDSTC), Tehran, Iran, 4–6 February 2020; pp. 1–6. [Google Scholar]
- Gholizadeh, H.; Aboufazeli, S.; Rafiee, Z.; Afjei, E.; Hamzeh, M. A Non-Isolated High Gain DC-DC Converters with Positive Output Voltage and Reduced Current Stresses. In Proceedings of the 2020 11th Power Electronics, Drive Systems, and Technologies Conference (PEDSTC), Tehran, Iran, 4–6 February 2020; pp. 1–6. [Google Scholar]
- Garcia-Vite, P.M.; Soriano-Rangel, C.A.; Rosas-Caro, J.C.; Mancilla-David, F. A DC-DC converter with quadratic gain and input current ripple cancelation at a selectable duty cycle. Renew. Energy 2017, 101, 431–436. [Google Scholar] [CrossRef]
- Garcia-Vite, P.M.; Valdez-Resendiz, J.E.; Mayo-Maldonado, J.C.; Rosas-Caro, J.C.; Rosario Rivera-Espinosa, M.; Valderrabano-Gonzalez, A. Quadratic gain converter with output voltage ripple mitigation. In Proceedings of the 2017 IEEE Energy Conversion Congress and Exposition (ECCE), Cincinnati, OH, USA, 1–5 October 2017; pp. 2253–2259. [Google Scholar]
- Ding, S.; Wang, F. A New Negative Output Buck–Boost Converter with Wide Conversion Ratio. IEEE Trans. Ind. Electron. 2017, 64, 9322–9333. [Google Scholar] [CrossRef]
- Gholizadeh, H.; Babazadeh-Dizaji, R.; Hamzeh, M. High-Gain Buck-Boost Converter Suitable for Renewable Applications. In Proceedings of the 2019 27th Iranian Conference on Electrical Engineering (ICEE), Yazd, Iran, 30 April–2 May 2019; pp. 777–781. [Google Scholar]
















| D | |||||||||
|---|---|---|---|---|---|---|---|---|---|
| [10] | 0.57 | 1 | 0.57 | 1.4 | 1 | 0.41 | 0.41 | 0.17 | 0.71 |
| [11] | 0.57 | 1.4 | 0.57 | 1.4 | 1 | 0.41 | 0.41 | 0.17 | 0.71 |
| [12] | 1.96 | 1.4 | 0.57 | 1.4 | 1 | 0.6 | 0.6 | 0.17 | 0.71 |
| [13] | 0.57 | 1.4 | 0.57 | 1.4 | 1 | 0.41 | 0.41 | 0.17 | 0.71 |
| [14] | 0.57 | 1.4 | 0.57 | 1.4 | 1 | 0.41 | 0.41 | 0.17 | 0.71 |
| [15] | 0.57 | 1.4 | 0.57 | 1.4 | 1 | 0.41 | 0.41 | 0.17 | 0.71 |
| [16] | 0.57 | 1.4 | 0.57 | 1.4 | 1 | 0.41 | 0.41 | 0.17 | 0.71 |
| [17] | 0.73 | 0.51 | 0.49 | 1 | 1.33 | 0.33 | 0.49 | 0.16 | 0.67 |
| [18] | 0.49 | 1.5 | 0.49 | 1.5 | 0.67 | 0.33 | 0.33 | 0.16 | 0.67 |
| [19] | 0.49 | 1 | 0.49 | 1 | 1 | 0.33 | 0.49 | 0.16 | 0.67 |
| [20] | 0.49 | 1.5 | 0.49 | 1.5 | 0.67 | 0.33 | 0.33 | 0.16 | 0.67 |
| [21] | 0.72 | 1.84 | 0.72 | 1.84 | 1.84 | 0.28 | 0.72 | 0.28 | 0.61 |
| [22] | 0.72 | 1.84 | 0.72 | 1.64 | 0.72 | 0.28 | 0.28 | 0.28 | 0.61 |
| [9] | 0.4 | 1 | 0.4 | 1.4 | 0.6 | 0.24 | 0.24 | 0.16 | 0.6 |
Publisher’s Note: MDPI stays neutral with regard to jurisdictional claims in published maps and institutional affiliations. |
© 2021 by the authors. Licensee MDPI, Basel, Switzerland. This article is an open access article distributed under the terms and conditions of the Creative Commons Attribution (CC BY) license (https://creativecommons.org/licenses/by/4.0/).
Share and Cite
Gholizadeh, H.; Sharifi Shahrivar, R.; Hashemi, M.R.; Afjei, E.; A. Gorji, S. Design and Implementation a Single-Switch Step-Up DC-DC Converter Based on Cascaded Boost and Luo Converters. Energies 2021, 14, 3584. https://doi.org/10.3390/en14123584
Gholizadeh H, Sharifi Shahrivar R, Hashemi MR, Afjei E, A. Gorji S. Design and Implementation a Single-Switch Step-Up DC-DC Converter Based on Cascaded Boost and Luo Converters. Energies. 2021; 14(12):3584. https://doi.org/10.3390/en14123584
Chicago/Turabian StyleGholizadeh, Hossein, Reza Sharifi Shahrivar, Mir Reza Hashemi, Ebrahim Afjei, and Saman A. Gorji. 2021. "Design and Implementation a Single-Switch Step-Up DC-DC Converter Based on Cascaded Boost and Luo Converters" Energies 14, no. 12: 3584. https://doi.org/10.3390/en14123584
APA StyleGholizadeh, H., Sharifi Shahrivar, R., Hashemi, M. R., Afjei, E., & A. Gorji, S. (2021). Design and Implementation a Single-Switch Step-Up DC-DC Converter Based on Cascaded Boost and Luo Converters. Energies, 14(12), 3584. https://doi.org/10.3390/en14123584

